ZHCSI58C October   2009  – May 2018 TPS65720 , TPS65721

PRODUCTION DATA.  

  1. 特性
  2. 应用
  3. 说明
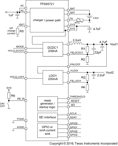
    1.     典型应用原理图
  4. 修订历史记录
  5. Device Options
  6. Pin Configuration and Functions
    1.     Pin Functions—DSBGA (TPS65720)
    2.     Pin Functions—DSBGA (TPS657201, TPS657202)
    3.     Pin Functions—WQFN (TPS65721)
  7. Specifications
    1. 7.1 Absolute Maximum Ratings
    2. 7.2 ESD Ratings
    3. 7.3 Recommended Operating Conditions
    4. 7.4 Thermal Information
    5. 7.5 Electrical Characteristics
    6. 7.6 Dissipation Ratings
    7. 7.7 Timing Requirements
    8. 7.8 Switching Characteristics
    9. 7.9 Typical Characteristics
  8. Detailed Description
    1. 8.1 Overview
    2. 8.2 Functional Block Diagrams
    3. 8.3 Feature Description
      1. 8.3.1  Battery Charger and Power Path
      2. 8.3.2  Power-Path Management
      3. 8.3.3  Battery Charging
        1. 8.3.3.1 I-PRECHARGE
        2. 8.3.3.2 ITERM
        3. 8.3.3.3 Battery Detection and Recharge
        4. 8.3.3.4 Charge Termination On/Off
        5. 8.3.3.5 Timers
        6. 8.3.3.6 Dynamic Timer Function
        7. 8.3.3.7 Charger Fault
      4. 8.3.4  Thermal Regulation and Thermal Shutdown
      5. 8.3.5  Battery Pack Temperature Monitoring
      6. 8.3.6  DCDC1 Converter
      7. 8.3.7  Power Save Mode
        1. 8.3.7.1 Dynamic Voltage Positioning
        2. 8.3.7.2 Soft Start
        3. 8.3.7.3 100% Duty Cycle Low Dropout Operation
        4. 8.3.7.4 Undervoltage Lockout
      8. 8.3.8  Short-Circuit Protection
      9. 8.3.9  Thermal Shutdown
      10. 8.3.10 LDO1
        1. 8.3.10.1 Default Voltage Setting for LDOs and DCDC1
        2. 8.3.10.2 Internal Analog Multiplexer (BAT, TS, TS_OUT); TPS657201, TPS657202 Only
        3. 8.3.10.3 Internal Battery Voltage Comparator
        4. 8.3.10.4 GPIOs, LED Drivers
        5. 8.3.10.5 RESET Output
        6. 8.3.10.6 Threshold Input (TPS65721 Only)
          1. 8.3.10.6.1 ENABLE for DCDC1 and LDO1
          2. 8.3.10.6.2 PB_IN Input
          3. 8.3.10.6.3 HOLD_DCDC1 Input
          4. 8.3.10.6.4 HOLD_LDO1 Input
          5. 8.3.10.6.5 INT Output
    4. 8.4 Device Functional Modes
      1. 8.4.1 Power Down
      2. 8.4.2 Sleep Mode
      3. 8.4.3 Standby Mode
      4. 8.4.4 Power-On Reset Mode
      5. 8.4.5 Idle Mode
    5. 8.5 Programming
      1. 8.5.1 Serial Interface
    6. 8.6 Register Maps
      1. 8.6.1  CHGSTATUS Register Address: 01h (read only)
      2. 8.6.2  CHGCONFIG0 Register Address: 02h (read/write)
      3. 8.6.3  CHGCONFIG1 Register Address: 03h (read/write)
      4. 8.6.4  CHGCONFIG2 Register Address: 04h (read/write)
      5. 8.6.5  CHGCONFIG3 Register Address: 05h (read/write)
      6. 8.6.6  CHGSTATE Register Address: 06h (read only)
      7. 8.6.7  DEFDCDC1 Register Address: 07h (read/write)
      8. 8.6.8  LDO_CTRL Register Address: 08h (read/write)
      9. 8.6.9  CONTROL0 Register Address: 09h (read/write)
      10. 8.6.10 CONTROL1 Register Address: 0Ah (read/write)
      11. 8.6.11 GPIO_SSC Register Address: 0Bh (read/write)
      12. 8.6.12 GPIODIR Register Address: 0Ch (read/write)
      13. 8.6.13 IRMASK0 Register Address: 0Dh (read/write)
      14. 8.6.14 IRMASK1 Register Address: 0Eh (read/write)
      15. 8.6.15 IRMASK2 Register Address: 0Fh (read/write)
      16. 8.6.16 IR0 Register Address: 10h (read only)
      17. 8.6.17 IR1 Register Address: 11h (read)
      18. 8.6.18 IR2 Register Address: 12h (read)
  9. Application and Implementation
    1. 9.1 Application Information
    2. 9.2 Typical Application
      1. 9.2.1 Design Requirements
      2. 9.2.2 Detailed Design Procedure
        1. 9.2.2.1 Output Voltage Setting
          1. 9.2.2.1.1 DCDC1
          2. 9.2.2.1.2 LDO1
        2. 9.2.2.2 Output Filter Design (Inductor and Output Capacitor)
          1. 9.2.2.2.1 Inductor Selection
          2. 9.2.2.2.2 Output Capacitor Selection
          3. 9.2.2.2.3 Input Capacitor Selection
        3. 9.2.2.3 Charger/Power Path
          1. 9.2.2.3.1 Charger Stability
          2. 9.2.2.3.2 Setting the Charge Current
          3. 9.2.2.3.3 Dynamic Power Path Management (DPPM)
      3. 9.2.3 Application Curves
  10. 10Power Supply Recommendations
  11. 11Layout
    1. 11.1 Layout Guidelines
    2. 11.2 Layout Example
  12. 12器件和文档支持
    1. 12.1 器件支持
      1. 12.1.1 第三方产品免责声明
    2. 12.2 文档支持
      1. 12.2.1 相关文档
    3. 12.3 相关链接
    4. 12.4 接收文档更新通知
    5. 12.5 社区资源
    6. 12.6 商标
    7. 12.7 静电放电警告
    8. 12.8 术语表
  13. 13机械、封装和可订购信息

封装选项

机械数据 (封装 | 引脚)
散热焊盘机械数据 (封装 | 引脚)
订购信息

Functional Block Diagrams

TPS65720 TPS657201 TPS657202 TPS65721 fbd_lvs979.gifFigure 7. Functional Block Diagram for TPS65720
TPS65720 TPS657201 TPS657202 TPS65721 657201_lvs979.gifFigure 8. Functional Block Diagram for TPS657201, TPS657202
TPS65720 TPS657201 TPS657202 TPS65721 fbd2_lvs979.gifFigure 9. Functional Block Diagram for WQFN Version