ZHCSEL9B december 2015 – may 2023 TPS65265
PRODUCTION DATA
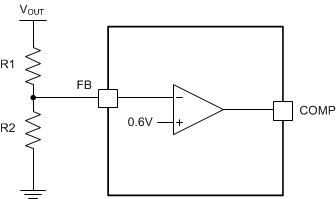
The output voltage of each buck is set with a resistor divider from the output of buck to the FB pin. TI recommends to use 1% tolerance or better resistors.
Figure 8-1 Voltage Divider Circuit
To improve efficiency at light loads consider using larger value resistors. If the values are too high, the regulator is more sensitive to noise. The recommended resistor values are shown in Table 8-1.
| OUTPUT VOLTAGE (V) | R1 (kΩ) | R2 (kΩ) |
|---|---|---|
| 1 | 10 | 15 |
| 1.2 | 10 | 10 |
| 1.5 | 15 | 10 |
| 1.8 | 20 | 10 |
| 2.5 | 31.6 | 10 |
| 3.3 | 45.3 | 10 |
| 3.3 | 22.6 | 4.99 |
| 5 | 73.2 | 10 |
| 5 | 36.5 | 4.99 |