SLVSAA2D March   2010  – January  2016 TPS65182B

PRODUCTION DATA.  

  1. Features
  2. Applications
  3. Description
  4. Revision History
  5. Pin Configuration and Functions
  6. Specifications
    1. 6.1 Absolute Maximum Ratings
    2. 6.2 ESD Ratings
    3. 6.3 Recommended Operating Conditions
    4. 6.4 Thermal Information
    5. 6.5 Electrical Characteristics
    6. 6.6 Data Transmission Timing
    7. 6.7 Typical Characteristics
  7. Detailed Description
    1. 7.1 Overview
    2. 7.2 Functional Block Diagram
    3. 7.3 Feature Description
      1. 7.3.1  Modes of Operation
      2. 7.3.2  Mode Transistions
      3. 7.3.3  Wake-Up and Power Up Sequencing
      4. 7.3.4  Dependencies Between Rails
      5. 7.3.5  Soft-Start
      6. 7.3.6  VCOM Adjustment
      7. 7.3.7  VPOS and VNEG Supply Tracking
      8. 7.3.8  Fault Handling and Recovery
      9. 7.3.9  Power Good Pin
      10. 7.3.10 Panel Temperature Monitoring
      11. 7.3.11 NTC Bias Circuit
    4. 7.4 Device Functional Modes
      1. 7.4.1 I2C Bus Operation
    5. 7.5 Register Maps
      1. 7.5.1 Thermistor Readout (TMST_VALUE) Register (offset = 0x00h)
  8. Application and Implementation
    1. 8.1 Application Information
    2. 8.2 Typical Application
      1. 8.2.1 Design Requirements
      2. 8.2.2 Detailed Design Procedure
      3. 8.2.3 Application Curves
  9. Power Supply Recommendations
  10. 10Layout
    1. 10.1 Layout Guidelines
    2. 10.2 Layout Example
  11. 11Device and Documentation Support
    1. 11.1 Related Links
    2. 11.2 Community Resources
    3. 11.3 Trademarks
    4. 11.4 Electrostatic Discharge Caution
    5. 11.5 Glossary
  12. 12Mechanical, Packaging, and Orderable Information

封装选项

机械数据 (封装 | 引脚)
散热焊盘机械数据 (封装 | 引脚)
订购信息

8 Application and Implementation

NOTE

Information in the following applications sections is not part of the TI component specification, and TI does not warrant its accuracy or completeness. TI’s customers are responsible for determining suitability of components for their purposes. Customers should validate and test their design implementation to confirm system functionality.

8.1 Application Information

The TPS65185 device is used to power display screens in E-book applications, specifically E-Ink Vizplex display, by connecting the screen to the positive and negative charge pump, LDOs 1 and 2, and VCOM rails. The display screens size that can be supported up to 9.7 inches.

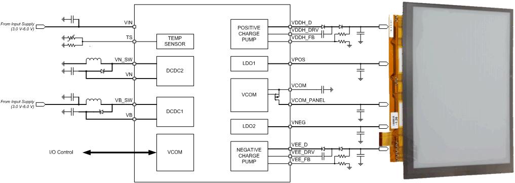
8.2 Typical Application

TPS65182 TPS65182B ces_slvsaa2.gif Figure 9. Typical Application Schematic

8.2.1 Design Requirements

For this design example, use the parameters listed in Table 3 as the input parameters.

Table 3. Design Parameters

VOLTAGE SEQUENCE (STROBE)
VNEG (LDO2) –15 V 1
VEE (Charge pump 2) –20 V 2
VPOS (LDO1) 15 V 3
VDDH (Charge pump 1) 22 V 4

8.2.2 Detailed Design Procedure

For the positive boost regulator (DCDC1) a 10-µF capacitor can be used as the input capacitor value; two 4.7-µF capacitor are used as output capacitors to reduce ESR along with a 2.2-µH inductor. For the inverting buck-boost regulator (DCDC2), an 10-µF capacitor can be used at the input capacitor value; A 10-µF and 4.7-µF capacitor are used as output capacitors to reduce ESR, with a 4.7-µH inductor. Capacitor ESR for all capacitors should be around 20 mΩ, and ceramic X5R material. These are the typical the values used, additional inductor and capacitor values can be used for improved functionality, but the parts should be rated the same as the recommended external components listed in Table 4.

Table 4. Recommended External Components

PART NUMBER VALUE SIZE MANUFACTURER
INDUCTORS
LQH44PN4R7MP0 4.7 µH 4 mm × 4 mm × 1.65 mm Murata
NR4018T4R7M 4.7 µH 4 mm × 4 mm × 1.8 mm Taiyo Yuden
VLS252015ET-2R2M 2.2 µH 2 mm × 2.5 mm × 1.5 mm TDK
NR4012T2R2M 2.2 µH 4 mm × 4 mm × 1.2 mm Taiyo Yuden
CAPACITORS
GRM21BC81E475KA12L 4.7 µF, 25 V, X6S 805 Murata
GRM32ER71H475KA88L 4.7 µF, 50 V, X7R 1210 Murata
All other capacitors X5R or better
DIODES
BAS3010 SOD-323 Infineon
MBR130T1 SOD-123 ON-Semi
BAV99 SOT-23 Fairchild
THERMISTOR
NCP18XH103F03RB 10 kΩ 603 Murata

8.2.3 Application Curves

TPS65182 TPS65182B C003_SLVSAA2.png Figure 10. Load Current vs VNEG
TPS65182 TPS65182B C005_SLVSAA2.png Figure 12. Load Current vs VPOS
TPS65182 TPS65182B C004_SLVSAA2.png Figure 11. Load Current vs Load Regulation
TPS65182 TPS65182B C006_SLVSAA2.png Figure 13. Load Current vs Load Regulation