SWCS128A March 2015 – December 2015
PRODUCTION DATA.
The TPS650860 power-management integrated circuit (PMIC) provides a highly flexible and configurable power solution that can power a wide array of processors along with DDR3/DDR4 memory and other peripherals. Integrated in the PMIC are three step-down controllers (BUCK1, BUCK2, and BUCK6), three step-down converters (BUCK3, BUCK4, and BUCK5), a sink or source LDO (VTT LDO), three low-voltage VIN LDOs (LDOA1–LDOA3), and three load switches (SWA1, SWB1, and SWB2). With on-chip one-time programmable (OTP) memory, configuration of each rail for default output value, power-up sequence, fault handling, and power good mapping into a GPO pin are all conveniently flexible. All VRs have a built-in discharge resistor, and the value can be changed using the DISCHCNT1–DISCHCNT3 and LDOA1_CTRL registers. When enabling a VR, the PMIC automatically disconnects the discharge resistor for that rail without any I2C command. Table 5-1 summarizes the key characteristics of the voltage rails.
| RAIL | TYPE | INPUT VOLTAGE (V) | OUTPUT VOLTAGE RANGE (V) | CURRENT (mA) | |||
|---|---|---|---|---|---|---|---|
| MIN | MAX | MIN | TYP | MAX | |||
| BUCK1 | Step-down Controller | 4.5 | 21 | 0.41 | OTP-programmable | 3.575 | scalable |
| BUCK2 | Step-down Controller | 4.5 | 21 | 0.41 | OTP-programmable | 3.575 | scalable |
| BUCK3 | Step-down Converter | 4.5 | 5.5 | 0.41 | OTP-programmable | 3.575 | 3000 |
| BUCK4 | Step-down Converter | 4.5 | 5.5 | 0.41 | OTP-programmable | 3.575 | 3000 |
| BUCK5 | Step-down Converter | 4.5 | 5.5 | 0.41 | OTP-programmable | 3.575 | 3000 |
| BUCK6 | Step-down Controller | 4.5 | 21 | 0.41 | OTP-programmable | 3.575 | scalable |
| LDOA1 | LDO | 4.5 | 5.5 | 0.7 | OTP-programmable | 3.3 | 200(1) |
| LDOA2 | LDO | 1.62 | 1.98 | 0.7 | OTP-programmable | 1.5 | 600 |
| LDOA3 | LDO | 1.62 | 1.98 | 0.7 | OTP-programmable | 1.5 | 600 |
| SWA1 | Load Switch | 0.5 | 3.3 | 300 | |||
| SWB1/SWB2 | Load Switch | 0.5 | 3.3 | 300 | |||
| VTT | Sink and Source LDO | BUCK6 output | VBUCK6 / 2 | 500 | |||
Figure 5-1 PMIC Functional Block Diagram
The buck controllers integrate gate drivers for external power stages with programmable current limit (set by an external resistor at ILIMx pin), which allows for optimal selection of external passive components based on the desired system load. The buck converters include integrated power stage and require a minimum number of pins for power input, inductor, and output voltage feedback input. Combined with high-frequency switching, all these features allow use of inductors in small form factor, thus reducing total-system cost and size.
BUCK1–BUCK6 have selectable auto- and forced-PWM mode through the BUCKx_MODE bit in the BUCKxCTRL register. In default auto mode, the VR automatically switches between PWM and PFM depending on the output load to maximize efficiency.
All controllers and converters can be set to default VOUT or dynamically voltage changing at any time. This means that the rails can be programmed for any VOUT by the factory, so the device starts up with the default voltage, or during operation the rail can be programmed to another operating VOUT while the rail is enable or disabled. There are two step sizes or ranges available for VOUT selection: 10-mV and 25-mV steps. The step-size range must be selected prior to use and must be programmed by the factory. It is not subject to programming or change during operation.
For the 10-mV step-size range VOUT options, refer to the Table 5-2. For the 25-mV step-size range VOUT options, refer to the Table 5-3.
| VID Bits | VOUT | VID Bits | VOUT | VID Bits | VOUT |
|---|---|---|---|---|---|
| 0000000 | 0 | 0101011 | 0.83 | 1010110 | 1.26 |
| 0000001 | 0.41 | 0101100 | 0.84 | 1010111 | 1.27 |
| 0000010 | 0.42 | 0101101 | 0.85 | 1011000 | 1.28 |
| 0000011 | 0.43 | 0101110 | 0.86 | 1011001 | 1.29 |
| 0000100 | 0.44 | 0101111 | 0.87 | 1011010 | 1.30 |
| 0000101 | 0.45 | 0110000 | 0.88 | 1011011 | 1.31 |
| 0000110 | 0.46 | 0110001 | 0.89 | 1011100 | 1.32 |
| 0000111 | 0.47 | 0110010 | 0.90 | 1011101 | 1.33 |
| 0001000 | 0.48 | 0110011 | 0.91 | 1011110 | 1.34 |
| 0001001 | 0.49 | 0110100 | 0.92 | 1011111 | 1.35 |
| 0001010 | 0.50 | 0110101 | 0.93 | 1100000 | 1.36 |
| 0001011 | 0.51 | 0110110 | 0.94 | 1100001 | 1.37 |
| 0001100 | 0.52 | 0110111 | 0.95 | 1100010 | 1.38 |
| 0001101 | 0.53 | 0111000 | 0.96 | 1100011 | 1.39 |
| 0001110 | 0.54 | 0111001 | 0.97 | 1100100 | 1.40 |
| 0001111 | 0.55 | 0111010 | 0.98 | 1100101 | 1.41 |
| 0010000 | 0.56 | 0111011 | 0.99 | 1100110 | 1.42 |
| 0010001 | 0.57 | 0111100 | 1.00 | 1100111 | 1.43 |
| 0010010 | 0.58 | 0111101 | 1.01 | 1101000 | 1.44 |
| 0010011 | 0.59 | 0111110 | 1.02 | 1101001 | 1.45 |
| 0010100 | 0.60 | 0111111 | 1.03 | 1101010 | 1.46 |
| 0010101 | 0.61 | 1000000 | 1.04 | 1101011 | 1.47 |
| 0010110 | 0.62 | 1000001 | 1.05 | 1101100 | 1.48 |
| 0010111 | 0.63 | 1000010 | 1.06 | 1101101 | 1.49 |
| 0011000 | 0.64 | 1000011 | 1.07 | 1101110 | 1.50 |
| 0011001 | 0.65 | 1000100 | 1.08 | 1101111 | 1.51 |
| 0011010 | 0.66 | 1000101 | 1.09 | 1110000 | 1.52 |
| 0011011 | 0.67 | 1000110 | 1.10 | 1110001 | 1.53 |
| 0011100 | 0.68 | 1000111 | 1.11 | 1110010 | 1.54 |
| 0011101 | 0.69 | 1001000 | 1.12 | 1110011 | 1.55 |
| 0011110 | 0.70 | 1001001 | 1.13 | 1110100 | 1.56 |
| 0011111 | 0.71 | 1001010 | 1.14 | 1110101 | 1.57 |
| 0100000 | 0.72 | 1001011 | 1.15 | 1110110 | 1.58 |
| 0100001 | 0.73 | 1001100 | 1.16 | 1110111 | 1.59 |
| 0100010 | 0.74 | 1001101 | 1.17 | 1111000 | 1.60 |
| 0100011 | 0.75 | 1001110 | 1.18 | 1111001 | 1.61 |
| 0100100 | 0.76 | 1001111 | 1.19 | 1111010 | 1.62 |
| 0100101 | 0.77 | 1010000 | 1.20 | 1111011 | 1.63 |
| 0100110 | 0.78 | 1010001 | 1.21 | 1111100 | 1.64 |
| 0100111 | 0.79 | 1010010 | 1.22 | 1111101 | 1.65 |
| 0101000 | 0.80 | 1010011 | 1.23 | 1111110 | 1.66 |
| 0101001 | 0.81 | 1010100 | 1.24 | 1111111 | 1.67 |
| 0101010 | 0.82 | 1010101 | 1.25 |
| VID Bits | VOUT (Converters) | VOUT (Controllers) | VID Bits | VOUT | VID Bits | VOUT |
|---|---|---|---|---|---|---|
| 0000000 | 0 | 1.000 | 0101011 | 1.475 | 1010110 | 2.550 |
| 0000001 | 0.425 | 1.000 | 0101100 | 1.500 | 1010111 | 2.575 |
| 0000010 | 0.450 | 1.000 | 0101101 | 1.525 | 1011000 | 2.600 |
| 0000011 | 0.475 | 1.000 | 0101110 | 1.550 | 1011001 | 2.625 |
| 0000100 | 0.500 | 1.000 | 0101111 | 1.575 | 1011010 | 2.650 |
| 0000101 | 0.525 | 1.000 | 0110000 | 1.600 | 1011011 | 2.675 |
| 0000110 | 0.550 | 1.000 | 0110001 | 1.625 | 1011100 | 2.700 |
| 0000111 | 0.575 | 1.000 | 0110010 | 1.650 | 1011101 | 2.725 |
| 0001000 | 0.600 | 1.000 | 0110011 | 1.675 | 1011110 | 2.750 |
| 0001001 | 0.625 | 1.000 | 0110100 | 1.700 | 1011111 | 2.775 |
| 0001010 | 0.650 | 1.000 | 0110101 | 1.725 | 1100000 | 2.800 |
| 0001011 | 0.675 | 1.000 | 0110110 | 1.750 | 1100001 | 2.825 |
| 0001100 | 0.700 | 1.000 | 0110111 | 1.775 | 1100010 | 2.850 |
| 0001101 | 0.725 | 1.000 | 0111000 | 1.800 | 1100011 | 2.875 |
| 0001110 | 0.750 | 1.000 | 0111001 | 1.825 | 1100100 | 2.900 |
| 0001111 | 0.775 | 1.000 | 0111010 | 1.850 | 1100101 | 2.925 |
| 0010000 | 0.800 | 1.000 | 0111011 | 1.875 | 1100110 | 2.950 |
| 0010001 | 0.825 | 1.000 | 0111100 | 1.900 | 1100111 | 2.975 |
| 0010010 | 0.850 | 1.000 | 0111101 | 1.925 | 1101000 | 3.000 |
| 0010011 | 0.875 | 1.000 | 0111110 | 1.950 | 1101001 | 3.025 |
| 0010100 | 0.900 | 1.000 | 0111111 | 1.975 | 1101010 | 3.050 |
| 0010101 | 0.925 | 1.000 | 1000000 | 2.000 | 1101011 | 3.075 |
| 0010110 | 0.950 | 1.000 | 1000001 | 2.025 | 1101100 | 3.100 |
| 0010111 | 0.975 | 1.000 | 1000010 | 2.050 | 1101101 | 3.125 |
| 0011000 | 1.000 | 1.000 | 1000011 | 2.075 | 1101110 | 3.150 |
| 0011001 | 1.025 | 1.025 | 1000100 | 2.100 | 1101111 | 3.175 |
| 0011010 | 1.050 | 1.050 | 1000101 | 2.125 | 1110000 | 3.200 |
| 0011011 | 1.075 | 1.075 | 1000110 | 2.150 | 1110001 | 3.225 |
| 0011100 | 1.100 | 1.100 | 1000111 | 2.175 | 1110010 | 3.250 |
| 0011101 | 1.125 | 1.125 | 1001000 | 2.200 | 1110011 | 3.275 |
| 0011110 | 1.150 | 1.150 | 1001001 | 2.225 | 1110100 | 3.300 |
| 0011111 | 1.175 | 1.175 | 1001010 | 2.250 | 1110101 | 3.325 |
| 0100000 | 1.200 | 1.200 | 1001011 | 2.275 | 1110110 | 3.350 |
| 0100001 | 1.225 | 1.225 | 1001100 | 2.300 | 1110111 | 3.375 |
| 0100010 | 1.250 | 1.250 | 1001101 | 2.325 | 1111000 | 3.400 |
| 0100011 | 1.275 | 1.275 | 1001110 | 2.350 | 1111001 | 3.425 |
| 0100100 | 1.300 | 1.300 | 1001111 | 2.375 | 1111010 | 3.450 |
| 0100101 | 1.325 | 1.325 | 1010000 | 2.400 | 1111011 | 3.475 |
| 0100110 | 1.350 | 1.350 | 1010001 | 2.425 | 1111100 | 3.500 |
| 0100111 | 1.375 | 1.375 | 1010010 | 2.450 | 1111101 | 3.525 |
| 0101000 | 1.400 | 1.400 | 1010011 | 2.475 | 1111110 | 3.550 |
| 0101001 | 1.425 | 1.425 | 1010100 | 2.500 | 1111111 | 3.575 |
| 0101010 | 1.450 | 1.450 | 1010101 | 2.525 |
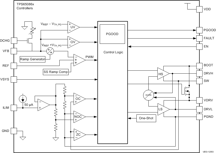
The controllers are fast-reacting, high-frequency, scalable output power controllers capable of driving two external N-MOSFETs. They are D-CAP2 controller scheme that optimizes transient responses at high load currents for such applications as CORE and DDR supplies. The output voltage is compared with internal reference voltage after divider resistors. The PWM comparator determines the timing to turn on the high-side MOSFET. The PWM comparator response maintains a very small PWM output ripple voltage. Because the device does not have a dedicated oscillator for control loop on board, switching cycle is controlled by the adaptive on-time circuit. The on-time is controlled to meet the target switching frequency by feed-forwarding the input and output voltage into the on-time one-shot timer.
The D-CAP2 control scheme has an injected ripple from the SW node that is added on to the reference voltage to simulate output ripple, which eliminates the need for ESR-induced output ripple from D-CAP™ mode control. Thus, low-ESR output capacitors (such as low-cost ceramic MLCC capacitors) can be used with the controllers.
Figure 5-2 Controller Block Diagram
The PMIC synchronous step-down DCDC converters include a unique hysteretic PWM controller scheme which enables a high switching frequency converter, excellent transient and AC load regulation as well as operation with cost-competitive external components. The controller topology supports forced PWM mode as well as power-save mode operation. Power-save mode operation, or PFM mode, reduces the quiescent current consumption and ensures high conversion efficiency at light loads by skipping switch pulses. In forced PWM mode, the device operates on a quasi-fixed frequency, avoids pulse skipping, and allows filtering of the switch noise by external filter components. The PMIC device offers fixed output voltage options featuring smallest solution size by using only three external components per converter.
A significant advantage of PMIC compared to other hysteretic PWM controller topologies is its excellent AC load transient regulation capability. When the output voltage falls below the threshold of the error comparator, a switch pulse is initiated, and the high-side switch is turned on. It remains turned on until a minimum ON-time of tONmin expires and the output voltage trips the threshold of the error comparator or the inductor current reaches the high-side switch current limit. When the high-side switch turns off, the low-side switch rectifier is turned on and the inductor current ramps down until the high-side switch turns on again or the inductor current reaches zero. In forced PWM mode operation, negative inductor current is allowed to enable continuous conduction mode even at no load condition.
Figure 5-3 Converter Block Diagram
BUCK1–BUCK6 support dynamic voltage scaling (DVS) for maximum system efficiency. The VR outputs can slew up and down in either 10-mV or 25-mV steps using the 7-bit voltage ID (VID) defined in Section 4.7 and Section 4.8. DVS slew rate is minimum 2.5 mV/µs. In order to meet the minimum slew rate, VID progresses to the next code at 3-µs (nom) interval per 10-mV or at 6-µs interval per 25-mV steps. When DVS is active, the VR is forced into PWM mode, unless BUCKx_DECAY = 1, to ensure the output keeps track of VID code with minimal delay. Additionally, PGOOD is masked when DVS is in progress. An example of slew down and up from one VID to another (step size of 10 mV) is depicted in Figure 5-4.
Figure 5-4 DVS Timing Diagram I (BUCKx_DECAY = 0)
As illustrated in Figure 5-5, if a BUCKx_VID[6:0] is set to 7b000 0000, its output voltage will slew down to 0.5 V first, and then will drift down to 0 V as the SMPS stops switching. Subsequently, if a BUCKx_VID[6:0] is set to a value (neither 7b000 0000 nor 7b000 0001) when its output voltage is less than 0.5 V, the VR will ramp up to 0.5 V first with soft-start kicking in, then will slew up to target voltage in the slew rate aforementioned. It must be noted that a fixed 200 µs of soft-start time is reserved for VOUT to reach 0.5 V. In this case, however, the SMPS is not forced into PWM mode as it otherwise could cause VOUT to droop momentarily if VOUT might have been drifting above 0.5 V for any reason.
Figure 5-5 DVS Timing Diagram II (BUCKx_DECAY = 0)
In addition to DVS, BUCK1–BUCK6 can decay down to a lower voltage when BUCKx_DECAY bit in BUCKxCTRL register is set to 1. Decay mode is only used in a downward direction of VID. The VR does not control slew rate. As both high-side and low-side FETs stop switching, the output voltage ramps down naturally, dictated by current drawn from the load and output filtering capacitance. When the VR is in the middle of decay down its PGOOD is masked until VOUT falls below the over-voltage (OV) threshold of the set VID value. Shown in Figure 5-6 are two cases that differ from each other as to whether VOUT has reached the target voltage corresponding to a new VID when the VR is commanded to slew back up to a higher voltage. In case that VOUT has not decayed down below VID as denoted case 2, the VR will wait for VID to catch up, and then VOUT will start ramping up to keep up with the VID ramp.
Figure 5-6 Decay Down to a Lower VOUT and Slew Up
Figure 5-7 Decay Down to 0 V and Slew Up
The buck controllers (BUCK1, BUCK2, and BUCK6) have inductor-valley current-limit architecture and the current limit is programmable by an external resistor at the ILIMx pin. Equation 1 shows the calculation for a desired resistor value, depending on specific application conditions. ILIMREF is the current source out of the ILIMx pin that is typically 50 µA, and RDSON is the maximum channel resistance of the low-side FET. the scaling factor is 1.3 to take into account all errors and temperature variations of RDSON, ILIMREF, and RILIM. Finally, 8 is another scaling factor associated with ILIMREF.

where

where
The buck converter limit inductor peak current cycle-by-cycle to IIND_LIM is specified in Section 4.8.
Powered from the BUCK6 output , VTT LDO tracks VBUCK6 by regulating its output to a half of its input. The LDO is capable of sinking and sourcing current up to 500 mA, and it is designed specifically to power DDR memory. The LDO core is a transconductance amplifier with large gain, and it drives a current output stage that either sources or sinks current depending on the deviation of VTTFB pin voltage from the target regulation voltage.
The TPS65086x device integrates three general purpose LDOs. LDOA1 is powered from a 5-V supply through the DRV5V_2_A1 pin and it can be factory configured to be an Always-On rail as long as a valid power supply is available at VSYS. See Table 5-4 for LDOA1 output voltage options. LDOA2 and LDOA3 share a power input pin (PVINLDOA2_A3). The output regulation voltages are set by writing to LDOAx_VID[3:0] bits (Reg 0x9A, 0x9B, and 0xAE). See Table 5-5 for LDOA2 and LDOA3 output voltage options. LDOA1 is controlled by LDOA1CTRL register.
| VID Bits | VOUT | VID Bits | VOUT | VID Bits | VOUT | VID Bits | VOUT |
|---|---|---|---|---|---|---|---|
| 0000 | 1.35 | 0100 | 1.8 | 1000 | 2.3 | 1100 | 2.85 |
| 0001 | 1.5 | 0101 | 1.9 | 1001 | 2.4 | 1101 | 3.0 |
| 0010 | 1.6 | 0110 | 2.0 | 1010 | 2.5 | 1110 | 3.3 |
| 0011 | 1.7 | 0111 | 2.1 | 1011 | 2.6 | 1111 | Not Used |
| VID Bits | VOUT | VID Bits | VOUT | VID Bits | VOUT | VID Bits | VOUT |
|---|---|---|---|---|---|---|---|
| 0000 | 0.70 | 0100 | 0.90 | 1000 | 1.10 | 1100 | 1.30 |
| 0001 | 0.75 | 0101 | 0.95 | 1001 | 1.15 | 1101 | 1.35 |
| 0010 | 0.80 | 0110 | 1.00 | 1010 | 1.20 | 1110 | 1.40 |
| 0011 | 0.85 | 0111 | 1.05 | 1011 | 1.25 | 1111 | 1.50 |
The PMIC features three general purpose load switches. SWA1 has its own power input pin (PVINSWA1), while SWB1 and SWB2 share one power input pin (PVINSWB1_B2). All switches have built-in slew rate control during startup to limit the inrush current.
The device provides information on status of VRs through four GPO pins along with Power-Good Status registers defined in Section 5.9.49 and Section 5.9.50. Power-good information of any individual VR and load switch can be assigned to be part of the PGOOD tree as defined from Section 5.9.39 to Section 5.9.46. PGOOD assertion delays are programmable from 0 ms to 15 ms for GPO1 and 0 ms to 100 ms for GPO2–GPO4, respectively, as are defined in Section 5.9.20 and Section 5.9.33.
Figure 5-8 Power Good Tree
Alternatively, the GPOs can be used as general purpose outputs controlled by the user via I²C. Refer to the I2C_RAIL_EN2/GPOCTRL Register Description for details on controlling the GPOs in I²C control mode.
The device has 3 different ways of sequencing the rails during power up and power down:
A delay can be added from any CTLx pin or PG to the enable of the subjected enabled rail. This creates a very flexible device capable of many sequence options. If a rail cannot be sequenced automatically, any rail can be enabled or disabled via I2C command.
The device has six control-input pins (CTL1–CTL6) to control six SMPS regulators, three LDO regulators, and three load switches. This allows the user to define up to six distinctive groups, to which each VR can be assigned for highly flexible power sequencing. Of the six CTLx pins, CTL3 and CTL6 can be configured alternatively to active-low sleep enable pins. For instance, if a system level SLEEP state is defined such that BUCK1 output regulation voltage is lower than in the normal mode, then BUCK2 SLEEP state can be assigned to CTL3 or CTL6. By being pulled low, either CTL3 or CTL6 can be used to put BUCK1 into SLEEP state, and BUCK1 will regulate its output at a voltage defined by BUCK1_SLP_VID[6:0] in Section 5.9.22. In the example Section 5.6.4, see how the BUCK1 is enabled from CTL1 pin for a demonstration of this feature.
Any rail can be sequenced by the power good of a prior rail. This can be combined with the CTLx method to allow for further sequence control and create more distinctive groups of enables than the 6 from CTLx. This also allows some of the CTLx pins to be freed up for other purposes such as logic input gates. In the example Section 5.6.4, see how the BUCK5 is enabled from the BUCK4 PG for a demonstration of this feature.
A delay can be added to the enable of any rail after the desired CTLx & PGs are met. This allows for the option to create additional timing groups from either CTLx pins or internal PGs. In the example Section 5.6.4, see how the BUCK2 and BUCK6 are enabled after BUCK1 from CTL1 pin for a demonstration of this feature.
When a valid power supply is detected at the VSYS pin as VSYS crosses above VSYS_UVLO_5V + VSYS_UVLO+5V_HYS, the power-up sequence is initiated by driving one of the control input pins high, followed by the rest of pins in order. Illustrated in Figure 5-9 is an example where CTL1–CTL4 are defined to control four groups of VRs, while GPO1–GPO4 are defined to provide a PGOOD status of each group. The control input pins do not necessarily have to be pulled up in a staggered manner. For instance, if CTL2 is pulled up from the preceding group of VRs before PGOOD has been asserted at GPO1, the BUCK4 enable will be delayed until the PGOOD is asserted.
Figure 5-9 TPS650860 Power Up Sequence Example
The power down sequence can follow the CTLx pins, or be controlled with the I²C commands. If the internal PGs are used for sequencing or if some rails need to ramp down before others a delay can be added to the de-assertion low of the internal enable of the subjected rail. This delay can be independent of the power up delay option. Thus, power up and power down sequences can be different of each other or relatively similar to match most applications' sequences.
Refer to Figure 5-10 for an example of a power down sequence demonstrating the delay disable of BUCK1 and BUCK2.
Figure 5-10 TPS650860 Power Down Sequence Example
Figure 5-11 Connected Standby Entry and Exit Sequence
Section 5.6.6 illustrates an example where BUCK1 is defined to enter Sleep State in response to CTL6 going low.
NOTE
All PGOODs from GPO1–GPO4 stay asserted during the entry and the exit. Depending on status of the BUCK1_DECAY bit defined in the BUCK1CTRL register, BUCK1 output will either decay or slew down to a new voltage defined in BUCK1_SLP_VID[6:0].
Figure 5-12 Emergency Shutdown Sequence
When VSYS crosses below VSYS_UVLO_5V, all power good pins will be deasserted, and after 444 ns (nom) of delay all VRs will shut down. Upon shutdown, all internal discharge resistors are set to 100 Ω to ensure timely decay of all VR outputs. Other conditions that will cause emergency shutdown are the die temperature rising above the critical temperature threshold (TCRIT), and de-assertion of power good of any rail (configurable).
When power supply at the VSYS pin is less than VSYS_UVLO_5V (5.4-V nominal) + VSYS_UVLO_5V_HYS (0.2-V nominal), the device is in off mode, where all output rails are disabled. If the supply voltage is greater than VSYS_UVLO_3V (3.6-V nominal) + VSYS_UVLO_3V_HYS (0.15-V nominal) while it is still less than VSYS_UVLO_5V + VSYS_UVLO_5V_HYS, then the internal bandgap reference (VREF pin) along with LDO3P3 are enabled and regulated at target values.
When power supply at the VSYS pin rises above VSYS_UVLO_5V + VSYS_UVLO_5V_HYS, the device enters standby mode, where all internal reference and regulators (LDO3P3 and LDO5) are up and running, and I2C interface and CTL pins are ready to respond. All default registers defined in Section 5.9 should have been loaded from one-time programmable (OTP) memory by now. Quiescent current consumption in standby mode is specified in Section 4.5.
The device proceeds to active mode when any output rail is enabled either via an input pin as discussed in Section 5.6 or by writing to EN bits via I2C. Output regulation voltage can also be changed by writing to VID bits defined in Section 5.9.
The I2C interface is a 2-wire serial interface developed by NXP™ (formerly Philips Semiconductor) (see I2C-Bus Specification and user manual, Rev 4, 13 February 2012). The bus consists of a data line (SDA) and a clock line (SCL) with pullup structures. When the bus is idle, both SDA and SCL lines are pulled high. All the I2C compatible devices connect to the I2C bus through open drain I/O pins, DATA and CLK. A master device, usually a microcontroller or a digital signal processor, controls the bus. The master is responsible for generating the SCL signal and device addresses. The master also generates specific conditions that indicate the START and STOP of data transfer. A slave device receives and/or transmits data on the bus under control of the master device.
The TPS650860 device works as a slave and supports the following data transfer modes, as defined in the I2C-Bus Specification: standard mode (100 kbps), fast mode (400 kbps), and high-speed mode
(1 Mbps). The interface adds flexibility to the power supply solution, enabling most functions to be programmed to new values depending on the instantaneous application requirements. Register contents are loaded when VSYS higher than VSYS_UVLO_5V is applied to the TPS650860 device. The I2C interface is running from an internal oscillator that is automatically enabled when there is an access to the interface.
The data transfer protocol for standard and fast modes are exactly the same, therefore, they are referred to as F/S-mode in this document. The protocol for high-speed mode is different from the F/S-mode, and it is referred to as H/S-mode.
The TPS650860 device supports 7-bit addressing; however, 10-bit addressing and general call address are not supported. The default device address is 0x5E.
The master initiates data transfer by generating a start condition. The start condition is when a high-to-low transition occurs on the SDA line while SCL is high (see Figure 5-13). All I2C-compatible devices should recognize a start condition.
The master then generates the SCL pulses, and transmits the 7-bit address and the read/write direction bit R/W on the SDA line. During all transmissions, the master ensures that data is valid. A valid data condition requires the SDA line to be stable during the entire high period of the clock pulse (see
Figure 5-14). All devices recognize the address sent by the master and compare it to their internal fixed addresses. Only the slave device with a matching address generates an acknowledge (see Figure 5-15), by pulling the SDA line low during the entire high period of the ninth SCL cycle. Upon detecting this acknowledge, the master knows that the communication link with a slave has been established.
The master generates further SCL cycles to either transmit data to the slave (R/W bit = 0) or receive data from the slave (R/W bit = 1). In either case, the receiver needs to acknowledge the data sent by the transmitter. An acknowledge signal can either be generated by the master or by the slave, depending on which one is the receiver. 9-bit valid data sequences consisting of 8-bit data and 1-bit acknowledge can continue as long as necessary.
To signal the end of the data transfer, the master generates a stop condition by pulling the SDA line from low to high while the SCL line is high (see Figure 5-13). This releases the bus and stops the communication link with the addressed slave. All I2C-compatible devices must recognize the stop condition. Upon the receipt of a stop condition, all devices know that the bus is released, and they wait for a start condition followed by a matching address.
Figure 5-13 START and STOP Conditions
Figure 5-14 Bit Transfer on the I2C Bus
Figure 5-15 Acknowledge on the I2C Bus
Figure 5-16 I2C Bus Protocol
Figure 5-17 I2C Interface WRITE to TPS650860 in F/S Mode
Figure 5-18 I2C Interface READ from TPS650860 in F/S Mode| Address Hex Value | Name | Short Description |
|---|---|---|
| 1h | DEVICEID | Device ID code indicating revision |
| 2h | IRQ | Interrupt statuses |
| 3h | IRQ_MASK | Interrupt masking |
| 4h | PMIC_STAT | PMIC temperature indicator |
| 5h | SHUTDNSRC | Shutdown root cause indicator bits |
| 20h | BUCK1CTRL | BUCK1 decay control and voltage select |
| 21h | BUCK2CTRL | BUCK2 decay control and voltage select |
| 22h | BUCK3DECAY | BUCK3 decay control |
| 23h | BUCK3VID | BUCK3 voltage select |
| 24h | BUCK3SLPCTRL | BUCK3 voltage select for sleep state |
| 25h | BUCK4CTRL | BUCK4 control |
| 26h | BUCK5CTRL | BUCK5 control |
| 27h | BUCK6CTRL | BUCK6 control |
| 28h | LDOA2CTRL | LDOA2 control |
| 29h | LDOA3CTRL | LDOA3 control |
| 40h | DISCHCTRL1 | Discharge resistors for each rail control |
| 41h | DISCHCTRL2 | Discharge resistors for each rail control |
| 42h | DISCHCTRL3 | Discharge resistors for each rail control |
| 43h | PG_DELAY1 | System power good on GPO3 (if GPO3 is programmed to be system PG) |
| 91h | FORCESHUTDN | Software force shutdown |
| 92h | BUCK1SLPCTRL | BUCK1 voltage select for sleep state |
| 93h | BUCK2SLPCTRL | BUCK2 voltage select for sleep state |
| 94h | BUCK4VID | BUCK4 voltage select |
| 95h | BUCK4SLPVID | BUCK4 voltage select for sleep state |
| 96h | BUCK5VID | BUCK5 voltage select |
| 97h | BUCK5SLPVID | BUCK5 voltage select for sleep state |
| 98h | BUCK6VID | BUCK6 voltage select |
| 99h | BUCK6SLPVID | BUCK6 voltage select for sleep state |
| 9Ah | LDOA2VID | LDOA2 voltage select |
| 9Bh | LDOA3VID | LDOA3 voltage select |
| 9Ch | BUCK123CTRL | BUCK1, 2, and 3 disable and PFM/PWM mode control |
| 9Dh | PG_DELAY2 | System power good on GPO1, 2, and 4 (if GPOs is programmed to be system PG) |
| 9Fh | SWVTT_DIS | SWs & VTT I2C disable bits |
| A0h | I2C_RAIL_EN1 | I2C Enable control of individual rails |
| A1h | I2C_RAIL_EN2/GPOCTRL | I2C Enable control of individual rails and I2C controlled GPOs, high or low |
| A2h | PWR_FAULT_MASK1 | Power fault masking for individual rails |
| A3h | PWR_FAULT_MASK2 | Power fault masking for individual rails |
| A4h | GPO1PG_CTRL1 | Power good tree control for GPO1 |
| A5h | GPO1PG_CTRL2 | Power good tree control for GPO1 |
| A6h | GPO4PG_CTRL1 | Power good tree control for GPO4 |
| A7h | GPO4PG_CTRL2 | Power good tree control for GPO4 |
| A8h | GPO2PG_CTRL1 | Power good tree control for GPO2 |
| A9h | GPO2PG_CTRL2 | Power good tree control for GPO2 |
| AAh | GPO3PG_CTRL1 | Power good tree control for GPO3 |
| ABh | GPO3PG_CTRL2 | Power good tree control for GPO3 |
| ACh | MISCSYSPG | Power good tree control with CTL3 and CTL6 for GPO |
| AEh | LDOA1CTRL | LDOA1 control for discharge, voltage selection, and enable |
| B0h | PGSTATUS1 | Power good statuses for individual rails |
| B1h | PGSTATUS2 | Power good statuses for individual rails |
| B2h | PWR_FAULT_STATUS1 | Power fault statuses for individual rails |
| B3h | PWR_FAULT_STATUS2 | Power fault statuses for individual rails |
| B4h | TEMPCRIT | Critical temperature indicators |
| B5h | TEMPHOT | Hot temperature indicators |
The user must not attempt to write a RESERVED R/W bit to the opposite value.
| Bit | 7 | 6 | 5 | 4 | 3 | 2 | 1 | 0 |
|---|---|---|---|---|---|---|---|---|
| Bit Name | REVID[1] | REVID[0] | OTP_ VERSION[1] |
OTP_ VERSION[0] |
PART_ NUMBER[3] |
PART_ NUMBER[2] |
PART_ NUMBER[1] |
PART_ NUMBER[0] |
| TPS650860 | 0 | 0 | 0 | 0 | 0 | 0 | 0 | 0 |
| Access | R | R | R | R | R | R | R | R |
| LEGEND: R/W = Read/Write; R = Read only; -n = value after reset |
| Bit | Field | Type | Reset | Description |
|---|---|---|---|---|
| 7-6 | REVID[1:0] | R | OTP-Programmable | Silicon revision ID |
| 5-4 | OTP_VERSION[1:0] | R | OTP-Programmable | OTP variation ID 00: A 01: B 10: C 11: D |
| 3-0 | PART_NUMBER[3:0] | R | OTP-Programmable | Device part number ID 0000: TPS650860 0001: TPS650861 ... 1111: TPS65086F |
| Bit | 7 | 6 | 5 | 4 | 3 | 2 | 1 | 0 |
|---|---|---|---|---|---|---|---|---|
| Bit Name | FAULT | RESERVED | RESERVED | RESERVED | SHUTDN | RESERVED | RESERVED | DIETEMP |
| TPS650860 | 0 | 0 | 0 | 0 | 0 | 0 | 0 | 0 |
| Access | R/W | R | R | R | R/W | R | R | R/W |
| LEGEND: R/W = Read/Write; R = Read only; -n = value after reset |
| Bit | Field | Type | Reset | Description |
|---|---|---|---|---|
| 7 | FAULT | R/W | 0 | Fault interrupt. Asserted when either condition occurs: power fault of any rail, or die temperature crosses over the critical temperature threshold (TCRIT). The user can read Reg. 0xB2–0xB6 to determine what has caused the interrupt. 0: Not asserted 1: Asserted. Host to write 1 to clear. |
| 3 | SHUTDN | R/W | 0 | Asserted when PMIC shuts down. To clear indicator, SHUTDNSRC must be cleared first, see Section 5.9.6
0: Not asserted. 1: Asserted. Host to write 1 to clear. |
| 0 | DIETEMP | R/W | 0 | Die temp interrupt. Asserted when PMIC die temperature crosses above the hot temperature threshold (THOT). 0: Not asserted. 1: Asserted. Host to write 1 to clear. |
| Bit | 7 | 6 | 5 | 4 | 3 | 2 | 1 | 0 |
|---|---|---|---|---|---|---|---|---|
| Bit Name | MFAULT | RESERVED | RESERVED | RESERVED | MSHUTDN | RESERVED | RESERVED | MDIETEMP |
| TPS650860 | 1 | 1 | 1 | 1 | 1 | 1 | 1 | 1 |
| Access | R/W | R | R | R | R/W | R | R | R/W |
| LEGEND: R/W = Read/Write; R = Read only; -n = value after reset |
| Bit | Field | Type | Reset | Description |
|---|---|---|---|---|
| 7 | MFAULT | R/W | 1 | FAULT interrupt mask. 0: Not masked. 1: Masked. |
| 3 | MSHUTDN | R/W | 1 | PMIC shutdown event interrupt mask 0: Not masked. 1: Masked. |
| 0 | MDIETEMP | R/W | 1 | Die temp interrupt mask. 0: Not masked. 1: Masked. |
| Bit | 7 | 6 | 5 | 4 | 3 | 2 | 1 | 0 |
|---|---|---|---|---|---|---|---|---|
| Bit Name | RESERVED | RESERVED | RESERVED | RESERVED | RESERVED | RESERVED | RESERVED | SDIETEMP |
| TPS650860 | 0 | 0 | 0 | 0 | 0 | 0 | 0 | 0 |
| Access | R | R | R | R | R | R | R | R |
| LEGEND: R/W = Read/Write; R = Read only; -n = value after reset |
| Bit | Field | Type | Reset | Description |
|---|---|---|---|---|
| 0 | SDIETEMP | R | 0 | PMIC die temperature status. 0: PMIC die temperature is below THOT. 1: PMIC die temperature is above THOT. |
| Bit | 7 | 6 | 5 | 4 | 3 | 2 | 1 | 0 |
|---|---|---|---|---|---|---|---|---|
| Bit Name | RESERVED | RESERVED | RESERVED | RESERVED | COLDOFF | UVLO | OCP | CRITTEMP |
| TPS650860 | 0 | 0 | 0 | 0 | 0 | 0 | 0 | 0 |
| Access | R | R | R | R | R/W | R/W | R/W | R/W |
| LEGEND: R/W = Read/Write; R = Read only; -n = value after reset |
| Bit | Field | Type | Reset | Description |
|---|---|---|---|---|
| 3 | COLDOFF | R/W | 0 | Set by PMIC cleared by host. Host to write 1 to clear. This bit is always 0 for TPS650860. 0 = Cleared 1= PMIC was shut down by pulling down CTL1 pin. |
| 2 | UVLO | R/W | 0 | Set by PMIC cleared by host. Host to write 1 to clear. 0 = Cleared 1= PMIC was shut down due to a UVLO event (VSYS crosses below 5.4 V). Assertion of this bit sets the SHUTDN bit in Section 5.9.3. |
| 1 | OCP | R/W | 0 | Set by PMIC cleared by host. Host to write 1 to clear. 0 = Cleared 1= PMIC was shut down due to an overcurrent event from BUCK1, BUCK2, BUCK6, or VTT LDO. Assertion of this bit sets the SHUTDN bit in Section 5.9.3. |
| 0 | CRITTEMP | R/W | 0 | Set by PMIC cleared by host. Host to write 1 to clear. 0 = Cleared 1= PMIC was shut down due to the rise of PMIC die temperature above critical temperature threshold (TCRIT). Assertion of this bit sets the SHUTDN bit in Section 5.9.3. |
| Bit | 7 | 6 | 5 | 4 | 3 | 2 | 1 | 0 |
|---|---|---|---|---|---|---|---|---|
| Bit Name | BUCK1_ VID[6] |
BUCK1_ VID[5] |
BUCK1_ VID[4] |
BUCK1_ VID[3] |
BUCK1_ VID[2] |
BUCK1_ VID[1] |
BUCK1_ VID[0] |
BUCK1_ DECAY |
| TPS650860 | 1 | 0 | 0 | 0 | 0 | 0 | 1 | 0 |
| Access | R/W | R/W | R/W | R/W | R/W | R/W | R/W | R/W |
| LEGEND: R/W = Read/Write; R = Read only; -n = value after reset |
| Bit | Field | Type | Reset | Description |
|---|---|---|---|---|
| 7:1 | BUCK1_VID[6:0] | R/W | OTP-Programmable | This field sets the BUCK1 regulator output regulation voltage in normal mode. See Table 5-2 and Table 5-3 for 10-mV and 25-mV step ranges for VOUT options. |
| 0 | BUCK1_DECAY | R/W | OTP-Programmable | Decay Bit 0: The output slews down to a lower voltage set by the VID bits. 1: The output decays down to a lower voltage set by the VID bits. Decay rate depends on total capacitance and load present at the output. |
| Bit | 7 | 6 | 5 | 4 | 3 | 2 | 1 | 0 |
|---|---|---|---|---|---|---|---|---|
| Bit Name | BUCK2_ VID[6] |
BUCK2_ VID[5] |
BUCK2_ VID[4] |
BUCK2_ VID[3] |
BUCK2_ VID[2] |
BUCK2_ VID[1] |
BUCK2_ VID[0] |
BUCK2_ DECAY |
| TPS650860 | 1 | 1 | 1 | 0 | 1 | 0 | 0 | 0 |
| Access | R/W | R/W | R/W | R/W | R/W | R/W | R/W | R/W |
| LEGEND: R/W = Read/Write; R = Read only; -n = value after reset |
| Bit | Field | Type | Reset | Description |
|---|---|---|---|---|
| 7:1 | BUCK2_VID[6:0] | R/W | OTP-Programmable | This field sets the BUCK2 regulator output regulation voltage in normal mode. See Table 5-2 and Table 5-3 for 10-mV and 25-mV step ranges for VOUT options. |
| 0 | BUCK2_DECAY | R/W | OTP-Programmable | Decay Bit 0: The output slews down to a lower voltage set by the VID bits. 1: The output decays down to a lower voltage set by the VID bits. Decay rate depends on total capacitance and load present at the output. |
| Bit | 7 | 6 | 5 | 4 | 3 | 2 | 1 | 0 |
|---|---|---|---|---|---|---|---|---|
| Bit Name | RESERVED | RESERVED | RESERVED | RESERVED | RESERVED | RESERVED | RESERVED | BUCK3_ DECAY |
| TPS650860 | 0 | 0 | 0 | 0 | 0 | 0 | 0 | 0 |
| Access | R/W | R/W | R/W | R/W | R/W | R/W | R/W | R/W |
| LEGEND: R/W = Read/Write; R = Read only; -n = value after reset |
| Bit | Field | Type | Reset | Description |
|---|---|---|---|---|
| 7:1 | RESERVED | R/W | 0 | Reserved X: Reserved bit are do not care, can be 1 or 0. |
| 0 | BUCK3_DECAY | R/W | OTP-Programmable | Decay Bit 0: The output slews down to a lower voltage set by the VID bits. 1: The output decays down to a lower voltage set by the VID bits. Decay rate depends on total capacitance and load present at the output. |
| Bit | 7 | 6 | 5 | 4 | 3 | 2 | 1 | 0 |
|---|---|---|---|---|---|---|---|---|
| Bit Name | BUCK3_ VID[6] |
BUCK3_ VID[5] |
BUCK3_ VID[4] |
BUCK3_ VID[3] |
BUCK3_ VID[2] |
BUCK3_ VID[1] |
BUCK3_ VID[0] |
RESERVED |
| TPS650860 | 1 | 0 | 1 | 0 | 1 | 0 | 0 | 0 |
| Access | R/W | R/W | R/W | R/W | R/W | R/W | R/W | R/W |
| LEGEND: R/W = Read/Write; R = Read only; -n = value after reset |
| Bit | 7 | 6 | 5 | 4 | 3 | 2 | 1 | 0 |
|---|---|---|---|---|---|---|---|---|
| Bit Name | BUCK3_SLP _ VID[6] |
BUCK3_SLP _ VID[5] |
BUCK3_SLP _ VID[4] |
BUCK3_SLP _ VID[3] |
BUCK3_SLP _ VID[2] |
BUCK3_SLP _ VID[1] |
BUCK3_SLP _ VID[0] |
BUCK3_SLP _ EN |
| TPS650860 | 1 | 0 | 1 | 0 | 1 | 0 | 0 | 0 |
| Access | R/W | R/W | R/W | R/W | R/W | R/W | R/W | R/W |
| LEGEND: R/W = Read/Write; R = Read only; -n = value after reset |
| Bit | Field | Type | Reset | Description |
|---|---|---|---|---|
| 7:1 | BUCK3_SLP_VID[6:0] | R/W | OTP-Programmable | This field sets the BUCK3 regulator output regulation voltage in sleep mode. BUCK3_SLP_VID bits are copied to BUCK3_VID bits upon enters sleep mode. See Table 5-2 and Table 5-3 for 10-mV and 25-mV step ranges for VOUT options. |
| 0 | BUCK3_SLP_EN | R/W | OTP-Programmable | BUCK3 sleep mode enable. For this bit to be effective, BUCK3 must be factory configured to enter sleep mode either by CTL3/SLPENB1 pin or by CTL6/SLPENB2 pin. 0: Disable. 1: Enable. |
| Bit | 7 | 6 | 5 | 4 | 3 | 2 | 1 | 0 |
|---|---|---|---|---|---|---|---|---|
| Bit Name | RESERVED | RESERVED | RESERVED | RESERVED | RESERVED | RESERVED | BUCK4_ MODE |
BUCK4_DIS |
| TPS650860 | 0 | 0 | 1 | 1 | 1 | 1 | 0 | 1 |
| Access | R | R | R/W | R/W | R/W | R/W | R/W | R/W |
| LEGEND: R/W = Read/Write; R = Read only; -n = value after reset |
| Bit | Field | Type | Reset | Description |
|---|---|---|---|---|
| 5:2 | RESERVED | R/W | 1111 | Reserved bits: Do not write to 0. These bits must stay 1 for sleep control reasons. |
| 1 | BUCK4_MODE | R/W | OTP-Programmable | This field sets the BUCK4 regulator operating mode. 0 = Automatic mode 1 = Forced PWM mode |
| 0 | BUCK4_DIS | R/W | OTP-Programmable | BUCK4 Disable Bit. Writing 0 to this bit forces BUCK4 to turn off regardless of any control input pin (CTL1–CTL6) status. 0: Disable 1: Enable |
| Bit | 7 | 6 | 5 | 4 | 3 | 2 | 1 | 0 |
|---|---|---|---|---|---|---|---|---|
| Bit Name | RESERVED | RESERVED | RESERVED | RESERVED | RESERVED | RESERVED | BUCK5_ MODE |
BUCK5_DIS |
| TPS650860 | 0 | 0 | 1 | 1 | 1 | 1 | 0 | 1 |
| Access | R | R | R/W | R/W | R/W | R/W | R/W | R/W |
| LEGEND: R/W = Read/Write; R = Read only; -n = value after reset |
| Bit | Field | Type | Reset | Description |
|---|---|---|---|---|
| 5:2 | RESERVED | R/W | 1111 | Reserved bits: Do not write to 0. These bits must stay 1 for sleep control reasons. |
| 1 | BUCK5_MODE | R/W | OTP-Programmable | This field sets the BUCK5 regulator operating mode. 0 = Automatic mode 1 = Forced PWM mode |
| 0 | BUCK5_DIS | R/W | OTP-Programmable | BUCK5 Disable Bit. Writing 0 to this bit forces BUCK5 to turn off regardless of any control input pin (CTL1–CTL6) status. 0: Disable. 1: Enable. |
| Bit | 7 | 6 | 5 | 4 | 3 | 2 | 1 | 0 |
|---|---|---|---|---|---|---|---|---|
| Bit Name | RESERVED | RESERVED | RESERVED | RESERVED | RESERVED | RESERVED | BUCK6_ MODE |
BUCK6_DIS |
| TPS650860 | 0 | 0 | 1 | 1 | 1 | 1 | 0 | 1 |
| Access | R | R | R/W | R/W | R/W | R/W | R/W | R/W |
| LEGEND: R/W = Read/Write; R = Read only; -n = value after reset |
| Bit | Field | Type | Reset | Description |
|---|---|---|---|---|
| 5:2 | RESERVED | R/W | 1111 | Reserved bits: Do not write to 0. These bits must stay 1 for sleep control reasons. |
| 1 | BUCK6_MODE | R/W | OTP-Programmable | This field sets the BUCK6 regulator operating mode. 0 = Automatic mode 1 = Forced PWM mode |
| 0 | BUCK6_DIS | R/W | OTP-Programmable | BUCK6 Disable Bit. Writing 0 to this bit forces BUCK6 to turn off regardless of any control input pin (CTL1–CTL6) status. 0: Disable. 1: Enable. |
| Bit | 7 | 6 | 5 | 4 | 3 | 2 | 1 | 0 |
|---|---|---|---|---|---|---|---|---|
| Bit Name | RESERVED | RESERVED | RESERVED | RESERVED | RESERVED | RESERVED | RESERVED | LDOA2_DIS |
| TPS650860 | 0 | 0 | 1 | 1 | 1 | 1 | 0 | 1 |
| Access | R | R | R/W | R/W | R/W | R/W | R/W | R/W |
| LEGEND: R/W = Read/Write; R = Read only; -n = value after reset |
| Bit | Field | Type | Reset | Description |
|---|---|---|---|---|
| 5:2 | RESERVED | R/W | 1111 | Reserved bits: Do not write to 0. These bits must stay 1 for sleep control reasons. |
| 0 | LDOA2_DIS | R/W | OTP-Programmable | LDOA2 Disable Bit. Writing 0 to this bit forces LDOA2 to turn off regardless of any control input pin (CTL1–CTL6) status. 0: Disable. 1: Enable. |
| Bit | 7 | 6 | 5 | 4 | 3 | 2 | 1 | 0 |
|---|---|---|---|---|---|---|---|---|
| Bit Name | RESERVED | RESERVED | RESERVED | RESERVED | RESERVED | RESERVED | RESERVED | LDOA3_DIS |
| TPS650860 | 0 | 0 | 1 | 1 | 1 | 1 | 0 | 1 |
| Access | R | R | R/W | R/W | R/W | R/W | R/W | R/W |
| LEGEND: R/W = Read/Write; R = Read only; -n = value after reset |
| Bit | Field | Type | Reset | Description |
|---|---|---|---|---|
| 5:2 | RESERVED | R/W | 1111 | Reserved bits: Do not write to 0. These bits must stay 1 for sleep control reasons. |
| 0 | LDOA3_DIS | R/W | OTP-Programmable | LDOA3 Disable Bit. Writing 0 to this bit forces LDOA3 to turn off regardless of any control input pin (CTL1–CTL6) status. 0: Disable 1: Enable |
All xx_DISCHG[1:0] bits internally set to 00 whenever the corresponding VR is enabled.
| Bit | 7 | 6 | 5 | 4 | 3 | 2 | 1 | 0 |
|---|---|---|---|---|---|---|---|---|
| Bit Name | BUCK4_ DISCHG[1] |
BUCK4_ DISCHG[0] |
BUCK3_ DISCHG[1] |
BUCK3_ DISCHG[0] |
BUCK2_ DISCHG[1] |
BUCK2_ DISCHG[0] |
BUCK1_ DISCHG[1] |
BUCK1_ DISCHG[0] |
| TPS650860 | 0 | 1 | 0 | 1 | 0 | 1 | 0 | 1 |
| Access | R/W | R/W | R/W | R/W | R/W | R/W | R/W | R/W |
| LEGEND: R/W = Read/Write; R = Read only; -n = value after reset |
| Bit | Field | Type | Reset | Description |
|---|---|---|---|---|
| 7-6 | BUCK4_DISCHG[1:0] | R/W | OTP-Programmable | BUCK4 discharge resistance 00: no discharge 01: 100 Ω 10: 200 Ω 11: 500 Ω |
| 5-4 | BUCK3_DISCHG[1:0] | R/W | OTP-Programmable | BUCK3 discharge resistance 00: no discharge 01: 100 Ω 10: 200 Ω 11: 500 Ω |
| 3-2 | BUCK2_DISCHG[1:0] | R/W | OTP-Programmable | BUCK2 discharge resistance 00: no discharge 01: 100 Ω 10: 200 Ω 11: 500 Ω |
| 1-0 | BUCK1_DISCHG[1:0] | R/W | OTP-Programmable | BUCK1 discharge resistance 00: no discharge 01: 100 Ω 10: 200 Ω 11: 500 Ω |
All xx_DISCHG[1:0] bits internally set to 00 whenever the corresponding VR is enabled.
| Bit | 7 | 6 | 5 | 4 | 3 | 2 | 1 | 0 |
|---|---|---|---|---|---|---|---|---|
| Bit Name | LDOA2_ DISCHG[1] |
LDOA2_ DISCHG[0] |
SWA1_ DISCHG[1] |
SWA1_ DISCHG[0] |
BUCK6_ DISCHG[1] |
BUCK6_ DISCHG[0] |
BUCK5_ DISCHG[1] |
BUCK5_ DISCHG[0] |
| TPS650860 | 0 | 1 | 0 | 1 | 0 | 1 | 0 | 1 |
| Access | R/W | R/W | R/W | R/W | R/W | R/W | R/W | R/W |
| LEGEND: R/W = Read/Write; R = Read only; -n = value after reset |
| Bit | Field | Type | Reset | Description |
|---|---|---|---|---|
| 7-6 | LDOA2_DISCHG[1:0] | R/W | OTP-Programmable | LDOA2 discharge resistance 00: no discharge 01: 100 Ω 10: 200 Ω 11: 500 Ω |
| 5-4 | SWA1_DISCHG[1:0] | R/W | OTP-Programmable | SWA1 discharge resistance 00: no discharge 01: 100 Ω 10: 200 Ω 11: 500 Ω |
| 3-2 | BUCK6_DISCHG[1:0] | R/W | OTP-Programmable | BUCK6 discharge resistance 00: no discharge 01: 100 Ω 10: 200 Ω 11: 500 Ω |
| 1-0 | BUCK5_DISCHG[1:0] | R/W | OTP-Programmable | BUCK5 discharge resistance 00: no discharge 01: 100 Ω 10: 200 Ω 11: 500 Ω |
All xx_DISCHG[1:0] bits internally set to 00 whenever the corresponding VR is enabled.
| Bit | 7 | 6 | 5 | 4 | 3 | 2 | 1 | 0 |
|---|---|---|---|---|---|---|---|---|
| Bit Name | RESERVED | RESERVED | SWB2_ DISCHG[1] |
SWB2_ DISCHG[0] |
SWB1_ DISCHG[1] |
SWB1_ DISCHG[0] |
LDOA3_ DISCHG[1] |
LDOA3_ DISCHG[0] |
| TPS650860 | 0 | 0 | 0 | 1 | 0 | 1 | 0 | 1 |
| Access | R | R | R/W | R/W | R/W | R/W | R/W | R/W |
| LEGEND: R/W = Read/Write; R = Read only; -n = value after reset |
| Bit | Field | Type | Reset | Description |
|---|---|---|---|---|
| 5-4 | SWB2_DISCHG[1:0] | R/W | OTP-Programmable | SWB2 discharge resistance 00: no discharge 01: 100 Ω 10: 200 Ω 11: 500 Ω |
| 3-2 | SWB1_DISCHG[1:0] | R/W | OTP-Programmable | SWB1 discharge resistance 00: no discharge 01: 100 Ω 10: 200 Ω 11: 500 Ω |
| 1-0 | LDOA3_DISCHG[1:0] | R/W | OTP-Programmable | LDOA3 discharge resistance 00: no discharge 01: 100 Ω 10: 200 Ω 11: 500 Ω |
Programmable Power Good delay for GPO3 pin, measured from the moment when all VRs assigned to GPO3 pin reach their regulation range to Power Good assertion. This is an optional register as the PMIC can be programmed for system PG, level shifter or I2C controller GPO.
| Bit | 7 | 6 | 5 | 4 | 3 | 2 | 1 | 0 |
|---|---|---|---|---|---|---|---|---|
| Bit Name | RESERVED | RESERVED | RESERVED | RESERVED | RESERVED | GPO3_PG_ DELAY[2] |
GPO3_PG_ DELAY[1] |
GPO3_PG_ DELAY[0] |
| TPS650860 | 0 | 0 | 0 | 0 | 0 | 1 | 1 | 1 |
| Access | R | R | R | R | R | R/W | R/W | R/W |
| LEGEND: R/W = Read/Write; R = Read only; -n = value after reset |
| Bit | Field | Type | Reset | Description |
|---|---|---|---|---|
| 2-0 | GPO3_PG_DELAY[2:0] | R/W | OTP-Programmable | Programmable delay power good or level shifter for GPO3 pin. Measured from the moment when all rails grouped to this pin reach their regulation range. All values have ±10 % variation 000 = 2.5 ms 001 = 5.0 ms 010 = 10 ms 011 = 15 ms 100 = 20 ms 101 = 50 ms 110 = 75 ms 111 = 100 ms XXX = Register not used |
| Bit | 7 | 6 | 5 | 4 | 3 | 2 | 1 | 0 |
|---|---|---|---|---|---|---|---|---|
| Bit Name | RESERVED | RESERVED | RESERVED | RESERVED | RESERVED | RESERVED | RESERVED | SDWN |
| TPS650860 | 0 | 0 | 0 | 0 | 0 | 0 | 0 | 0 |
| Access | R | R | R | R | R | R | R | R/W |
| LEGEND: R/W = Read/Write; R = Read only; -n = value after reset |
| Bit | Field | Type | Reset | Description |
|---|---|---|---|---|
| 0 | SDWN | R/W | 0 | Forces reset of the PMIC and reset of all registers. The bit is self-clearing. 0 = No action. 1 = PMIC is forced to shut down. |
| Bit | 7 | 6 | 5 | 4 | 3 | 2 | 1 | 0 |
|---|---|---|---|---|---|---|---|---|
| Bit Name | BUCK1_ SLP_ VID[6] |
BUCK1_ SLP_ VID[5] |
BUCK1_ SLP_ VID[4] |
BUCK1_ SLP_ VID[3] |
BUCK1_ SLP_ VID[2] |
BUCK1_ SLP_ VID[1] |
BUCK1_ SLP_ VID[0] |
BUCK1_ SLP_ EN |
| TPS650860 | 1 | 0 | 0 | 0 | 0 | 0 | 1 | 0 |
| Access | R/W | R/W | R/W | R/W | R/W | R/W | R/W | R/W |
| LEGEND: R/W = Read/Write; R = Read only; -n = value after reset |
| Bit | Field | Type | Reset | Description |
|---|---|---|---|---|
| 7:1 | BUCK1_SLP_VID[6:0] | R/W | OTP-Programmable | This field sets the BUCK1 regulator output regulation voltage in sleep mode. Mapping between bits and output voltage is defined as in Section 5.9.7. |
| 0 | BUCK1_SLP_EN | R/W | OTP-Programmable | BUCK1 sleep mode enable. For this bit to be effective, BUCK1 must be factory configured to enter sleep mode either by CTL3/SLPENB1 pin or by CTL6/SLPENB2 pin. 0: Disable. 1: Enable. |
| Bit | 7 | 6 | 5 | 4 | 3 | 2 | 1 | 0 |
|---|---|---|---|---|---|---|---|---|
| Bit Name | BUCK2_SLP _ VID[6] |
BUCK2_SLP _ VID[5] |
BUCK2_SLP _ VID[4] |
BUCK2_SLP _ VID[3] |
BUCK2_SLP _ VID[2] |
BUCK2_SLP _ VID[1] |
BUCK2_SLP _ VID[0] |
BUCK2_SLP _ EN |
| TPS650860 | 1 | 1 | 1 | 0 | 1 | 0 | 0 | 0 |
| Access | R/W | R/W | R/W | R/W | R/W | R/W | R/W | R/W |
| LEGEND: R/W = Read/Write; R = Read only; -n = value after reset |
| Bit | Field | Type | Reset | Description |
|---|---|---|---|---|
| 7:1 | BUCK2_SLP_VID[6:0] | R/W | OTP-Programmable | This field sets the BUCK2 regulator output regulation voltage in sleep mode. Mapping between bits and output voltage is defined as in Section 5.9.8. |
| 0 | BUCK2_SLP_EN | R/W | OTP-Programmable | BUCK2 sleep mode enable. For this bit to be effective, BUCK2 must be factory configured to enter sleep mode either by CTL3/SLPENB1 pin or by CTL6/SLPENB2 pin. 0: Disable. 1: Enable. |
| Bit | 7 | 6 | 5 | 4 | 3 | 2 | 1 | 0 |
|---|---|---|---|---|---|---|---|---|
| Bit Name | BUCK4_ VID[6] |
BUCK4_ VID[5] |
BUCK4_ VID[4] |
BUCK4_ VID[3] |
BUCK4_ VID[2] |
BUCK4_ VID[1] |
BUCK4_ VID[0] |
BUCK4_ DECAY |
| TPS650860 | 1 | 1 | 0 | 0 | 0 | 0 | 0 | 0 |
| Access | R/W | R/W | R/W | R/W | R/W | R/W | R/W | R/W |
| LEGEND: R/W = Read/Write; R = Read only; -n = value after reset |
| Bit | Field | Type | Reset | Description |
|---|---|---|---|---|
| 7:1 | BUCK4_VID[6:0] | R/W | OTP-Programmable | This field sets the BUCK4 regulator output regulation voltage in normal mode. See Table 5-2 and Table 5-3 for 10-mV and 25-mV step ranges for VOUT options. |
| 0 | BUCK4_DECAY | R/W | OTP-Programmable | Decay Bit 0: The output slews down to a lower voltage set by the VID bits. 1: The output decays down to a lower voltage set by the VID bits. Decay rate depends on total capacitance and load present at the output. |
| Bit | 7 | 6 | 5 | 4 | 3 | 2 | 1 | 0 |
|---|---|---|---|---|---|---|---|---|
| Bit Name | BUCK4_SLP _ VID[6] |
BUCK4_SLP _ VID[5] |
BUCK4_SLP _ VID[4] |
BUCK4_SLP _ VID[3] |
BUCK4_SLP _ VID[2] |
BUCK4_SLP _ VID[1] |
BUCK4_SLP _ VID[0] |
RESERVED |
| TPS650860 | 1 | 1 | 0 | 0 | 0 | 0 | 0 | 0 |
| Access | R/W | R/W | R/W | R/W | R/W | R/W | R/W | R |
| LEGEND: R/W = Read/Write; R = Read only; -n = value after reset |
| Bit | 7 | 6 | 5 | 4 | 3 | 2 | 1 | 0 |
|---|---|---|---|---|---|---|---|---|
| Bit Name | BUCK5_ VID[6] |
BUCK5_ VID[5] |
BUCK5_ VID[4] |
BUCK5_ VID[3] |
BUCK5_ VID[2] |
BUCK5_ VID[1] |
BUCK5_ VID[0] |
BUCK5_ DECAY |
| TPS650860 | 0 | 1 | 1 | 1 | 0 | 0 | 0 | 0 |
| Access | R/W | R/W | R/W | R/W | R/W | R/W | R/W | R/W |
| LEGEND: R/W = Read/Write; R = Read only; -n = value after reset |
| Bit | Field | Type | Reset | Description |
|---|---|---|---|---|
| 7:1 | BUCK5_VID[6:0] | R/W | OTP-Programmable | This field sets the BUCK5 regulator output regulation voltage in normal mode. See Table 5-2 and Table 5-3 for 10-mV and 25-mV step ranges for VOUT options. |
| 0 | BUCK5_DECAY | R/W | OTP-Programmable | Decay Bit 0: The output slews down to a lower voltage set by the VID bits. 1: The output decays down to a lower voltage set by the VID bits. Decay rate depends on total capacitance and load present at the output. |
| Bit | 7 | 6 | 5 | 4 | 3 | 2 | 1 | 0 |
|---|---|---|---|---|---|---|---|---|
| Bit Name | BUCK5_SLP _ VID[6] |
BUCK5_SLP _ VID[5] |
BUCK5_SLP _ VID[4] |
BUCK5_SLP _ VID[3] |
BUCK5_SLP _ VID[2] |
BUCK5_SLP _ VID[1] |
BUCK5_SLP _ VID[0] |
RESERVED |
| TPS650860 | 0 | 1 | 1 | 1 | 0 | 0 | 0 | 0 |
| Access | R/W | R/W | R/W | R/W | R/W | R/W | R/W | R |
| LEGEND: R/W = Read/Write; R = Read only; -n = value after reset |
| Bit | 7 | 6 | 5 | 4 | 3 | 2 | 1 | 0 |
|---|---|---|---|---|---|---|---|---|
| Bit Name | BUCK6_ VID[6] |
BUCK6_ VID[5] |
BUCK6_ VID[4] |
BUCK6_ VID[3] |
BUCK6_ VID[2] |
BUCK6_ VID[1] |
BUCK6_ VID[0] |
BUCK6_ DECAY |
| TPS650860 | 1 | 1 | 0 | 1 | 1 | 1 | 0 | 0 |
| Access | R/W | R/W | R/W | R/W | R/W | R/W | R/W | R/W |
| LEGEND: R/W = Read/Write; R = Read only; -n = value after reset |
| Bit | Field | Type | Reset | Description |
|---|---|---|---|---|
| 7:1 | BUCK6_VID[6:0] | R/W | OTP-Programmable | This field sets the BUCK6 regulator output regulation voltage in normal mode. See Table 5-2 and Table 5-3 for 10-mV and 25-mV step ranges for VOUT options. |
| 0 | BUCK6_DECAY | R/W | OTP-Programmable | Decay Bit 0: The output slews down to a lower voltage set by the VID bits. 1: The output decays down to a lower voltage set by the VID bits. Decay rate depends on total capacitance and load present at the output. |
| Bit | 7 | 6 | 5 | 4 | 3 | 2 | 1 | 0 |
|---|---|---|---|---|---|---|---|---|
| Bit Name | BUCK6_SLP _ VID[6] |
BUCK6_SLP _ VID[5] |
BUCK6_SLP _ VID[4] |
BUCK6_SLP _ VID[3] |
BUCK6_SLP _ VID[2] |
BUCK6_SLP _ VID[1] |
BUCK6_SLP _ VID[0] |
RESERVED |
| TPS650860 | 1 | 1 | 0 | 1 | 1 | 1 | 0 | 0 |
| Access | R/W | R/W | R/W | R/W | R/W | R/W | R/W | R |
| LEGEND: R/W = Read/Write; R = Read only; -n = value after reset |
| Bit | 7 | 6 | 5 | 4 | 3 | 2 | 1 | 0 |
|---|---|---|---|---|---|---|---|---|
| Bit Name | LDOA2_SLP_ VID[3] |
LDOA2_SLP_ VID[2] |
LDOA2_SLP_ VID[1] |
LDOA2_SLP_ VID[0] |
LDOA2_ VID[3] |
LDOA2_ VID[3] |
LDOA2_ VID[1] |
LDOA2_ VID[0] |
| TPS650860 | 0 | 0 | 0 | 0 | 0 | 0 | 0 | 0 |
| Access | R/W | R/W | R/W | R/W | R/W | R/W | R/W | R/W |
| LEGEND: R/W = Read/Write; R = Read only; -n = value after reset |
| Bit | Field | Type | Reset | Description |
|---|---|---|---|---|
| 7-4 | LDOA2_SLP_VID[3:0] | R/W | OTP-Programmable | This field sets the LDOA2 regulator output regulation voltage in sleep mode. See Table 5-5 for Vout options. |
| 3-0 | LDOA2_VID[3:0] | R/W | OTP-Programmable | This field sets the LDOA2 regulator output regulation voltage in normal mode. See Table 5-5 for Vout options. |
| Bit | 7 | 6 | 5 | 4 | 3 | 2 | 1 | 0 |
|---|---|---|---|---|---|---|---|---|
| Bit Name | LDOA3_SLP _ VID[3] |
LDOA3_SLP _ VID[2] |
LDOA3_SLP _ VID[1] |
LDOA3_SLP _ VID[0] |
LDOA3_ VID[3] |
LDOA3_ VID[3] |
LDOA3_ VID[1] |
LDOA3_ VID[0] |
| TPS650860 | 1 | 0 | 1 | 0 | 1 | 0 | 1 | 0 |
| Access | R/W | R/W | R/W | R/W | R/W | R/W | R/W | R/W |
| LEGEND: R/W = Read/Write; R = Read only; -n = value after reset |
| Bit | Field | Type | Reset | Description |
|---|---|---|---|---|
| 7-4 | LDOA3_SLP_VID[3:0] | R/W | OTP-Programmable | This field sets the LDOA3 regulator output regulation voltage in sleep mode. See Table 5-5 for Vout options. |
| 3-0 | LDOA3_VID[3:0] | R/W | OTP-Programmable | This field sets the LDOA3 regulator output regulation voltage in normal mode. See Table 5-5 for Vout options. |
| Bit | 7 | 6 | 5 | 4 | 3 | 2 | 1 | 0 |
|---|---|---|---|---|---|---|---|---|
| Bit Name | RESERVED | RESERVED | BUCK3 _MODE |
BUCK2 _MODE |
BUCK1 _MODE |
BUCK3 _DIS |
BUCK2 _DIS |
BUCK1 _DIS |
| TPS650860 | 0 | 0 | 0 | 0 | 0 | 1 | 1 | 1 |
| Access | R | R | R/W | R/W | R/W | R/W | R/W | R/W |
| LEGEND: R/W = Read/Write; R = Read only; -n = value after reset |
| Bit | Field | Type | Reset | Description |
|---|---|---|---|---|
| 5 | BUCK3_MODE | R/W | OTP-Programmable | This field sets the BUCK3 regulator operating mode. 0 = Automatic mode 1 = Forced PWM mode |
| 4 | BUCK2_MODE | R/W | OTP-Programmable | This field sets the BUCK2 regulator operating mode. 0 = Automatic mode 1 = Forced PWM mode |
| 3 | BUCK1_MODE | R/W | OTP-Programmable | This field sets the BUCK1 regulator operating mode. 0 = Automatic mode 1 = Forced PWM mode |
| 2 | BUCK3_DIS | R/W | OTP-Programmable | BUCK3 Disable Bit. Writing 0 to this bit forces BUCK3 to turn off regardless of any control input pin (CTL1–CTL6) status. 0: Disable 1: Enable |
| 1 | BUCK2_DIS | R/W | OTP-Programmable | BUCK2 Disable Bit. Writing 0 to this bit forces BUCK2 to turn off regardless of any control input pin (CTL1–CTL6) status. 0: Disable 1: Enable |
| 0 | BUCK1_DIS | R/W | OTP-Programmable | BUCK1 Disable Bit. Writing 0 to this bit forces BUCK1 to turn off regardless of any control input pin (CTL1–CTL6) status. 0: Disable 1: Enable |
Programmable Power Good delay for GPO3 pin, measured from the moment when all VRs assigned to GPO3 pin reach their regulation range to Power Good assertion. This is an optional register as the PMIC can be programmed for system PG, level shifter or I2C controller GPO.
| Bit | 7 | 6 | 5 | 4 | 3 | 2 | 1 | 0 |
|---|---|---|---|---|---|---|---|---|
| Bit Name | GPO2_PG_ DELAY[2] |
GPO2_PG_ DELAY[1] |
GPO2_PG_ DELAY[0] |
GPO4_PG_ DELAY[2] |
GPO4_PG_ DELAY[1] |
GPO4_PG_ DELAY[0] |
GPO1_PG_ DELAY[1] |
GPO1_PG_ DELAY[0] |
| TPS650860 | 0 | 0 | 0 | 1 | 0 | 0 | 1 | 0 |
| Access | R/W | R/W | R/W | R/W | R/W | R/W | R/W | R/W |
| LEGEND: R/W = Read/Write; R = Read only; -n = value after reset |
| Bit | Field | Type | Reset | Description |
|---|---|---|---|---|
| 7-5 | GPO2_PG_DELAY[2:0] | R/W | OTP-Programmable | Programmable delay power good or level shifter for GPO2 pin. Measured from the moment when all rails grouped to this pin reach their regulation range. All values have ±10 % variation 000 = 2.5 ms 001 = 5.0 ms 010 = 10 ms 011 = 15 ms 100 = 20 ms 101 = 50 ms 110 = 75 ms 111 = 100 ms |
| 4-2 | GPO4_PG_DELAY[2:0] | R/W | OTP-Programmable | Programmable delay power good or level shifter for GPO4 pin. Measured from the moment when all rails grouped to this pin reach their regulation range. All values have ±10 % variation 000 = 2.5 ms 001 = 5.0 ms 010 = 10 ms 011 = 15 ms 100 = 20 ms 101 = 50 ms 110 = 75 ms 111 = 100 ms |
| 1-0 | GPO1_PG_DELAY[1:0] | R/W | OTP-Programmable | Programmable delay power good or level shifter for GPO1 pin. Measured from the moment when all rails grouped to this pin reach their regulation range. All values have ±10 % variation 00 = 0 ms 01 = 5.0 ms 10 = 10 ms 11 = 15 ms |
| Bit | 7 | 6 | 5 | 4 | 3 | 2 | 1 | 0 |
|---|---|---|---|---|---|---|---|---|
| Bit Name | SWB2_DIS | SWB1_DIS | SWA1_DIS | VTT_DIS | Reserved | Reserved | Reserved | Reserved |
| TPS650860 | 1 | 1 | 1 | 1 | 0 | 0 | 0 | 0 |
| Access | R/W | R/W | R/W | R/W | R/W | R/W | R/W | R/W |
| LEGEND: R/W = Read/Write; R = Read only; -n = value after reset |
| Bit | Field | Type | Reset | Description |
|---|---|---|---|---|
| 7 | SWB2_DIS | R/W | OTP-Programmable | SWB2 Disable Bit. Writing 0 to this bit forces SWB2 to turn off regardless of any control input pin (CTL1–CTL6) status. 0: Disable. 1: Enable. |
| 6 | SWB1_DIS | R/W | OTP-Programmable | SWB1 Disable Bit. Writing 0 to this bit forces SWB1 to turn off regardless of any control input pin (CTL1–CTL6) status. 0: Disable. 1: Enable. |
| 5 | SWA1_DIS | R/W | OTP-Programmable | SWA1 Disable Bit. Writing 0 to this bit forces SWA1 to turn off regardless of any control input pin (CTL1–CTL6) status. 0: Disable. 1: Enable. |
| 4 | VTT_DIS | R/W | OTP-Programmable | VTT Disable Bit. Writing 0 to this bit forces VTT to turn off regardless of any control input pin (CTL1–CTL6) status. 0: Disable. 1: Enable. |
| 3 | Reserved | R/W | 0 | Reserved, Keep bit 0 at all times. Do not write to 1. |
| 2 | Reserved | R/W | 0 | Reserved, Keep bit 0 at all times. Do not write to 1. |
| 1 | Reserved | R/W | 0 | Reserved, Keep bit 0 at all times. Do not write to 1. |
| 0 | Reserved | R/W | 0 | Reserved, Keep bit 0 at all times. Do not write to 1. |
| Bit | 7 | 6 | 5 | 4 | 3 | 2 | 1 | 0 |
|---|---|---|---|---|---|---|---|---|
| Bit Name | LDOA2_EN | SWA1_EN | BUCK6_EN | BUCK5_EN | BUCK4_EN | BUCK3_EN | BUCK2_EN | BUCK1_EN |
| TPS650860 | 0 | 0 | 0 | 0 | 0 | 0 | 0 | 0 |
| Access | R/W | R/W | R/W | R/W | R/W | R/W | R/W | R/W |
| LEGEND: R/W = Read/Write; R = Read only; -n = value after reset |
| Bit | Field | Type | Reset | Description |
|---|---|---|---|---|
| 7 | LDOA2_EN | R/W | OTP-Programmable | LDOA2 I2C Enable 0: LDOA2 is enabled or disabled by one of the control input pins or internal PG signal. 1: LDOA2 is forced on unless LDOA2_DIS = 0. |
| 6 | SWA1_EN | R/W | OTP-Programmable | SWA1 I2C Enable 0: SWA1 is enabled or disabled by one of the control input pins or internal PG signal. 1: SWA1 is forced on unless SWA1_DIS = 0. |
| 5 | BUCK6_EN | R/W | OTP-Programmable | BUCK6 I2C Enable 0: BUCK6 is enabled or disabled by one of the control input pins or internal PG signal. 1: BUCK6 is forced on unless BUCK6_DIS = 0. |
| 4 | BUCK5_EN | R/W | OTP-Programmable | BUCK5 I2C Enable 0: BUCK5 is enabled or disabled by one of the control input pins or internal PG signal. 1: BUCK5 is forced on unless BUCK5_DIS = 0. |
| 3 | BUCK4_EN | R/W | OTP-Programmable | BUCK4 I2C Enable 0: BUCK4 is enabled or disabled by one of the control input pins or internal PG signal. 1: BUCK4 is forced on unless BUCK4_DIS = 0. |
| 2 | BUCK3_EN | R/W | OTP-Programmable | BUCK3 I2C Enable 0: BUCK3 is enabled or disabled by one of the control input pins or internal PG signal. 1: BUCK3 is forced on unless BUCK3_DIS = 0. |
| 1 | BUCK2_EN | R/W | OTP-Programmable | BUCK2 I2C Enable 0: BUCK2 is enabled or disabled by one of the control input pins or internal PG signal. 1: BUCK2 is forced on unless BUCK2_DIS = 0. |
| 0 | BUCK1_EN | R/W | OTP-Programmable | BUCK1 I2C Enable 0: BUCK1 is enabled or disabled by one of the control input pins or internal PG signal. 1: BUCK1 is forced on unless BUCK1_DIS = 0. |
| Bit | 7 | 6 | 5 | 4 | 3 | 2 | 1 | 0 |
|---|---|---|---|---|---|---|---|---|
| Bit Name | GPO4_LVL | GPO3_LVL | GPO2_LVL | GPO1_LVL | VTT_EN | SWB2_EN | SWB1_EN | LDOA3_EN |
| TPS650860 | X | X | 0 | 1 | 0 | 0 | 0 | 0 |
| Access | R/W | R/W | R/W | R/W | R/W | R/W | R/W | R/W |
| LEGEND: R/W = Read/Write; R = Read only; -n = value after reset |
| Bit | Field | Type | Reset | Description |
|---|---|---|---|---|
| 7 | GPO4_LVL | R/W | OTP-Programmable | The field is to set GPO4 pin output if the pin is factory-configured as an open-drain general-purpose output. 0: The pin is driven to logic low. 1: The pin is driven to logic high. X: Bit not used or is do not care for this version. |
| 6 | GPO3_LVL | R/W | OTP-Programmable | The field is to set GPO3 pin output if the pin is factory-configured as either an open-drain or a push-pull general-purpose output. 0: The pin is driven to logic low. 1: The pin is driven to logic high. X: Bit not used or is do not care for this version. |
| 5 | GPO2_LVL | R/W | OTP-Programmable | The field is to set GPO2 pin output if the pin is factory-configured as either an open-drain or a push-pull general-purpose output. 0: The pin is driven to logic low. 1: The pin is driven to logic high. |
| 4 | GPO1_LVL | R/W | OTP-Programmable | The field is to set GPO1 pin output if the pin is factory-configured as either an open-drain or a push-pull general-purpose output. 0: The pin is driven to logic low. 1: The pin is driven to logic high. |
| 3 | VTT_EN | R/W | OTP-Programmable | VTT LDO I2C Enable 0: VTT LDO is enabled or disabled by one of the control input pins or internal PG signals. 1: VTT LDO is forced on unless VTT_DIS = 0. |
| 2 | SWB2_EN | R/W | OTP-Programmable | SWB2 I2C Enable 0: SWB2 is enabled or disabled by one of the control input pins or internal PG signals. 1: SWB2 is forced on unless SWB2_DIS = 0. |
| 1 | SWB1_EN | R/W | OTP-Programmable | SWB1 I2C Enable 0: SWB1 is enabled or disabled by one of the control input pins or internal PG signals. 1: SWB1 is forced on unless SWB1_DIS = 0. |
| 0 | LDOA3_EN | R/W | OTP-Programmable | LDOA3 I2C Enable 0: LDOA3 is enabled or disabled by one of the control input pins or internal PG signals. 1: LDOA3 is forced on unless LDOA3_DIS = 0. |
| Bit | 7 | 6 | 5 | 4 | 3 | 2 | 1 | 0 |
|---|---|---|---|---|---|---|---|---|
| Bit Name | LDOA2_ FLTMSK |
SWA1_ FLTMSK |
BUCK6_ FLTMSK |
BUCK5_ FLTMSK |
BUCK4_ FLTMSK |
BUCK3_ FLTMSK |
BUCK2_ FLTMSK |
BUCK1_ FLTMSK |
| TPS650860 | 1 | 1 | 0 | 0 | 0 | 0 | 0 | 0 |
| Access | R/W | R/W | R/W | R/W | R/W | R/W | R/W | R/W |
| LEGEND: R/W = Read/Write; R = Read only; -n = value after reset |
| Bit | Field | Type | Reset | Description |
|---|---|---|---|---|
| 7 | LDOA2_FLTMSK | R/W | OTP-Programmable | LDOA2 Power Fault Mask. When masked, power fault from LDOA2 does not cause PMIC to shutdown. 0: Not Masked 1: Masked |
| 6 | SWA1_FLTMSK | R/W | OTP-Programmable | SWA1 Power Fault Mask. When masked, power fault from SWA1 does not cause PMIC to shutdown. 0: Not Masked 1: Masked |
| 5 | BUCK6_FLTMSK | R/W | OTP-Programmable | BUCK6 Power Fault Mask. When masked, power fault from BUCK6 does not cause PMIC to shutdown. 0: Not Masked 1: Masked |
| 4 | BUCK5_FLTMSK | R/W | OTP-Programmable | BUCK5 Power Fault Mask. When masked, power fault from BUCK5 does not cause PMIC to shutdown. 0: Not Masked 1: Masked |
| 3 | BUCK4_FLTMSK | R/W | OTP-Programmable | BUCK4 Power Fault Mask. When masked, power fault from BUCK4 does not cause PMIC to shutdown. 0: Not Masked 1: Masked |
| 2 | BUCK3_FLTMSK | R/W | OTP-Programmable | BUCK3 Power Fault Mask. When masked, power fault from BUCK3 does not cause PMIC to shutdown. 0: Not Masked 1: Masked |
| 1 | BUCK2_FLTMSK | R/W | OTP-Programmable | BUCK2 Power Fault Mask. When masked, power fault from BUCK2 does not cause PMIC to shutdown. 0: Not Masked 1: Masked |
| 0 | BUCK1_FLTMSK | R/W | OTP-Programmable | BUCK1 Power Fault Mask. When masked, power fault from BUCK1 does not cause PMIC to shutdown. 0: Not Masked 1: Masked |
| Bit | 7 | 6 | 5 | 4 | 3 | 2 | 1 | 0 |
|---|---|---|---|---|---|---|---|---|
| Bit Name | RESERVED | RESERVED | RESERVED | LDOA1_ FLTMSK |
VTT_ FLTMSK |
SWB2_ FLTMSK |
SWB1_ FLTMSK |
LDOA3_ FLTMSK |
| TPS650860 | 0 | 0 | 1 | 0 | 0 | 1 | 1 | 0 |
| Access | R | R/W | R/W | R/W | R/W | R/W | R/W | R/W |
| LEGEND: R/W = Read/Write; R = Read only; -n = value after reset |
| Bit | Field | Type | Reset | Description |
|---|---|---|---|---|
| 4 | LDOA1_FLTMSK | R/W | OTP-Programmable | LDOA1 Power Fault Mask. When masked, power fault from LDOA1 does not cause PMIC to shutdown. 0: Not Masked 1: Masked |
| 3 | VTT_FLTMSK | R/W | OTP-Programmable | VTT LDO Power Fault Mask. When masked, power fault from VTT LDO does not cause PMIC to shutdown. 0: Not Masked 1: Masked |
| 2 | SWB2_FLTMSK | R/W | OTP-Programmable | SWB2 Power Fault Mask. When masked, power fault from SWB2 does not cause PMIC to shutdown. 0: Not Masked 1: Masked |
| 1 | SWB1_FLTMSK | R/W | OTP-Programmable | SWB1 Power Fault Mask. When masked, power fault from SWB1 does not cause PMIC to shutdown. 0: Not Masked 1: Masked |
| 0 | LDOA3_FLTMSK | R/W | OTP-Programmable | LDOA3 Power Fault Mask. When masked, power fault from LDOA3 does not cause PMIC to shutdown. 0: Not Masked 1: Masked |
| Bit | 7 | 6 | 5 | 4 | 3 | 2 | 1 | 0 |
|---|---|---|---|---|---|---|---|---|
| Bit Name | LDOA2 _MSK |
RESERVED | BUCK6 _MSK |
BUCK5 _MSK |
BUCK4 _MSK |
BUCK3 _MSK |
BUCK2 _MSK |
BUCK1 _MSK |
| TPS650860 | 1 | 1 | 1 | 1 | 1 | 1 | 1 | 1 |
| Access | R/W | R/W | R/W | R/W | R/W | R/W | R/W | R/W |
| LEGEND: R/W = Read/Write; R = Read only; -n = value after reset |
| Bit | Field | Type | Reset | Description |
|---|---|---|---|---|
| 7 | LDOA2_MSK | R/W | OTP-Programmable | 0: LDOA2 PG is part of Power Good tree of GPO1 pin. 1: LDOA2 PG is NOT part of Power Good tree of GPO1 pin and is ignored. |
| 5 | BUCK6_MSK | R/W | OTP-Programmable | 0: BUCK6 PG is part of Power Good tree of GPO1 pin. 1: BUCK6 PG is NOT part of Power Good tree of GPO1 pin and is ignored. |
| 4 | BUCK5_MSK | R/W | OTP-Programmable | 0: BUCK5 PG is part of Power Good tree of GPO1 pin. 1: BUCK5 PG is NOT part of Power Good tree of GPO1 pin and is ignored. |
| 3 | BUCK4_MSK | R/W | OTP-Programmable | 0: BUCK4 PG is part of Power Good tree of GPO1 pin. 1: BUCK4 PG is NOT part of Power Good tree of GPO1 pin and is ignored. |
| 2 | BUCK3_MSK | R/W | OTP-Programmable | 0: BUCK3 PG is part of Power Good tree of GPO1 pin. 1: BUCK3 PG is NOT part of Power Good tree of GPO1 pin and is ignored. |
| 1 | BUCK2_MSK | R/W | OTP-Programmable | 0: BUCK2 PG is part of Power Good tree of GPO1 pin. 1: BUCK2 PG is NOT part of Power Good tree of GPO1 pin and is ignored. |
| 0 | BUCK1_MSK | R/W | OTP-Programmable | 0: BUCK1 PG is part of Power Good tree of GPO1 pin. 1: BUCK1 PG is NOT part of Power Good tree of GPO1 pin and is ignored. |
| Bit | 7 | 6 | 5 | 4 | 3 | 2 | 1 | 0 |
|---|---|---|---|---|---|---|---|---|
| Bit Name | CTL5_MSK | CTL4_MSK | CTL2_MSK | CTL1_MSK | VTT_MSK | RESERVED | RESERVED | LDOA3_MSK |
| TPS650860 | 1 | 1 | 1 | 1 | 1 | 1 | 1 | 1 |
| Access | R/W | R/W | R/W | R/W | R/W | R/W | R/W | R/W |
| LEGEND: R/W = Read/Write; R = Read only; -n = value after reset |
| Bit | Field | Type | Reset | Description |
|---|---|---|---|---|
| 7 | CTL5_MSK | R/W | OTP-Programmable | 0: CTL5 pin status is part of Power Good tree of GPO1 pin. 1: CTL5 pin status is NOT part of Power Good tree of GPO1 pin and is ignored. |
| 6 | CTL4_MSK | R/W | OTP-Programmable | 0: CTL4 pin status is part of Power Good tree of GPO1 pin. 1: CTL4 pin status is NOT part of Power Good tree of GPO1 pin and is ignored. |
| 5 | CTL2_MSK | R/W | OTP-Programmable | 0: CTL2 pin status is part of Power Good tree of GPO1 pin. 1: CTL2 pin status is NOT part of Power Good tree of GPO1 pin and is ignored. |
| 4 | CTL1_MSK | R/W | OTP-Programmable | 0: CTL1 pin status is part of Power Good tree of GPO1 pin. 1: CTL1 pin status is NOT part of Power Good tree of GPO1 pin and is ignored. |
| 3 | VTT_MSK | R/W | OTP-Programmable | 0: VTT LDO PG is part of Power Good tree of GPO1 pin. 1: VTT LDO PG is NOT part of Power Good tree of GPO1 pin and is ignored. |
| 0 | LDOA3_MSK | R/W | OTP-Programmable | 0: LDOA3 PG is part of Power Good tree of GPO1 pin. 1: LDOA3 PG is NOT part of Power Good tree of GPO1 pin and is ignored. |
| Bit | 7 | 6 | 5 | 4 | 3 | 2 | 1 | 0 |
|---|---|---|---|---|---|---|---|---|
| Bit Name | LDOA2_MSK | RESERVED | BUCK6_MSK | BUCK5_MSK | BUCK4_MSK | BUCK3_MSK | BUCK2_MSK | BUCK1_MSK |
| TPS650860 | 1 | 1 | 0 | 0 | 0 | 0 | 0 | 0 |
| Access | R/W | R/W | R/W | R/W | R/W | R/W | R/W | R/W |
| LEGEND: R/W = Read/Write; R = Read only; -n = value after reset |
| Bit | Field | Type | Reset | Description |
|---|---|---|---|---|
| 7 | LDOA2_MSK | R/W | OTP-Programmable | 0: LDOA2 PG is part of Power Good tree of GPO4 pin. 1: LDOA2 PG is NOT part of Power Good tree of GPO4 pin and is ignored. |
| 5 | BUCK6_MSK | R/W | OTP-Programmable | 0: BUCK6 PG is part of Power Good tree of GPO4 pin. 1: BUCK6 PG is NOT part of Power Good tree of GPO4 pin and is ignored. |
| 4 | BUCK5_MSK | R/W | OTP-Programmable | 0: BUCK5 PG is part of Power Good tree of GPO4 pin. 1: BUCK5 PG is NOT part of Power Good tree of GPO4 pin and is ignored. |
| 3 | BUCK4_MSK | R/W | OTP-Programmable | 0: BUCK4 PG is part of Power Good tree of GPO4 pin. 1: BUCK4 PG is NOT part of Power Good tree of GPO4 pin and is ignored. |
| 2 | BUCK3_MSK | R/W | OTP-Programmable | 0: BUCK3 PG is part of Power Good tree of GPO4 pin. 1: BUCK3 PG is NOT part of Power Good tree of GPO4 pin and is ignored. |
| 1 | BUCK2_MSK | R/W | OTP-Programmable | 0: BUCK2 PG is part of Power Good tree of GPO4 pin. 1: BUCK2 PG is NOT part of Power Good tree of GPO4 pin and is ignored. |
| 0 | BUCK1_MSK | R/W | OTP-Programmable | 0: BUCK1 PG is part of Power Good tree of GPO4 pin. 1: BUCK1 PG is NOT part of Power Good tree of GPO4 pin and is ignored. |
| Bit | 7 | 6 | 5 | 4 | 3 | 2 | 1 | 0 |
|---|---|---|---|---|---|---|---|---|
| Bit Name | CTL5_MSK | CTL4_MSK | CTL2_MSK | CTL1_MSK | VTT_MSK | RESERVED | RESERVED | LDOA3_MSK |
| TPS650860 | 1 | 1 | 0 | 0 | 1 | 1 | 1 | 1 |
| Access | R/W | R/W | R/W | R/W | R/W | R/W | R/W | R/W |
| LEGEND: R/W = Read/Write; R = Read only; -n = value after reset |
| Bit | Field | Type | Reset | Description |
|---|---|---|---|---|
| 7 | CTL5_MSK | R/W | OTP-Programmable | 0: CTL5 pin status is part of Power Good tree of GPO4 pin. 1: CTL5 pin status is NOT part of Power Good tree of GPO4 pin and is ignored. |
| 6 | CTL4_MSK | R/W | OTP-Programmable | 0: CTL4 pin status is part of Power Good tree of GPO4 pin. 1: CTL4 pin status is NOT part of Power Good tree of GPO4 pin and is ignored. |
| 5 | CTL2_MSK | R/W | OTP-Programmable | 0: CTL2 pin status is part of Power Good tree of GPO4 pin. 1: CTL2 pin status is NOT part of Power Good tree of GPO4 pin and is ignored. |
| 4 | CTL1_MSK | R/W | OTP-Programmable | 0: CTL1 pin status is part of Power Good tree of GPO4 pin. 1: CTL1 pin status is NOT part of Power Good tree of GPO4 pin and is ignored. |
| 3 | VTT_MSK | R/W | OTP-Programmable | 0: VTT LDO PG is part of Power Good tree of GPO4 pin. 1: VTT LDO PG is NOT part of Power Good tree of GPO4 pin and is ignored. |
| 0 | LDOA3_MSK | R/W | OTP-Programmable | 0: LDOA3 PG is part of Power Good tree of GPO4 pin. 1: LDOA3 PG is NOT part of Power Good tree of GPO4 pin and is ignored. |
| Bit | 7 | 6 | 5 | 4 | 3 | 2 | 1 | 0 |
|---|---|---|---|---|---|---|---|---|
| Bit Name | LDOA2_MSK | RESERVED | BUCK6_MSK | BUCK5_MSK | BUCK4_MSK | BUCK3_MSK | BUCK2_MSK | BUCK1_MSK |
| TPS650860 | 1 | 1 | 0 | 1 | 1 | 1 | 1 | 1 |
| Access | R/W | R/W | R/W | R/W | R/W | R/W | R/W | R/W |
| LEGEND: R/W = Read/Write; R = Read only; -n = value after reset |
| Bit | Field | Type | Reset | Description |
|---|---|---|---|---|
| 7 | LDOA2_MSK | R/W | OTP-Programmable | 0: LDOA2 PG is part of Power Good tree of GPO2 pin. 1: LDOA2 PG is NOT part of Power Good tree of GPO1 pin and is ignored. |
| 5 | BUCK6_MSK | R/W | OTP-Programmable | 0: BUCK6 PG is part of Power Good tree of GPO2 pin. 1: BUCK6 PG is NOT part of Power Good tree of GPO2 pin and is ignored. |
| 4 | BUCK5_MSK | R/W | OTP-Programmable | 0: BUCK5 PG is part of Power Good tree of GPO2 pin. 1: BUCK5 PG is NOT part of Power Good tree of GPO2 pin and is ignored. |
| 3 | BUCK4_MSK | R/W | OTP-Programmable | 0: BUCK4 PG is part of Power Good tree of GPO2 pin. 1: BUCK4 PG is NOT part of Power Good tree of GPO2 pin and is ignored. |
| 2 | BUCK3_MSK | R/W | OTP-Programmable | 0: BUCK3 PG is part of Power Good tree of GPO2 pin. 1: BUCK3 PG is NOT part of Power Good tree of GPO2 pin and is ignored. |
| 1 | BUCK2_MSK | R/W | OTP-Programmable | 0: BUCK2 PG is part of Power Good tree of GPO2 pin. 1: BUCK2 PG is NOT part of Power Good tree of GPO2 pin and is ignored. |
| 0 | BUCK1_MSK | R/W | OTP-Programmable | 0: BUCK1 PG is part of Power Good tree of GPO2 pin. 1: BUCK1 PG is NOT part of Power Good tree of GPO2 pin and is ignored. |
| Bit | 7 | 6 | 5 | 4 | 3 | 2 | 1 | 0 |
|---|---|---|---|---|---|---|---|---|
| Bit Name | CTL5_MSK | CTL4_MSK | CTL2_MSK | CTL1_MSK | VTT_MSK | RESERVED | RESERVED | LDOA3_ MSK |
| TPS650860 | 1 | 1 | 0 | 1 | 1 | 1 | 1 | 1 |
| Access | R/W | R/W | R/W | R/W | R/W | R/W | R/W | R/W |
| LEGEND: R/W = Read/Write; R = Read only; -n = value after reset |
| Bit | Field | Type | Reset | Description |
|---|---|---|---|---|
| 7 | CTL5_MSK | R/W | OTP-Programmable | 0: CTL5 pin status is part of Power Good tree of GPO2 pin. 1: CTL5 pin status is NOT part of Power Good tree of GPO2 pin and is ignored. |
| 6 | CTL4_MSK | R/W | OTP-Programmable | 0: CTL4 pin status is part of Power Good tree of GPO2 pin. 1: CTL4 pin status is NOT part of Power Good tree of GPO2 pin and is ignored. |
| 5 | CTL2_MSK | R/W | OTP-Programmable | 0: CTL2 pin status is part of Power Good tree of GPO2 pin. 1: CTL2 pin status is NOT part of Power Good tree of GPO2 pin and is ignored. |
| 4 | CTL1_MSK | R/W | OTP-Programmable | 0: CTL1 pin status is part of Power Good tree of GPO2 pin. 1: CTL1 pin status is NOT part of Power Good tree of GPO2 pin and is ignored. |
| 3 | VTT_MSK | R/W | OTP-Programmable | 0: VTT LDO PG is part of Power Good tree of GPO2 pin. 1: VTT LDO PG is NOT part of Power Good tree of GPO2 pin and is ignored. |
| 0 | LDOA3_MSK | R/W | OTP-Programmable | 0: LDOA3 PG is part of Power Good tree of GPO2 pin. 1: LDOA3 PG is NOT part of Power Good tree of GPO2 pin and is ignored. |
| Bit | 7 | 6 | 5 | 4 | 3 | 2 | 1 | 0 |
|---|---|---|---|---|---|---|---|---|
| Bit Name | LDOA2 _MSK |
RESERVED | BUCK6 _MSK |
BUCK5 _MSK |
BUCK4 _MSK |
BUCK3 _MSK |
BUCK2 _MSK |
BUCK1 _MSK |
| TPS650860 | 0 | 1 | 0 | 0 | 0 | 0 | 0 | 0 |
| Access | R/W | R/W | R/W | R/W | R/W | R/W | R/W | R/W |
| LEGEND: R/W = Read/Write; R = Read only; -n = value after reset |
| Bit | Field | Type | Reset | Description |
|---|---|---|---|---|
| 7 | LDOA2_MSK | R/W | OTP-Programmable | 0: LDOA2 PG is part of Power Good tree of GPO3 pin. 1: LDOA2 PG is NOT part of Power Good tree of GPO3 pin and is ignored. |
| 5 | BUCK6_MSK | R/W | OTP-Programmable | 0: BUCK6 PG is part of Power Good tree of GPO3 pin. 1: BUCK6 PG is NOT part of Power Good tree of GPO3 pin and is ignored. |
| 4 | BUCK5_MSK | R/W | OTP-Programmable | 0: BUCK5 PG is part of Power Good tree of GPO3 pin. 1: BUCK5 PG is NOT part of Power Good tree of GPO3 pin and is ignored. |
| 3 | BUCK4_MSK | R/W | OTP-Programmable | 0: BUCK4 PG is part of Power Good tree of GPO3 pin. 1: BUCK4 PG is NOT part of Power Good tree of GPO3 pin and is ignored. |
| 2 | BUCK3_MSK | R/W | OTP-Programmable | 0: BUCK3 PG is part of Power Good tree of GPO3 pin. 1: BUCK3 PG is NOT part of Power Good tree of GPO3 pin and is ignored. |
| 1 | BUCK2_MSK | R/W | OTP-Programmable | 0: BUCK2 PG is part of Power Good tree of GPO3 pin. 1: BUCK2 PG is NOT part of Power Good tree of GPO3 pin and is ignored. |
| 0 | BUCK1_MSK | R/W | OTP-Programmable | 0: BUCK1 PG is part of Power Good tree of GPO3 pin. 1: BUCK1 PG is NOT part of Power Good tree of GPO3 pin and is ignored. |
| Bit | 7 | 6 | 5 | 4 | 3 | 2 | 1 | 0 |
|---|---|---|---|---|---|---|---|---|
| Bit Name | CTL5_MSK | CTL4_MSK | CTL2_MSK | CTL1_MSK | VTT_MSK | RESERVED | RESERVED | LDOA3_MSK |
| TPS650860 | 1 | 0 | 0 | 0 | 1 | 1 | 1 | 0 |
| Access | R/W | R/W | R/W | R/W | R/W | R/W | R/W | R/W |
| LEGEND: R/W = Read/Write; R = Read only; -n = value after reset |
| Bit | Field | Type | Reset | Description |
|---|---|---|---|---|
| 7 | CTL5_MSK | R/W | OTP-Programmable | 0: CTL5 pin status is part of Power Good tree of GPO3 pin. 1: CTL5 pin status is NOT part of Power Good tree of GPO3 pin and is ignored. |
| 6 | CTL4_MSK | R/W | OTP-Programmable | 0: CTL4 pin status is part of Power Good tree of GPO3 pin. 1: CTL4 pin status is NOT part of Power Good tree of GPO3 pin and is ignored. |
| 5 | CTL2_MSK | R/W | OTP-Programmable | 0: CTL2 pin status is part of Power Good tree of GPO3 pin. 1: CTL2 pin status is NOT part of Power Good tree of GPO3 pin and is ignored. |
| 4 | CTL1_MSK | R/W | OTP-Programmable | 0: CTL1 pin status is part of Power Good tree of GPO3 pin. 1: CTL1 pin status is NOT part of Power Good tree of GPO3 pin and is ignored. |
| 3 | VTT_MSK | R/W | OTP-Programmable | 0: VTT LDO PG is part of Power Good tree of GPO3 pin. 1: VTT LDO PG is NOT part of Power Good tree of GPO3 pin and is ignored. |
| 0 | LDOA3_MSK | R/W | OTP-Programmable | 0: LDOA3 PG is part of Power Good tree of GPO3 pin. 1: LDOA3 PG is NOT part of Power Good tree of GPO3 pin and is ignored. |
| Bit | 7 | 6 | 5 | 4 | 3 | 2 | 1 | 0 |
|---|---|---|---|---|---|---|---|---|
| Bit Name | GPO1_ CTL3_MSK |
GPO1_ CTL6_MSK |
GPO4_ CTL3_MSK |
GPO4_ CTL6_MSK |
GPO2_ CTL3_MSK |
GPO2_ CTL6_MSK |
GPO3_ CTL3_MSK |
GPO3_ CTL6_MSK |
| TPS650860 | 1 | 1 | 1 | 1 | 1 | 1 | 1 | 1 |
| Access | R/W | R/W | R/W | R/W | R/W | R/W | R/W | R/W |
| LEGEND: R/W = Read/Write; R = Read only; -n = value after reset |
| Bit | Field | Type | Reset | Description |
|---|---|---|---|---|
| 7 | GPO1_CTL3_MSK | R/W | OTP-Programmable | 0: CTL3 pin status is part of Power Good tree of GPO1 pin. 1: CTL3 pin status is NOT part of Power Good tree of GPO1 pin. |
| 6 | GPO1_CTL6_MSK | R/W | OTP-Programmable | 0: CTL6 pin status is part of Power Good tree of GPO1 pin. 1: CTL6 pin status is NOT part of Power Good tree of GPO1 pin. |
| 5 | GPO4_CTL3_MSK | R/W | OTP-Programmable | 0: CTL3 pin status is part of Power Good tree of GPO4 pin. 1: CTL3 pin status is NOT part of Power Good tree of GPO4 pin. |
| 4 | GPO4_CTL6_MSK | R/W | OTP-Programmable | 0: CTL6 pin status is part of Power Good tree of GPO4 pin. 1: CTL6 pin status is NOT part of Power Good tree of GPO4 pin. |
| 3 | GPO2_CTL3_MSK | R/W | OTP-Programmable | 0: CTL3 pin status is part of Power Good tree of GPO2 pin. 1: CTL3 pin status is NOT part of Power Good tree of GPO2 pin. |
| 2 | GPO2_CTL6_MSK | R/W | OTP-Programmable | 0: CTL6 pin status is part of Power Good tree of GPO2 pin. 1: CTL6 pin status is NOT part of Power Good tree of GPO2 pin. |
| 1 | GPO3_CTL3_MSK | R/W | OTP-Programmable | 0: CTL3 pin status is part of Power Good tree of GPO3 pin. 1: CTL3 pin status is NOT part of Power Good tree of GPO13pin. |
| 0 | GPO3_CTL6_MSK | R/W | OTP-Programmable | 0: CTL6 pin status is part of Power Good tree of GPO3 pin. 1: CTL6 pin status is NOT part of Power Good tree of GPO3 pin. |
| Bit | 7 | 6 | 5 | 4 | 3 | 2 | 1 | 0 |
|---|---|---|---|---|---|---|---|---|
| Bit Name | LDOA1_ DISCHG[1] |
LDOA1_ DISCHG[0] |
LDOA1_SDWN _CONFIG |
LDOA1_ VID[3] |
LDOA1_ VID[2] |
LDOA1_ VID[1] |
LDOA1_ VID[0] |
LDOA1_ EN |
| TPS650860 | 0 | 1 | 1 | 1 | 1 | 1 | 0 | 1 |
| Access | R/W | R/W | R/W | R/W | R/W | R/W | R/W | R/W |
| LEGEND: R/W = Read/Write; R = Read only; -n = value after reset |
| Bit | Field | Type | Reset | Description |
|---|---|---|---|---|
| 7-6 | LDOA1_DISCHG[1:0] | R/W | OTP-Programmable | LDOA1 discharge resistance 00: no discharge 01: 100 Ω 10: 200 Ω 11: 500 Ω |
| 5 | LDOA1_SDWN_CONFIG | R/W | OTP-Programmable | Control for Disabling LDOA1 during Emergency Shutdown 0: LDOA1 will turn off during Emergency Shutdown for factory-programmable duration of 1 ms, 5 ms, 10 ms, or 100 ms. 1: LDOA1 is controlled by LDOA1_EN bit only. |
| 4-1 | LDOA1_VID[3:0] | R/W | OTP-Programmable | This field sets the LDOA1 regulator output regulation voltage. See Table 5-4 for VOUT options. |
| 0 | LDOA1_EN | R/W | OTP-Programmable | LDOA1 Enable Bit. 0: Disable. 1: Enable. |
| Bit | 7 | 6 | 5 | 4 | 3 | 2 | 1 | 0 |
|---|---|---|---|---|---|---|---|---|
| Bit Name | LDOA2_ PGOOD |
RESERVED | BUCK6_ PGOOD |
BUCK5_ PGOOD |
BUCK4_ PGOOD |
BUCK3_ PGOOD |
BUCK2_ PGOOD |
BUCK1_ PGOOD |
| TPS650860 | 0 | 0 | 0 | 0 | 0 | 0 | 0 | 0 |
| Access | R | R | R | R | R | R | R | R |
| LEGEND: R/W = Read/Write; R = Read only; -n = value after reset |
| Bit | Field | Type | Reset | Description |
|---|---|---|---|---|
| 7 | LDOA2_PGOOD | R | 0 | LDOA2 Power Good status. 0: The output is not in target regulation range. 1: The output is in target regulation range. |
| 5 | BUCK6_PGOOD | R | 0 | BUCK6 Power Good status. 0: The output is not in target regulation range. 1: The output is in target regulation range. |
| 4 | BUCK5_PGOOD | R | 0 | BUCK5 Power Good status. 0: The output is not in target regulation range. 1: The output is in target regulation range. |
| 3 | BUCK4_PGOOD | R | 0 | BUCK4 Power Good status. 0: The output is not in target regulation range. 1: The output is in target regulation range. |
| 2 | BUCK3_PGOOD | R | 0 | BUCK3 Power Good status. 0: The output is not in target regulation range. 1: The output is in target regulation range. |
| 1 | BUCK2_PGOOD | R | 0 | BUCK2 Power Good status. 0: The output is not in target regulation range. 1: The output is in target regulation range. |
| 0 | BUCK1_PGOOD | R | 0 | BUCK1 Power Good status. 0: The output is not in target regulation range. 1: The output is in target regulation range. |
| Bit | 7 | 6 | 5 | 4 | 3 | 2 | 1 | 0 |
|---|---|---|---|---|---|---|---|---|
| Bit Name | RESERVED | RESERVED | LDO5 _PGOOD |
LDOA1 _PGOOD |
VTT _PGOOD |
RESERVED | RESERVED | LDOA3 _PGOOD |
| TPS650860 | 0 | 0 | 0 | 0 | 0 | 0 | 0 | 0 |
| Access | R | R | R | R | R | R | R | R |
| LEGEND: R/W = Read/Write; R = Read only; -n = value after reset |
| Bit | Field | Type | Reset | Description |
|---|---|---|---|---|
| 5 | LDO5_PGOOD | R | 0 | LDO5 Power Good status. 0: The output is not in target regulation range. 1: The output is in target regulation range. |
| 4 | LDOA1_PGOOD | R | 0 | LDOA1 Power Good status. 0: The output is not in target regulation range. 1: The output is in target regulation range. |
| 3 | VTT_PGOOD | R | 0 | VTT LDO Power Good status. 0: The output is not in target regulation range. 1: The output is in target regulation range. |
| 0 | LDOA3_PGOOD | R | 0 | LDOA3 Power Good status. 0: The output is not in target regulation range. 1: The output is in target regulation range. |
| Bit | 7 | 6 | 5 | 4 | 3 | 2 | 1 | 0 |
|---|---|---|---|---|---|---|---|---|
| Bit Name | LDOA2_ PWRFLT |
RESERVED | BUCK6_ PWRFLT |
BUCK5_ PWRFLT |
BUCK4_ PWRFLT |
BUCK3_ PWRFLT |
BUCK2_ PWRFLT |
BUCK1_ PWRFLT |
| TPS650860 | 0 | 0 | 0 | 0 | 0 | 0 | 0 | 0 |
| Access | R/W | R/W | R/W | R/W | R/W | R/W | R/W | R/W |
| LEGEND: R/W = Read/Write; R = Read only; -n = value after reset |
| Bit | Field | Type | Reset | Description |
|---|---|---|---|---|
| 7 | LDOA2_PWRFLT | R | 0 | This fields indicates that LDOA2 has lost its regulation. 0: No Fault. 1: Power fault has occurred. The host to write 1 to clear. |
| 5 | BUCK6_PWRFLT | R | 0 | This fields indicates that BUCK6 has lost its regulation. 0: No Fault. 1: Power fault has occurred. The host to write 1 to clear. |
| 4 | BUCK5_PWRFLT | R | 0 | This fields indicates that BUCK5 has lost its regulation. 0: No Fault. 1: Power fault has occurred. The host to write 1 to clear. |
| 3 | BUCK4_PWRFLT | R | 0 | This fields indicates that BUCK4 has lost its regulation. 0: No Fault. 1: Power fault has occurred. The host to write 1 to clear. |
| 2 | BUCK3_PWRFLT | R | 0 | This fields indicates that BUCK3 has lost its regulation. 0: No Fault. 1: Power fault has occurred. The host to write 1 to clear. |
| 1 | BUCK2_PWRFLT | R | 0 | This fields indicates that BUCK2 has lost its regulation. 0: No Fault. 1: Power fault has occurred. The host to write 1 to clear. |
| 0 | BUCK1_PWRFLT | R | 0 | This fields indicates that BUCK1 has lost its regulation. 0: No Fault. 1: Power fault has occurred. The host to write 1 to clear. |
| Bit | 7 | 6 | 5 | 4 | 3 | 2 | 1 | 0 |
|---|---|---|---|---|---|---|---|---|
| Bit Name | RESERVED | RESERVED | RESERVED | LDOA1_ PWRFLT |
VTT_ PWRFLT |
RESERVED | RESERVED | LDOA3_ PWRFLT |
| TPS650860 | 0 | 0 | 0 | 0 | 0 | 0 | 0 | 0 |
| Access | R | R | R/W | R/W | R/W | R/W | R/W | R/W |
| LEGEND: R/W = Read/Write; R = Read only; -n = value after reset |
| Bit | Field | Type | Reset | Description |
|---|---|---|---|---|
| 4 | LDOA1_PWRFLT | R/W | 0 | This fields indicates that LDOA1 has lost its regulation. 0: No Fault. 1: Power fault has occurred. The host to write 1 to clear. |
| 3 | VTT_PWRFLT | R/W | 0 | This fields indicates that VTT LDO has lost its regulation. 0: No Fault. 1: Power fault has occurred. The host to write 1 to clear. |
| 0 | LDOA3_PWRFLT | R/W | 0 | This fields indicates that LDOA3 has lost its regulation. 0: No Fault. 1: Power fault has occurred. The host to write 1 to clear. |
Asserted when an internal temperature sensor detects rise of die temperature above the CRITICAL temperature threshold (TCRIT). There are 5 temperature sensors across the die.
| Bit | 7 | 6 | 5 | 4 | 3 | 2 | 1 | 0 |
|---|---|---|---|---|---|---|---|---|
| Bit Name | RESERVED | RESERVED | RESERVED | DIE_CRIT | VTT_CRIT | Top-Right _CRIT |
Top-Left _CRIT |
Bottom-Right _CRIT |
| TPS650860 | 0 | 0 | 0 | 0 | 0 | 0 | 0 | 0 |
| Access | R | R | R | R/W | R/W | R/W | R/W | R/W |
| LEGEND: R/W = Read/Write; R = Read only; -n = value after reset |
| Bit | Field | Type | Reset | Description |
|---|---|---|---|---|
| 4 | DIE_CRIT | R/W | 0 | Temperature of rest of die has exceeded TCRIT. 0: Not asserted. 1: Asserted. The host to write 1 to clear. |
| 3 | VTT_CRIT | R/W | 0 | Temperature of VTT LDO has exceeded TCRIT. 0: Not asserted. 1: Asserted. The host to write 1 to clear. |
| 2 | Top-Right_CRIT | R/W | 0 | Temperature of die Top-Right has exceeded TCRIT. Top-Right corner of die from top view given pin1 is in Top-Left corner. 0: Not asserted. 1: Asserted. The host to write 1 to clear. |
| 1 | Top-Left_CRIT | R/W | 0 | Temperature of die Top-Left has exceeded TCRIT.Top-Left corner of die from top view given pin1 is in Top-Left corner. 0: Not asserted. 1: Asserted. The host to write 1 to clear. |
| 0 | Bottom-Right_CRIT | R/W | 0 | Temperature of die Bottom-Right has exceeded TCRIT. Bottom-Right corner of die from top view given pin1 is in Top-Left corner. 0: Not asserted. 1: Asserted. The host to write 1 to clear. |
Asserted when an internal temperature sensor detects rise of die temperature above the HOT temperature threshold (THOT). There are 5 temperature sensors across the die.
| Bit | 7 | 6 | 5 | 4 | 3 | 2 | 1 | 0 |
|---|---|---|---|---|---|---|---|---|
| Bit Name | RESERVED | RESERVED | RESERVED | DIE_HOT | VTT_HOT | Top-Right _HOT |
Top-Left _HOT |
Bottom-Right _HOT |
| TPS650860 | 0 | 0 | 0 | 0 | 0 | 0 | 0 | 0 |
| Access | R | R | R | R/W | R/W | R/W | R/W | R/W |
| LEGEND: R/W = Read/Write; R = Read only; -n = value after reset |
| Bit | Field | Type | Reset | Description |
|---|---|---|---|---|
| 4 | DIE_HOT | R/W | 0 | Temperature of rest of die has exceeded THOT. 0: Not asserted. 1: Asserted. The host to write 1 to clear. |
| 3 | VTT_HOT | R/W | 0 | Temperature of VTT LDO has exceeded THOT. 0: Not asserted. 1: Asserted. The host to write 1 to clear. |
| 2 | Top-Right_HOT | R/W | 0 | Temperature of Top-Right has exceeded THOT. Top-Right corner of die from top view given pin1 is in Top-Left corner. 0: Not asserted. 1: Asserted. The host to write 1 to clear. |
| 1 | Top-Left_HOT | R/W | 0 | Temperature of Top-Left has exceeded THOT. Top-Left corner of die from top view given pin1 is in Top-Left corner. 0: Not asserted. 1: Asserted. The host to write 1 to clear. |
| 0 | Bottom-Right_HOT | R/W | 0 | Temperature of Bottom-Right has exceeded THOT. Bottom-Right corner of die from top view given pin1 is in Top-Left corner. 0: Not asserted. 1: Asserted. The host to write 1 to clear. |
Asserted when overcurrent condition is detected from a LSD FET.
| Bit | 7 | 6 | 5 | 4 | 3 | 2 | 1 | 0 |
|---|---|---|---|---|---|---|---|---|
| Bit Name | RESERVED | RESERVED | RESERVED | RESERVED | RESERVED | BUCK6 _OC |
BUCK2 _OC |
BUCK1 _OC |
| TPS650860 | 0 | 0 | 0 | 0 | 0 | 0 | 0 | 0 |
| Access | R | R | R | R | R | R/W | R/W | R/W |
| LEGEND: R/W = Read/Write; R = Read only; -n = value after reset |
| Bit | Field | Type | Reset | Description |
|---|---|---|---|---|
| 2 | BUCK6_OC | R/W | 0 | BUCK6 LSD FET overcurrent has been detected. 0: Not asserted. 1: Asserted. The host to write 1 to clear. |
| 1 | BUCK2_OC | R/W | 0 | BUCK2 LSD FET overcurrent has been detected. 0: Not asserted. 1: Asserted. The host to write 1 to clear. |
| 0 | BUCK1_OC | R/W | 0 | BUCK1 LSD FET overcurrent has been detected. 0: Not asserted. 1: Asserted. The host to write 1 to clear. |