ZHCSFX4 December 2016 TPS63027
PRODUCTION DATA.
NOTE
Information in the following applications sections is not part of the TI component specification, and TI does not warrant its accuracy or completeness. TI’s customers are responsible for determining suitability of components for their purposes. Customers should validate and test their design implementation to confirm system functionality.
The TPS63027 are high efficiency, low quiescent current buck-boost converters suitable for application where the input voltage is higher, lower or equal to the output. Output currents can go as high as 2A in boost mode and as high as 5A in buck mode. The maximum average current in the switches is limited to a typical value of 4.5 A.
Figure 5. 3.3-V Output Voltage
The design guideline provides a component selection to operate the device within the recommended operating conditions.
Table 1 shows the list of components for the Application Characteristic Curves.
| REFERENCE | DESCRIPTION | MANUFACTURER |
|---|---|---|
| TPS63027 | Texas Instruments | |
| L1 | 1 μH, 8.75A, 13mΩ, SMD | XAL4020-102MEB, Coilcraft |
| C1 | 10 μF 6.3V, 0603, X5R ceramic | Standard |
| C2 | 47 μF 6.3V, 0603, X5R ceramic | Standard |
| R1 | 510kΩ | Standard |
| R2 | 150kΩ | Standard |
The first step is the selection of the output filter components. To simplify this process Table 2 outlines possible inductor and capacitor value combinations.
| NOMINAL INDUCTOR VALUE [µH](1) |
NOMINAL OUTPUT CAPACITOR VALUE [µF](2) | ||||
|---|---|---|---|---|---|
| 2x22 | 47 | 66 | 88 | 100 | |
| 0.680 | + | + | + | + | + |
| 1.0 | +(3) | + | + | + | + |
| 1.5 | + | + | + | ||
The inductor selection is affected by several parameter like inductor ripple current, output voltage ripple, transition point into Power Save Mode, and efficiency. See Table 3 for typical inductors.
| INDUCTOR VALUE | COMPONENT SUPPLIER | SIZE (LxWxH mm) | Isat/DCR |
|---|---|---|---|
| 1 µH | Coilcraft XAL4020-102ME | 4 X 4 X 2.10 | 4.5A/10mΩ |
| 1 µH | Toko, DFE322512C | 3.2 X 2.5 X 1.2 | 4.7A/34mΩ |
| 1 µH | TDK, SPM4012 | 4.4 X 4.1 X 1.2 | 4.1A/38mΩ |
| 1 µH | Wuerth, 74438334010 | 3 X 3 X 1.2 | 6.6A/42.10mΩ |
| 0.6 µH | Coilcraft XFL4012-601ME | 4 X 4 X 1.2 | 5A/17.40mΩ |
| 0.68µH | Wuerth,744383340068 | 3 X 3 X 1.2 | 7.7A/36mΩ |
For high efficiencies, the inductor should have a low dc resistance to minimize conduction losses. Especially at high-switching frequencies, the core material has a high impact on efficiency. When using small chip inductors, the efficiency is reduced mainly due to higher inductor core losses. This needs to be considered when selecting the appropriate inductor. The inductor value determines the inductor ripple current. The larger the inductor value, the smaller the inductor ripple current and the lower the conduction losses of the converter. Conversely, larger inductor values cause a slower load transient response. To avoid saturation of the inductor, the peak current for the inductor in steady state operation is calculated using Equation 6. Only the equation which defines the switch current in boost mode is shown, because this provides the highest value of current and represents the critical current value for selecting the right inductor.


where
Calculating the maximum inductor current using the actual operating conditions gives the minimum saturation current of the inductor needed. It's recommended to choose an inductor with a saturation current 20% higher than the value calculated using Equation 6. Possible inductors are listed in Table 3.
At least a 10μF input capacitor is recommended to improve line transient behavior of the regulator and EMI behavior of the total power supply circuit. An X5R or X7R ceramic capacitor placed as close as possible to the VIN and PGND pins of the IC is recommended. This capacitance can be increased without limit. If the input supply is located more than a few inches from the TPS63027 converter additional bulk capacitance may be required in addition to the ceramic bypass capacitors. An electrolytic or tantalum capacitor with a value of 47 μF is a typical choice.
For the output capacitor, use of a small ceramic capacitors placed as close as possible to the VOUT and PGND pins of the IC is recommended. The recommended effective output capacitance value is 20 µF with a variance as outlined in Table 2 . This translates into a 44uF nominal cpacitor (6.3V rated) for output voltages up to 3.5V.
There is also no upper limit for the output capacitance value. Larger capacitors causes lower output voltage ripple as well as lower output voltage drop during load transients.
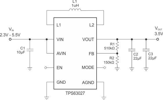
When the adjustable output voltage version TPS63027 is used, the output voltage is set by an external resistor divider. The resistor divider must be connected between VOUT, FB and GND. When the output voltage is regulated properly, the typical value of the voltage at the FB pin is 800 mV. The current through the resistive divider should be about 10 times greater than the current into the FB pin. The typical current into the FB pin is 0.1 μA, and the voltage across the resistor between FB and GND, R2, is typically 800 mV. Based on these two values, the recommended value for R2 should be lower than 180 kΩ, in order to set the divider current at 4μA or higher. It is recommended to keep the value for this resistor in the range of 180kΩ. From that, the value of the resistor connected between VOUT and FB, R1, depending on the needed output voltage (VOUT), can be calculated using Equation 7: