ZHCSD50D December   2014  – February 2017 TPS62170-Q1 , TPS62171-Q1 , TPS62172-Q1

PRODUCTION DATA.  

  1. 特性
  2. 应用
  3. 说明
  4. 修订历史记录
  5. Device Comparison Table
  6. Pin Configuration and Functions
  7. Specifications
    1. 7.1 Absolute Maximum Ratings
    2. 7.2 ESD Ratings
    3. 7.3 Recommended Operating Conditions
    4. 7.4 Thermal Information
    5. 7.5 Electrical Characteristics
    6. 7.6 Typical Characteristics
  8. Detailed Description
    1. 8.1 Overview
    2. 8.2 Functional Block Diagram
    3. 8.3 Feature Description
      1. 8.3.1 Enable / Shutdown (EN)
      2. 8.3.2 Softstart
      3. 8.3.3 Power Good (PG)
      4. 8.3.4 Under Voltage Lockout (UVLO)
      5. 8.3.5 Thermal Shutdown
    4. 8.4 Device Functional Modes
      1. 8.4.1 Pulse Width Modulation (PWM) Operation
      2. 8.4.2 Power Save Mode Operation
      3. 8.4.3 100% Duty-Cycle Operation
      4. 8.4.4 Current Limit and Short Circuit Protection
      5. 8.4.5 Operation Above TJ = 125°C
  9. Application and Implementation
    1. 9.1 Application Information
    2. 9.2 Typical TPS62170-Q1 Application
      1. 9.2.1 Design Requirements
      2. 9.2.2 Detailed Design Procedure
        1. 9.2.2.1 Custom Design With WEBENCH® Tools
        2. 9.2.2.2 Programming the Output Voltage
        3. 9.2.2.3 External Component Selection
          1. 9.2.2.3.1 Inductor Selection
          2. 9.2.2.3.2 Capacitor Selection
            1. 9.2.2.3.2.1 Output Capacitor
            2. 9.2.2.3.2.2 Input Capacitor
        4. 9.2.2.4 Output Filter and Loop Stability
      3. 9.2.3 Application Performance Plots
    3. 9.3 System Examples
      1. 9.3.1 Inverting Power Supply
      2. 9.3.2 Various Output Voltages
  10. 10Power Supply Recommendations
  11. 11Layout
    1. 11.1 Layout Guidelines
    2. 11.2 Layout Example
    3. 11.3 Thermal Considerations
  12. 12器件和文档支持
    1. 12.1 器件支持
      1. 12.1.1 开发支持
        1. 12.1.1.1 使用 WEBENCH® 工具定制设计方案
      2. 12.1.2 Third-Party Products Disclaimer
    2. 12.2 文档支持
      1. 12.2.1 相关文档 
    3. 12.3 相关链接
    4. 12.4 商标
    5. 12.5 静电放电警告
    6. 12.6 接收文档更新通知
    7. 12.7 社区资源
    8. 12.8 Glossary
  13. 13机械、封装和可订购信息

封装选项

机械数据 (封装 | 引脚)
散热焊盘机械数据 (封装 | 引脚)
订购信息

Application and Implementation

NOTE

Information in the following applications sections is not part of the TI component specification, and TI does not warrant its accuracy or completeness. TI’s customers are responsible for determining suitability of components for their purposes. Customers should validate and test their design implementation to confirm system functionality.

Application Information

The following information is intended to be a guideline through the individual power supply design process.

Typical TPS62170-Q1 Application

space

TPS62170-Q1 TPS62171-Q1 TPS62172-Q1 SLVSCK7_typapp.gif Figure 5. 3.3-V/0.5-A Power Supply

Design Requirements

The step-down converter design can be adapted to different output voltage and load current needs by choosing external components appropriate. The following design procedure is adequate for whole VIN, VOUT and load current range of TPS62170-Q1. Using Table 2, the design procedure needs minimum effort.

Table 1. List of Components

REFERENCE DESCRIPTION MANUFACTURER(1)
IC 17-V, 0.5-A step-down converter, WSON TPS62170QDSG, Texas Instruments
L1 2.2-µH, 1.4-A, 3 x 2.8 x 1.2 mm VLF3012ST-2R2M1R4, TDK
C1 10-µF, 25-V, ceramic Standard
C2 22-µF, 6.3-V, ceramic Standard
R1 Depending on Vout
R2 Depending on Vout
R3 100-kΩ, chip, 0603, 1/16-W, 1% Standard
See Third-Party Products disclaimer.

space

Detailed Design Procedure

Custom Design With WEBENCH® Tools

Click here to create a custom design using the TPS62170-Q1 device with the WEBENCH® Power Designer.

  1. Start by entering the input voltage (VIN), output voltage (VOUT), and output current (IOUT) requirements.
  2. Optimize the design for key parameters such as efficiency, footprint, and cost using the optimizer dial.
  3. Compare the generated design with other possible solutions from Texas Instruments.

The WEBENCH Power Designer provides a customized schematic along with a list of materials with real-time pricing and component availability.

In most cases, these actions are available:

  • Run electrical simulations to see important waveforms and circuit performance
  • Run thermal simulations to understand board thermal performance
  • Export customized schematic and layout into popular CAD formats
  • Print PDF reports for the design, and share the design with colleagues

Get more information about WEBENCH tools at www.ti.com/WEBENCH.

Programming the Output Voltage

While the output voltage of the TPS62170-Q1 is adjustable, the TPS62171-Q1 and TPS62172-Q1 are programmed to a fixed output voltage. For fixed output versions, the FB pin is pulled down internally and may be left floating. it is recommended to connect it to AGND to improve thermal resistance. The adjustable version can be programmed for output voltages from 0.9 V to 6 V by using a resistive divider from VOUT to FB to AGND. The voltage at the FB pin is regulated to 800 mV. The value of the output voltage is set by the selection of the resistive divider from Equation 6. It is recommended to choose resistor values which allow a cross current of at least 2 uA, meaning the value of R2 should not exceed 400 kΩ. Lower resistor values are recommended for highest accuracy and most robust design. For applications requiring lowest current consumption, the use of fixed output voltage versions is recommended.

space

Equation 6. TPS62170-Q1 TPS62171-Q1 TPS62172-Q1 SLVSAG7_eqvout.gif

space

In case the FB pin gets opened, the device clamps the output voltage at the VOS pin to about 7.4 V.

External Component Selection

The external components have to fulfill the needs of the application, but also the stability criteria of the devices control loop. The TPS62170-Q1 is optimized to work within a range of external components. The LC output filters inductance and capacitance have to be considered together, creating a double pole, responsible for the corner frequency of the converter (see Output Filter and Loop Stability section). Table 2 can be used to simplify the output filter component selection.

space

Table 2. Recommended LC Output Filter Combinations(1)

4.7µF 10µF 22µF 47µF 100µF 200µF 400µF
1µH
2.2µH (2)
3.3µH
4.7µH
The values in the table are nominal values. Variations of typically ±20% due to tolerance, saturation and DC bias are assumed.
This LC combination is the standard value and recommended for most applications.

More detailed information on further LC combinations can be found in SLVA463.

Inductor Selection

The inductor selection is affected by several effects like inductor ripple current, output ripple voltage, PWM-to-PSM transition point and efficiency. In addition, the inductor selected has to be rated for appropriate saturation current and DC resistance (DCR). Equation 7 and Equation 8 calculate the maximum inductor current under static load conditions.

space

Equation 7. TPS62170-Q1 TPS62171-Q1 TPS62172-Q1 SLVSAG7_eqilmax.gif
Equation 8. TPS62170-Q1 TPS62171-Q1 TPS62172-Q1 SLVSAG7_eqiripple.gif

where

IL(max) is the maximum inductor current,

ΔIL is the Peak to Peak Inductor Ripple Current,

L(min) is the minimum effective inductor value and

fSW is the actual PWM Switching Frequency.

space

Calculating the maximum inductor current using the actual operating conditions gives the minimum saturation current of the inductor needed. A margin of about 20% is recommended to add. A larger inductor value is also useful to get lower ripple current, but increases the transient response time and size as well. The following inductors have been used with the TPS62170-Q1 and are recommended for use:

Table 3. List of Inductors

TYPE INDUCTANCE [µH] CURRENT [A](1) DIMENSIONS [L x B x H] mm MANUFACTURER(2)
VLF3012ST-2R2M1R4 2.2 µH, ±20% 1.9 A 3.0 x 2.8 x 1.2 TDK
VLF302512MT-2R2M 2.2 µH, ±20% 1.9 A 3.0 x 2.5 x 1.2 TDK
VLS252012-2R2 2.2 µH, ±20% 1.3 A 2.5 x 2.0 x 1.2 TDK
XFL3012-222MEC 2.2 µH, ±20% 1.9 A 3.0 x 3.0 x 1.2 Coilcraft
XFL3012-332MEC 3.3 µH, ±20% 1.6 A 3.0 x 3.0 x 1.2 Coilcraft
XPL2010-222MLC 2.2 µH, ±20% 1.3 A 1.9 x 2.0 x 1.0 Coilcraft
XPL2010-332MLC 3.3 µH, ±20% 1.1 A 1.9 x 2.0 x 1.0 Coilcraft
LPS3015-332ML 3.3 µH, ±20% 1.4 A 3.0 x 3.0 x 1.4 Coilcraft
PFL2512-222ME 2.2 µH, ±20% 1.0 A 2.8 x 2.3 x 1.2 Coilcraft
PFL2512-333ME 3.3 µH, ±20% 0.78 A 2.8 x 2.3 x 1.2 Coilcraft
744028003 3.3 µH, ±30% 1.0 A 2.8 x 2.8 x 1.1 Wuerth
PSI25201B-2R2MS 2.2 µH, ±20% 1.3 A 2.0 x 2.5 x 1.2 Cyntec
NR3015T-2R2M 2.2 µH, ±20% 1.5 A 3.0 x 3.0 x 1.5 Taiyo Yuden
BRC2012T2R2MD 2.2 µH, ±20% 1.0 A 2.0 x 1.25 x 1.4 Taiyo Yuden
BRC2012T3R3MD 3.3 µH, ±20% 0.87 A 2.0 x 1.25 x 1.4 Taiyo Yuden
IRMS at 40°C rise or ISAT at 30% drop.
See Third-Party Products disclaimer.

The TPS6217x-Q1 can be run with an inductor as low as 2.2 µH. However, for applications running with low input voltages, 3.3 µH is recommended, to allow the full output current. The inductor value also determines the load current at which Power Save Mode is entered:

space

Equation 9. TPS62170-Q1 TPS62171-Q1 TPS62172-Q1 SLVSAG7_eqipsm.gif

space

Using Equation 8, this current level can be adjusted by changing the inductor value.

Capacitor Selection

Output Capacitor

The recommended value for the output capacitor is 22 µF. The architecture of the TPS6217x-Q1 allows the use of tiny ceramic output capacitors with low equivalent series resistance (ESR). These capacitors provide low output voltage ripple and are recommended. To keep its low resistance up to high frequencies and to get narrow capacitance variation with temperature, it's recommended to use X7R or X5R dielectric. Using a higher value can have some advantages like smaller voltage ripple and a tighter DC output accuracy in Power Save Mode (see SLVA463).

NOTE

In Power Save Mode, the output voltage ripple depends on the output capacitance, its ESR and the peak inductor current. Using ceramic capacitors provides small ESR and low ripple.

Input Capacitor

For most applications, 10 µF is sufficient and is recommended, though a larger value reduces input current ripple further. The input capacitor buffers the input voltage for transient events and also decouples the converter from the supply. A low ESR multilayer ceramic capacitor is recommended for best filtering and should be placed between VIN and GND as close as possible to those pins.

NOTE

DC Bias effect: High capacitance ceramic capacitors have a DC Bias effect, which will have a strong influence on the final effective capacitance. Therefore the right capacitor value has to be chosen carefully. Package size and voltage rating in combination with dielectric material are responsible for differences between the rated capacitor value and the effective capacitance.

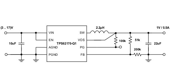
Output Filter and Loop Stability

The devices of the TPS6217x-Q1 family are internally compensated to be stable with L-C filter combinations corresponding to a corner frequency to be calculated with Equation 10:

space

Equation 10. TPS62170-Q1 TPS62171-Q1 TPS62172-Q1 SLVSAG7_eqLCfilt.gif

space

Proven nominal values for inductance and ceramic capacitance are given in Table 2 and are recommended for use. Different values may work, but care has to be taken on the loop stability which might be affected. More information including a detailed L-C stability matrix can be found in SLVA463.

The TPS6217x-Q1 devices, both fixed and adjustable versions, include an internal 25-pF feedforward capacitor, connected between the VOS and FB pins. This capacitor impacts the frequency behavior and sets a pole and zero in the control loop with the resistors of the feedback divider, per Equation 11 and Equation 12:

space

Equation 11. TPS62170-Q1 TPS62171-Q1 TPS62172-Q1 SLVSAG7_eqCffzero.gif

space

Equation 12. TPS62170-Q1 TPS62171-Q1 TPS62172-Q1 SLVSAG7_eqCffpole.gif

space

Though the TPS6217x-Q1 devices are stable without the pole and zero being in a particular location, adjusting their location to the specific needs of the application can provide better performance in Power Save mode and/or improved transient response. An external feed-forward capacitor can also be added. A more detailed discussion on the optimization for stability vs transient response can be found in SLVA289 and SLVA466.

If using ceramic capacitors, the DC bias effect has to be considered. The DC bias effect results in a drop in effective capacitance as the voltage across the capacitor increases (see DC Bias effect NOTE in the Input Capacitor section).

Application Performance Plots

At VIN = 12 V, VOUT = 3.3 V and TJ = 25°C (unless otherwise noted)
TPS62170-Q1 TPS62171-Q1 TPS62172-Q1 SLVSCK7_eff60iout.gif
Vout = 6 V
Figure 6. Efficiency vs Output Current
TPS62170-Q1 TPS62171-Q1 TPS62172-Q1 SLVSCK7_eff33iout.gif
Vout = 3.3 V
Figure 8. Efficiency vs Output Current
TPS62170-Q1 TPS62171-Q1 TPS62172-Q1 SLVSCK7_eff18iout.gif
Vout = 1.8 V
Figure 10. Efficiency vs Output Current
TPS62170-Q1 TPS62171-Q1 TPS62172-Q1 SLVSCK7_eff09iout.gif
Vout = 0.9 V
Figure 12. Efficiency vs Output Current
TPS62170-Q1 TPS62171-Q1 TPS62172-Q1 SLVSCK7_loadreg.gif
Figure 14. Output Voltage Accuracy (Load Regulation)
TPS62170-Q1 TPS62171-Q1 TPS62172-Q1 SLVSCK7_fswiout.gif
Figure 16. Switching Frequency vs Output Current
TPS62170-Q1 TPS62171-Q1 TPS62172-Q1 SLVSCK7_voutripple.gif
Figure 18. Output Voltage Ripple
TPS62170-Q1 TPS62171-Q1 TPS62172-Q1 SLVSAT8_mode01.gif
Figure 20. PWM / PSM Mode Transition
TPS62170-Q1 TPS62171-Q1 TPS62172-Q1 SLVSAT8_loadtranfull.gif
200 mA to 500 mA
Figure 22. Load Transient Response in PWM Mode
TPS62170-Q1 TPS62171-Q1 TPS62172-Q1 SLVSAT8_loadtranrise.gif
200 mA to 500 mA
Figure 24. Load Transient Response in PWM Mode, Rising Edge
TPS62170-Q1 TPS62171-Q1 TPS62172-Q1 SLVSAT8_stuplow.gif
Iout = 100 mA
Figure 26. Startup to VOUT = 3.3 V
TPS62170-Q1 TPS62171-Q1 TPS62172-Q1 SLVSAT8_PSMtyp.gif
Iout = 66 mA
Figure 28. Typical Operation in Power Save Mode
TPS62170-Q1 TPS62171-Q1 TPS62172-Q1 SLVSCK7_eff60vin.gif
Vout = 6 V
Figure 7. Efficiency vs Input Voltage
TPS62170-Q1 TPS62171-Q1 TPS62172-Q1 SLVSCK7_eff18iout.gif
Vout = 3.3 V
Figure 9. Efficiency vs Input Voltage
TPS62170-Q1 TPS62171-Q1 TPS62172-Q1 SLVSCK7_eff18vin.gif
Vout = 1.8 V
Figure 11. Efficiency vs Input Voltage
TPS62170-Q1 TPS62171-Q1 TPS62172-Q1 SLVSCK7_eff09vin.gif
Vout = 0.9 V
Figure 13. Efficiency vs Input Voltage
TPS62170-Q1 TPS62171-Q1 TPS62172-Q1 SLVSCK7_linereg.gif
Figure 15. Output Voltage Accuracy (Line Regulation)
TPS62170-Q1 TPS62171-Q1 TPS62172-Q1 SLVSCK7_fswvin.gif
Figure 17. Switching Frequency vs Input Voltage
TPS62170-Q1 TPS62171-Q1 TPS62172-Q1 SLVSCK7_ioutmax.gif
Figure 19. Maximum Output Current
TPS62170-Q1 TPS62171-Q1 TPS62172-Q1 SLVSAT8_mode02.gif
Figure 21. PWM to PSM Mode Transition
TPS62170-Q1 TPS62171-Q1 TPS62172-Q1 SLVSAT8_loadtranlight.gif
100 mA to 500 mA
Figure 23. Load Transient Response from Power Save Mode
TPS62170-Q1 TPS62171-Q1 TPS62172-Q1 SLVSAT8_loadtranfall.gif
200 mA to 500 mA
Figure 25. Load Transient Response in PWM Mode, Falling Edge
TPS62170-Q1 TPS62171-Q1 TPS62172-Q1 SLVSAT8_stuphigh.gif
Iout = 500 mA
Figure 27. Startup to VOUT = 3.3 V
TPS62170-Q1 TPS62171-Q1 TPS62172-Q1 SLVSAT8_PWMtyp.gif
Iout = 500 mA
Figure 29. Typical Operation in PWM Mode

System Examples

Inverting Power Supply

The TPS62170-Q1 can be used as inverting power supply by rearranging external circuitry as shown in Figure 30. As the former GND node now represents a voltage level below system ground, the voltage difference between VIN and VOUT has to be limited for operation to the maximum supply voltage of 17 V (see Equation 13).

space

Equation 13. TPS62170-Q1 TPS62171-Q1 TPS62172-Q1 SLVSB74_EQINV.gif

space

TPS62170-Q1 TPS62171-Q1 TPS62172-Q1 SLVSCK7_inverter.gif Figure 30. –5-V Inverting Power Supply

space

The transfer function of the inverting power supply configuration differs from the buck mode transfer function, incorporating a Right Half Plane Zero additionally. The loop stability has to be adapted and an output capacitance of at least 22 µF is recommended. A detailed design example is given in SLVA469.

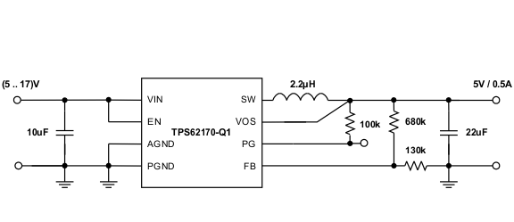
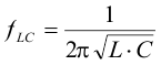
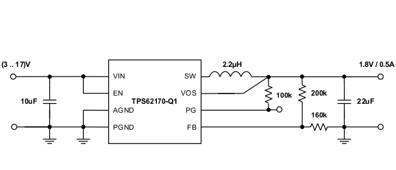
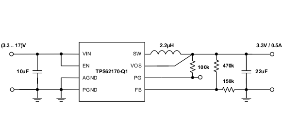
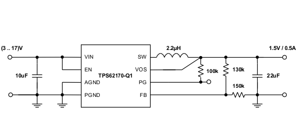
Various Output Voltages

The TPS62170-Q1 can be set for different output voltages between 0.9 V and 6 V. Some examples are shown below.

space

space

TPS62170-Q1 TPS62171-Q1 TPS62172-Q1 SLVSCK7_app5V.gif Figure 31. 5-V/0.5-A Power Supply

space

space

TPS62170-Q1 TPS62171-Q1 TPS62172-Q1 SLVSCK7_app3.3V.gif Figure 32. 3.3-V/0.5-A Power Supply

space

space

TPS62170-Q1 TPS62171-Q1 TPS62172-Q1 SLVSCK7_app2.5V.gif Figure 33. 2.5-V/0.5-A Power Supply

space

space

TPS62170-Q1 TPS62171-Q1 TPS62172-Q1 SLVSCK7_app1.8V.gif Figure 34. 1.8-V/0.5-A Power Supply

space

space

TPS62170-Q1 TPS62171-Q1 TPS62172-Q1 SLVSCK7_app1.5V.gif Figure 35. 1.5-V/0.5-A Power Supply

space

space

TPS62170-Q1 TPS62171-Q1 TPS62172-Q1 SLVSCK7_app1.2V.gif Figure 36. 1.2-V/0.5-A Power Supply

space

space

TPS62170-Q1 TPS62171-Q1 TPS62172-Q1 SLVSCK7_app1V.gif Figure 37. 1-V/0.5-A Power Supply

space