ZHCSDX3F June   2015  – September 2021 TPS61098 , TPS610981 , TPS610982 , TPS610985 , TPS610986 , TPS610987

PRODUCTION DATA  

  1. 特性
  2. 应用
  3. 说明
  4. Revision History
  5. Device Comparison Table
  6. Pin Configuration and Functions
  7. Specifications
    1. 7.1 Absolute Maximum Ratings
    2. 7.2 ESD Ratings
    3. 7.3 Recommended Operating Conditions
    4. 7.4 Thermal Information
    5. 7.5 Electrical Characteristics
    6. 7.6 Typical Characteristics
  8. Detailed Description
    1. 8.1 Overview
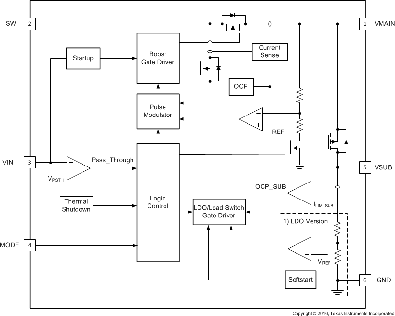
    2. 8.2 Functional Block Diagrams
    3. 8.3 Feature Description
      1. 8.3.1 Boost Controller Operation
      2. 8.3.2 Pass-Through Operation
      3. 8.3.3 LDO / Load Switch Operation
      4. 8.3.4 Start Up and Power Down
      5. 8.3.5 Over Load Protection
      6. 8.3.6 Thermal Shutdown
    4. 8.4 Device Functional Modes
      1. 8.4.1 Operation Modes by MODE Pin
        1. 8.4.1.1 Active Mode
        2. 8.4.1.2 Low Power Mode
      2. 8.4.2 Burst Mode Operation under Light Load Condition
      3. 8.4.3 Pass-Through Mode Operation
  9. Applications and Implementation
    1. 9.1 Application Information
    2. 9.2 Typical Applications
      1. 9.2.1 VMAIN to Power MCU and VSUB to Power Subsystem
        1. 9.2.1.1 Design Requirements
        2. 9.2.1.2 Detailed Design Procedure
          1. 9.2.1.2.1 Device Choice
          2. 9.2.1.2.2 Maximum Output Current
          3. 9.2.1.2.3 Inductor Selection
          4. 9.2.1.2.4 Capacitor Selection
          5. 9.2.1.2.5 Control Sequence
        3. 9.2.1.3 Application Curves
      2. 9.2.2 VMAIN to Power the System in Low Power Mode
        1. 9.2.2.1 Design Requirements
        2. 9.2.2.2 Detailed Design Procedure
        3. 9.2.2.3 Application Curves
      3. 9.2.3 VSUB to Power the System in Active Mode
        1. 9.2.3.1 Design Requirements
        2. 9.2.3.2 Detailed Design Procedure
        3. 9.2.3.3 Application Curves
  10. 10Power Supply Recommendations
  11. 11Layout
    1. 11.1 Layout Guidelines
    2. 11.2 Layout Example
  12. 12Device and Documentation Support
    1. 12.1 Device Support
      1. 12.1.1 第三方产品免责声明
    2. 12.2 Documentation Support
      1. 12.2.1 Related Documentation
    3. 12.3 接收文档更新通知
    4. 12.4 支持资源
    5. 12.5 Trademarks
    6. 12.6 静电放电警告
    7. 12.7 术语表
  13. 13Mechanical, Packaging, and Orderable Information

封装选项

机械数据 (封装 | 引脚)
散热焊盘机械数据 (封装 | 引脚)
订购信息

Functional Block Diagrams

GUID-3581DE59-C2EA-4DB6-A806-D73DEC70D71F-low.gif
Implemented in versions with LDO configuration.