ZHCSDX3F June   2015  – September 2021 TPS61098 , TPS610981 , TPS610982 , TPS610985 , TPS610986 , TPS610987

PRODUCTION DATA  

  1. 特性
  2. 应用
  3. 说明
  4. Revision History
  5. Device Comparison Table
  6. Pin Configuration and Functions
  7. Specifications
    1. 7.1 Absolute Maximum Ratings
    2. 7.2 ESD Ratings
    3. 7.3 Recommended Operating Conditions
    4. 7.4 Thermal Information
    5. 7.5 Electrical Characteristics
    6. 7.6 Typical Characteristics
  8. Detailed Description
    1. 8.1 Overview
    2. 8.2 Functional Block Diagrams
    3. 8.3 Feature Description
      1. 8.3.1 Boost Controller Operation
      2. 8.3.2 Pass-Through Operation
      3. 8.3.3 LDO / Load Switch Operation
      4. 8.3.4 Start Up and Power Down
      5. 8.3.5 Over Load Protection
      6. 8.3.6 Thermal Shutdown
    4. 8.4 Device Functional Modes
      1. 8.4.1 Operation Modes by MODE Pin
        1. 8.4.1.1 Active Mode
        2. 8.4.1.2 Low Power Mode
      2. 8.4.2 Burst Mode Operation under Light Load Condition
      3. 8.4.3 Pass-Through Mode Operation
  9. Applications and Implementation
    1. 9.1 Application Information
    2. 9.2 Typical Applications
      1. 9.2.1 VMAIN to Power MCU and VSUB to Power Subsystem
        1. 9.2.1.1 Design Requirements
        2. 9.2.1.2 Detailed Design Procedure
          1. 9.2.1.2.1 Device Choice
          2. 9.2.1.2.2 Maximum Output Current
          3. 9.2.1.2.3 Inductor Selection
          4. 9.2.1.2.4 Capacitor Selection
          5. 9.2.1.2.5 Control Sequence
        3. 9.2.1.3 Application Curves
      2. 9.2.2 VMAIN to Power the System in Low Power Mode
        1. 9.2.2.1 Design Requirements
        2. 9.2.2.2 Detailed Design Procedure
        3. 9.2.2.3 Application Curves
      3. 9.2.3 VSUB to Power the System in Active Mode
        1. 9.2.3.1 Design Requirements
        2. 9.2.3.2 Detailed Design Procedure
        3. 9.2.3.3 Application Curves
  10. 10Power Supply Recommendations
  11. 11Layout
    1. 11.1 Layout Guidelines
    2. 11.2 Layout Example
  12. 12Device and Documentation Support
    1. 12.1 Device Support
      1. 12.1.1 第三方产品免责声明
    2. 12.2 Documentation Support
      1. 12.2.1 Related Documentation
    3. 12.3 接收文档更新通知
    4. 12.4 支持资源
    5. 12.5 Trademarks
    6. 12.6 静电放电警告
    7. 12.7 术语表
  13. 13Mechanical, Packaging, and Orderable Information

封装选项

机械数据 (封装 | 引脚)
散热焊盘机械数据 (封装 | 引脚)
订购信息

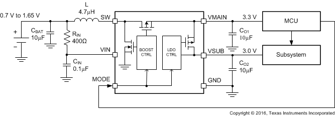
VMAIN to Power MCU and VSUB to Power Subsystem

The TPS61098x suits for low power systems very well, especially for the system which spends the most of time in sleep mode and wakes up periodically to sense or transmit signals. For this kind of application, the boost output V(MAIN) can be used as an always-on supply for the main system, such as an MCU controller, and the LDO or load switch output V(SUB) is used to power peripheral devices or subsystem.

As shown in Figure 9-1, the MCU can control both of the subsystem and the TPS61098x. When the system goes into sleep mode, the MCU can disable the subsystem first, and then force the TPS61098x enter into Low Power mode, where the VSUB rail is disconnected but the V(MAIN) rail still powers the MCU with only 300 nA quiescent current. When the system wakes up, the MCU pulls the MODE pin of TPS61098x high first to turn on the VSUB rail, and then enables the subsystem. In this way, the system can benefit both of the enhanced transient response performance in active mode and the ultra-low quiescent current in sleep mode.

GUID-8E47E24D-6461-4BF5-B182-3491DDB2F9C6-low.gif Figure 9-1 Typical Application of TPS610981 to Power Low Power System