SLVS451G September   2003  – December 2014 TPS61020 , TPS61024 , TPS61025 , TPS61026 , TPS61027 , TPS61028 , TPS61029

PRODUCTION DATA.  

  1. Features
  2. Applications
  3. Description
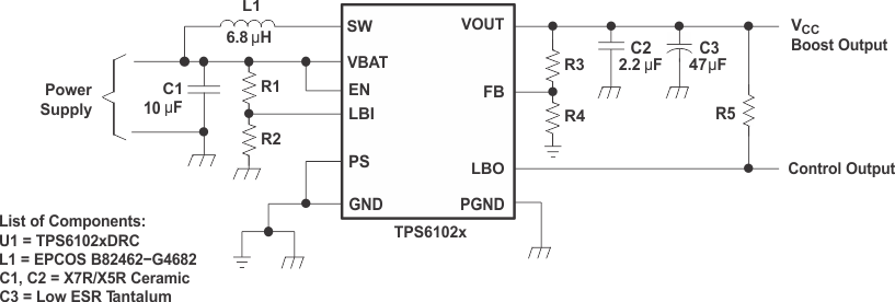
  4. Typical Schematic
  5. Revision History
  6. Device Comparison Table
  7. Pin Configuration and Functions
  8. Specifications
    1. 8.1 Absolute Maximum Ratings
    2. 8.2 ESD Ratings
    3. 8.3 Recommended Operating Conditions
    4. 8.4 Thermal Information
    5. 8.5 Electrical Characteristics
    6. 8.6 Typical Characteristics
  9. Parameter Measurement Information
  10. 10Detailed Description
    1. 10.1 Overview
    2. 10.2 Functional Block Diagram
    3. 10.3 Feature Description
      1. 10.3.1 Controller Circuit
      2. 10.3.2 Synchronous Rectifier
      3. 10.3.3 Down Regulation
      4. 10.3.4 Device Enable
      5. 10.3.5 Undervoltage Lockout
      6. 10.3.6 Softstart and Short Circuit Protection
      7. 10.3.7 Low Battery Detector Circuit—LBI/LBO
      8. 10.3.8 Low-EMI Switch
    4. 10.4 Device Functional Modes
      1. 10.4.1 Undervoltage Lockout
      2. 10.4.2 Power Save Mode
    5. 10.5 Programming
      1. 10.5.1 Programming the Output Voltage
      2. 10.5.2 Programming the LBI/LBO Threshold Voltage
  11. 11Application and Implementation
    1. 11.1 Application Information
    2. 11.2 Typical Application
      1. 11.2.1 Design Requirements
      2. 11.2.2 Detailed Design Procedure
        1. 11.2.2.1 Inductor Selection
        2. 11.2.2.2 Input Capacitor Selection
        3. 11.2.2.3 Output Capacitor Selection
      3. 11.2.3 Application Curves
    3. 11.3 System Examples
  12. 12Power Supply Recommendations
  13. 13Layout
    1. 13.1 Layout Guidelines
    2. 13.2 Layout Example
    3. 13.3 Thermal Considerations
  14. 14Device and Documentation Support
    1. 14.1 Device Support
      1. 14.1.1 Third-Party Products Disclaimer
    2. 14.2 Related Links
    3. 14.3 Trademarks
    4. 14.4 Electrostatic Discharge Caution
    5. 14.5 Glossary
  15. 15Mechanical, Packaging, and Orderable Information

封装选项

机械数据 (封装 | 引脚)
散热焊盘机械数据 (封装 | 引脚)
订购信息

9 Parameter Measurement Information

TPS61020 TPS61024 TPS61025 TPS61026 TPS61027 TPS61028 TPS61029 pmi_schem_lvs451.gifFigure 11. Parameter Measurement Schematic