SLVS451G September 2003 – December 2014 TPS61020 , TPS61024 , TPS61025 , TPS61026 , TPS61027 , TPS61028 , TPS61029
PRODUCTION DATA.
NOTE
Information in the following applications sections is not part of the TI component specification, and TI does not warrant its accuracy or completeness. TI’s customers are responsible for determining suitability of components for their purposes. Customers should validate and test their design implementation to confirm system functionality.
The devices are designed to operate from an input voltage supply range between 0.9 V (Vin rising UVLO is 1.2 V) and 6.5 V with a maximum switching current limit up to 1.8 A. The devices operate in PWM mode for medium to heavy load conditions and in power save mode at light load currents. In PWM mode the TPS6102x converter operates with the nominal switching frequency of 600 kHz typically. As the load current decreases, the converter enters power save mode, reducing the switching frequency and minimizing the IC quiescent current to achieve high efficiency over the entire load current range. The Power Save mode can be disabled when connecting PS pin to logic high, forcing the converter to operate at a fixed switching frequency.
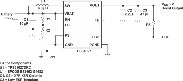
Figure 13 shows a typical application of TPS6102x with 1.2-V to 6.5-V input range and 800-mA output current.
Figure 13. Typical Application Circuit for Adjustable Output Voltage Option
The TPS6102x DC-DC converters are intended for systems powered by a single up to triple cell Alkaline, NiCd, NiMH battery with a typical terminal voltage between 0.9 V and 6.5 V. They can also be used in systems powered by one-cell Li-Ion or Li-Polymer with a typical voltage between 2.5 V and 4.2 V. Additionally, any other voltage source with a typical output voltage between 0.9 V and 6.5 V can power systems where the TPS6102x is used.
A boost converter normally requires two main passive components for storing energy during the conversion. A boost inductor and a storage capacitor at the output are required. To select the boost inductor, it is recommended to keep the possible peak inductor current below the current limit threshold of the power switch in the chosen configuration. For example, the current limit threshold of the TPS61029 switch is 1800 mA at an output voltage of 5 V. The highest peak current through the inductor and the switch depends on the output load, the input (VBAT), and the output voltage (VOUT). Estimation of the maximum average inductor current can be done using Equation 4:

For example, for an output current of 200 mA at 3.3 V, at least 920 mA of average current flows through the inductor at a minimum input voltage of 0.9 V.
The second parameter for choosing the inductor is the desired current ripple in the inductor. Normally, it is advisable to work with a ripple of less than 20% of the average inductor current. A smaller ripple reduces the magnetic hysteresis losses in the inductor, as well as output voltage ripple and EMI. But in the same way, regulation time at load changes rises. In addition, a larger inductor increases the total system costs. With those parameters, it is possible to calculate the value for the inductor by using Equation 5:

Parameter f is the switching frequency and ΔIL is the ripple current in the inductor, i.e., 20% × IL. In this example, the desired inductor has the value of 5.5 µH. With this calculated value and the calculated currents, it is possible to choose a suitable inductor. In typical applications a 6.8-µH inductance is recommended. The device has been optimized to operate with inductance values between 2.2 µH and 22 µH. Nevertheless operation with higher inductance values may be possible in some applications. Detailed stability analysis is then recommended. Care has to be taken that load transients and losses in the circuit can lead to higher currents as estimated in Equation 5. Also, the losses in the inductor caused by magnetic hysteresis losses and copper losses are a major parameter for total circuit efficiency.
The following inductor series from different suppliers have been used with the TPS6102x converters:
| VENDOR | INDUCTOR SERIES |
|---|---|
| Sumida | CDRH4D28 |
| CDRH5D28 | |
| Wurth Elektronik | 7447789 |
| 744042 | |
| EPCOS | B82462-G4 |
| Cooper Electronics Technologies | SD25 |
| SD20 |
At least a 10-µF input capacitor is recommended to improve transient behavior of the regulator and EMI behavior of the total power supply circuit. A ceramic capacitor or a tantalum capacitor with a 100-nF ceramic capacitor in parallel, placed close to the IC, is recommended.
The major parameter necessary to define the output capacitor is the maximum allowed output voltage ripple of the converter. This ripple is determined by two parameters of the capacitor, the capacitance and the ESR. It is possible to calculate the minimum capacitance needed for the defined ripple, supposing that the ESR is zero, by using Equation 6:

Parameter f is the switching frequency and ΔV is the maximum allowed ripple.
With a chosen ripple voltage of 10 mV, a minimum capacitance of 24 µF is needed. The total ripple is larger due to the ESR of the output capacitor. This additional component of the ripple can be calculated using Equation 7:

An additional ripple of 16 mV is the result of using a tantalum capacitor with a low ESR of 80 mΩ. The total ripple is the sum of the ripple caused by the capacitance and the ripple caused by the ESR of the capacitor. In this example, the total ripple is 26 mV. Additional ripple is caused by load transients. This means that the output capacitor has to completely supply the load during the charging phase of the inductor. A reasonable value of the output capacitance depends on the speed of the load transients and the load current during the load change. With the calculated minimum value of 24 µF and load transient considerations the recommended output capacitance value is in a 47 to 100 µF range. For economical reasons, this is usually a tantalum capacitor. Therefore, the control loop has been optimized for using output capacitors with an ESR of above 30 mΩ. Additionally, a ceramic output capacitor of 2.2 µF must be added in parallel with the tantalum output capacitor.
The device is not designed to operate with ceramic capacitors only, unless a discrete resistor is added in series with them to replicate the required ESR. Large amounts of low ESR capacitance on the output causes instability.










Figure 24. Power Supply Solution for Maximum Output Power Operating From a Single Alkaline Cell
Figure 25. Power Supply Solution for Maximum Output Power Operating From a Dual/Triple Alkaline Cell or Single Li-Ion Cell
Figure 27. Power Supply Solution With Auxiliary Negative Output Voltage