ZHCSJ97B September   2009  – January 2019 TPS60151

PRODUCTION DATA.  

  1. 特性
  2. 应用
  3. 说明
    1.     Device Images
      1.      典型应用原理图
      2.      效率与输入电压间的关系
  4. 修订历史记录
  5. Device Comparison Table
  6. Pin Configuration and Functions
    1.     Pin Functions
  7. Specifications
    1. 7.1 Absolute Maximum Ratings
    2. 7.2 ESD Ratings
    3. 7.3 Recommended Operating Conditions
    4. 7.4 Thermal Information
    5. 7.5 Electrical Characteristics
    6. 7.6 Typical Characteristics
  8. Detailed Description
    1. 8.1 Overview
    2. 8.2 Functional Block Diagram
    3. 8.3 Feature Description
      1. 8.3.1 Enable
      2. 8.3.2 Output Reverse Current Protection
      3. 8.3.3 Undervoltage Lockout
      4. 8.3.4 Thermal Shutdown Protection
    4. 8.4 Device Functional Modes
      1. 8.4.1 Soft Start
      2. 8.4.2 Normal Mode and Skip Mode Operation
      3. 8.4.3 Over-current Protection and Short-Circuit Protection
  9. Application and Implementation
    1. 9.1 Application Information
    2. 9.2 Typical Application
      1. 9.2.1 Design Requirements
      2. 9.2.2 Detailed Design Procedure
        1. 9.2.2.1 Capacitor Selection
      3. 9.2.3 Application Curves
    3. 9.3 System Example
      1. 9.3.1 Circuit for Driving White LEDs
  10. 10Power Supply Recommendations
  11. 11Layout
    1. 11.1 Layout Guidelines
    2. 11.2 Layout Example
  12. 12器件和文档支持
    1. 12.1 接收文档更新通知
    2. 12.2 社区资源
    3. 12.3 商标
    4. 12.4 静电放电警告
    5. 12.5 术语表
  13. 13机械、封装和可订购信息

封装选项

机械数据 (封装 | 引脚)
散热焊盘机械数据 (封装 | 引脚)
订购信息

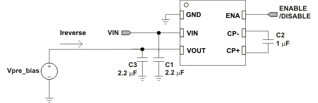
Output Reverse Current Protection

Applications like HDMI or USB OTG generally do not tolerate output reverse current that can drain power from connected devices. Special considerations were put in place to prevent that from happening. Figure 5 is a testing circuit; and, Figure 6 shows reverse current protection test results under various conditions.

TPS60151 tst_setup_lvsa02.gifFigure 5. Output Reverse Current Test Setup
TPS60151 rev_curr_lvsa02.gifFigure 6. Reverse Current Test Results (Typical)