ZHCSC57E November   2013  – December 2017 TPS56520 , TPS56720 , TPS56920 , TPS56C20

PRODUCTION DATA.  

  1. 特性
  2. 应用范围
  3. 说明
    1.     Device Images
      1.      典型应用电路
  4. 修订历史记录
  5. 说明 (续)
  6. List of Devices
  7. Pin Configuration and Functions
    1.     Pin Functions
    2.     Pin Functions
  8. Specifications
    1. 8.1 Absolute Maximum Ratings
    2. 8.2 ESD Ratings
    3. 8.3 Recommended Operating Conditions
    4. 8.4 Thermal Information
    5. 8.5 Electrical Characteristics
    6. 8.6 Timing Requirements
    7. 8.7 Switching Characteristics
    8. 8.8 Typical Characteristics
  9. Detailed Description
    1. 9.1 Overview
    2. 9.2 Functional Block Diagram
    3. 9.3 Feature Description
      1. 9.3.1 PWM Operation
      2. 9.3.2 PWM Frequency and Adaptive On-Time Control
      3. 9.3.3 VIN and Power VIN Terminals (VIN and PVIN)
      4. 9.3.4 Auto-Skip Eco-mode™ Control
      5. 9.3.5 Soft Start and Pre-Biased Soft Start
      6. 9.3.6 Power Good
      7. 9.3.7 Overcurrent Protection
      8. 9.3.8 UVLO Protection
    4. 9.4 Device Functional Modes
      1. 9.4.1 Operation at Light Loads
    5. 9.5 Programming
      1. 9.5.1 I2C Interface
      2. 9.5.2 I2C Protocol
      3. 9.5.3 I2C Chip Address Byte
    6. 9.6 Register Maps
      1. 9.6.1 I2C Register Address Byte
      2. 9.6.2 Output Voltage Registers
      3. 9.6.3 CheckSum Bit (VOUT Register Only)
      4. 9.6.4 Control Registers
      5. 9.6.5 Latchoff
  10. 10Applications and Implementation
    1. 10.1 Application Information
    2. 10.2 Typical Application
      1. 10.2.1 TPS56520, TPS56720 and TPS56920, 5-A, 7-A, and 9-A Converter
        1. 10.2.1.1 Design Requirements
        2. 10.2.1.2 Detailed Design Procedure
          1. 10.2.1.2.1 Output Voltage Resistors Selection
            1. 10.2.1.2.1.1 Output Filter Selection
          2. 10.2.1.2.2 Input Capacitor Selection
          3. 10.2.1.2.3 Bootstrap Capacitor Selection
          4. 10.2.1.2.4 VREG5 Capacitor Selection
      2. 10.2.2 TPS56520, TPS56720 and TPS56920 Application Performance Curves
      3. 10.2.3 TPS56C20 12-A Converter
        1. 10.2.3.1 Design Requirements
        2. 10.2.3.2 Design Procedure
        3. 10.2.3.3 TPS56C20 Application Performance Curves
  11. 11Power Supply Recommendations
  12. 12Layout
    1. 12.1 Layout Guidelines
    2. 12.2 Layout Example
  13. 13器件和文档支持
    1. 13.1 器件支持
      1. 13.1.1 开发支持
    2. 13.2 文档支持
      1. 13.2.1 相关文档
    3. 13.3 相关链接
    4. 13.4 商标
    5. 13.5 静电放电警告
    6. 13.6 Glossary
  14. 14机械、封装和可订购信息

封装选项

请参考 PDF 数据表获取器件具体的封装图。

机械数据 (封装 | 引脚)
  • PWP|20
散热焊盘机械数据 (封装 | 引脚)
订购信息

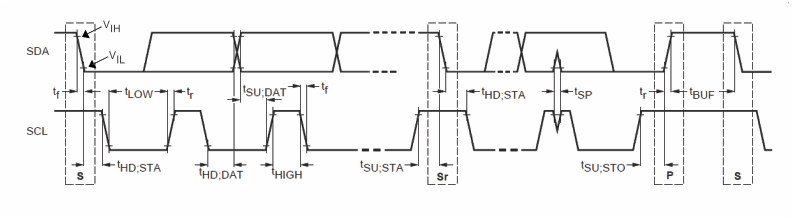
Timing Requirements

MIN TYP MAX UNIT
SOFT START
Issc SS charge current VSS=0.5V , 25 °C –6.4 –6 –5.6  µA
IssD SS discharge current VSS=0.5V 0.14 0.2  0.26 mA
SERIAL INTERFACE(1)(2)(3)
VIL LOW level input voltage 0.6 V
VIH HIGH level input voltage 1.8 V
Vhys Hysteresis of Schmitt trigger inputs 0.11 V
VOL LOW level output voltage (Open drain, 3mA sink current) 0.4 V
tSP Pulse width of spikes suppressed by input filter 32 ns
fscl SCL clock frequency 400 kHz
tHD;STA Hold time (repeated) START condition. 0.6 us
tLOW LOW period of SCL clock 1.3 us
tHIGH HIGH period of SCL clock 0.6 us
tSU;STA Set-up time for a repeated START condition 0.6 us
tHD;DAT Data Hold time 50 900 ns
tSU;DAT Data set-up time 100 ns
tr Rise time (SDA or SCL) 20+0.1Cb(4) 300 ns
tf Fall time (SDA or SCL) 20+0.1Cb(4) 300 ns
tSU;STO Set-up time for STOP condition 0.6 us
tBUF Bus free time between STOP and START condition 1.3 us
Cb Capacitive load for each bus line 400 pF
Ensured by design. Not production tested.
Refer to Figure 1 below for I2C Timing Definitions
Cb = capacitance of bus line in pF
TPS56C20 TPS56920 TPS56720 TPS56520 I2C_timing_SLVSCB6.gifFigure 1. I2C Timing Definitions (reproduced from Phillips I2C spec Version 1.1)