ZHCSDR8 May   2015 TPS544B25 , TPS544C25

PRODUCTION DATA.  

  1. 特性
  2. 应用范围
  3. 说明
  4. 修订历史记录
  5. Device Comparison Table
  6. Pin Configuration and Functions
  7. Specifications
    1. 7.1 Absolute Maximum Ratings
    2. 7.2 ESD Ratings
    3. 7.3 Recommended Operating Conditions
    4. 7.4 Thermal Information
    5. 7.5 Electrical Characteristics
    6. 7.6 Typical Characteristics
  8. Detailed Description
    1. 8.1 Overview
    2. 8.2 Functional Block Diagram
    3. 8.3 Feature Description
      1. 8.3.1  Linear Regulators BP3 and BP6
      2. 8.3.2  Input Undervoltage Lockout (UVLO)
      3. 8.3.3  Turn-On and Turn-Off Delay and Sequencing
      4. 8.3.4  Voltage Reference
      5. 8.3.5  Differential Remote Sense
      6. 8.3.6  Set Output Voltage and Adapative Voltage Scaling (AVS)
        1. 8.3.6.1 Increasing the Output Voltage
        2. 8.3.6.2 Decreasing the Output Voltage
        3. 8.3.6.3 Set Default Output Voltage by VSET
      7. 8.3.7  Reset VOUT
      8. 8.3.8  Switching Frequency and Synchronization
      9. 8.3.9  Soft-Start and TON_RISE Command
      10. 8.3.10 Pre-Biased Output Start-Up
      11. 8.3.11 Soft-Stop and TOFF_FALL Command
      12. 8.3.12 Current Monitoring and Low-Side MOSFET Overcurrent Protection
      13. 8.3.13 High-Side MOSFET Short-Circuit Protection
      14. 8.3.14 Over-Temperature Protection
      15. 8.3.15 Output Overvoltage and Undervoltage Protection
      16. 8.3.16 TON_MAX Fault
      17. 8.3.17 Power Good (PGOOD) Indicator
      18. 8.3.18 Fault Protection Responses
      19. 8.3.19 Switching Node
      20. 8.3.20 PMBus General Description
      21. 8.3.21 PMBus Address
      22. 8.3.22 PMBus Connections
      23. 8.3.23 Auto ARA (Alert Response Address) Response
    4. 8.4 Device Functional Modes
      1. 8.4.1 Continuous Conduction Mode
      2. 8.4.2 Operation with CNTL Signal Control
      3. 8.4.3 Operation with OPERATION Control
      4. 8.4.4 Operation with CNTL and OPERATION Control
    5. 8.5 Supported PMBus Commands
    6. 8.6 Register Maps
      1. 8.6.1  OPERATION (01h)
        1. 8.6.1.1 On
        2. 8.6.1.2 Off
      2. 8.6.2  ON_OFF_CONFIG (02h)
        1. 8.6.2.1 pu
        2. 8.6.2.2 cmd
        3. 8.6.2.3 cpr
        4. 8.6.2.4 pol
        5. 8.6.2.5 cpa
      3. 8.6.3  CLEAR_FAULTS (03h)
      4. 8.6.4  WRITE_PROTECT (10h)
        1. 8.6.4.1 bit5
        2. 8.6.4.2 bit6
        3. 8.6.4.3 bit7
      5. 8.6.5  STORE_DEFAULT_ALL (11h)
      6. 8.6.6  RESTORE_DEFAULT_ALL (12h)
      7. 8.6.7  CAPABILITY (19h)
      8. 8.6.8  SMBALERT_MASK (1Bh)
      9. 8.6.9  VOUT_MODE (20h)
        1. 8.6.9.1 Mode:
        2. 8.6.9.2 Exponent
      10. 8.6.10 VOUT_COMMAND (21h)
        1. 8.6.10.1 Exponent
        2. 8.6.10.2 Mantissa
      11. 8.6.11 VOUT_MAX (24h)
        1. 8.6.11.1 Exponent
        2. 8.6.11.2 Mantissa
      12. 8.6.12 VOUT_TRANSITION_RATE (27h)
        1. 8.6.12.1 Exponent
        2. 8.6.12.2 Mantissa
      13. 8.6.13 VOUT_SCALE_LOOP (29h)
        1. 8.6.13.1 Exponent
        2. 8.6.13.2 Mantissa
      14. 8.6.14 VIN_ON (35h)
        1. 8.6.14.1 Exponent
        2. 8.6.14.2 Mantissa
      15. 8.6.15 VIN_OFF (36h)
        1. 8.6.15.1 Exponent
        2. 8.6.15.2 Mantissa
      16. 8.6.16 IOUT_CAL_OFFSET (39h)
        1. 8.6.16.1 Exponent
        2. 8.6.16.2 Mantissa
      17. 8.6.17 VOUT_OV_FAULT_LIMIT (40h)
        1. 8.6.17.1 Exponent
        2. 8.6.17.2 Mantissa
      18. 8.6.18 VOUT_OV_FAULT_RESPONSE (41h)
        1. 8.6.18.1 RSP[1]
        2. 8.6.18.2 RS[2:0]
      19. 8.6.19 VOUT_OV_WARN_LIMIT (42h)
        1. 8.6.19.1 Exponent
        2. 8.6.19.2 Mantissa
      20. 8.6.20 VOUT_UV_WARN_LIMIT (43h)
        1. 8.6.20.1 Exponent
        2. 8.6.20.2 Mantissa
      21. 8.6.21 VOUT_UV_FAULT_LIMIT (44h)
        1. 8.6.21.1 Exponent
        2. 8.6.21.2 Mantissa
      22. 8.6.22 VOUT_UV_FAULT_RESPONSE (45h)
        1. 8.6.22.1 RSP[1]
        2. 8.6.22.2 RS[2:0]
      23. 8.6.23 IOUT_OC_FAULT_LIMIT (46h)
        1. 8.6.23.1 Exponent
        2. 8.6.23.2 Mantissa
      24. 8.6.24 IOUT_OC_FAULT_RESPONSE (47h)
        1. 8.6.24.1 RSP[1]
        2. 8.6.24.2 RS[2:0]
      25. 8.6.25 IOUT_OC_WARN_LIMIT (4Ah)
        1. 8.6.25.1 Exponent
        2. 8.6.25.2 Mantissa
      26. 8.6.26 OT_FAULT_LIMIT (4Fh)
        1. 8.6.26.1 Exponent
        2. 8.6.26.2 Mantissa
      27. 8.6.27 OT_FAULT_RESPONSE (50h)
        1. 8.6.27.1 RSP[1]
        2. 8.6.27.2 RS[2:0]
      28. 8.6.28 OT_WARN_LIMIT (51h)
        1. 8.6.28.1 Exponent
        2. 8.6.28.2 Mantissa
      29. 8.6.29 TON_DELAY (60h)
        1. 8.6.29.1 Exponent
        2. 8.6.29.2 Mantissa
      30. 8.6.30 TON_RISE (61h)
        1. 8.6.30.1 Exponent
        2. 8.6.30.2 Mantissa
      31. 8.6.31 TON_MAX_FAULT_LIMIT (62h)
        1. 8.6.31.1 Exponent
        2. 8.6.31.2 Mantissa
      32. 8.6.32 TON_MAX_FAULT_RESPONSE (63h)
        1. 8.6.32.1 RSP[1]
        2. 8.6.32.2 RS[2:0]
      33. 8.6.33 TOFF_DELAY (64h)
        1. 8.6.33.1 Exponent
        2. 8.6.33.2 Mantissa
      34. 8.6.34 TOFF_FALL (65h)
        1. 8.6.34.1 Exponent
        2. 8.6.34.2 Mantissa
      35. 8.6.35 STATUS_BYTE (78h)
      36. 8.6.36 STATUS_WORD (79h)
      37. 8.6.37 STATUS_VOUT (7Ah)
      38. 8.6.38 STATUS_IOUT (7Bh)
      39. 8.6.39 STATUS_INPUT (7Ch)
      40. 8.6.40 STATUS_TEMPERATURE (7Dh)
      41. 8.6.41 STATUS_CML (7Eh)
      42. 8.6.42 STATUS_MFR_SPECIFIC (80h)
      43. 8.6.43 READ_VOUT (8Bh)
        1. 8.6.43.1 Exponent
        2. 8.6.43.2 Mantissa
      44. 8.6.44 READ_IOUT (8Ch)
        1. 8.6.44.1 Exponent
        2. 8.6.44.2 Mantissa
      45. 8.6.45 READ_TEMPERATURE_2 (8Eh)
        1. 8.6.45.1 Exponent
        2. 8.6.45.2 Mantissa
      46. 8.6.46 PMBUS_REVISION (98h)
      47. 8.6.47 MFR_VOUT_MIN (A4h)
        1. 8.6.47.1 Exponent
        2. 8.6.47.2 Mantissa
      48. 8.6.48 IC_DEVICE_ID (ADh)
      49. 8.6.49 IC_DEVICE_REV (AEh)
      50. 8.6.50 MFR_SPECIFIC_00 (D0h)
      51. 8.6.51 OPTIONS (MFR_SPECIFIC_21) (E5h)
        1. 8.6.51.1 PMB_HI_LO
        2. 8.6.51.2 PMB_VTH
        3. 8.6.51.3 EN_ADC_CNTL
        4. 8.6.51.4 VSM
        5. 8.6.51.5 DLO
        6. 8.6.51.6 AVG_PROG[1:0]
        7. 8.6.51.7 EN_AUTO_ARA
        8. 8.6.51.8 SS_DET_DIS
      52. 8.6.52 MISC_CONFIG_OPTIONS (MFR_SPECIFIC_32) (F0h)
        1. 8.6.52.1 OV_RESP_SEL
        2. 8.6.52.2 HSOC_USER_TRIM[1:0]
        3. 8.6.52.3 FORCE_SYNC
  9. Applications and Implementation
    1. 9.1 Application Information
    2. 9.2 Typical Applications
      1. 9.2.1 TPS544C25 4.5-V to 18-V Input, 0.95-V Output, 30-A Converter
      2. 9.2.2 Design Requirements
      3. 9.2.3 Design Procedure
        1. 9.2.3.1  Switching Frequency Selection
        2. 9.2.3.2  Inductor Selection
        3. 9.2.3.3  Output Capacitor Selection
          1. 9.2.3.3.1 Response to a Load Transient
          2. 9.2.3.3.2 Output Voltage Ripple
          3. 9.2.3.3.3 Bus Capacitance
        4. 9.2.3.4  Input Capacitor Selection
        5. 9.2.3.5  Bootstrap Capacitor Selection
        6. 9.2.3.6  BP6 and BP3
        7. 9.2.3.7  R-C Snubber and VIN Pin High-Frequency Bypass
        8. 9.2.3.8  Temperature Sensor
        9. 9.2.3.9  Key PMBus Parameter Selection
          1. 9.2.3.9.1 Enable, UVLO and Sequencing
          2. 9.2.3.9.2 Soft-Start Time
          3. 9.2.3.9.3 Overcurrent Threshold and Response
          4. 9.2.3.9.4 Power Good, Output Overvoltage and Undervoltage Protection
        10. 9.2.3.10 Output Voltage Setting and Frequency Compensation Selection
      4. 9.2.4 Application Curves
  10. 10Power Supply Recommendations
  11. 11Layout
    1. 11.1 Layout Guidelines
    2. 11.2 Layout Example
      1. 11.2.1 Mounting and Thermal Profile Recommendation
  12. 12器件和文档支持
    1. 12.1 器件支持
      1. 12.1.1 开发支持
        1. 12.1.1.1 德州仪器 (TI) Fusion Digital Power Designer
        2. 12.1.1.2 TPS40k 环路补偿工具
    2. 12.2 相关链接
    3. 12.3 社区资源
    4. 12.4 商标
    5. 12.5 静电放电警告
    6. 12.6 Glossary
  13. 13机械、封装和可订购信息

封装选项

机械数据 (封装 | 引脚)
散热焊盘机械数据 (封装 | 引脚)
订购信息

Layout

Layout Guidelines

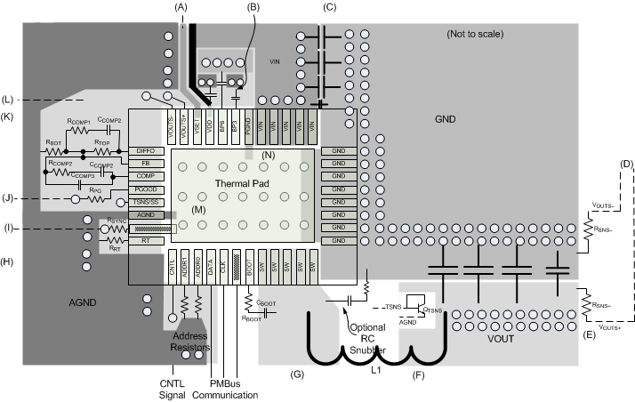
Layout is a critical portion of good power supply design. Figure 55 shows the recommended PCB layout configuration. A list of PCB layout considerations using these devices are listed below.

  • As with any switching regulator, there are several signal paths that conduct fast switching voltages or currents. Minimize the loop area formed by these paths and their bypass connections.
  • Bypass the VIN pins to GND with a low-impedance path. Power-stage input bypass capacitors should be as close as physically possible to the VIN and GND pins. Additionally, a high-frequency bypass capacitor in 0402 package on the VIN pins can help to reduce switching spikes, which can be tucked right underneath the IC on the other side of the PCB to keep a minimum loop.
  • BP6 bypass capacitor carries large switching current for gate driver. Bypassing the BP6 pin to GND with a low-impedance path is very critical to the stable operation of the TPS544x25 devices. Place BP6 high-frequency bypass capacitors as close as possible to the device pins, with a minimum return loop back to ground.
  • The VDD and BP3 also require good local bypassing. Place bypass capacitors as close as possible to the device pins, with a minimum return loop back to ground and this return loop should be kept away from fast switching voltage and main current path, as well as BP6 current path. Poor bypassing on VDD and BP3 can degrade the performance of the regulator.
  • Keep signal components local to the device, and place them as close as possible to the pins to which they are connected. These components include the feedback resistors, the RT resistor, the VSET resistor, the SS resistor, as well as ADDR0 and ADDR1 resistors. These components should also be kept away from fast switching voltage and current paths. Those components can be terminated to GND with minimum return loop or bypassed to a separate low impedance analog ground (AGND) copper area, which is isolated from fast switching voltage and current paths and has single connection to PGND on the thermal tab via AGND pin. See Figure 55 for placement recommendation.
  • The PGND pin (pin 26) must be directly connected to the thermal pad of the device on the PCB, with a low-noise, low-impedance path to ensure accurate current monitoring.
  • Minimize the SW copper area for best noise performance. Route sensitive traces away from SW and BOOT, as these nets contain fast switching voltages, and lend easily to capacitive coupling.
  • Snubber component placement is critical to its effectiveness of ringing reduction. These components should be on the same layer as the TPS544x25 devices, and be kept as close as possible to the SW and GND copper areas.
  • The VIN and VDD pins must be the same potential for accurate short circuit protection, but high frequency switching noise on the VDD pin can degrade performance. VDD should be connected to VIN through a trace from the input copper area. Optionally form a small low-pass R-C between VIN and VDD, with the VDD bypass capacitor (1 µF) and a 0-2 Ω resistor between VIN and VDD. See Figure 55.
  • Route the VOUTS+ and VOUTS– lines from the output capacitor bank at the load back to the device pins as a tightly coupled differential pair. It is critical that these traces be kept away from switching or noisy areas which can add differential-mode noise.
  • Routing of the temperature sensor traces is critical to the noise performance of temperature monitoring. Keep these traces away from switching areas or high current paths on the layout. It is also recommended to use a small 1-nF capacitor from TSNS/SS to AGND to improve the noise performance of temperature readings.

Layout Example

TPS544C25 TPS544B25 layout_slusc81.gif
(A) Connect to AGND with setting resistor or pull up to BP3 if not used.
(B) Bypass for internal regulators BP3, BP6, VDD. Use multiple vias to reduce parasitic inductance
(C) Place VIN bypass capacitors as close as possible to device, with best high frequency capacitor closest to VIN and GND pins
(D) Kelvin connect to TPS544C25 VOUTS– and VOUTS+ pins
(E) Sense point should be directly at the load
(F) For best efficiency, use a heavy weight copper and place these planes on multiple PCB layers
(G) Minimize SW area for least noise. Keep sensitive traces away from SW and BOOT on all layers
(H) AGND and PGND are only connected together on Thermal Pad.
(I) Optional SYNC/RESET_B Signal. Pull up to BP3 if not used.
(J) Pull up to BP6 or external voltage to use PGOOD.
(K) Maintain feedback and compensation network components localized to the device.
(L) Internal AGND Plane to reduce the BP3 and VDD bypass parasitics.
(M) Connect AGND to Thermal Pad
(N) Connect PGND to Thermal Pad
Figure 55. PCB Layout Recommendation

Mounting and Thermal Profile Recommendation

Proper mounting technique adequately covers the exposed thermal tab with solder. Excessive heat during the reflow process can affect electrical performance. Figure 56 shows the recommended reflow oven thermal profile. Proper post-assembly cleaning is also critical to device performance. See SLUA271 for more information.

TPS544C25 TPS544B25 mech_thermal_profile_slusc81.gif Figure 56. Recommended Reflow Oven Thermal Profile

Table 18. Recommended Thermal Profile Parameters

PARAMETER MIN TYP MAX UNIT
RAMP UP AND RAMP DOWN
rRAMP(up) Average ramp-up rate, TS(max) to TP 3 °C/s
rRAMP(down) Average ramp-down rate, TP to TS(max) 6 °C/s
PRE-HEAT
TS Pre-heat temperature 150 200 °C
tS Pre-heat time, TS(min) to TS(max) 60 180 s
REFLOW
TL Liquidus temperature 217 °C
TP Peak temperature 260 °C
tL Time maintained above liquidus temperature, TL 60 150 s
tP Time maintained within 5 °C of peak temperature, TP 20 40 s
t25P Total time from 25 °C to peak temperature, TP 480 s