ZHCSI03C September   2009  – April 2018 TPS54318

PRODUCTION DATA.  

  1. 特性
  2. 应用
  3. 说明
    1.     Device Images
      1.      简化原理图
      2.      效率与输出电流间的关系
  4. 修订历史记录
  5. Pin Configuration and Functions
    1.     Pin Functions
  6. Specifications
    1. 6.1 Absolute Maximum Ratings
    2. 6.2 ESD Ratings
    3. 6.3 Recommended Operating Conditions
    4. 6.4 Thermal Information
    5. 6.5 Electrical Characteristics
    6. 6.6 Typical Characteristics
  7. Detailed Description
    1. 7.1 Overview
    2. 7.2 Functional Block Diagram
    3. 7.3 Feature Description
      1. 7.3.1  Fixed Frequency PWM Control
      2. 7.3.2  Slope Compensation and Output Current
      3. 7.3.3  Bootstrap Voltage (Boot) and Low Dropout Operation
      4. 7.3.4  Error Amplifier
      5. 7.3.5  Voltage Reference
      6. 7.3.6  Adjusting the Output Voltage
      7. 7.3.7  Enable and Adjusting Undervoltage Lockout
      8. 7.3.8  Soft-Start Pin
      9. 7.3.9  Sequencing
      10. 7.3.10 Constant Switching Frequency and Timing Resistor (RT/CLK Pin)
      11. 7.3.11 Overcurrent Protection
      12. 7.3.12 Frequency Shift
      13. 7.3.13 Reverse Overcurrent Protection
      14. 7.3.14 Synchronize Using the RT/CLK Pin
      15. 7.3.15 Power Good (PWRGD Pin)
      16. 7.3.16 Overvoltage Transient Protection
      17. 7.3.17 Thermal Shutdown
    4. 7.4 Device Functional Modes
      1. 7.4.1 Small Signal Model for Loop Response
      2. 7.4.2 Simple Small Signal Model for Peak Current Mode Control
      3. 7.4.3 Small Signal Model for Frequency Compensation
  8. Application and Implementation
    1. 8.1 Application Information
    2. 8.2 Typical Application
      1. 8.2.1 Design Requirements
      2. 8.2.2 Detailed Design Procedure
        1. 8.2.2.1  Step One: Select the Switching Frequency
        2. 8.2.2.2  Step Two: Select the Output Inductor
        3. 8.2.2.3  Step Three: Choose the Output Capacitor
        4. 8.2.2.4  Step Four: Select the Input Capacitor
        5. 8.2.2.5  Step Five: Minimum Load DC COMP Voltage
        6. 8.2.2.6  Step Six: Choose the Soft-Start Capacitor
        7. 8.2.2.7  Step Seven: Select the Bootstrap Capacitor
        8. 8.2.2.8  Step Eight: Undervoltage Lockout Threshold
        9. 8.2.2.9  Step Nine: Select Output Voltage and Feedback Resistors
          1. 8.2.2.9.1 Output Voltage Limitations
        10. 8.2.2.10 Step 10: Select Loop Compensation Components
        11. 8.2.2.11 Power Dissipation Estimate
      3. 8.2.3 Application Curves
  9. Power Supply Recommendations
  10. 10Layout
    1. 10.1 Layout Guidelines
    2. 10.2 Layout Example
  11. 11器件和文档支持
    1. 11.1 器件支持
      1. 11.1.1 使用 WEBENCH® 工具创建定制设计
      2. 11.1.2 开发支持
    2. 11.2 商标
    3. 11.3 静电放电警告
    4. 11.4 Glossary
  12. 12机械、封装和可订购信息

封装选项

机械数据 (封装 | 引脚)
散热焊盘机械数据 (封装 | 引脚)
订购信息

Sequencing

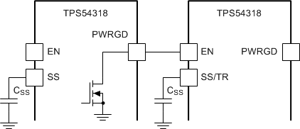
Many of the common power supply sequencing methods can be implemented using the SS, EN and PWRGD pins. The sequential method can be implemented using an open drain or collector output of a power on reset pin of another device. Figure 25 shows the sequential method. The power good is coupled to the EN pin on theTPS54318 device which enables the second power supply once the primary supply reaches regulation.

Ratiometric start up can be accomplished by connecting the SS pins together. The regulator outputs ramp up and reach regulation at the same time. When calculating the soft-start time the pull up current source must be doubled in Equation 4. The ratiometric method is shown in Figure 27.

TPS54318 seq_startup_slvs975.gifFigure 25. Sequencial Start-Up Schematic
TPS54318 seq_stup_lvs946.gifFigure 26. Sequential Startup using EN and PWRGD
TPS54318 ratiometric_startup_slvs975.gifFigure 27. Ratiometric Start-Up Schematic
TPS54318 coupss_stup_lvs946.gifFigure 28. Ratiometric Start-Up Using Coupled SS Pins