ZHCSBM9C SEPTEMBER   2013  – June 2018 TPS53513

PRODUCTION DATA.  

  1. 特性
  2. 应用
  3. 说明
    1.     Device Images
      1.      简化原理图
      2.      效率
  4. 修订历史记录
  5. Pin Configuration and Functions
    1.     Pin Functions
  6. Specifications
    1. 6.1 Absolute Maximum Ratings
    2. 6.2 ESD Ratings
    3. 6.3 Recommended Operating Conditions
    4. 6.4 Thermal Information
    5. 6.5 Electrical Characteristics
    6. 6.6 Typical Characteristics
  7. Detailed Description
    1. 7.1 Overview
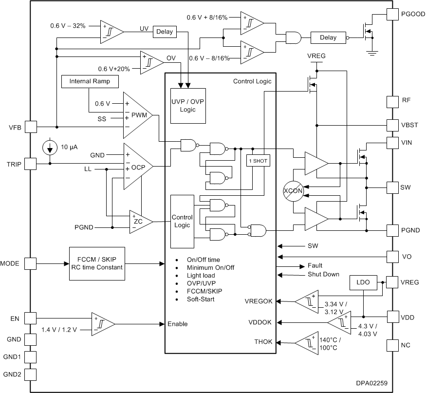
    2. 7.2 Functional Block Diagram
    3. 7.3 Feature Description
      1. 7.3.1  5-V LDO and VREG Start-Up
      2. 7.3.2  Enable, Soft Start, and Mode Selection
      3. 7.3.3  Frequency Selection
      4. 7.3.4  D-CAP3 Control and Mode Selection
        1. 7.3.4.1 D-CAP3 Mode
        2. 7.3.4.2 Sample and Hold Circuitry
        3. 7.3.4.3 Adaptive Zero-Crossing
      5. 7.3.5  Power-Good
      6. 7.3.6  Current Sense and Overcurrent Protection
      7. 7.3.7  Overvoltage and Undervoltage Protection
      8. 7.3.8  Out-Of-Bounds Operation
      9. 7.3.9  UVLO Protection
      10. 7.3.10 Thermal Shutdown
    4. 7.4 Device Functional Modes
      1. 7.4.1 Auto-Skip Eco-mode Light Load Operation
      2. 7.4.2 Forced Continuous-Conduction Mode
  8. Application and Implementation
    1. 8.1 Application Information
    2. 8.2 Typical Application
      1. 8.2.1 Design Requirements
      2. 8.2.2 Detailed Design Procedure
        1. 8.2.2.1 Choose the Switching Frequency
        2. 8.2.2.2 Choose the Operation Mode
        3. 8.2.2.3 Choose the Inductor
        4. 8.2.2.4 Choose the Output Capacitor
        5. 8.2.2.5 Determine the Value of R1 and R2
      3. 8.2.3 Application Curves
  9. Power Supply Recommendations
  10. 10Layout
    1. 10.1 Layout Guidelines
    2. 10.2 Layout Example
    3. 10.3 Thermal Performance
  11. 11器件和文档支持
    1. 11.1 文档支持
      1. 11.1.1 使用 WEBENCH® 工具创建定制设计方案
    2. 11.2 文档支持
      1. 11.2.1 相关文档
    3. 11.3 接收文档更新通知
    4. 11.4 社区资源
    5. 11.5 商标
    6. 11.6 静电放电警告
    7. 11.7 术语表
  12. 12机械、封装和可订购信息

封装选项

机械数据 (封装 | 引脚)
散热焊盘机械数据 (封装 | 引脚)
订购信息

Functional Block Diagram

TPS53513 fbd_slusbq8.gif