ZHCS453D August   2011  – April 2021 TPS53353

PRODUCTION DATA  

  1. 特性
  2. 应用
  3. 说明
  4. Revision History
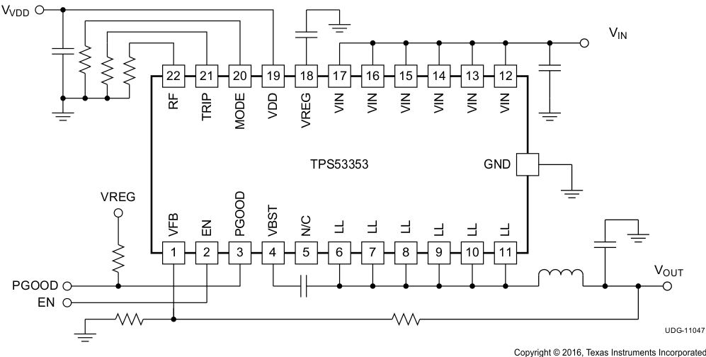
  5. Pin Configuration and Functions
  6. Specifications
    1. 6.1 Absolute Maximum Ratings (1)
    2. 6.2 ESD Ratings
    3. 6.3 Recommended Operating Conditions
    4. 6.4 Thermal Information
    5. 6.5 Electrical Characteristics
    6. 6.6 Typical Characteristics
  7. Detailed Description
    1. 7.1 Overview
    2. 7.2 Functional Block Diagram
    3. 7.3 Feature Description
      1. 7.3.1 5-V LDO and VREG Start-Up
      2. 7.3.2 Adaptive On-Time D-CAP™ Control and Frequency Selection
      3. 7.3.3 Ramp Signal
      4. 7.3.4 Adaptive Zero Crossing
      5. 7.3.5 Power-Good
      6. 7.3.6 Current Sense, Overcurrent and Short Circuit Protection
      7. 7.3.7 Overvoltage and Undervoltage Protection
      8. 7.3.8 UVLO Protection
      9. 7.3.9 Thermal Shutdown
    4. 7.4 Device Functional Modes
      1. 7.4.1 Small Signal Model
      2. 7.4.2 Enable, Soft Start, and Mode Selection
      3. 7.4.3 Auto-Skip Eco-mode™ Light Load Operation
      4. 7.4.4 Forced Continuous Conduction Mode
  8. Application and Implementation
    1. 8.1 Application Information
    2. 8.2 Typical Applications
      1. 8.2.1 Typical Application Circuit Diagram
        1. 8.2.1.1 Design Requirements
        2. 8.2.1.2 Detailed Design Procedure
          1. 8.2.1.2.1 External Component Selection
        3. 8.2.1.3 Application Curves
      2. 8.2.2 Typical Application Circuit Diagram With Ceramic Output Capacitors
        1. 8.2.2.1 Design Requirements
        2. 8.2.2.2 Detailed Design Procedure
          1. 8.2.2.2.1 External Component Selection
          2. 8.2.2.2.2 External Component Selection Using All Ceramic Output Capacitors
        3. 8.2.2.3 Application Curves
  9. Power Supply Recommendations
  10. 10Layout
    1. 10.1 Layout Guidelines
    2. 10.2 Layout Example
  11. 11Device and Documentation Support
    1. 11.1 Device Support
      1. 11.1.1 第三方产品免责声明
    2. 11.2 接收文档更新通知
    3. 11.3 支持资源
    4. 11.4 Trademarks
    5. 11.5 静电放电警告
    6. 11.6 术语表

封装选项

机械数据 (封装 | 引脚)
散热焊盘机械数据 (封装 | 引脚)
订购信息

说明

TPS53353 是一款具有集成 MOSFET 的 D-CAP™ 模式、20A 同步降压转换器。它们被设计用于易于使用、低外部组件数量和空间有限的电源系统。

这个器件特有 5.5mΩ/2.2mΩ 集成 MOSFET,精准 1% 0.6V 基准和集成的升压开关。具有竞争力的特性包括:1.5V 至 15V 的转换输入电压范围、极低外部元件数、针对超快速瞬态响应的 D-CAP™ 模式控制、自动跳跃模式操作、内部软启动控制、可选择频率以及无需补偿。

转换输入电压范围为 1.5V 至 15V,电源电压范围为 4.5V 至 25V,输出电压范围为 0.6V 至 5.5V。

该器件采用 5mm × 6mm、22 引脚 QFN 封装,额定工作温度范围为 –40°C 至 85°C。

TPS548B28 是一款较新的 20A 器件、专为数据中心应用而设计、具有较小的无铅封装。

器件信息(1)
器件型号 封装 封装尺寸(标称值)
TPS53353 LSON-CLIP (22) 6.00mm × 5.00mm
要了解所有可用封装,请见数据表末尾的可订购产品附录。
GUID-26C8DF0B-BD07-49AB-B4E0-DC35D91E78EB-low.gif简化应用