ZHCS453D August   2011  – April 2021 TPS53353

PRODUCTION DATA  

  1. 特性
  2. 应用
  3. 说明
  4. Revision History
  5. Pin Configuration and Functions
  6. Specifications
    1. 6.1 Absolute Maximum Ratings (1)
    2. 6.2 ESD Ratings
    3. 6.3 Recommended Operating Conditions
    4. 6.4 Thermal Information
    5. 6.5 Electrical Characteristics
    6. 6.6 Typical Characteristics
  7. Detailed Description
    1. 7.1 Overview
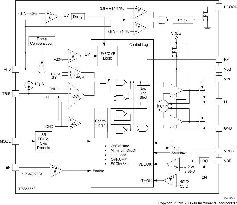
    2. 7.2 Functional Block Diagram
    3. 7.3 Feature Description
      1. 7.3.1 5-V LDO and VREG Start-Up
      2. 7.3.2 Adaptive On-Time D-CAP™ Control and Frequency Selection
      3. 7.3.3 Ramp Signal
      4. 7.3.4 Adaptive Zero Crossing
      5. 7.3.5 Power-Good
      6. 7.3.6 Current Sense, Overcurrent and Short Circuit Protection
      7. 7.3.7 Overvoltage and Undervoltage Protection
      8. 7.3.8 UVLO Protection
      9. 7.3.9 Thermal Shutdown
    4. 7.4 Device Functional Modes
      1. 7.4.1 Small Signal Model
      2. 7.4.2 Enable, Soft Start, and Mode Selection
      3. 7.4.3 Auto-Skip Eco-mode™ Light Load Operation
      4. 7.4.4 Forced Continuous Conduction Mode
  8. Application and Implementation
    1. 8.1 Application Information
    2. 8.2 Typical Applications
      1. 8.2.1 Typical Application Circuit Diagram
        1. 8.2.1.1 Design Requirements
        2. 8.2.1.2 Detailed Design Procedure
          1. 8.2.1.2.1 External Component Selection
        3. 8.2.1.3 Application Curves
      2. 8.2.2 Typical Application Circuit Diagram With Ceramic Output Capacitors
        1. 8.2.2.1 Design Requirements
        2. 8.2.2.2 Detailed Design Procedure
          1. 8.2.2.2.1 External Component Selection
          2. 8.2.2.2.2 External Component Selection Using All Ceramic Output Capacitors
        3. 8.2.2.3 Application Curves
  9. Power Supply Recommendations
  10. 10Layout
    1. 10.1 Layout Guidelines
    2. 10.2 Layout Example
  11. 11Device and Documentation Support
    1. 11.1 Device Support
      1. 11.1.1 第三方产品免责声明
    2. 11.2 接收文档更新通知
    3. 11.3 支持资源
    4. 11.4 Trademarks
    5. 11.5 静电放电警告
    6. 11.6 术语表

封装选项

机械数据 (封装 | 引脚)
散热焊盘机械数据 (封装 | 引脚)
订购信息

Functional Block Diagram

GUID-DD6523AE-1D24-435A-904F-4E6B16CABCE0-low.gif
Note:

The thresholds in this block diagram are typical values. Refer to the Section 6.5 table for threshold limits.