SLVSB48C August   2012  – July 2016 TPS43333-Q1

PRODUCTION DATA.  

  1. Features
  2. Applications
  3. Description
    1. 3.1 Typical Application Diagram
  4. Revision History
  5. Pin Configuration and Functions
  6. Specifications
    1. 6.1 Absolute Maximum Ratings
    2. 6.2 ESD Ratings
    3. 6.3 Recommended Operating Conditions
    4. 6.4 Thermal Information
    5. 6.5 Electrical Characteristics
    6. 6.6 Typical Characteristics
  7. Detailed Description
    1. 7.1 Overview
    2. 7.2 Functional Block Diagram
    3. 7.3 Feature Description
      1. 7.3.1 Buck Controllers: Normal Mode PWM Operation
        1. 7.3.1.1 Frequency Selection and External Synchronization
        2. 7.3.1.2 Enable Inputs
        3. 7.3.1.3 Feedback Inputs
        4. 7.3.1.4 Soft-Start Inputs
        5. 7.3.1.5 Current-Mode Operation
        6. 7.3.1.6 Current Sensing and Current Limit With Foldback
        7. 7.3.1.7 Slope Compensation
        8. 7.3.1.8 Power-Good Outputs and Filter Delays
        9. 7.3.1.9 Light-Load PFM Mode
      2. 7.3.2 Boost Controller
      3. 7.3.3 SYNC Pin
      4. 7.3.4 Gate-Driver Supply (VREG, EXTSUP)
      5. 7.3.5 External P-Channel Drive (GC2) and Reverse-Battery Protection
      6. 7.3.6 Undervoltage Lockout and Overvoltage Protection
      7. 7.3.7 Thermal Protection
    4. 7.4 Device Functional Modes
  8. Application and Implementation
    1. 8.1 Application Information
    2. 8.2 Typical Applications
      1. 8.2.1 Application Example 1
        1. 8.2.1.1 Design Requirements
        2. 8.2.1.2 Detailed Design Procedure
          1. 8.2.1.2.1  Boost Component Selection
          2. 8.2.1.2.2  Boost Maximum Input Current IIN_MAX
          3. 8.2.1.2.3  Boost Inductor Selection, L
          4. 8.2.1.2.4  Inductor Ripple Current, IRIPPLE
          5. 8.2.1.2.5  Peak Current in Low-Side FET, IPEAK
          6. 8.2.1.2.6  Right Half-Plane Zero RHP Frequency, fRHP
          7. 8.2.1.2.7  Output Capacitor, CO
          8. 8.2.1.2.8  Bandwidth of Boost Converter, fC
          9. 8.2.1.2.9  Output Ripple Voltage Due to Load Transients, ∆VO
          10. 8.2.1.2.10 Selection of Components for Type II Compensation
          11. 8.2.1.2.11 Input Capacitor, CIN
          12. 8.2.1.2.12 Output Schottky Diode D1 Selection
          13. 8.2.1.2.13 Low-Side MOSFET (BOT_SW3)
          14. 8.2.1.2.14 BuckA Component Selection
            1. 8.2.1.2.14.1 Minimum On-Time, tON min
            2. 8.2.1.2.14.2 Current-Sense Resistor RSENSE
          15. 8.2.1.2.15 Inductor Selection L
          16. 8.2.1.2.16 Inductor Ripple Current IRIPPLE
          17. 8.2.1.2.17 Output Capacitor COUT
          18. 8.2.1.2.18 Bandwidth of Buck Converter fC
          19. 8.2.1.2.19 Selection of Components for Type II Compensation
          20. 8.2.1.2.20 Resistor Divider Selection for Setting VOUTA Voltage
          21. 8.2.1.2.21 BuckB Component Selection
          22. 8.2.1.2.22 Resistor Divider Selection for Setting VO Voltage
          23. 8.2.1.2.23 BuckX High-Side and Low-Side N-Channel MOSFETs
        3. 8.2.1.3 Application Curves
      2. 8.2.2 Application Example 2
        1. 8.2.2.1 Design Requirements
        2. 8.2.2.2 Detailed Design Procedure
          1. 8.2.2.2.1 Component Proposals
  9. Power Supply Recommendations
  10. 10Layout
    1. 10.1 Layout Guidelines
      1. 10.1.1 Boost Converter
      2. 10.1.2 Buck Converter
      3. 10.1.3 Other Considerations
    2. 10.2 Layout Example
    3. 10.3 Power Dissipation Derating Profile, 38-Pin HTTSOP PowerPAD Package
  11. 11Device and Documentation Support
    1. 11.1 Receiving Notification of Documentation Updates
    2. 11.2 Community Resources
    3. 11.3 Trademarks
    4. 11.4 Electrostatic Discharge Caution
    5. 11.5 Glossary
  12. 12Mechanical, Packaging, and Orderable Information

封装选项

机械数据 (封装 | 引脚)
散热焊盘机械数据 (封装 | 引脚)
订购信息

10 Layout

10.1 Layout Guidelines

This section lists the grounding and PCB circuit layout considerations.

10.1.1 Boost Converter

  1. The path formed from the input capacitor to the inductor and BOT_SW3 with the low-side current-sense resistor should have short leads and PC trace lengths. The same applies for the trace from the inductor to Schottky diode D1 to the COUT1 capacitor. Connect the negative terminal of the input capacitor and the negative terminal of the sense resistor together with short trace lengths.
  2. The overcurrent-sensing shunt resistor may require noise filtering, and the filter capacitor should be close to the IC pin.

10.1.2 Buck Converter

  1. Connect the drain of TOP_SW1 and TOP_SW2 together with the positive terminal of input capacitor COUT1. The trace length between these terminals should be short.
  2. Connect a local decoupling capacitor between the drain of TOP_SWx and the source of BOT_SWx.
  3. The Kelvin-current sensing for the shunt resistor should have traces with minimum spacing, routed in parallel with each other. Place any filtering capacitors for noise near the IC pins.
  4. The resistor divider for sensing the output voltage connects between the positive terminal of its respective output capacitor and COUTA or COUTB and the IC signal ground. Do not locate these components and their traces near any switching nodes or high-current traces.

10.1.3 Other Considerations

  1. Short PGNDx and AGND to the thermal pad. Use a star ground configuration if connecting to a non-ground plane system. Use tie-ins for the EXTSUP capacitor, compensation-network ground, and voltage-sense feedback ground networks to this star ground.
  2. Connect a compensation network between the compensation pins and IC signal ground. Connect the oscillator resistor (frequency setting) between the RT pin and IC signal ground. Do not locate these sensitive circuits near the dV/dt nodes; these include the gate-drive outputs, phase pins, and boost circuits (bootstrap).
  3. Reduce the surface area of the high-current-carrying loops to a minimum by ensuring optimal component placement. Locate the bypass capacitors as close as possible to their respective power and ground pins.

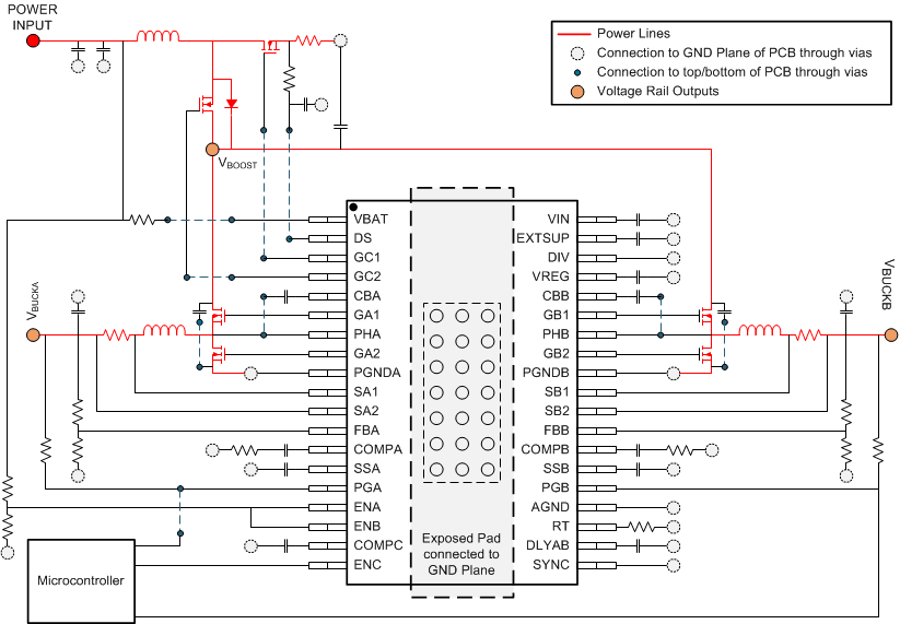
10.2 Layout Example

TPS43333-Q1 appexample3_lvsa82.gif Figure 31. Layout Guidelines Highlighting Critical Paths
TPS43333-Q1 layout_design_recommendations_slvsav6.gif Figure 32. Layout Example and Recommendations

10.3 Power Dissipation Derating Profile, 38-Pin HTTSOP PowerPAD Package

TPS43333-Q1 appinfo_pwrdiss_lvsa82.gif Figure 33. Derating Profile for Power Dissipation Based on High-K JEDEC PCB