ZHCSHG6O April   1998  – March 2025 TPS3820 , TPS3823 , TPS3824 , TPS3825 , TPS3828

PRODUCTION DATA  

  1.   1
  2. 特性
  3. 应用
  4. 说明
  5. 器件比较表
  6. 引脚配置和功能
  7. 规格
    1. 6.1  绝对最大额定值
    2. 6.2  ESD 等级
    3. 6.3  建议运行条件
    4. 6.4  热性能信息
    5. 6.5  电气特性
    6. 6.6  仅适用于 TPS3823A-33 的电气特性
    7. 6.7  时序要求
    8. 6.8  开关特性
    9. 6.9  时序图
    10. 6.10 典型特性
  8. 详细说明
    1. 7.1 概述
    2. 7.2 功能方框图
    3. 7.3 特性说明
      1. 7.3.1 手动复位 (MR)
      2. 7.3.2 高电平有效或低电平有效输出
      3. 7.3.3 推挽或开漏输出
      4. 7.3.4 看门狗计时器 (WDI)
    4. 7.4 器件功能模式
  9. 应用和实现
    1. 8.1 应用信息
    2. 8.2 典型应用
      1. 8.2.1 具有看门狗超时和 200ms 延迟的电源轨监控
        1. 8.2.1.1 设计要求
        2. 8.2.1.2 详细设计过程
        3. 8.2.1.3 应用曲线
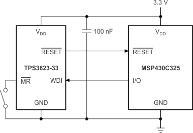
      2. 8.2.2 复位事件期间 WDI 去耦
        1. 8.2.2.1 设计要求
        2. 8.2.2.2 详细设计过程
        3. 8.2.2.3 应用曲线
    3. 8.3 电源相关建议
    4. 8.4 布局
      1. 8.4.1 布局指南
      2. 8.4.2 布局示例
  10. 器件和文档支持
    1. 9.1 器件支持
      1. 9.1.1 开发支持
        1. 9.1.1.1 Spice 模型
      2. 9.1.2 器件命名规则
    2. 9.2 文档支持
      1. 9.2.1 相关文档
    3. 9.3 接收文档更新通知
    4. 9.4 支持资源
    5. 9.5 商标
    6. 9.6 静电放电警告
    7. 9.7 术语表
  11. 10修订历史记录
  12. 11机械、封装和可订购信息

封装选项

机械数据 (封装 | 引脚)
散热焊盘机械数据 (封装 | 引脚)
订购信息

说明

TPS382x 系列监控器主要为 DSP 以及基于处理器的系统提供电路初始化和计时监控等功能。上电期间,当电源电压 VDD 变得高于 1.1V 时,RESET 将置为有效。此后,只要 VDD 保持低于阈值电压 (VIT−),电源电压监控器就会监测 VDD 并使 RESET 保持低电平有效。内部计时器将使输出延迟恢复至待机状态(高电平),以确保系统正常复位。延时时间 td 始于 VDD 上升至高于阈值电压 (VIT− + VHYS) 之后。当电源电压降到阈值电压 VIT− 以下时,输出再次变为有效状态(低电平)。无需外部组件。该系列中的所有器件均具有一个通过内部分压器设定的固定检测阈值电压 VIT–。TPS382x 系列还提供 200ms (TPS3820) 和 1.6s(TPS3823、TPS3824 和 TPS3828)的看门狗超时选项。

器件型号 封装(1) 本体尺寸(标称值)(2)
TPS382x SOT-23 (5) 2.90mm × 1.60mm
如需了解所有可用封装,请参阅数据表末尾的可订购产品附录。
封装尺寸(长 × 宽)为标称值,并包括引脚(如适用)。
TPS3820 TPS3823 TPS3824 TPS3825 TPS3828 典型应用原理图典型应用原理图
TPS3820 TPS3823 TPS3824 TPS3825 TPS3828 标准化输入阈值电压与自然通风条件下温度间的关系标准化输入阈值电压与自然通风条件下温度间的关系