SBVS103D April 2008 – December 2014 TPS3808-EP
PRODUCTION DATA.
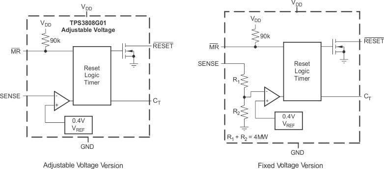
The TPS3808 microprocessor supervisory product family is designed to assert a RESET signal when either the SENSE pin voltage drops below VIT or the manual reset (MR) is driven low. The RESET output remains asserted for a user-adjustable time after both the manual reset (MR) and SENSE voltages return above the respective thresholds.

A broad range of voltage threshold and reset delay time adjustments are available for the TPS3808 device, allowing these devices to be used in a wide array of applications. Reset threshold voltages can be factory-set from 0.82 V to 3.3 V or from 4.4 V to 5.0 V, while the TPS3808G01 can be set to any voltage above 0.405 V using an external resistor divider. Two preset delay times are also user-selectable: connecting the CT pin to VDD results in a 300 ms reset delay, while leaving the CT pin open yields a 20-ms reset delay. In addition, connecting a capacitor between CT and GND allows the designer to select any reset delay period from 1.25 ms to 10 s.
The TPS3808 has two functional modes: