ZHCSGZ0B October   2017  – November 2017 TPS23525

PRODUCTION DATA.  

  1. 特性
  2. 应用
  3. 说明
    1.     Device Images
      1.      简化电路原理图
  4. 修订历史记录
  5. Pin Configuration and Functions
    1.     Pin Functions
  6. Specifications
    1. 6.1 Absolute Maximum Ratings
    2. 6.2 ESD Ratings
    3. 6.3 Recommended Operating Conditions
    4. 6.4 Thermal Information
    5. 6.5 Electrical Characteristics
    6. 6.6 Switching Characteristics
    7. 6.7 Typical Characteristics
  7. Parameter Measurement Information
    1. 7.1 Relationship between Sense Voltage, Gate Current, and Timer
  8. Detailed Description
    1. 8.1 Overview
    2. 8.2 Functional Block Diagram
    3. 8.3 Feature Description
      1. 8.3.1 Current Limit
        1. 8.3.1.1 Programming the CL Switch-Over Threshold
        2. 8.3.1.2 Programming CL1
        3. 8.3.1.3 Programming CL2
        4. 8.3.1.4 Computing the Fast Trip Threshold
      2. 8.3.2 Soft Start Disconnect
      3. 8.3.3 Timer
      4. 8.3.4 OR-ing
    4. 8.4 Device Functional Modes
      1. 8.4.1 OFF State
      2. 8.4.2 Insertion Delay State
      3. 8.4.3 Start-up State
      4. 8.4.4 Normal Operation State
  9. Application and Implementation
    1. 9.1 Application Information
    2. 9.2 Typical Application
      1. 9.2.1 Design Requirements
      2. 9.2.2 Detailed Design Procedure
        1. 9.2.2.1  Selecting RSNS
        2. 9.2.2.2  Selecting Soft Start Setting: CSS and CSS,VEE
        3. 9.2.2.3  Selecting VDS Switch Over Threshold
        4. 9.2.2.4  Timer Selection
        5. 9.2.2.5  MOSFET Selection and SOA Checks
        6. 9.2.2.6  Input Cap, Input TVS, and OR-ing FET selection
        7. 9.2.2.7  EMI Filter Consideration
        8. 9.2.2.8  Under Voltage and Over Voltage Settings
        9. 9.2.2.9  Choosing RVCC and CVCC
        10. 9.2.2.10 Power Good Interface to Downstream DC/DC
      3. 9.2.3 Application Curves
  10. 10Power Supply Recommendations
  11. 11Layout
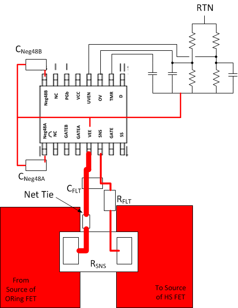
    1. 11.1 Layout Guidelines
    2. 11.2 Layout Example
  12. 12器件和文档支持
    1. 12.1 器件支持
      1. 12.1.1 第三方产品免责声明
    2. 12.2 文档支持
      1. 12.2.1 相关文档
    3. 12.3 接收文档更新通知
    4. 12.4 社区资源
    5. 12.5 商标
    6. 12.6 静电放电警告
    7. 12.7 Glossary
  13. 13机械、封装和可订购信息

封装选项

机械数据 (封装 | 引脚)
散热焊盘机械数据 (封装 | 引脚)
订购信息

Layout Example

TPS23525 slvsdf9_TPS23525_LayoutExample.pngFigure 57. Layout Example