ZHCSP18A November   2021  – June 2022 TPS22953-Q1 , TPS22954-Q1

PRODUCTION DATA  

  1. 特性
  2. 应用
  3. 说明
  4. Revision History
  5. Device Comparison Table
  6. Pin Configuration and Functions
  7. Specifications
    1. 7.1  Absolute Maximum Ratings
    2. 7.2  ESD Ratings
    3.     Recommended Operating Conditions
    4. 7.3  Thermal Information
    5. 7.4  Electrical Characteristics
    6. 7.5  Electrical Characteristics – VBIAS = 5 V
    7. 7.6  Electrical Characteristics – VBIAS = 3.3 V
    8. 7.7  Electrical Characteristics – VBIAS = 2.5 V
    9. 7.8  Switching Characteristics – CT = 1000 pF
    10. 7.9  Switching Characteristics – CT = 0 pF
    11. 7.10 Typical DC Characteristics
    12. 7.11 Typical Switching Characteristics
  8. Parameter Measurement Information
  9. Detailed Description
    1. 9.1 Overview
    2. 9.2 Functional Block Diagram
    3. 9.3 Feature Description
      1. 9.3.1  On and Off Control (EN Pin)
      2. 9.3.2  Voltage Monitoring (SNS Pin)
      3. 9.3.3  Power Good (PG Pin)
      4. 9.3.4  Supervisor Fault Detection and Automatic Restart
      5. 9.3.5  Manual Restart
      6. 9.3.6  Thermal Shutdown
      7. 9.3.7  Reverse Current Blocking (TPS22953-Q1 Only)
      8. 9.3.8  Quick Output Discharge (QOD) (TPS22954-Q1 Only)
      9. 9.3.9  VIN and VBIAS Voltage Range
      10. 9.3.10 Adjustable Rise Time (CT Pin)
      11. 9.3.11 Power Sequencing
    4. 9.4 Device Functional Modes
  10. 10Application and Implementation
    1. 10.1 Application Information
      1. 10.1.1 Input to Output Voltage Drop
      2. 10.1.2 Thermal Considerations
      3. 10.1.3 Automatic Power Sequencing
      4. 10.1.4 Monitoring a Downstream Voltage
      5. 10.1.5 Monitoring the Input Voltage
      6. 10.1.6 Break-Before-Make Power MUX (TPS22953-Q1 Only)
      7. 10.1.7 Make-Before-Break Power MUX (TPS22953-Q1 Only)
    2. 10.2 Typical Application
      1. 10.2.1 Design Requirements
      2. 10.2.2 Detailed Design Procedure
        1. 10.2.2.1 Inrush Current
      3. 10.2.3 Application Curves
  11. 11Power Supply Recommendations
  12. 12Layout
    1. 12.1 Layout Guidelines
    2. 12.2 Layout Example
  13. 13Device and Documentation Support
    1. 13.1 Documentation Support
      1. 13.1.1 Related Documentation
    2. 13.2 接收文档更新通知
    3. 13.3 支持资源
    4. 13.4 Trademarks
    5. 13.5 Electrostatic Discharge Caution
    6. 13.6 术语表
  14. 14Mechanical, Packaging, and Orderable Information

封装选项

机械数据 (封装 | 引脚)
散热焊盘机械数据 (封装 | 引脚)
订购信息

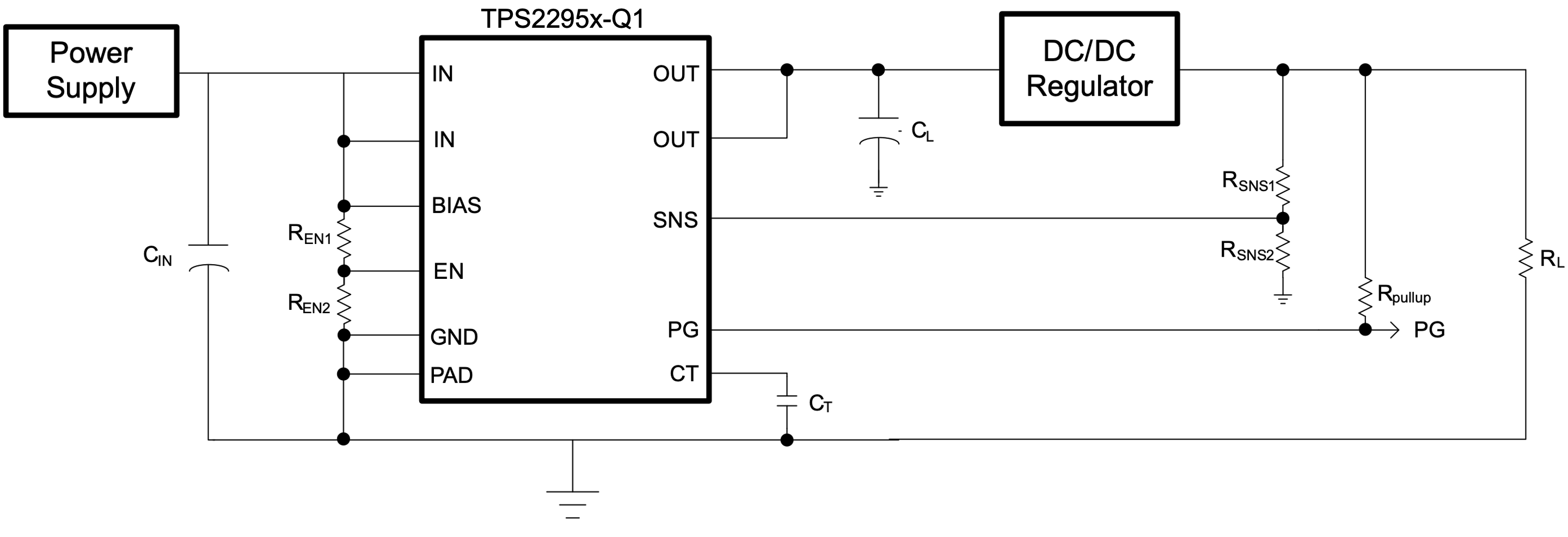
Monitoring a Downstream Voltage

The SNS pin can be used to monitor other system voltages in addition to VOUT. The status of the monitored voltage are indicated by the PG pin which can be pulled up to VOUT or another voltage. Figure 10-2 shows an example of the TPS2295x-Q1 monitoring the output of a downstream DC/DC regulator. In this case, the switch turns on when the power supply is above the UVLO, but the PG is not asserted until the DC/DC regulator has started up.

GUID-20211110-SS0I-WDZQ-NQMZ-WDJHVPZ7LRQG-low.pngFigure 10-2 Monitoring a Downstream Voltage Schematic

In this application, if the DC/DC Regulator is shut down, the supervisor registers this as a fault case and resets the load switch.