ZHCSDD8D October   2014  – December 2019 TPS1H100-Q1

PRODUCTION DATA.  

  1. 特性
  2. 应用
  3. 说明
    1.     Device Images
      1.      典型应用原理图
  4. 修订历史记录
  5. Pin Configuration and Functions
    1.     Pin Functions
  6. Specifications
    1. 6.1 Absolute Maximum Ratings
    2. 6.2 ESD Ratings
    3. 6.3 Recommended Operating Conditions
    4. 6.4 Thermal Information
    5. 6.5 Electrical Characteristics
    6. 6.6 Timing Requirements – Current Sense Characteristics
    7. 6.7 Switching Characteristics
    8. 6.8 Typical Characteristics
  7. Detailed Description
    1. 7.1 Overview
    2. 7.2 Functional Block Diagram
    3. 7.3 Feature Description
      1. 7.3.1 Accurate Current Sense
      2. 7.3.2 Programmable Current Limit
      3. 7.3.3 Inductive-Load Switching-Off Clamp
      4. 7.3.4 Full Protections and Diagnostics
        1. 7.3.4.1  Short-to-GND and Overload Detection
        2. 7.3.4.2  Open-Load Detection
        3. 7.3.4.3  Short-to-Battery Detection
        4. 7.3.4.4  Reverse-Polarity Detection
        5. 7.3.4.5  Thermal Protection Behavior
        6. 7.3.4.6  UVLO Protection
        7. 7.3.4.7  Loss of GND Protection
        8. 7.3.4.8  Loss of Power Supply Protection
        9. 7.3.4.9  Reverse Current Protection
        10. 7.3.4.10 Protection for MCU I/Os
      5. 7.3.5 Diagnostic Enable Function
    4. 7.4 Device Functional Modes
      1. 7.4.1 Working Mode
  8. Application and Implementation
    1. 8.1 Application Information
    2. 8.2 Typical Application
      1. 8.2.1 Design Requirements
      2. 8.2.2 Detailed Design Procedure
        1. 8.2.2.1 Distinguishing of Different Fault Modes
        2. 8.2.2.2 AEC Q100-012 Test Grade A Certification
        3. 8.2.2.3 EMC Transient Disturbances Test
      3. 8.2.3 Application Curves
  9. Power Supply Recommendations
  10. 10Layout
    1. 10.1 Layout Guidelines
    2. 10.2 Layout Example
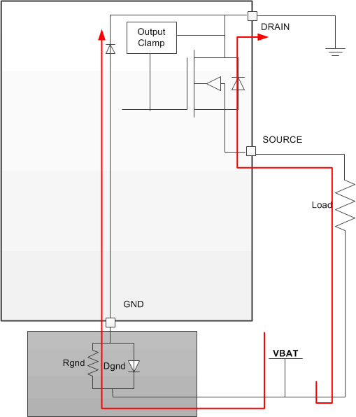
      1. 10.2.1 Without a GND Network
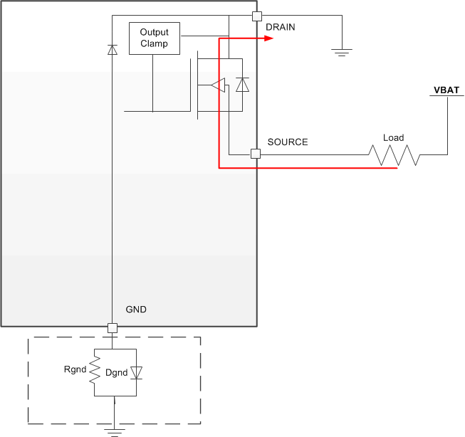
      2. 10.2.2 With a GND Network
    3. 10.3 Thermal Considerations
  11. 11器件和文档支持
    1. 11.1 接收文档更新通知
    2. 11.2 社区资源
    3. 11.3 商标
    4. 11.4 静电放电警告
    5. 11.5 Glossary
  12. 12机械、封装和可订购信息

封装选项

机械数据 (封装 | 引脚)
散热焊盘机械数据 (封装 | 引脚)
订购信息

Switching Characteristics

VVS = 13.5 V, Rload = 10 Ω, over operating free-air temperature range (unless otherwise noted)(1)
PARAMETER TEST CONDITIONS MIN TYP MAX UNIT
td,ON Turn-on delay time IN rising edge to VOUT = 10%, DIAG_EN high 20 50 µs
td,OFF Turn-off delay time IN falling edge to VOUT = 90%, DIAG_EN high 20 50 µs
dV/dtON Slew rate on VOUT = 10% to 90%, DIAG_EN high 0.1 0.5 V/µs
dV/dtOFF Slew rate off VOUT = 90% to 10%, DIAG_EN high 0.1 0.5 V/µs
Slew rate on and off matching –0.15 0.15 V/µs
Value specified by design, not subject to production test.
TPS1H100-Q1 tim_switch_char_lvscm2.gifFigure 5. Switching Characteristics Diagram
TPS1H100-Q1 test_cond_Irev1_lvscm2.gifFigure 6. Irev1 Test Condition
TPS1H100-Q1 test_cond_Irev2_lvscm2.gifFigure 7. Irev2 Test Condition