ZHCSEG2 December   2015 TPIC2040

PRODUCTION DATA.  

  1. 特性
  2. 应用
  3. 说明
  4. 修订历史记录
  5. 说明(续)
  6. Pin Configuration and Functions
  7. Specifications
    1. 7.1  Absolute Maximum Ratings
    2. 7.2  ESD Ratings
    3. 7.3  Recommended Operating Conditions
    4. 7.4  Thermal Information
    5. 7.5  Electrical Characteristics - Common Part
    6. 7.6  Electrical Characteristics - Charge Pump
    7. 7.7  Electrical Characteristics - LDO Pre Driver Part
    8. 7.8  Electrical Characteristics - Spindle Motor Driver Part
    9. 7.9  Electrical Characteristics - Sled Motor Driver Part
    10. 7.10 Electrical Characteristics - Focus/ Tilt/Tracking/Driver Part
    11. 7.11 Electrical Characteristics - Load Driver Part
    12. 7.12 Electrical Characteristics - Current Switch Part
    13. 7.13 Electrical Characteristics - Actuator Protection
    14. 7.14 Electrical Characteristics - Serial Port Voltage Levels
    15. 7.15 Serial Port I/F Write Timing Requirements
    16. 7.16 Serial I/F Read Timing Requirements
    17. 7.17 Typical Characteristics
  8. Detailed Description
    1. 8.1 Overview
    2. 8.2 Functional Block Diagram
    3. 8.3 Feature Description
      1. 8.3.1 Protect Function
        1. 8.3.1.1 Undervoltage Lockout (UVLO)
        2. 8.3.1.2 Overvoltage Protection (OVP)
        3. 8.3.1.3 Overcurrent Protection (OCP)
          1. 8.3.1.3.1 OCP for Load Driver
          2. 8.3.1.3.2 OCP for CSW
        4. 8.3.1.4 Thermal Protection (TSD)
        5. 8.3.1.5 Actuator Temperature Protection (ACTTIMER)
    4. 8.4 Device Functional Modes
      1. 8.4.1 Power-on Reset (POR)
        1. 8.4.1.1 Power-Up Sequences
        2. 8.4.1.2 XRESET
      2. 8.4.2 XMUTE
    5. 8.5 Programming
      1. 8.5.1 Serial Port Functional Description
      2. 8.5.2 Write Operation
      3. 8.5.3 Read Operation
      4. 8.5.4 Write and Read Operation
    6. 8.6 Register Maps
      1. 8.6.1 Register State Transition
      2. 8.6.2 DAC Register (12-Bit Write Only)
      3. 8.6.3 Control Register
      4. 8.6.4 Detailed Description of Registers
        1. 8.6.4.1  REG01 12bit DAC for Tilt (VDAC_MAPSW = 0)
        2. 8.6.4.2  REG02 12bit DAC for Focus (VDAC_MAPSW = 0)
        3. 8.6.4.3  REG03 12bit DAC for Tracking (VDAC_MAPSW = 0)
        4. 8.6.4.4  REG04 10bit DAC for Sled1 (VDAC_MAPSW = 0)
        5. 8.6.4.5  REG05 10bit DAC for Sled2 (VDAC_MAPSW = 0)
        6. 8.6.4.6  REG08 12bit DAC for Spindle (VDAC_MAPSW = 0)
        7. 8.6.4.7  REG09 12bit DAC for Load (VDAC_MAPSW = 0)
        8. 8.6.4.8  REG6A 8-Bit Control Register for CSW_OCP (REG6A)
        9. 8.6.4.9  REG6C 8-Bit Control Register for Parm1 (REG6C)
        10. 8.6.4.10 REG6F 8-Bit Control Register for MonitorSet (REG6F)
        11. 8.6.4.11 REG70 8-Bit Control Register for DriverEna (REG70)
        12. 8.6.4.12 REG71 8-Bit Control Register for FuncEna (REG71)
        13. 8.6.4.13 REG72 8-Bit Control Register for ACTCfg (REG72)
        14. 8.6.4.14 REG73 8-Bit Control Register for Parm0 (REG73)
        15. 8.6.4.15 REG74 8-Bit Control Register for OptSet (REG74)
        16. 8.6.4.16 REG75 8-Bit Control Register for TSD_TUP (REG75)
        17. 8.6.4.17 REG76 8-Bit Control Register for WriteEna (REG76)
        18. 8.6.4.18 REG77 8-Bit Control Register for ClrReg (REG77)
        19. 8.6.4.19 REG78 8-Bit Control Register for ActTemp (REG78)
        20. 8.6.4.20 REG79 8-Bit Control Register for UVLOMon (REG79)
        21. 8.6.4.21 REG7A 8-Bit Control Register for TsdMon (REG7A)
        22. 8.6.4.22 REG7B 8-Bit Control Register for ProtMon (REG7B)
        23. 8.6.4.23 REG7E 8-Bit Control Register for Version (REG7E)
        24. 8.6.4.24 REG7F 8-Bit Control Register for Status (REG7F)
  9. Application and Implementation
    1. 9.1 Application Information
      1. 9.1.1  DAC Type
      2. 9.1.2  Example of 12-Bit DAC Sampling Rate for FCS/TRK/TLT
      3. 9.1.3  Digital Input Coding
      4. 9.1.4  Example Timing of Target Control System
      5. 9.1.5  Spindle Motor Driver Part
        1. 9.1.5.1 Spindle PWM Control
        2. 9.1.5.2 Auto Short Brake Function
        3. 9.1.5.3 Spindle Low-Speed Mode
        4. 9.1.5.4 Spindle Driver Current Limit Circuit
      6. 9.1.6  Sled Driver Part
        1. 9.1.6.1 Sled Channel Input versus Output PWM Duty
        2. 9.1.6.2 Sled End Detect Function
      7. 9.1.7  Load Driver Part
      8. 9.1.8  Focus/Track/Tilt Driver Part
        1. 9.1.8.1 Differential Tilt Mode
      9. 9.1.9  9-V LDO
      10. 9.1.10 Monitor Signal on GPOUT
    2. 9.2 Typical Application
      1. 9.2.1 Design Requirements
      2. 9.2.2 Detailed Design Procedure
      3. 9.2.3 Application Curves
  10. 10Power Supply Recommendations
  11. 11Layout
    1. 11.1 Layout Guidelines
    2. 11.2 Layout Example
  12. 12器件和文档支持
    1. 12.1 器件支持
      1. 12.1.1 Third-Party Products Disclaimer
    2. 12.2 社区资源
    3. 12.3 商标
    4. 12.4 静电放电警告
    5. 12.5 Glossary
  13. 13机械、封装和可订购信息

封装选项

机械数据 (封装 | 引脚)
散热焊盘机械数据 (封装 | 引脚)
订购信息

8 Detailed Description

8.1 Overview

TPIC2040 is low noise type motor driver IC suitable for 5V optical disk drives. The 7-channel driver IC controlled by serial I/F is optimum for driving a spindle motor, a sled motor (stepping motor applicable), a load motor, and Focus / Tracking / Tilt actuators. This IC’s integrated current sense resistance to measure SPM current reduces drive system cost in drastically. The spindle motor driver part uses integrated sensorless logic to attain very low-noise operation during startup and runtime. By using BEMF feedback, external sensors, such as a Hall device, are not needed to carry out self-starting by the starting circuit or perform position detection. By using the efficient PWM drivers, low-power operation can be achieved by controlling the PWM outputs. Dead zone less control is possible for a Focus / Tracking / Tilt actuator driver. In addition, the spindle part output current limiting circuit, the thermal shut down circuit, and the sled end-detection circuit offer protection for all actuators and motors.

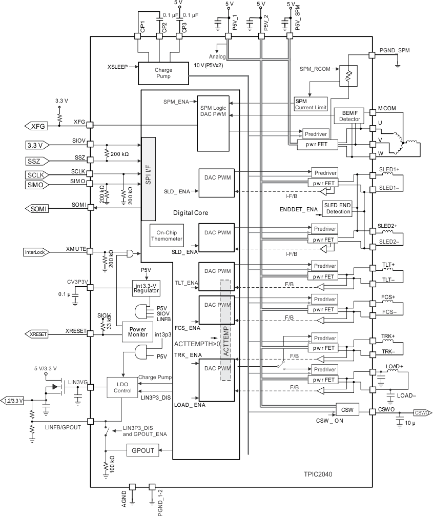
8.2 Functional Block Diagram

TPIC2040 bd_lis172.gif

8.3 Feature Description

8.3.1 Protect Function

TPIC2040 has five protection features, undervoltage lockout (UVLO), over voltage protection (OVP), short circuit protection (SCP), thermal protection (TSD), and actuator temperature protection (ACTTIMER) in order to protect target equipment. A protect behavior differ by generated events.

8.3.1.1 Undervoltage Lockout (UVLO)

Power Faults are reported in the UVLOMon register. Each UVLOMon bit will be initialized to zero upon a cold power up.

After a fault is detected the appropriate fault bit will be latched high. Writing to the RST_ERRFLG (REG77) will clear all UVLOMon bits. The power device faults and actions are summarized in Table 1.

Table 1. Power Fault Monitor

FAULT TYPE LATCHED REGISTER XRESET CRITERIA SPM ACTUATOR LDO PRE DRIVER
P5V under voltage UVLO_P5V Yes <3.5 V Hi-Z Hi-Z Hi-Z
internal 3.3V under voltage UVLO_INT3P3 Yes <2.5 V Hi-Z Hi-Z Hi-Z
LINFB under voltage UVLO_1P2V Yes <0.93 V Hi-Z Hi-Z (13-ms timeout then 120-ms Hi-Z)
SIOV under voltage UVLO_SIOV Yes <2.5 V Hi-Z Hi-Z
P5V over voltage OVP_P5V >6.2 V Brake
>6.5 V Hi-Z Hi-Z

8.3.1.2 Overvoltage Protection (OVP)

Over voltage protect function is aimed to protect the unit from the supplying hi-voltage.

When the supply voltage exceeds 6.5 V, all driver output goes Hi-Z. When the supply voltage falls below typical 6.2 V, (6.0 V for SPM) all output start to operate again. The OVP and POR (XRESET) function is not interlocking.

Moreover, when power supply exceeds 6.2 V, especially SPM enter short brake mode. This operation is offered supposing a voltage rising by motor BEMF of the high velocity revolution.

This function is for insurance, so it cannot assure that the device is safety in the condition. Because the absolute maximum ratings range of the supply voltage is 6 V. When this function works, the feedback terminals are not shorted to GND.

Figure 5 shows the behavior of over voltage protection.

TPIC2040 over_voltage_protection_lis172.gif Figure 5. Overvoltage Protection

8.3.1.3 Overcurrent Protection (OCP)

The over current protect function serve to protect the device from break down by large current. The OCP is provided for four circuit blocks, and each threshold are on Table 2.

Table 2. OCP Threshold

BLOCK DETECTION CURRENT MONITOR TIME PROTECTION TIME LATCHED FLAG
Load driver 1 channel continue 100% duty 800 ms Forever OCP_LOAD
Load driver 0.5 channel 240 mA/425 mA 800 ms Forever OCP_LOAD
CSW driver 500, 750, 1000 mA 20 µs 1.6 ms OCP_CSW

When the large current is detected on each block, device put the output FET to Hi-Z.

The amounts of currents and time have specified the detection threshold for every circuit block.

When OCP occurs, it returns automatically after expiring set Hi-Z period.

OCPERR (REG7F) and OCP flag (REG7B) are set at OCP detection.

8.3.1.3.1 OCP for Load Driver

TPIC2040 OCP_load_1ch_lis172.gif Figure 6. Overcurrent Protection Load 1 Channel
TPIC2040 OCP_load_0p5ch_lis172.gif Figure 7. Overcurrent Protection Load 0.5 Channel

8.3.1.3.2 OCP for CSW

TPIC2040 OCP_current_switch_lis172.gif Figure 8. Overcurrent Protection Current Switch

SCP function always monitors the output voltage of high-side and low-side FET of output driver, and when the setting voltage is not outputted, it recognizes as SCP and changed output Hi-Z. It returns to the original state automatically 1.6 ms after.

Table 3. SCP Condition

BLOCK FUNCTION DETECTION CONDITION DETECT TIME HI-Z HOLD TIME
SPM driver SCP Monitor driver output voltage
High-side FET output V = GND
Low-side FET output V = Supply V
0.8 to 1.6 µs 1.6 ms
Sled driver
Load driver
Actuator driver
TPIC2040 example__SCP_short_GND_lis172.gif Figure 9. Example of SCP (Driver Short to GND)

8.3.1.4 Thermal Protection (TSD)

The thermal protection (TSD) is a protection function which intercepts an output and suspends an operation when the IC temperature exceed a maximum permissible on a safety. TSD makes an output Hi-Z when the temperature rises up and a threshold value is exceeded. There are two levels for threshold Alert and Trip. An alarm is given by status register TSD_FAULT_ on Alert level with 135°C. It continues rising up temperature, the register TSD_ is set at 150°C and the driver output changes HI-Z. If temperature falls and is reached 135°C, it will output again.

TPIC2040 has total 10 temperature sensors in each circuit block. Particular sensor is assigned to appropriate status flag in Table 4.

Table 4. Thermal Sensor Assignment

CIRCUIT ALERT (°C) TRIP (°C) RELEASE (°C) ALERT FLAG TRIP FLAG
U 135 150 135 TSD_FAULT_SPM TSD_SPM
V 135 150 135 TSD_FAULT_SPM TSD_SPM
W 135 150 135 TSD_FAULT_SPM TSD_SPM
TLT 135 150 135 TSD_FAULT_ACT TSD_ACT
FCS 135 150 135 TSD_FAULT_ACT TSD_ACT
TRK 135 150 135 TSD_FAULT_ACT TSD_ACT
SLED1 135 150 135 TSD_FAULT_ACT TSD_ACT
SLED2 135 150 135 TSD_FAULT_ACT TSD_ACT
LOAD 135 150 135 TSD_FAULT_ACT TSD_ACT
CSW 135 150 135 TSD_FAULT_ACT TSD_ACT

8.3.1.5 Actuator Temperature Protection (ACTTIMER)

TPIC2040 has Actuator protect function named ACTTIMER. This function enables to avoid from being broken by setting actuator channel output to HIZ when actuator coil current exceeds the specific value. Up to now, be used a simple actuator protect function such like exceeding max current with continuous time. However these types were not accurate. This new protection enables to calculate heat accumulation and judge correctly. When this function operates, and load channel output will be Hi-Z, too. And spindle channel will be forced Auto short brake and disc motor will stop.

It is able to know the protection has occurred by checking Fault register ACTTIMER_FAULT (REG7F) and ACT_TIMER_PROT (REG78). ACTTIMER_FAULT has a character of advance notice, is set before detecting ACT_TIMER_PROT. Once an ACT_TIMER_PROT is set, even if temperature falls, it will not release protection automatically. It is necessary to clear the flag by setting RST_ERR_FLAG (REG77) or setting 0 to ACTTEMPTH (REG72). ACTTIMER function is able to disable by setting H to ACTPROT_OFF (REG72) or setting 0 to ACTTEMPTH (REG72).

In order to acquire the optimal value for ACTTEMPTH, you should set device into the condition of the detection level, and reading the value of ACTTEMP. Because of the present value can be read from ACTTEMP (REG78). (1)

(1) The ACTTEMP data is updated on Register in ACTPROT_OFF = 0 and ACTTEMPTH > 0.
TPIC2040 actuator_temp_protect_lis172.gif Figure 10. Actuator Temperature Protections

8.4 Device Functional Modes

8.4.1 Power-on Reset (POR)

8.4.1.1 Power-Up Sequences

In TPIC2040, the normal sequence is to wait for 5-V supply to come up to 2.2 V. After 5 V establish, the internal 3.3 V will start and wait until stabilize. Now the voltage monitors start to work and begin to look for the LDO output. When LINFB pin over 0.98 V with SIOV over 2.6 V, the power up sequence finishes and the part starts to function. Once the part finishes all of its power up tasks, it takes XRESET high to indicate that the part is no longer in reset and ready to communicate to the outside world. Figure 11 is example of power-up sequence which is set 3.3-V LDO output and output is used for SIOV supply.

TPIC2040 POR_enable_LDO_lis172.gif Figure 11. POR (Enable LDO)
TPIC2040 POR_disable_LDO_lis172.gif Figure 12. POR (Disable LDO)

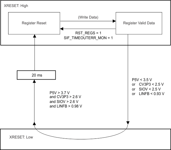
8.4.1.2 XRESET

TPIC2040 is preparing XRESET pin in order to notify an own status to DSP. TPIC2040 set XRESET to L when the event which has a serious effect on DSP occurs such like the power failure, the over temperature. If all the exception is removed, it will tell that XRESET pin would be set to H and it would be in the ready state. The POR (Power on reset) condition is shown in Figure 23 POR block diagram. All the behavior of XRESET is shown in Figure 14.

TPIC2040 POR_block_diagram_lis172.gif Figure 13. POR Block Diagram
TPIC2040 XRESET_behavior_lis172.gif Figure 14. XRESET Behavior

8.4.2 XMUTE

This IC has XMUTE pin which had fail-safe function in preparation for unexpected operation.

If XMUTE signal is inputted during operation, all the outputs will be suspended and the danger will be avoided.

TPIC2040 will turn off all enable bits, actuator (TLT_ENA/FCS_ENA/TRK_ENA), SPM_ENA, SLD_ENA, LOAD_ENA and CSW_ON when XMUTE input change to L. LOAD_ENA bit will be disabled only when LOAD_05CH = 1. Also log this event to error latch flag XMUTE_DETECT (REG79) and PWRERR (REG7F).

On the other hand, if it is set as XMUTE_NORST (REG7F) = 1, change of XMUTE will not influence to enable bits.

8.5 Programming

8.5.1 Serial Port Functional Description

The serial communication of TPIC2040 is based on a SPI communications protocol. TPIC2040 is put on the slave side.

All 16-bit transmission data is effective in SSZ = L period.

The bit stream sent through SIMO from a master (DSP) is latched to an internal shift register by the rising edge of SCLK. All the data is transmitted in a total of 16-bit format of a command and data. A format has two types of data, 8 bits and 12 bits length. In order to access specific registers, an address and R/W flag are specified as a command part. In addition, 12-bit data do not have R/W flag in the packet because DAC register (= 12-bit data form) are Write only. A transfer packet, command and data, is transmitted sequentially from MSB to LSB. A packet is distinguished in MSB 2 bits of command. In the case of 11, it handles a packet for control register access, and the other processed as a packet for a DAC data setting.

There are the following four kinds of serial-data communication packets.

  1. Write 12 bits DAC data (MSB two bit ≠ 11)
  2. Write 8 bits control register (MSB two bit = 11)
  3. Read 8 bits control register (MSB two bit = 11)
  4. Write 12 bits Focus DAC data+Read 8 bits status register at the same time (MSB two bit ≠ 11)

8.5.2 Write Operation

For write operation, DSP transmits 16 bit (command + address + data) data a bit every in an order from MSB.

Only the 16-bit data which means 16 SCLK sent from the master during SSZ = L becomes effective. If more than 17 or less than 15 SCLK pulses are received during the time that SSZ is low, the whole packet will be ignored. For all valid write operations, the data of the shift register is latched into its designated internal register at rising edge of 16th SCLK. All internal register bits, except indicated otherwise, are reset to their default states upon power-on-reset.

TPIC2040 write_12bits_DAC_lis172.gif Figure 15. Write 12-Bits DAC Data
TPIC2040 write_8bits_contl_reg_lis172.gif Figure 16. Write 8-Bits Control Register

8.5.3 Read Operation

DSP sends 8-bit header through SIMO, in order to perform Read operation. TPIC2040 will start to drive the SOMI line upon the eighth falling edge of SCLK and shift out eight data bits. The master DSP inputs 8bits data from SOMI after the ninth rising edge of SCLK. There is optional read mode that SOMI data is advanced a half clock cycle of SCLK. This mode becomes effective by setting ADVANCE_RD (REG74) = H.

TPIC2040 read_8bits_contl_reg_lis172.gif Figure 17. Read 8-Bits Control Register

8.5.4 Write and Read Operation

Optionally, the master DSP can read Status register during writing 12 bits DAC (Focus DAC) packet. It is enabled by setting bit STATUS_ON_VFCS (REG74) = H.

TPIC2040 write_12bits_DAC_read_8bits_lis172.gif Figure 18. Write 12-Bits Focus DAC Data + Read 8-Bits Status Data

8.6 Register Maps

All registers are in WRITE-protect mode after XRESET release. WRITE_ENA bit (REG76) = H is required before writing data in register.

8.6.1 Register State Transition

TPIC2040 reg_state_trans_chart_lis172.gif Figure 19. Register State Transition Chart

Two difference forms are prepared in 12-bit DAC register, and the forms can be selected by setting VDAC_MAPSW (REG74h).

Table 5. DAC Register (VDAC_MAPSW = 0)

REG NAME F 11 10 9 8 7 6 5 4 3 2 1 0
00h N/A W N/A N/A N/A
01h VTLT W VTLT[11] VTLT[10] VTLT[9] VTLT[8] VTLT[7] VTLT[6] VTLT[5] VTLT[4] VTLT[3] VTLT[2] VTLT[1] VTLT[0]
02h VFCS W VFCS[11] VFCS[10] VFCS[9] VFCS[8] VFCS[7] VFCS[6] VFCS[5] VFCS[4] VFCS[3] VFCS[2] VFCS[1] VFCS[0]
03h VTRK W VTRK[11] VTRK[10] VTRK[9] VTRK[8] VTRK[7] VTRK[6] VTRK[5] VTRK[4] VTRK[3] VTRK[2] VTRK[1] VTRK[0]
04h VSLD1 W VSLD1[11] VSLD1[10] VSLD1[9] VSLD1[8] VSLD1[7] VSLD1[6] VSLD1[5] VSLD1[4] VSLD1[3] VSLD1[2] *VSLD1[1] *VSLD1[0]
05h VSLD2 W VSLD2[11] VSLD2[10] VSLD2[9] VSLD2[8] VSLD2[7] VSLD2[6] VSLD2[5] VSLD2[4] VSLD2[3] VSLD2[2] *VSLD2[1] *VSLD2[0]
06h N/A W N/A N/A N/A
07h N/A W N/A N/A N/A
08h VSPM W VSPM[11] VSPM[10] VSPM[9] VSPM[8] VSPM[7] VSPM[6] VSPM[5] VSPM[4] VSPM[3] VSPM[2] VSPM[1] VSPM[0]
09h VLOAD W VLOAD[11] VLOAD[10] VLOAD[9] VLOAD[8] VLOAD[7] VLOAD[6] VLOAD[5] VLOAD[4] VLOAD[3] VLOAD[2] VLOAD[1] VLOAD[0]
0Ah N/A W N/A N/A N/A
0Bh N/A W N/A N/A N/A

8.6.2 DAC Register (12-Bit Write Only)

Table 6. DAC Register (VDAC_MAPSW = 1)

REG(1) NAME F 11 10 9 8 7 6 5 4 3 2 1 0
00h N/A W N/A N/A N/A
01h VTLT W VTRK[11] VTRK[10] VTRK[9] VTRK[8] VTRK[7] VTRK[6] VTRK[5] VTRK[4] VTRK[3] VTRK[2] VTRK[1] VTRK[0]
02h VFCS W VFCS[11] VFCS[10] VFCS[9] VFCS[8] VFCS[7] VFCS[6] VFCS[5] VFCS[4] VFCS[3] VFCS[2] VFCS[1] VFCS[0]
03h VTRK W VTLT[11] VTLT[10] VTLT[9] VTLT[8] VTLT[7] VTLT[6] VTLT[5] VTLT[4] VTLT[3] VTLT[2] VTLT[1] VTLT[0]
04h VSLD1 W VSLD1[11] VSLD1[10] VSLD1[9] VSLD1[8] VSLD1[7] VSLD1[6] VSLD1[5] VSLD1[4] VSLD1[3] VSLD1[2] *VSLD1[1] *VSLD1[0]
05h VSLD2 W VSLD2[11] VSLD2[10] VSLD2[9] VSLD2[8] VSLD2[7] VSLD2[6] VSLD2[5] VSLD2[4] VSLD2[3] VSLD2[2] *VSLD2[1] *VSLD2[0]
06h VSPM W VSPM[11] VSPM[10] VSPM[9] VSPM[8] VSPM[7] VSPM[6] VSPM[5] VSPM[4] VSPM[3] VSPM[2] VSPM[1] VSPM[0]
07h N/A W N/A N/A N/A
08h N/A W N/A N/A N/A
09h VLOAD W N/A VLOAD[11] VLOAD[10] VLOAD[9] VLOAD[8] VLOAD[7] VLOAD[6] VLOAD[5] VLOAD[4]
0Ah N/A W N/A N/A N/A
0Bh N/A W N/A N/A N/A
(1) TPIC2040 process as 0 even if set 1.

8.6.3 Control Register

Table 7. Control Register (8bit Read/Write)(1)

REG NAME F 7 6 5 4 3 2 1 0
70h DriverEna R/W TLT_ENA FCS_ENA TRK_ENA SPM_ENA SLD_ENA TI reserved LOAD_ENA XSLEEP
71h FuncEna R/W SPM_LSMODE ENDDET_ENA LIN3P3_DIS TI reserved CSW_ON XMUTE_NORST_CSW TI reserved
72h ACTCfg R/W LOAD_O5CH_HIGH LOADPROT_OFF ACTPROT_OFF ACTTEMPTH
73h Parm0 R/W SIF_TIMEOUT_TH SLEDEND_HZTIME SLDENDTH[1:0] SPM_RCOM_SEL XMUTE_NORST
74h OptSet R/W DIFF_TLT LOAD05_CH STATUS_ON_VFCS VSLD2_POL LOAD_OCP_IUP TI reserved SOMI_HIZ VDAC_MAPSW
75h Protect R/W TI reserved TSD_TUP
76h WriteEna R/W WRITE_ENABLE TI reserved
77h ClrReg W RST_INDAC RST_REGS RST_ERR_FLAG TI reserved
78h ActTemp R TI reserved ACT_TIMER_PROT ACTTEMP
79h UVLOMon R TI reserved XMUTE_DETECT UVLO_P5V UVLO_INT3P3 UVLO_SIOV UVLO_1P2V OVP_P5V
7Ah TsdMon R TI reserved TSD_FAULT_SPM TSD_FAULT_ACT TI reserved TSD_SPM TSD_ACT TI reserved
7Bh ProtMon R TI reserved OCP_LOAD TI reserved OCP_CSW SCP_SPM SCP_SLED SCP_LOAD SCP_ACT
7Ch Protect R TI reserved
7Dh Protect R TI reserved
7Eh Version R Version
7Fh Status R ACTTIMER_FAULT ENDDET SIF_TIMEOUTERR PWRERR TSDERR OCPSCPERR TSDFAULT FG
60h Protect R/W TI reserved
61h Protect R/W TI reserved
62h Protect R/W TI reserved
63h Protect R/W TI reserved
64h Protect R/W TI reserved
65h Protect R/W TI reserved
66h Protect R/W TI reserved
6Ah Protect R/W TI reserved CSW_OCP TI reserved
6Ch Parm1 R/W TI reserved EDET_DELAY SLDENDTH[2]
6Dh Protect R/W TI reserved
6Eh Protect R/W TI reserved
6Fh MonitorSet R/W ACTTIMER_FLT_MON ENDDET_MON SIF_TIMEOUTERR_MON PWRERR_MON TSDERR_MON OCPSCPERR_MON TSDFAULT_MON TI reserved
(1) VTRK and VLOAD is exclusive, using same DAC block

8.6.4 Detailed Description of Registers

8.6.4.1 REG01 12bit DAC for Tilt (VDAC_MAPSW = 0)

Figure 20. Tilt (REG01)
15 14 13 12 11 10 9 8
VTLT
w-0 w-0 w-0 w-0
7 6 5 4 3 2 1 0
VTLT
w-0 w-0 w-0 w-0 w-0 w-0 w-0 w-0
LEGEND: R/W = Read/Write; R = Read only; -n = value after reset

Table 8. TILT (REG01) Field Descriptions

Bit Field Type Default Description
11-0 VTLT w 0 Digital input code for Tilt.
2’s compliment format 0x800(-2048) to 0x7ff(+2047)
Output is changed by differential Tilt mode (REG74[7])
TLT_OUT = VTLT × (6.0 / 2048) (DIFF_TLT = 0)
TLT_OUT = (VFCS-VTLT) × (6.0 / 2048) (DIFF_TLT = 1)
TLT_OUT should be changed after writing VFCS.
In DIFF_TLT mode (DIFF_TLT = 1), TLT_OUT should be changed after writing VFCS.

8.6.4.2 REG02 12bit DAC for Focus (VDAC_MAPSW = 0)

Figure 21. Focus (REG02)
15 14 13 12 11 10 9 8
VFCS
w-0 w-0 w-0 w-0
7 6 5 4 3 2 1 0
VFCS
w-0 w-0 w-0 w-0 w-0 w-0 w-0 w-0
LEGEND: R/W = Read/Write; R = Read only; -n = value after reset

Table 9. Focus (REG02) Field Descriptions

Bit Field Type Default Description
11-0 VFCS w 0 Digital input code for Focus.
2’s compliment format 0x800(-2048) to 0x7ff(+2047)
Output is changed by differential Tilt mode (REG74[7])
FCS_OUT = VFCS × (6.0 / 2048) (DIFF_TLT = 0)
FCS_OUT = (VFCS + VTLT) × (6.0 / 2048) (DIFF_TLT=1)

8.6.4.3 REG03 12bit DAC for Tracking (VDAC_MAPSW = 0)

Figure 22. Tracking (REG03)
15 14 13 12 11 10 9 8
VTRK
w-0 w-0 w-0 w-0
7 6 5 4 3 2 1 0
VTRK
w-0 w-0 w-0 w-0 w-0 w-0 w-0 w-0
LEGEND: R/W = Read/Write; R = Read only; -n = value after reset

Table 10. Tracking (REG03) Field Descriptions

Bit Field Type Default Description
11-0 VTRK w 0 Digital input code for Tracking.
2’s compliment format 0x800(-2048) to 0x7ff(+2047)
TRK_OUT = VTRK × (6.0 / 2048)

8.6.4.4 REG04 10bit DAC for Sled1 (VDAC_MAPSW = 0)

Figure 23. Sled1 (REG04)
15 14 13 12 11 10 9 8
VSLD1
w-0 w-0 w-0 w-0
7 6 5 4 3 2 1 0
VSLD1
w-0 w-0 w-0 w-0 w-0 w-0 w-0 w-0
LEGEND: R/W = Read/Write; R = Read only; -n = value after reset

Table 11. Sled1 (REG04) Field Descriptions

Bit Field Type Default Description
11-2 VSLD1 w 0 Digital input code for Sled1.
2’s compliment format 0x800(-2048) to 0x7ff(+2047)
Two bits on LSB, VSLD1[1:0], will be handled with zero.
SLD1_OUT = VSLD1 × (440 mA / 2048)

8.6.4.5 REG05 10bit DAC for Sled2 (VDAC_MAPSW = 0)

Figure 24. Sled2 (REG05)
15 14 13 12 11 10 9 8
VSLD2
w-0 w-0 w-0 w-0
7 6 5 4 3 2 1 0
VSLD2
w-0 w-0 w-0 w-0 w-0 w-0 w-0 w-0
LEGEND: R/W = Read/Write; R = Read only; -n = value after reset

Table 12. Sled2 (REG05) Field Descriptions

Bit Field Type Default Description
11-2 VSLD2 w 0 Digital input code for Sled2.
2’s compliment format 0x800(-2048) to 0x7ff(+2047)
Two bits on LSB, VSLD2[1:0], will be handled with zero.
SLD2_OUT = VSLD2 × (440mA / 2048)

8.6.4.6 REG08 12bit DAC for Spindle (VDAC_MAPSW = 0)

Figure 25. Spindle (REG08)
15 14 13 12 11 10 9 8
VSPM
w-0 w-0 w-0 w-0
7 6 5 4 3 2 1 0
VSPM
w-0 w-0 w-0 w-0 w-0 w-0 w-0 w-0
LEGEND: R/W = Read/Write; R = Read only; -n = value after reset

Table 13. Spindle (REG08) Field Descriptions

Bit Field Type Default Description
11-0 VSPM w 0 Digital input code for Spindle.
2’s compliment format 0x800(-2048) to 0x7ff(+2047)
SPM_OUT = VSPM × (6.0 / 2048)

8.6.4.7 REG09 12bit DAC for Load (VDAC_MAPSW = 0)

Figure 26. Load (REG09)
15 14 13 12 11 10 9 8
VLOAD
w-0 w-0 w-0 w-0
7 6 5 4 3 2 1 0
VLOAD
w-0 w-0 w-0 w-0 w-0 w-0 w-0 w-0
LEGEND: R/W = Read/Write; R = Read only; -n = value after reset

Table 14. Load (REG09) Field Descriptions

Bit Field Type Default Description
11-0 VLOAD w 0 Digital input code for Load.
2’s compliment format 0x800(-2048) to 0x7ff(+2047)
LOAD_OUT = VLOAD × (6.0 / 2048)

8.6.4.8 REG6A 8-Bit Control Register for CSW_OCP (REG6A)

Figure 27. CSW_OCP (REG6A)
7 6 5 4 3 2 1 0
TI reserved CSW_OCP TI reserved
rw-0 rw-0 rw-0 rw-0 rw-0 rw-0 rw-0 rw-0
LEGEND: R/W = Read/Write; R = Read only; -n = value after reset

Table 15. CSW_OCP (REG6A) Field Descriptions

Bit Field Type Default Description
7-6 rw 0
5-4 CSW_OCP rw 0 CSW OCP current threshold selection
00: 0.5 A
01: 0.75 A
10: 1 A
11: OCP disable
3-0 TI reserved rw 0

8.6.4.9 REG6C 8-Bit Control Register for Parm1 (REG6C)

Figure 28. Parm1 (REG6C)
7 6 5 4 3 2 1 0
TI reserved EDET_DELAY TI reserved SLDENDTH[2]
rw-0 rw-0 rw-0 rw-0 rw-0 rw-0 rw-0 rw-0
LEGEND: R/W = Read/Write; R = Read only; -n = value after reset

Table 16. Parm1 (REG6C) Field Descriptions

Bit Field Type Default Description
7-5 TI reserved rw 0
4-3 EDET_DELAY rw 0 Timing parameter of detection window for sled end detection. (delay time / window width)
EDET_DELAY[1:0]
00: 0 ms/0.41 ms
01: 0.62 ms/0.20 ms
10: 0.93 ms/0.30 ms
11: 1.24 ms/0.41 ms
2-1 TI reserved rw 0
0 SLDENDTH[2] rw 0 Sled end detection sensibility setting. Detection threshold for motor BEMF
SLDENDTH[2:0]
000: 46 mV
010: 82 mV
011: 22 mV
100: 125 mV
101: 105 mV
111: 145 mV

8.6.4.10 REG6F 8-Bit Control Register for MonitorSet (REG6F)

Figure 29. MonitorSet (REG6F)
7 6 5 4 3 2 1 0
ACTTIMER_FLT_MON ENDDET_MON SIF_TIMEOUTERR_MON PWRERR_MON TSDERR_MON OCPERR_MON TSDFAULT_MON TI reserved
rw-0 rw-0 rw-0 rw-0 rw-0 rw-0 rw-0 rw-0
LEGEND: R/W = Read/Write; R = Read only; -n = value after reset

Table 17. MonitorSet (REG6F) Field Descriptions

Bit Field Type Default Description
7 ACTTIMER_FLT_MON rw 0 Assign signal to GPIO pin
1: ACTTIMER fault output to GPOUT pin
6 ENDDET_MON rw 0 Assign signal to GPIO pin
1: ENDDET monitor output to GPOUT pin
5 SIF_TIMEOUTERR_MON rw 0 Assign signal to GPIO pin
1: SIF timeout monitor output to GPOUT pin
4 PWRERR_MON rw 0 Assign signal to GPIO pin
1: PWRERR monitor output to GPOUT pin
3 TSDERR_MON rw 0 Assign signal to GPIO pin
1: TSDERR fault output to GPOUT pin
2 OCPERR_MON rw 0 Assign signal to GPIO pin
1: OCPERR fault output to GPOUT pin
1 TSDFAULT_MON rw 0 Assign signal to GPIO pin
1: TSDFAULT fault output to GPOUT pin
0 TI reserved rw 0

8.6.4.11 REG70 8-Bit Control Register for DriverEna (REG70)

Figure 30. DriverEna (REG70)
7 6 5 4 3 2 1 0
TLT_ENA FCS_ENA TRK_ENA SPM_ENA SLD_ENA TI reserved LOAD_ENA XSLEEP
rw-0 rw-0 rw-0 rw-0 rw-0 rw-0 rw-0 rw-0
LEGEND: R/W = Read/Write; R = Read only; -n = value after reset

Table 18. DriverEna (REG70) Field Descriptions

Bit Field Type Default Description
7 TLT_ENA rw 0 1 : Tilt enable (with XSLEEP=1)
It is reset when XMUTE changes to L.
6 FCS_ENA rw 0 1: Focus enable (with XSLEEP=1)
It is reset when XMUTE changes to L.
5 TRK_ENA rw 0 1: Track enable (with XSLEEP=1)
It is reset when XMUTE changes to L.
4 SPM_ENA rw 0 1: Spindle enable (with XSLEEP=1)
It is reset when XMUTE changes to L.
3 SLD_ENA rw 0 1: Sled enable (with XSLEEP=1)
It is reset when XMUTE changes to L.
1 LOAD_ENA rw 0 1 : LOAD enable (with XSLEEP=1)
Track (bit5:TRK_ENA) will be disabled at LOAD_ENA=1 because of sharing the DAC PWM module. Load priority is higher than TRK_ENA.
It is reset when XMUTE changes to L. (with LOAD_05CH=1)
0 XSLEEP rw 0 1: Operation mode 0 : Power save mode
Charge pump enable bit when LIN3P3_DIS is 1.
All driver enable bit (Bit[7:1]) change disabled and output change to Hi-Z (regardless of setting xxx_ENA bit is 1) when setting XSLEEP to 0. Therefore set 1 to XSLEEP before setting each enable bits.

8.6.4.12 REG71 8-Bit Control Register for FuncEna (REG71)

Figure 31. FuncEna (REG71)
7 6 5 4 3 2 1 0
SPM_LSMODE ENDDET_ENA LIN3P3_DIS TI reserved CSW_ON XMUTE_NORST_CSW TI reserved
rw-0 rw-0 rw-0 rw-0 rw-0 rw-0 rw-0 rw-0
LEGEND: R/W = Read/Write; R = Read only; -n = value after reset

Table 19. FuncEna (REG71) Field Descriptions

Bit Field Type Default Description
7 SPM_LSMODE rw 0 0 : Spindle Normal rotation mode
1 : Light Scribe mode (slow rotation mode)
6 ENDDET_ENA rw 0 1 : use Sled end detection enable ( with SLD_ENA=1)
5 LIN3P3_DIS rw 0 1 : disable LIN3P3 pre-driver control. This bit will be set 1 when using LINFB pin use for monitoring GPOUT signal. (with GPOUT_ENA) Also the setting one is able to reduce ICC
3 CSW_ON rw 0 1 : CSWO enable ( with XSLEEP=1)
It is reset when XMUTE changes to L
2 XMUTE_NORST_CSW rw 0 Reset option for CSW by XMUTE event
0: Reset CSW_ON bit register at XMUTE=L.
1: XMUTE status does not influence enable bit.
1-0 TI reserved rw 0

8.6.4.13 REG72 8-Bit Control Register for ACTCfg (REG72)

Figure 32. ACTCfg (REG72)
7 6 5 4 3 2 1 0
LOAD_O5CH_HIGH LOADPROT_OFF ACTPROT_OFF ACTTEMPTH
rw-0 rw-0 rw-0 rw-0 rw-0 rw-0 rw-0 rw-0
LEGEND: R/W = Read/Write; R = Read only; -n = value after reset

Table 20. ACTCfg (REG72) Field Descriptions

Bit Field Type Default Description
7 LOAD_05CH_HIGH rw 0 LOAD output polarity at 0.5CH ( REG74h[6]=1 )
0: LOADP = Low
1: LOADP = High
6 LOADPROT_OFF rw 0 1: Load overcurrent protection OFF
5 ACTPROT_OFF rw 0 0 : Actuator protection ON
1 : Actuator Fault monitor disable (No protection for ACT channel)
4-0 ACTTEMPTH rw 0 Actuator thermal protection (=ACT Timer) threshold level
ACT Timer Protection enable except ACTTEMPTH[4:0] = 0x00
ACTTEMPTH = 0x00 equal to ACTPROT_OFF = 1
By writing value 0x00, ACTTIMER_PROT flag is cleared.

8.6.4.14 REG73 8-Bit Control Register for Parm0 (REG73)

Figure 33. Parm0 (REG73)
7 6 5 4 3 2 1 0
SIF_TIMEOUT_TH SLEDEND_HZTIME SLDENDTH[1:0] SPM_RCOM_SEL XMUTE_NORST
rw-0 rw-0 rw-0 rw-0 rw-0 rw-0 rw-0 rw-0
LEGEND: R/W = Read/Write; R = Read only; -n = value after reset

Table 21. Parm0 (REG73) Field Descriptions

Bit Field Type Default Description
7-6 SIF_TIMEOUT_TH rw 0 Watch dog timer for Serial communication
0: disable 1: 1 ms 2: 100 µs 3: 10 µs
Set SIF_TIMEOUTERR (REG7F) if communication is suspended for this time period. XRESET processing will be performed if a SIF_TIMEOUTERR occurs.
5 SLEDEND_HZTIME rw 0 Time window for sled end detection.
0: 400 µs 1: 200 µs
Caution) Need to recycle ENDDET_ENA = 0 → 1 after writing this bit.
4-3 SLDENDTH[1:0] rw 0 Sled end detection sensibility setting. Detection threshold for motor BEMF
SLDENDTH[2:0]
000: 46 mV 010: 82 mV 011: 22 mV 100: 125 mV
101: 105 mV 111: 145 mV
2-1 SPM_RCOM_SEL rw 0 Select resistor value of spindle current sense resistor. Current limit is set as following current.
00: 890 mA; 01: 980 mA; 10: 725 mA; 11: 784 mA
0 XMUTE_NORST rw 0 Reset driver enable bit (XXX_ENA) register at XMUTE = L.
0: Reset enable bit at XMUTE = L
1: XMUTE status does not influence enable bit.

8.6.4.15 REG74 8-Bit Control Register for OptSet (REG74)

Figure 34. OptSet (REG74)
7 6 5 4 3 2 1 0
DIFF_TLT LOAD_05CH RDSTAT_ON_VFCS VSLD2_POL LOAD_OCP_IUP TI reserved SOMI_HIZ VDAC_MAPSW
rw-0 rw-0 rw-0 rw-0 rw-0 rw-0 rw-0 rw-0
LEGEND: R/W = Read/Write; R = Read only; -n = value after reset

Table 22. OptSet (REG74) Field Descriptions

Bit Field Type Default Description
7 DIFF_TLT rw 0 1 : Differential Tilt mode enable (with TLT_ENA = FCS_ENA = 1)
Differential Tilt mode (DIFF_TLT = 1), DAC value setting as follows
FCS_OUT = (VFCS + VTLT) × 6 / 2048
TLT_OUT = (VFCS – VTLT) × 6 / 2048
In DIFF_TLT mode (DIFF_TLT = 1), TLT_OUT should be changed after writing VFCS.
6 LOAD_05CH rw 0 The setting of Load motor driving type. Load output changes as follow
0: Step down mode (LOAD output is controlled by DAC code, VLOAD)
Use for Slot-in model or step down tray model.
1: 0.5-channel mode (LOAD is only controlled by LOAD_05CH_HIGH)
Use for Tray model
5 RDSTAT_ON_VFCS rw 0 Set Read status data (REG7F) at VFCS write command (REG02)
1: Enable Write and Read mode
(Write 12-bits Focus DAC data + Read 8-bits status data)
4 VSLD2_POL rw 0 change direction of SLED rotation
3 LOAD_OCP_IUP rw 0 Select overcurrent protection (OCP) threshold for Load channel current
0: 250 mA
1: 425 mA
1 SOMI_HIZ rw 0 0: SOMI line High-Z at bus idling time.
1: SOMI line Pull Down at bus idling time.
0 VDAC_MAPSW rw 0 Selection of DAC register channel assignments (REG01~09)

8.6.4.16 REG75 8-Bit Control Register for TSD_TUP (REG75)

Figure 35. TSD_TUP (REG75)
7 6 5 4 3 2 1 0
TI reserved TSD_TUP
rw-0 rw-0 rw-0 rw-0 rw-0 rw-0 rw-0 rw-0
LEGEND: R/W = Read/Write; R = Read only; -n = value after reset

Table 23. TSD_TUP (REG75) Field Descriptions

Bit Field Type Default Description
7-1 TI reserved rw 0
0 TSD_TUP rw 0 TSD temperature threshold selection (Fault/Error)
0: 135/150°C
1: 155/170°C

8.6.4.17 REG76 8-Bit Control Register for WriteEna (REG76)

Figure 36. WriteEna (REG76)
7 6 5 4 3 2 1 0
WRITE_ENABLE TI reserved
rw-0 rw-0 rw-0 rw-0 rw-0 rw-0 rw-0 rw-0
LEGEND: R/W = Read/Write; R = Read only; -n = value after reset

Table 24. WriteEna (REG76) Field Descriptions

Bit Field Type Default Description
7 WRITE_ENABLE rw 0 0: Register Write disable except REG76
1: Able to write all RW and W register
6-0 TI reserved rw 0

8.6.4.18 REG77 8-Bit Control Register for ClrReg (REG77)

Figure 37. ClrReg (REG77)
7 6 5 4 3 2 1 0
RST_INDAC RST_REGS RST_ERR_FLAG TI reserved
w-0 w-0 w-0 w-0 w-0 w-0 w-0 w-0
LEGEND: R/W = Read/Write; R = Read only; -n = value after reset

Table 25. ClrReg (REG77) Field Descriptions

Bit Field Type Default Description
7 RST_INDAC w 0 1 : Reset all 12-bit input DAC register (REG01~0B)
Self clear bit
6 RST_REGS w 0 1 : Reset all 8-bit R/W Registers (REG70h~77h, 60h-6Fh)
Self clear bit
5 RST_ERR_FLAG w 0 1 : Reset Fault Flag Latch (REG7F[5:1], REG79~REG7B)
Self clear bit
4-0 TI reserved w 0

8.6.4.19 REG78 8-Bit Control Register for ActTemp (REG78)

Figure 38. ActTemp (REG78)
7 6 5 4 3 2 1 0
TI reserved ACT_TIMER_PROT ACTTEMP
r-0 r-0 r-0 r-0 r-0 r-0 r-0 r-0
LEGEND: R/W = Read/Write; R = Read only; -n = value after reset

Table 26. ActTemp (REG78) Field Descriptions

Bit Field Type Default Description
7-6 TI reserved r 0
5 ACT_TIMER_PROT r 0 ACT timer protection flag
1: ACT Timer Protection has detected and latched.
(ACTTEMP > ACTTEMPTH)
This bit holds data after temperature change to low since this is a latch bit. Also driver output keep Hi-Z until setting RST_ERR_FLAG or ACTTEMPTH = 0.
4-0 ACTTEMP r 0 An integrated value of ACT_TIMER counters at present.

8.6.4.20 REG79 8-Bit Control Register for UVLOMon (REG79)

Figure 39. UVLOMon (REG79)
7 6 5 4 3 2 1 0
TI reserved XMUTE_DETECT UVLO_P5V UVLO_INT3P3 UVLO_SIOV UVLO_1P2V OVP_P5V
w-0 w-0 w-0 w-0 w-0 w-0 w-0 w-0
LEGEND: R/W = Read/Write; R = Read only; -n = value after reset

Table 27. UVLOMon (REG79) Field Descriptions

Bit Field Type Default Description
7-6 TI reserved r 0
5 XMUTE_DETECT r 0 XMUTE flag for detection low input. (>20 µs)(1)
4 UVLO_P5V r 0 UVLO flag for detection low P5V supply(1)
3 UVLO_INT3P3 r 0 UVLO flag for detection low internal 3.3-V regulator(1)
2 UVLO_SIOV r 0 UVLO flag for detection low SIOV(1)
1 UVLO_1P2V r 0 UVLO flag for detection low LINFB(1)
No detection in LIN3P3_DIS = 1
0 OVP_P5V r 0 Overvoltage protection flag for P5Vsply(1)
(1) Latched 1 st event only. Cleared by RST_ERR_FLG (REG77)

8.6.4.21 REG7A 8-Bit Control Register for TsdMon (REG7A)

Figure 40. TsdMon (REG7A)
7 6 5 4 3 2 1 0
TI reserved TSD_FAULT_SPM TSD_FAULT_ACT TI reserved TSD_SPM TSD_ACT TI reserved
r-0 r-0 r-0 r-0 r-0 r-0 r-0 r-0
LEGEND: R/W = Read/Write; R = Read only; -n = value after reset

Table 28. TsdMon (REG7A) Field Descriptions

Bit Field Type Default Description
7 TI reserved r 0
6 TSD_FAULT_SPM r 0 Pre alert of thermal protection of Spindle block(1)
5 TSD_FAULT_ACT r 0 Pre alert of thermal protection of Focus /Track /Tilt Sled1 /Sled2 / /Load /CSW(1)
4-3 TI reserved r 0
2 TSD_SPM r 0 Thermal protection flag for Spindle (1)
SPM output Hi-Z until temperature falls on release level
1: Detect (latch)
1 TSD_ACT r 0 Thermal protection flag for Focus /Track /Tilt Sled1 /Sled2 /Load/CSW(1)
Actuator output Hi-Z until temperature falls on release level
1: Detect (latch)
0 TI reserved r 0
(1) Cleared by RST_ERR_FLAG bit (REG77)

8.6.4.22 REG7B 8-Bit Control Register for ProtMon (REG7B)

Figure 41. ProtMon (REG7B)
7 6 5 4 3 2 1 0
TI reserved OCP_LOAD TI reserved OCP_CSW SCP_SPM SCP_SLED SCP_LOAD SCP_ACT
r-0 r-0 r-0 r-0 r-0 r-0 r-0 r-0
LEGEND: R/W = Read/Write; R = Read only; -n = value after reset

Table 29. ProtMon (REG7B) Field Descriptions

Bit Field Type Default Description
7 TI reserved r 0
6 OCP_LOAD r 0 Overcurrent protection flag bit for Load channel.(1)
4 OCP_CSW r 0 Overcurrent protection flag bit for CSW channel.(1)
3 SCP_SPM r 0 Short-circuit protection flag bit for spindle channel.(1)
2 SCP_SLED r 0 Short-circuit protection flag bit for sled channel.(1)
1 SCP_LOAD r 0 Short-circuit protection flag bit for load channel.(1)
0 SCP_ACT r 0 Short-circuit protection flag bit for Fcs/Trk/Tilt channel.(1)
(1) Cleared by RST_ERR_FLAG bit (REG77)

8.6.4.23 REG7E 8-Bit Control Register for Version (REG7E)

Figure 42. Version (REG7E)
7 6 5 4 3 2 1 0
Version
r-0 r-0 r-0 r-0 r-0 r-0 r-0 r-0
LEGEND: R/W = Read/Write; R = Read only; -n = value after reset

Table 30. Version (REG7E) Field Descriptions

Bit Field Type Default Description
7-0 Version X Version[7:4] = revision number of TPIC2040
Version[3:0] = option

8.6.4.24 REG7F 8-Bit Control Register for Status (REG7F)

Figure 43. Status (REG7F)
7 6 5 4 3 2 1 0
ACTTIMER_
FAULT
ENDDET SIF_TIMEOUTERR PWRERR TSDERR OCPERR TSDFAULT FG
r-0 r-0 r-0 r-0 r-0 r-0 r-0 r-0
LEGEND: R/W = Read/Write; R = Read only; -n = value after reset

Table 31. Status (REG7F) Field Descriptions

Bit Field Type Default Description
7 ACTTIMER_FAULT r 0 Status flag of ACTTIMER protection
1: Pre alert of ACTTIMER protection. It is close to the threshold level. You can get current ACTTIMER value in REG78.
Both of this bit and ACT_TIMER_PROT (REG78) will be set when over the threshold.
6 ENDDET r 0 status flag of END detection
1: end position detected (not latch bit)
5 SIF_TIMEOUTERR r 0 error flag of serial I/F watch dog timer
1: SIF communication was interrupted, expired watch dog timer
4 PWRERR r 0 error flag of Power
1: Voltage problem occurred, details in REG79
3 TSDERR r 0 error flag of any over thermal protections
1: Dispatched thermal protection, details in REG7A
2 OCPERR r 0 error flag of any over current protection
1: Dispatched OCP, details in REG7Bh
1 TSDFAULT r 0 warning of TSD of any thermal protection
1: Detect pre thermal protection details in REG7A
0 FG r 0 FG signal. Spindle rotation pulse for speed monitor