ZHCSEG2 December   2015 TPIC2040

PRODUCTION DATA.  

  1. 特性
  2. 应用
  3. 说明
  4. 修订历史记录
  5. 说明(续)
  6. Pin Configuration and Functions
  7. Specifications
    1. 7.1  Absolute Maximum Ratings
    2. 7.2  ESD Ratings
    3. 7.3  Recommended Operating Conditions
    4. 7.4  Thermal Information
    5. 7.5  Electrical Characteristics - Common Part
    6. 7.6  Electrical Characteristics - Charge Pump
    7. 7.7  Electrical Characteristics - LDO Pre Driver Part
    8. 7.8  Electrical Characteristics - Spindle Motor Driver Part
    9. 7.9  Electrical Characteristics - Sled Motor Driver Part
    10. 7.10 Electrical Characteristics - Focus/ Tilt/Tracking/Driver Part
    11. 7.11 Electrical Characteristics - Load Driver Part
    12. 7.12 Electrical Characteristics - Current Switch Part
    13. 7.13 Electrical Characteristics - Actuator Protection
    14. 7.14 Electrical Characteristics - Serial Port Voltage Levels
    15. 7.15 Serial Port I/F Write Timing Requirements
    16. 7.16 Serial I/F Read Timing Requirements
    17. 7.17 Typical Characteristics
  8. Detailed Description
    1. 8.1 Overview
    2. 8.2 Functional Block Diagram
    3. 8.3 Feature Description
      1. 8.3.1 Protect Function
        1. 8.3.1.1 Undervoltage Lockout (UVLO)
        2. 8.3.1.2 Overvoltage Protection (OVP)
        3. 8.3.1.3 Overcurrent Protection (OCP)
          1. 8.3.1.3.1 OCP for Load Driver
          2. 8.3.1.3.2 OCP for CSW
        4. 8.3.1.4 Thermal Protection (TSD)
        5. 8.3.1.5 Actuator Temperature Protection (ACTTIMER)
    4. 8.4 Device Functional Modes
      1. 8.4.1 Power-on Reset (POR)
        1. 8.4.1.1 Power-Up Sequences
        2. 8.4.1.2 XRESET
      2. 8.4.2 XMUTE
    5. 8.5 Programming
      1. 8.5.1 Serial Port Functional Description
      2. 8.5.2 Write Operation
      3. 8.5.3 Read Operation
      4. 8.5.4 Write and Read Operation
    6. 8.6 Register Maps
      1. 8.6.1 Register State Transition
      2. 8.6.2 DAC Register (12-Bit Write Only)
      3. 8.6.3 Control Register
      4. 8.6.4 Detailed Description of Registers
        1. 8.6.4.1  REG01 12bit DAC for Tilt (VDAC_MAPSW = 0)
        2. 8.6.4.2  REG02 12bit DAC for Focus (VDAC_MAPSW = 0)
        3. 8.6.4.3  REG03 12bit DAC for Tracking (VDAC_MAPSW = 0)
        4. 8.6.4.4  REG04 10bit DAC for Sled1 (VDAC_MAPSW = 0)
        5. 8.6.4.5  REG05 10bit DAC for Sled2 (VDAC_MAPSW = 0)
        6. 8.6.4.6  REG08 12bit DAC for Spindle (VDAC_MAPSW = 0)
        7. 8.6.4.7  REG09 12bit DAC for Load (VDAC_MAPSW = 0)
        8. 8.6.4.8  REG6A 8-Bit Control Register for CSW_OCP (REG6A)
        9. 8.6.4.9  REG6C 8-Bit Control Register for Parm1 (REG6C)
        10. 8.6.4.10 REG6F 8-Bit Control Register for MonitorSet (REG6F)
        11. 8.6.4.11 REG70 8-Bit Control Register for DriverEna (REG70)
        12. 8.6.4.12 REG71 8-Bit Control Register for FuncEna (REG71)
        13. 8.6.4.13 REG72 8-Bit Control Register for ACTCfg (REG72)
        14. 8.6.4.14 REG73 8-Bit Control Register for Parm0 (REG73)
        15. 8.6.4.15 REG74 8-Bit Control Register for OptSet (REG74)
        16. 8.6.4.16 REG75 8-Bit Control Register for TSD_TUP (REG75)
        17. 8.6.4.17 REG76 8-Bit Control Register for WriteEna (REG76)
        18. 8.6.4.18 REG77 8-Bit Control Register for ClrReg (REG77)
        19. 8.6.4.19 REG78 8-Bit Control Register for ActTemp (REG78)
        20. 8.6.4.20 REG79 8-Bit Control Register for UVLOMon (REG79)
        21. 8.6.4.21 REG7A 8-Bit Control Register for TsdMon (REG7A)
        22. 8.6.4.22 REG7B 8-Bit Control Register for ProtMon (REG7B)
        23. 8.6.4.23 REG7E 8-Bit Control Register for Version (REG7E)
        24. 8.6.4.24 REG7F 8-Bit Control Register for Status (REG7F)
  9. Application and Implementation
    1. 9.1 Application Information
      1. 9.1.1  DAC Type
      2. 9.1.2  Example of 12-Bit DAC Sampling Rate for FCS/TRK/TLT
      3. 9.1.3  Digital Input Coding
      4. 9.1.4  Example Timing of Target Control System
      5. 9.1.5  Spindle Motor Driver Part
        1. 9.1.5.1 Spindle PWM Control
        2. 9.1.5.2 Auto Short Brake Function
        3. 9.1.5.3 Spindle Low-Speed Mode
        4. 9.1.5.4 Spindle Driver Current Limit Circuit
      6. 9.1.6  Sled Driver Part
        1. 9.1.6.1 Sled Channel Input versus Output PWM Duty
        2. 9.1.6.2 Sled End Detect Function
      7. 9.1.7  Load Driver Part
      8. 9.1.8  Focus/Track/Tilt Driver Part
        1. 9.1.8.1 Differential Tilt Mode
      9. 9.1.9  9-V LDO
      10. 9.1.10 Monitor Signal on GPOUT
    2. 9.2 Typical Application
      1. 9.2.1 Design Requirements
      2. 9.2.2 Detailed Design Procedure
      3. 9.2.3 Application Curves
  10. 10Power Supply Recommendations
  11. 11Layout
    1. 11.1 Layout Guidelines
    2. 11.2 Layout Example
  12. 12器件和文档支持
    1. 12.1 器件支持
      1. 12.1.1 Third-Party Products Disclaimer
    2. 12.2 社区资源
    3. 12.3 商标
    4. 12.4 静电放电警告
    5. 12.5 Glossary
  13. 13机械、封装和可订购信息

封装选项

机械数据 (封装 | 引脚)
散热焊盘机械数据 (封装 | 引脚)
订购信息

7 Specifications

7.1 Absolute Maximum Ratings

over operating free-air temperature range (unless otherwise noted) (1)
MIN MAX UNIT
+ 5 V supply voltage P5V, P5V_SPM 6 V
Spindle output peak voltage 7 V
Input/output voltage –0.3 VCC + 0.3 V V
Spindle output current 1.0 A
Spindle output peak current (PW ≦ 2 ms, Duty ≦ 30%) 2.5 A
Sled output peak current 0.8 A
Focus/tilt/tracking driver output peak current 1.5 A
Load driver output peak current 0.8 A
Power dissipation See Thermal Information
Operating temperature –20 75 °C
Tstg Storage temperature –50 150 °C
(1) Stresses beyond those listed under Absolute Maximum Ratings may cause permanent damage to the device. These are stress ratings only, which do not imply functional operation of the device at these or any other conditions beyond those indicated under Recommended Operating Conditions. Exposure to absolute-maximum-rated conditions for extended periods may affect device reliability.

7.2 ESD Ratings

VALUE UNIT
V(ESD) Electrostatic discharge Human-body model (HBM), per ANSI/ESDA/JEDEC JS-001(1) ±2000 V
Charged-device model (CDM), per JEDEC specification JESD22-C101(2) ±500
(1) JEDEC document JEP155 states that 500-V HBM allows safe manufacturing with a standard ESD control process.
(2) JEDEC document JEP157 states that 250-V CDM allows safe manufacturing with a standard ESD control process.

7.3 Recommended Operating Conditions

over operating free-air temperature range (unless otherwise noted)
MIN NOM MAX UNIT
P5V Operating supply voltage (apply for P5V) 4.5 5.0 5.5 V
VSIOV SIOV voltage 3.0 3.3 3.6 V
VSIFH XMUTE, SIMO, SSZ, SCLK pin H level input voltage range 2.2 SIOV + 0.2 V
VSIFL XMUTE, SIMO, SSZ, SCLK pin L level input voltage range –0.2 0.8 V
ISPMOA Spindle output average current (U, V, W total) 700 mA
ISPMO Spindle output current 700 mA
ISLDOA Sled output average current 400 mA
IACTOA Focus / tracking / tilt / loading output average current 400 mA
ICSWOA CSWO output average current 500 mA
Fck SCLK frequency 30 33.8688 35 MHz
TO Operating temperature –20 25 75 °C

7.4 Thermal Information

THERMAL METRIC(1) TPIC2040 UNIT
DBT (TSSOP)
38 PINS
RθJA Junction-to-ambient thermal resistance(2) 81.2 °C/W
RθJC(top) Junction-to-case (top) thermal resistance 27.2 °C/W
RθJB Junction-to-board thermal resistance 42.3 °C/W
ψJT Junction-to-top characterization parameter 1.7 °C/W
ψJB Junction-to-board characterization parameter 41.7 °C/W
RθJC(bot) Junction-to-case (bottom) thermal resistance N/A °C/W
(1) For more information about traditional and new thermal metrics, see the Semiconductor and IC Package Thermal Metrics application report, SPRA953.
(2) The JEDEC specification low K (1 s) board design used to derive this data.

7.5 Electrical Characteristics – Common Part

over recommended operating free-air temperature range (P5V ≈ 4.5 to 5.5 V, TA ≈ –20℃ to 75℃, unless otherwise noted)
PARAMETER TEST CONDITIONS MIN TYP MAX UNIT
ISTBY Stand by supply current LIN3P3_DIS = 1, XSLEEP = L 1.0 mA
VCV3 CV3P3 output voltage Iload = 25 mA 2.97 3.3 3.63 V
RXM XMUTE pulldown resistor 80 200 320
RXRST XRESET pullup resistor 13.2 33 52.8
VXRSTL XRESET low level output voltage SIOV = 3.3 V, IOL = –100 µA 0.3 V
TPOR Power-on reset delay 15 20 25 ms
RXFG XFG output resistor 100 200 300 Ω
VXFGH XFG high-level output voltage SIOV = 3.3 V, XSLEEP = 1,
IOH = 100 µA
SIOV – 0.3 V
VXFGL XFG low-level output voltage SIOV = 3.3 V, XSLEEP = 1,
IOL = –100 µA
0.3 V
RGPO GPOUT output resistor 100 200 300 Ω
VGPOH GPOUT high-level output voltage SIOV = 3.3 V, XSLEEP = 1,
GPOUT_ENA = 1,GPOUT_HL = 1, IOH = 100 µA
SIOV – 0.3 V
VGPOL GPOUT low-level output voltage SIOV = 3.3 V, XSLEEP = 1,
GPOUT_ENA = 1, GPOUT_HL = 0, IOH = 100 µA
0.3 V
tTSD Thermal protect on temperature Design specified value 135 150 165 ºC
hytTSD Thermal protect hysteresis temperature 5 15 25 ºC
Vonvcc P5V reset on voltage 3.3 3.5 3.7 V
Voffvcc P5V reset off voltage 3.5 3.7 3.9 V
Vhysvcc P5V reset voltage hysteresis 100 200 300 mV
VonCV3 CV3P3 reset on voltage 2.4 2.5 2.6 V
VoffCV3 CV3P3 reset off voltage 2.5 2.6 2.7 V
VonSIO SIOV reset on voltage 2.4 2.5 2.6 V
VoffSIO SIOV reset off voltage 2.5 2.6 2.7 V
VhysSIO SIOV reset voltage hysteresis 20 100 140 mV
VovpspmOn OVP detection voltage (spindle) (1) 5.9 6.2 6.4 V
VovpspmOff OVP release voltage (spindle) (1) 5.7 6.0 6.2 V
VovpSpmHys OVP voltage hysteresis (spindle) (1) 50 200 300 mV
VovpOn OVP detection voltage
(except spindle)(1)
6.2 6.5 6.7 V
VovpOff OVP release voltage
(except spindle)(1)
6.0 6.3 6.5 V
VovpHys OVP voltage hysteresis
(except spindle)(1)
50 200 300 mV
VonLinF LINFB reset on voltage 0.83 0.93 1.03 V
VoffLinF LINFB reset off voltage 0.88 0.98 1.08 V
VhysLINF LINFB reset voltage hysteresis 20 50 80 mV
(1) Those are value as protection functions only, and stress beyond those listed under Recommended Operating Conditions may cause permanent damage to the device.

7.6 Electrical Characteristics – Charge Pump

over recommended operating free-air temperature range (P5V ≈ 4.5 to 5.5 V, TA ≈ –20℃ to 75℃, unless otherwise noted)
PARAMETER TEST CONDITIONS MIN TYP MAX UNIT
FCHGP Frequency XSLEEP = 1 132.6 156 179.4 kHz
VCHGP Output voltage Ccp1 = Ccp3 = 0.1 µF
IO = –1 mA
7.76 9.7 11.64 V

7.7 Electrical Characteristics – LDO Pre Driver Part

over recommended operating free-air temperature range (P5V ≈ 4.5 to 5.5 V, TA ≈ –20℃ to 75℃, unless otherwise noted)
PARAMETER TEST CONDITIONS MIN TYP MAX UNIT
LINFB_Vth LINFB threshold voltage 1.175 1.215 1.255 V

7.8 Electrical Characteristics – Spindle Motor Driver Part

over recommended operating free-air temperature range (P5V ≈ 4.5 to 5.5 V, TA ≈ –20℃ to 75℃, unless otherwise noted)
PARAMETER TEST CONDITIONS MIN TYP MAX UNIT
RttlSPM Total output resistance
High side + low side(1)
IOUT = 0.5 A 0.37 0.7 Ω
ResSPM Resolution 12 bit
GnSPM Gain Magnification to 1.0 input 5.2 6.0 6.8 times
WidDZSPM Spindle dead band Forward 12h 52h 92h
Reverse –92h –52h –12h
WidDZSPMLS Spindle dead band (LS mode) –40h 0h 40h
SPMClim Current limit SPM_RCOM_SEL = 00 801 890 979 mA
SPM_RCOM_SEL = 01 882 980 1078 mA
SPM_RCOM_SEL = 10 652 725 798 mA
SPM_RCOM_SEL = 11 705 784 863 mA
(1) IncldRcs

7.9 Electrical Characteristics – Sled Motor Driver Part

over recommended operating free-air temperature range (P5V ≈ 4.5 to 5.5 V, TA ≈ –20℃ to 75℃, unless otherwise noted)
PARAMETER TEST CONDITIONS MIN TYP MAX UNIT
RttlSLD Total output resistance
High side + low side
IO = 0.5 A 0.9 1.3 Ω
ResSLD Resolution 10 bit
WidDZSLD Input dead band Forward 2h 1Fh 60h
Reverse –60h –1Fh –2h
GnSLD Sled current gain P5V = 5 V
RL = 10 Ω, 2.2 mH
VSLED = 7FFh
380 440 500 mA
VthEdetSLD END_DET BEMF threshold voltage SLEDENDTH<2:0> = 000 26 46 66 mV
SLEDENDTH<2:0> = 010 42 82 122 mV
SLEDENDTH<2:0> = 011 9 22 35 mV
SLEDENDTH<2:0> = 100 65 125 185 mV
SLEDENDTH<2:0> = 101 55 105 155 mV
SLEDENDTH<2:0> = 111 70 145 220 mV

7.10 Electrical Characteristics – Focus/ Tilt/Tracking/Driver Part

over recommended operating free-air temperature range (P5V ≈ 4.5 to 5.5 V, TA ≈ –20℃ to 75℃, unless otherwise noted)
PARAMETER TEST CONDITIONS MIN TYP MAX UNIT
RttlAct Total output resistance
High Side + Low Side
(Focus±, Track±, Tilt±)
IO = 0.5 A 0.9 1.3 Ω
ResACT Resolution 12 bit
VOfstACT Each channel output offset voltage DAC_code = 000h –20 0 20 mV
VOfstDACT Output offset voltage Focus and Tilt DIFF_TLT = 1 –50 0 50 mV
GnDAct Difference gain Focus and Tilt DIFF_TLT = 1 –1 0 1 db
GnAct Gain Magnification to 1.0 input 5.2 6 6.8 times

7.11 Electrical Characteristics – Load Driver Part

over recommended operating free-air temperature range (P5V ≈ 4.5 to 5.5 V, TA ≈ –20℃ to 75℃, unless otherwise noted)
PARAMETER TEST CONDITIONS MIN TYP MAX UNIT
RttlLOD Total output resistance
High side + low side
(Load±)
IO = 0.5 A 0.9 1.3 Ω
ResLOD Resolution 12 bit
GnLOD Gain Magnification to 1.0 input 5.2 6 6.8 times
WidDZLOD Dead band Forward 1Fh
Reverse –20h
TocpLOD Output 100% limit time LOAD_05CH = 0 0.64 0.8 0.96 s
IocpLOD Overcurrent protective level LOAD_05CH = 1 at Load_OCP_IUP = 0 120 240 400 mA
LOAD_05CH = 1 at Load_OCP_IUP = 1 215 430 645 mA
DlyocpLOD Overcurrent protection delay time LOAD_05CH = 1 0.64 0.8 0.96 s

7.12 Electrical Characteristics – Current Switch Part

over recommended operating free-air temperature range (P5V ≈ 4.5 to 5.5 V, TA ≈ –20℃ to 75℃, unless otherwise noted)
PARAMETER TEST CONDITIONS MIN TYP MAX UNIT
RdsCSW Rds(on) IO = 0.2 A 200 500
IlmtCSW Current limit threshold level CSW_OCP = 0 0.25 0.5 0.75 A
CSW_OCP = 1 0.375 0.75 1.125 A
CSW_OCP = 2 0.5 1.0 1.5 A
ThlCSW Protection hold time 1.47 1.6 2.0 ms

7.13 Electrical Characteristics – Actuator Protection

over recommended operating free-air temperature range (P5V ≈ 4.5 to 5.5 V, TA ≈ –20℃ to 75℃, unless otherwise noted)
PARAMETER TEST CONDITIONS MIN TYP MAX UNIT
TintACTTEMP Update cycle 21 26 31 ms

7.14 Electrical Characteristics – Serial Port Voltage Levels

over recommended operating free-air temperature range (P5V ≈ 4.5 to 5.5 V, TA ≈ –20℃ to 75℃, unless otherwise noted)
PARAMETER TEST CONDITIONS MIN TYP MAX UNIT
SOMI High-level output voltage, VOH IOH = 1 mA 80 %
SIOV
V
SOMI Low-level output voltage, VOL IOL = 1 mA 20%
SIOV
V
SIMO High-level input voltage, VIH 70%
SIOV
V
SIMO Low level input voltage, VIL 20%
SIOV
V
SIMO Input rise/fall time 10% 90% SIOV 3.5 ns
SOMI Output rise/fall time(1) Cload = 30 pF, 10% 90% SIOV 10 ns
SCLK Internal pulldown resistance 80 200 320
SIMO 80 200 320
SSZ Internal pullup resistance 80 200 320
(1) Specified by design

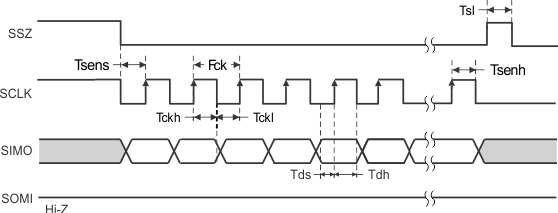
7.15 Serial Port I/F Write Timing Requirements

see (1)
MIN NOM MAX UNIT
Fck SCLK clock frequency SIOV = 3.3 V 35 MHz
tckl SCLK low time 11 ns
tckh SCLK high time 11 ns
tsens SSZ setup time 7 ns
tsenh SSZ hold time 7 ns
tsl SSZ disable high time 11 ns
tds SIMO setup time (Write) 7 ns
tdh SIMO hold time (Write) 7 ns
(1) Specified by design

7.16 Serial I/F Read Timing Requirements

MIN NOM MAX UNIT
Fck SCLK clock frequency SIOV = 3.3 V 35 MHz
tckl SCLK low time   11 ns
tckh SCLK high time   11 ns
tsens SSZ setup time   7 ns
tsenh SSZ hold time   7 ns
tsl SSZ disable high time   11 ns
tds SIMO setup time (Write)   7 ns
tdh SIMO hold time (Write)   7 ns
trdly SOMI delay time (Read) CLOAD = 10 pF, SIOV = 3.3 V 2 9 ns
tsendl SOMI hold time (Read) CLOAD = 10 pF, SIOV = 3.3 V 2 9 ns
trls SOMI release time (Read) CLOAD = 10 pF, SIOV = 3.3 V
From SSZ rise to SOMI HIZ
0 9 ns
TPIC2040 serial_port_write_timing_lis171.gif Figure 1. Serial Port Write Timing
TPIC2040 serial_port_read_timing_lis171.gif Figure 2. Serial Port Read Timings

7.17 Typical Characteristics

TPIC2040 D003_SLIS172.gif
Figure 3. DAC Code vs Duty Cycle for LOAD Outputs
TPIC2040 D004_SLIS172.gif
Figure 4. DAC Code vs Duty Cycle for TRK Outputs