ZHCSEG2 December   2015 TPIC2040

PRODUCTION DATA.  

  1. 特性
  2. 应用
  3. 说明
  4. 修订历史记录
  5. 说明(续)
  6. Pin Configuration and Functions
  7. Specifications
    1. 7.1  Absolute Maximum Ratings
    2. 7.2  ESD Ratings
    3. 7.3  Recommended Operating Conditions
    4. 7.4  Thermal Information
    5. 7.5  Electrical Characteristics - Common Part
    6. 7.6  Electrical Characteristics - Charge Pump
    7. 7.7  Electrical Characteristics - LDO Pre Driver Part
    8. 7.8  Electrical Characteristics - Spindle Motor Driver Part
    9. 7.9  Electrical Characteristics - Sled Motor Driver Part
    10. 7.10 Electrical Characteristics - Focus/ Tilt/Tracking/Driver Part
    11. 7.11 Electrical Characteristics - Load Driver Part
    12. 7.12 Electrical Characteristics - Current Switch Part
    13. 7.13 Electrical Characteristics - Actuator Protection
    14. 7.14 Electrical Characteristics - Serial Port Voltage Levels
    15. 7.15 Serial Port I/F Write Timing Requirements
    16. 7.16 Serial I/F Read Timing Requirements
    17. 7.17 Typical Characteristics
  8. Detailed Description
    1. 8.1 Overview
    2. 8.2 Functional Block Diagram
    3. 8.3 Feature Description
      1. 8.3.1 Protect Function
        1. 8.3.1.1 Undervoltage Lockout (UVLO)
        2. 8.3.1.2 Overvoltage Protection (OVP)
        3. 8.3.1.3 Overcurrent Protection (OCP)
          1. 8.3.1.3.1 OCP for Load Driver
          2. 8.3.1.3.2 OCP for CSW
        4. 8.3.1.4 Thermal Protection (TSD)
        5. 8.3.1.5 Actuator Temperature Protection (ACTTIMER)
    4. 8.4 Device Functional Modes
      1. 8.4.1 Power-on Reset (POR)
        1. 8.4.1.1 Power-Up Sequences
        2. 8.4.1.2 XRESET
      2. 8.4.2 XMUTE
    5. 8.5 Programming
      1. 8.5.1 Serial Port Functional Description
      2. 8.5.2 Write Operation
      3. 8.5.3 Read Operation
      4. 8.5.4 Write and Read Operation
    6. 8.6 Register Maps
      1. 8.6.1 Register State Transition
      2. 8.6.2 DAC Register (12-Bit Write Only)
      3. 8.6.3 Control Register
      4. 8.6.4 Detailed Description of Registers
        1. 8.6.4.1  REG01 12bit DAC for Tilt (VDAC_MAPSW = 0)
        2. 8.6.4.2  REG02 12bit DAC for Focus (VDAC_MAPSW = 0)
        3. 8.6.4.3  REG03 12bit DAC for Tracking (VDAC_MAPSW = 0)
        4. 8.6.4.4  REG04 10bit DAC for Sled1 (VDAC_MAPSW = 0)
        5. 8.6.4.5  REG05 10bit DAC for Sled2 (VDAC_MAPSW = 0)
        6. 8.6.4.6  REG08 12bit DAC for Spindle (VDAC_MAPSW = 0)
        7. 8.6.4.7  REG09 12bit DAC for Load (VDAC_MAPSW = 0)
        8. 8.6.4.8  REG6A 8-Bit Control Register for CSW_OCP (REG6A)
        9. 8.6.4.9  REG6C 8-Bit Control Register for Parm1 (REG6C)
        10. 8.6.4.10 REG6F 8-Bit Control Register for MonitorSet (REG6F)
        11. 8.6.4.11 REG70 8-Bit Control Register for DriverEna (REG70)
        12. 8.6.4.12 REG71 8-Bit Control Register for FuncEna (REG71)
        13. 8.6.4.13 REG72 8-Bit Control Register for ACTCfg (REG72)
        14. 8.6.4.14 REG73 8-Bit Control Register for Parm0 (REG73)
        15. 8.6.4.15 REG74 8-Bit Control Register for OptSet (REG74)
        16. 8.6.4.16 REG75 8-Bit Control Register for TSD_TUP (REG75)
        17. 8.6.4.17 REG76 8-Bit Control Register for WriteEna (REG76)
        18. 8.6.4.18 REG77 8-Bit Control Register for ClrReg (REG77)
        19. 8.6.4.19 REG78 8-Bit Control Register for ActTemp (REG78)
        20. 8.6.4.20 REG79 8-Bit Control Register for UVLOMon (REG79)
        21. 8.6.4.21 REG7A 8-Bit Control Register for TsdMon (REG7A)
        22. 8.6.4.22 REG7B 8-Bit Control Register for ProtMon (REG7B)
        23. 8.6.4.23 REG7E 8-Bit Control Register for Version (REG7E)
        24. 8.6.4.24 REG7F 8-Bit Control Register for Status (REG7F)
  9. Application and Implementation
    1. 9.1 Application Information
      1. 9.1.1  DAC Type
      2. 9.1.2  Example of 12-Bit DAC Sampling Rate for FCS/TRK/TLT
      3. 9.1.3  Digital Input Coding
      4. 9.1.4  Example Timing of Target Control System
      5. 9.1.5  Spindle Motor Driver Part
        1. 9.1.5.1 Spindle PWM Control
        2. 9.1.5.2 Auto Short Brake Function
        3. 9.1.5.3 Spindle Low-Speed Mode
        4. 9.1.5.4 Spindle Driver Current Limit Circuit
      6. 9.1.6  Sled Driver Part
        1. 9.1.6.1 Sled Channel Input versus Output PWM Duty
        2. 9.1.6.2 Sled End Detect Function
      7. 9.1.7  Load Driver Part
      8. 9.1.8  Focus/Track/Tilt Driver Part
        1. 9.1.8.1 Differential Tilt Mode
      9. 9.1.9  9-V LDO
      10. 9.1.10 Monitor Signal on GPOUT
    2. 9.2 Typical Application
      1. 9.2.1 Design Requirements
      2. 9.2.2 Detailed Design Procedure
      3. 9.2.3 Application Curves
  10. 10Power Supply Recommendations
  11. 11Layout
    1. 11.1 Layout Guidelines
    2. 11.2 Layout Example
  12. 12器件和文档支持
    1. 12.1 器件支持
      1. 12.1.1 Third-Party Products Disclaimer
    2. 12.2 社区资源
    3. 12.3 商标
    4. 12.4 静电放电警告
    5. 12.5 Glossary
  13. 13机械、封装和可订购信息

封装选项

机械数据 (封装 | 引脚)
散热焊盘机械数据 (封装 | 引脚)
订购信息

1 特性

  • 串行外设接口 (SPI)
    • 最大读写频率 35MHz
    • 3.3V 数字输入输出 (I/O)
  • 执行器和电机驱动器
    • 具有 H 桥输出的脉冲宽度调制 (PWM) 控制
    • 具有 12 位数模转换器 (DAC) 控制的聚焦/跟踪/倾斜执行器驱动器
    • 具有电流模式、10 位 DAC 控制的滑动电机驱动器
    • 具有 12 位 DAC 控制的负载驱动器
    • 无需位置传感器即可检测滑动结束位置
  • 主轴电机驱动器
    • 集成主轴电流感测电阻
    • 可通过设置寄存器来选择 0.20Ω 至 0.27Ω 的电流感测电阻值,从而将 SPM 电流限制在 725mA 至 980mA
    • 无传感器:通过电机反电动势 (BEMF) 感测转子位置
    • 通过串行端口编程 12 位主轴 DAC
    • 独立的感应位置感测和启动
    • 通过名为自动短制动的自动控制制动实现急停(短制动和主动制动)
    • 最大持续电流为 0.7A,不存在散热问题
    • 低速 (LS) 模式:限制在正常速度的 25%
  • 实用功能
    • XRESET 信号,具有 20ms 数字延时(上电复位 (POR))
    • 状态锁存器:执行器定时器、SIF 错误、电源监视器、热保护和过流保护 (OCP) 故障
  • 开关
    • CSW:软件控制电流输出端口
  • 低压降 (LDO) 前置驱动器
    • 具有外部晶体管的 3.3V 或 1.2V 电压输出的单通道 LDO 前置驱动器
  • 保护
    • CSW、SPM 和执行器通道上均配有独立热保护电路
    • 两个警报级别:热保护中的预检测检测
    • 负载驱动器中配有过流保护电路
    • CSW 输出具有可选 OCP 阈值电平
    • 硬件器件禁用引脚 XMUTE
    • 具有欠压闭锁 (UVLO) 和 过压保护 (OVP) 的电源监视器

2 应用

  • DVD 播放器
  • CD 播放器
  • 光盘驱动器

3 说明

TPIC2040 是一款适用于薄型或超薄 DVD 读/写器的超低噪声电机驱动器集成电路 (IC)。该 IC 集成有电流感测电阻,能够测量 SPM 电流并降低驱动系统成本。该驱动器 IC 有 7 条通道且由串行接口控制,非常适用于驱动主轴电机、滑动电机、负载电机和聚焦/跟踪/倾斜执行器。主轴电机驱动器利用 BEMF 检测(无需传感器)来启动并控制主轴电机

器件信息(1)

器件型号 封装 封装尺寸(标称值)
TPIC2040DBT TSSOP (38) 9.70mm x 4.40mm
  1. 要了解所有可用封装,请见数据表末尾的可订购产品附录。

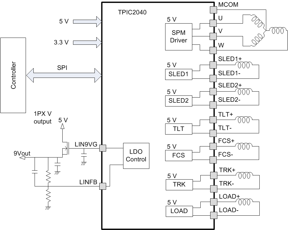
简化框图

TPIC2040 simplified_bd_slis172.gif

4 修订历史记录

日期 修订版本 注释
2015 年 12 月 * 最初发布。