SLVSBQ6B December   2012  – September 2015 TPD5E003

PRODUCTION DATA.  

  1. Features
  2. Applications
  3. Description
  4. Revision History
  5. Pin Configuration and Functions
  6. Specifications
    1. 6.1 Absolute Maximum Ratings
    2. 6.2 ESD Ratings: JEDEC
    3. 6.3 ESD Ratings: IEC 61000-4-2
    4. 6.4 Recommended Operating Conditions
    5. 6.5 Thermal Information
    6. 6.6 Electrical Characteristics
    7. 6.7 Typical Characteristics
  7. Detailed Description
    1. 7.1 Overview
    2. 7.2 Functional Block Diagram
    3. 7.3 Feature Description
    4. 7.4 Device Functional Modes
  8. Application and Implementation
    1. 8.1 Application Information
    2. 8.2 Typical Application
      1. 8.2.1 Design Requirements
      2. 8.2.2 Detailed Design Procedure
      3. 8.2.3 Application Curves
  9. Power Supply Recommendations
  10. 10Layout
    1. 10.1 Layout Guidelines
    2. 10.2 Layout Example
  11. 11Device and Documentation Support
    1. 11.1 Community Resources
    2. 11.2 Trademarks
    3. 11.3 Electrostatic Discharge Caution
    4. 11.4 Glossary
  12. 12Mechanical, Packaging, and Orderable Information

封装选项

机械数据 (封装 | 引脚)
散热焊盘机械数据 (封装 | 引脚)
订购信息

8 Application and Implementation

NOTE

Information in the following applications sections is not part of the TI component specification, and TI does not warrant its accuracy or completeness. TI’s customers are responsible for determining suitability of components for their purposes. Customers should validate and test their design implementation to confirm system functionality.

8.1 Application Information

When a system contains a human interface, it becomes vulnerable to large system-level ESD strikes that standard ICs cannot survive. TVS ESD protection diodes are typically used to suppress ESD at these interfaces. The TPD5E003 is a five-channel unidirectional TVS device, which is typically used to provide paths to ground for dissipating ESD events on signal or power lines between a human interface connector and a system. As the current from ESD passes through the device, only a small voltage drop is present across the diode structure. This is the voltage presented to the protected IC. The low RDYN of the triggered TVS holds this voltage, VCLAMP, to a tolerable level to the protected IC.

8.2 Typical Application

The TPD5E003 offers five identical unidirectional ESD protection channels. The device can also be used as four identical bidirectional ESD protection channels. To do so, pin 5 would be connected to ground, with pin 1, 3, 4, and 6 connected to the I/O to be protected. In the bidirectional configuration, I/O capacitance is reduced by half and dynamic resistance increases.

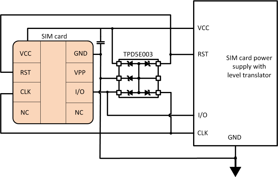
For this design example, the TPD5E003 will be used to protect the SIM card in the bidirectional configuration.

TPD5E003 app.gif Figure 8. Application Diagram

8.2.1 Design Requirements

For this application, the system parameters in Table 1 are known.

Table 1. Design Parameters

DESIGN PARAMETER VALUE
SIM card power supply voltage (Vcc) 3.3 V or 5 V
Signal pins voltage range 0 V to Vcc
Signal pins data rate 1 Mbps to 20 Mbps
Required IEC 61000-4-2 ESD Protection ±8-kV Contact or ±15-kV Air-Gap

8.2.2 Detailed Design Procedure

To begin the design process, some parameters must be decided upon; the designer should make sure:

  • Voltage range on the protected line must not exceed the reverse standoff voltage of the TVS diode(s) (VRWM).
  • Operating frequency is supported by the I/O capacitance CIO of the TVS diode.
  • IEC 61000-4-2 protection requirement is covered by the IEC performance of the TVS diode.

For this application, the power supply and signal voltage range is 0 to 3.3 V or to 5 V. When used in bidirectional configuration, at ±5 V the channel has very low leakage current; therefore, the bidirectional TVS will not break down during normal operation, and therefore normal operation of the power supply and signal pins will not be affected.

Next, consider the data rate of the signal. The SIM card clock frequency that the signals run off is from 1 MHz to 20 MHz; ensure that the TVS I/O capacitance will not distort this signal by filtering it with the inherent capacitance. Either a unidirectional or bidirectional ESD clamping device is good for this application, but bidirectional configuration has a smaller capacitance and thus each channel has sufficient bandwidth to pass the signal without distorting it, thus this configuration is used here.

Finally, the human interface in this application requires the Level 4 IEC 61000-4-2 system-level ESD protection (±8-kV Contact or ±15-kV Air-Gap). The TPD5E003 can survive at least ±15-kV Contact or ±15-kV Air-Gap. Therefore, the device can provide sufficient ESD protection for the interface. For any TVS diode to provide its full range of ESD protection capabilities, as well as to minimize the noise and EMI disturbances the board will see during ESD events, it is crucial that a system designer uses proper board layout of their TVS ESD protection diodes. See Layout Example for instructions on properly laying out TPD5E003.

8.2.3 Application Curves

TPD5E003 C006_SLVSBQ6.png Figure 9. IEC 61000-4-2 Clamping Voltage, 8-kV Contact
TPD5E003 C007_SLVSBQ6.png Figure 10. IEC 61000-4-2 Clamping Voltage, –8-kV Contact