SLVS615F July   2006  – December 2016 TPD4E002

PRODUCTION DATA.  

  1. Features
  2. Applications
  3. Description
  4. Revision History
  5. Pin Configuration and Functions
  6. Specifications
    1. 6.1 Absolute Maximum Ratings
    2. 6.2 ESD Ratings—JEDEC Specification
    3. 6.3 ESD Ratings—IEC Specification
    4. 6.4 Recommended Operating Conditions
    5. 6.5 Thermal Information
    6. 6.6 Electrical Characteristics
    7. 6.7 Typical Characteristics
  7. Detailed Description
    1. 7.1 Overview
    2. 7.2 Functional Block Diagram
    3. 7.3 Feature Description
    4. 7.4 Device Functional Modes
  8. Application and Implementation
    1. 8.1 Application Information
    2. 8.2 Typical Application
      1. 8.2.1 Design Requirements
      2. 8.2.2 Detailed Design Procedure
        1. 8.2.2.1 Signal Range on I/O1 Through I/O2
      3. 8.2.3 Application Curves
  9. Power Supply Recommendations
  10. 10Layout
    1. 10.1 Layout Guidelines
    2. 10.2 Layout Example
  11. 11Device and Documentation Support
    1. 11.1 Documentation Support
      1. 11.1.1 Related Documentation
    2. 11.2 Receiving Notification of Documentation Updates
    3. 11.3 Community Resources
    4. 11.4 Trademarks
    5. 11.5 Electrostatic Discharge Caution
    6. 11.6 Glossary
  12. 12Mechanical, Packaging, and Orderable Information

封装选项

机械数据 (封装 | 引脚)
散热焊盘机械数据 (封装 | 引脚)
订购信息

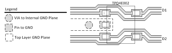
Layout

Layout Guidelines

  • The optimum placement is as close to the connector as possible.
    • EMI during an ESD event can couple from the trace being struck to other nearby unprotected traces, resulting in early system failures.
    • The PCB designer must minimize the possibility of EMI coupling by keeping any unprotected traces away from the protected traces, which are between the TVS and the connector.
  • Route the protected traces as straight as possible.
  • Eliminate any sharp corners on the protected traces between the TVS and the connector by using rounded corners with the largest radii possible.
    • Electric fields tend to build up on corners, increasing EMI coupling.

Use external and internal ground planes and stitch them together with VIAs as close to the GND pin of TPD4E002 as possible. This allows for a low impedance path to ground so that the device can properly dissipate an ESD event.

Layout Example

TPD4E002 Layout.gif Figure 7. TPD4E002 Example Layout