ZHCSJA2A January   2019  – March 2019 TPA3255-Q1

PRODUCTION DATA.  

  1. 特性
  2. 应用
  3. 说明
    1.     Device Images
      1.      简化原理图
      2.      总谐波失真
  4. 修订历史记录
  5. Pin Configuration and Functions
    1.     Pin Functions
  6. Specifications
    1. 6.1  Absolute Maximum Ratings
    2. 6.2  ESD Ratings
    3. 6.3  Recommended Operating Conditions
    4. 6.4  Thermal Information
    5. 6.5  Electrical Characteristics
    6. 6.6  Audio Characteristics (BTL)
    7. 6.7  Audio Characteristics (SE)
    8. 6.8  Audio Characteristics (PBTL)
    9. 6.9  Typical Characteristics, BTL Configuration
    10. 6.10 Typical Characteristics, SE Configuration
    11. 6.11 Typical Characteristics, PBTL Configuration
  7. Parameter Measurement Information
  8. Detailed Description
    1. 8.1 Overview
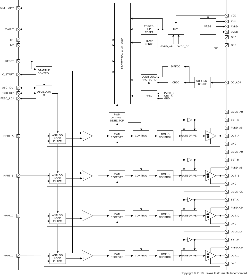
    2. 8.2 Functional Block Diagrams
    3. 8.3 Feature Description
      1. 8.3.1 Error Reporting
    4. 8.4 Device Functional Modes
      1. 8.4.1 Device Protection System
        1. 8.4.1.1 Overload and Short Circuit Current Protection
        2. 8.4.1.2 Signal Clipping and Pulse Injector
        3. 8.4.1.3 DC Speaker Protection
        4. 8.4.1.4 Pin-to-Pin Short Circuit Protection (PPSC)
        5. 8.4.1.5 Overtemperature Protection OTW and OTE
        6. 8.4.1.6 Undervoltage Protection (UVP) and Power-on Reset (POR)
        7. 8.4.1.7 Fault Handling
        8. 8.4.1.8 Device Reset
  9. Application and Implementation
    1. 9.1 Application Information
    2. 9.2 Typical Applications
      1. 9.2.1 Stereo BTL Application
        1. 9.2.1.1 Design Requirements
        2. 9.2.1.2 Detailed Design Procedures
          1. 9.2.1.2.1 Decoupling Capacitor Recommendations
          2. 9.2.1.2.2 PVDD Capacitor Recommendation
          3. 9.2.1.2.3 PCB Material Recommendation
          4. 9.2.1.2.4 Oscillator
      2. 9.2.2 Application Curves
      3. 9.2.3 Typical Application, Single Ended (1N) SE
        1. 9.2.3.1 Design Requirements
        2. 9.2.3.2 Detailed Design Procedures
        3. 9.2.3.3 Application Curves
      4. 9.2.4 Typical Application, Differential (2N) PBTL
        1. 9.2.4.1 Design Requirements
        2. 9.2.4.2 Detailed Design Procedures
        3. 9.2.4.3 Application Curves
  10. 10Power Supply Recommendations
    1. 10.1 Power Supplies
      1. 10.1.1 VDD Supply
      2. 10.1.2 GVDD_X Supply
      3. 10.1.3 PVDD Supply
    2. 10.2 Powering Up
    3. 10.3 Powering Down
    4. 10.4 Thermal Design
      1. 10.4.1 Thermal Performance
      2. 10.4.2 Thermal Performance with Continuous Output Power
      3. 10.4.3 Thermal Performance with Non-Continuous Output Power
  11. 11Layout
    1. 11.1 Layout Guidelines
    2. 11.2 Layout Examples
      1. 11.2.1 BTL Application Printed Circuit Board Layout Example
      2. 11.2.2 SE Application Printed Circuit Board Layout Example
      3. 11.2.3 PBTL Application Printed Circuit Board Layout Example
  12. 12器件和文档支持
    1. 12.1 文档支持
    2. 12.2 接收文档更新通知
    3. 12.3 社区资源
    4. 12.4 商标
    5. 12.5 静电放电警告
    6. 12.6 术语表
  13. 13机械、封装和可订购信息

封装选项

机械数据 (封装 | 引脚)
散热焊盘机械数据 (封装 | 引脚)
订购信息

Functional Block Diagrams

TPA3255-Q1 FunctionalBlockDiagram.gif
TPA3255-Q1 SystemBlockDiagram_tpa3255.gif
Figure 25. System Block Diagram