ZHCSF30F May   2016  – January 2020 TPA3136AD2 , TPA3136D2

PRODUCTION DATA.  

  1. 特性
  2. 应用
  3. 说明
    1.     Device Images
      1.      简化原理图
  4. 修订历史记录
  5. Device Comparison Table
  6. Pin Configuration and Functions
    1.     Pin Functions
  7. Specifications
    1. 7.1 Absolute Maximum Ratings
    2. 7.2 ESD Ratings
    3. 7.3 Recommended Operating Conditions
    4. 7.4 Thermal Information
    5. 7.5 Electrical Characteristics
    6. 7.6 Switching Characteristics
    7. 7.7 Typical Characteristics
  8. Parameter Measurement Information
  9. Detailed Description
    1. 9.1 Overview
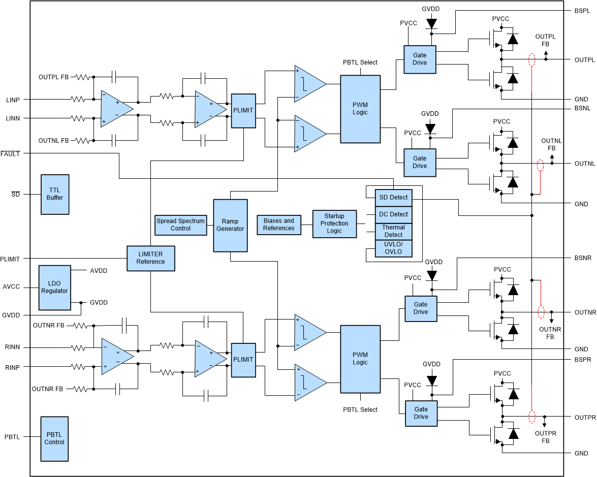
    2. 9.2 Functional Block Diagram
    3. 9.3 Feature Description
      1. 9.3.1 Fixed Analog Gain
      2. 9.3.2 SD Operation
      3. 9.3.3 PLIMIT
      4. 9.3.4 Spread Spectrum and De-Phase Control
      5. 9.3.5 GVDD Supply
      6. 9.3.6 DC Detect
      7. 9.3.7 PBTL Select
      8. 9.3.8 Short-Circuit Protection and Automatic Recovery Feature
      9. 9.3.9 Thermal Protection
    4. 9.4 Device Functional Modes
  10. 10Application and Implementation
    1. 10.1 Application Information
    2. 10.2 Typical Applications
      1. 10.2.1 Design Requirements
        1. 10.2.1.1 PCB Material Recommendation
        2. 10.2.1.2 PVCC Capacitor Recommendation
        3. 10.2.1.3 Decoupling Capacitor Recommendations
      2. 10.2.2 Detailed Design Procedure
        1. 10.2.2.1 Ferrite Bead Filter Considerations
        2. 10.2.2.2 Efficiency: LC Filter Required with the Traditional Class-D Modulation Scheme
        3. 10.2.2.3 When to Use an Output Filter for EMI Suppression
        4. 10.2.2.4 Input Resistance
        5. 10.2.2.5 Input Capacitor, Ci
        6. 10.2.2.6 BSN and BSP Capacitors
        7. 10.2.2.7 Differential Inputs
        8. 10.2.2.8 Using Low-ESR Capacitors
      3. 10.2.3 Application Performance Curves
        1. 10.2.3.1 EN55013 Radiated Emissions Results
        2. 10.2.3.2 EN55022 Conducted Emissions Results
  11. 11Power Supply Recommendations
    1. 11.1 Power Supply Decoupling, CS
  12. 12Layout
    1. 12.1 Layout Guidelines
    2. 12.2 Layout Example
  13. 13器件和文档支持
    1. 13.1 器件支持
      1. 13.1.1 第三方产品免责声明
    2. 13.2 文档支持
      1. 13.2.1 相关文档
    3. 13.3 相关链接
    4. 13.4 接收文档更新通知
    5. 13.5 支持资源
    6. 13.6 商标
    7. 13.7 静电放电警告
    8. 13.8 Glossary
  14. 14机械、封装和可订购信息

封装选项

机械数据 (封装 | 引脚)
散热焊盘机械数据 (封装 | 引脚)
订购信息

Functional Block Diagram

TPA3136D2 TPA3136AD2 InternalBlockDiagram.gif