ZHCSM12E September   2020  – July 2024 TMUX6219

PRODUCTION DATA  

  1.   1
  2. 特性
  3. 应用
  4. 说明
  5. Pin Configuration and Functions
  6. Specifications
    1. 5.1  Absolute Maximum Ratings
    2. 5.2  ESD Ratings
    3. 5.3  Thermal Information
    4. 5.4  Recommended Operating Conditions
    5. 5.5  Source or Drain Continuous Current
    6. 5.6  ±15 V Dual Supply: Electrical Characteristics 
    7. 5.7  ±15 V Dual Supply: Switching Characteristics 
    8. 5.8  36 V Single Supply: Electrical Characteristics 
    9. 5.9  36 V Single Supply: Switching Characteristics 
    10. 5.10 12 V Single Supply: Electrical Characteristics 
    11. 5.11 12 V Single Supply: Switching Characteristics 
    12. 5.12 +5 V / -8 V Dual Supply: Electrical Characteristics 
    13. 5.13 +5 V / -8 V Dual Supply: Switching Characteristics 
    14. 5.14 ±5 V Dual Supply: Electrical Characteristics 
    15. 5.15 ±5 V Dual Supply: Switching Characteristics 
    16. 5.16 Typical Characteristics
  7. Parameter Measurement Information
    1. 6.1  On-Resistance
    2. 6.2  Off-Leakage Current
    3. 6.3  On-Leakage Current
    4. 6.4  Transition Time
    5. 6.5  tON(EN) and tOFF(EN)
    6. 6.6  Break-Before-Make
    7. 6.7  tON (VDD) Time
    8. 6.8  Propagation Delay
    9. 6.9  Charge Injection
    10. 6.10 Off Isolation
    11. 6.11 Crosstalk
    12. 6.12 Bandwidth
    13. 6.13 THD + Noise
    14. 6.14 Power Supply Rejection Ratio (PSRR)
  8. Detailed Description
    1. 7.1 Overview
    2. 7.2 Functional Block Diagram
    3. 7.3 Feature Description
      1. 7.3.1 Bidirectional Operation
      2. 7.3.2 Rail to Rail Operation
      3. 7.3.3 1.8V Logic Compatible Inputs
      4. 7.3.4 Fail-Safe Logic
      5. 7.3.5 Latch-Up Immune
      6. 7.3.6 Ultra-Low Charge Injection
    4. 7.4 Device Functional Modes
    5. 7.5 Truth Tables
  9. Application and Implementation
    1. 8.1 Application Information
    2. 8.2 Typical Application
      1. 8.2.1 Power Amplifier Gate Driver
      2. 8.2.2 Design Requirements
      3. 8.2.3 Detailed Design Procedure
      4. 8.2.4 Application Curve
  10. Power Supply Recommendations
  11. 10Layout
    1. 10.1 Layout Guidelines
    2. 10.2 Layout Example
  12. 11Device and Documentation Support
    1. 11.1 Documentation Support
      1. 11.1.1 Related Documentation
    2. 11.2 Receiving Notification of Documentation Updates
    3. 11.3 支持资源
    4. 11.4 Trademarks
    5. 11.5 静电放电警告
    6. 11.6 术语表
  13. 12Revision History
  14. 13Mechanical, Packaging, and Orderable Information

封装选项

机械数据 (封装 | 引脚)
散热焊盘机械数据 (封装 | 引脚)
订购信息

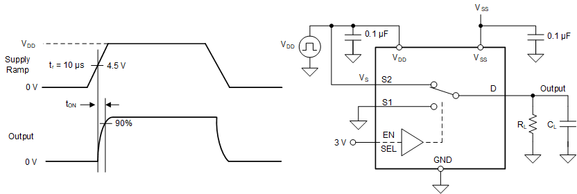
tON (VDD) Time

The tON (VDD) time is defined as the time taken by the output of the device to rise to 90% after the supply has risen past the supply threshold. The 90% measurement is used to provide the timing of the device turning on in the system. Figure 6-7 shows the setup used to measure turn on time, denoted by the symbol tON (VDD).

TMUX6219 tON
                        (VDD) Time Measurement Setup Figure 6-7 tON (VDD) Time Measurement Setup