ZHCSHO7A February   2018  – September 2018 TMUX6104

PRODUCTION DATA.  

  1. 特性
  2. 应用
  3. 说明
    1.     Device Images
      1.      简化原理图
  4. 修订历史记录
  5. Pin Configuration and Functions
    1.     Pin Functions
  6. Specifications
    1. 6.1 Absolute Maximum Ratings
    2. 6.2 ESD Ratings
    3. 6.3 Thermal Information
    4. 6.4 Recommended Operating Conditions
    5. 6.5 Electrical Characteristics (Dual Supplies: ±15 V)
    6. 6.6 Switching Characteristics (Dual Supplies: ±15 V)
    7. 6.7 Electrical Characteristics (Single Supply: 12 V)
    8. 6.8 Switching Characteristics (Single Supply: 12 V)
    9. 6.9 Typical Characteristics
  7. Parameter Measurement Information
    1. 7.1 Truth Table
  8. Detailed Description
    1. 8.1 Overview
      1. 8.1.1  On-Resistance
      2. 8.1.2  Off-Leakage Current
      3. 8.1.3  On-Leakage Current
      4. 8.1.4  Transition Time
      5. 8.1.5  Break-Before-Make Delay
      6. 8.1.6  Turn-On and Turn-Off Time
      7. 8.1.7  Charge Injection
      8. 8.1.8  Off Isolation
      9. 8.1.9  Channel-to-Channel Crosstalk
      10. 8.1.10 Bandwidth
      11. 8.1.11 THD + Noise
      12. 8.1.12 AC Power Supply Rejection Ratio (AC PSRR)
    2. 8.2 Functional Block Diagram
    3. 8.3 Feature Description
      1. 8.3.1 Ultralow Leakage Current
      2. 8.3.2 Ultralow Charge Injection
      3. 8.3.3 Bidirectional and Rail-to-Rail Operation
    4. 8.4 Device Functional Modes
  9. Application and Implementation
    1. 9.1 Application Information
    2. 9.2 Typical Application
      1. 9.2.1 Design Requirements
      2. 9.2.2 Detailed Design Procedure
      3. 9.2.3 Application Curve
  10. 10Power Supply Recommendations
  11. 11Layout
    1. 11.1 Layout Guidelines
    2. 11.2 Layout Example
  12. 12器件和文档支持
    1. 12.1 文档支持
      1. 12.1.1 相关文档
    2. 12.2 接收文档更新通知
    3. 12.3 社区资源
    4. 12.4 商标
    5. 12.5 静电放电警告
    6. 12.6 术语表
  13. 13机械、封装和可订购信息

封装选项

机械数据 (封装 | 引脚)
散热焊盘机械数据 (封装 | 引脚)
订购信息

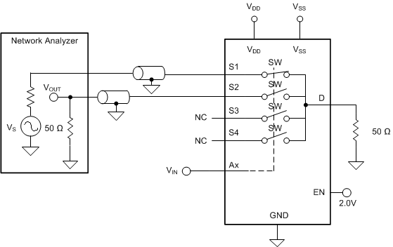
Channel-to-Channel Crosstalk

Channel-to-channel crosstalk is defined as the voltage at the source pin (Sx) of an off-channel, when a 1-VRMS signal is applied at the source pin (Sx) of an on-channel. Figure 25 shows the setup used to measure, and Equation 3 is the equation used to compute, channel-to-channel crosstalk.

TMUX6104 Xtalk.gifFigure 25. Channel-to-Channel Crosstalk Measurement Setup
Equation 3. TMUX6104 q_crosstalk_sbas758.gif