ZHCSRN5D January   2023  – November 2025 TMS320F2800152-Q1 , TMS320F2800153-Q1 , TMS320F2800154-Q1 , TMS320F2800155 , TMS320F2800155-Q1 , TMS320F2800156-Q1 , TMS320F2800157 , TMS320F2800157-Q1

PRODMIX  

  1.   1
  2. 特性
  3. 应用
  4. 说明
    1. 3.1 功能方框图
  5. 器件比较
    1. 4.1 相关产品
  6. 引脚配置和功能
    1. 5.1 引脚图
    2. 5.2 引脚属性
    3. 5.3 信号说明
      1. 5.3.1 模拟信号
      2. 5.3.2 数字信号
      3. 5.3.3 电源和接地
      4. 5.3.4 测试、JTAG 和复位
    4. 5.4 引脚复用
      1. 5.4.1 GPIO 多路复用引脚
        1. 5.4.1.1 GPIO 多路复用引脚
      2. 5.4.2 ADC 引脚上的数字输入 (AIO)
      3. 5.4.3 ADC 引脚上的数字输入和输出 (AGPIO)
      4. 5.4.4 GPIO 输入 X-BAR
      5. 5.4.5 GPIO 输出 X-BAR 和 ePWM X-BAR
    5. 5.5 带有内部上拉和下拉的引脚
    6. 5.6 未使用引脚的连接
  7. 规格
    1. 6.1  绝对最大额定值
    2. 6.2  ESD 等级 - 商用
    3. 6.3  ESD 等级 - 汽车
    4. 6.4  建议运行条件
    5. 6.5  功耗摘要
      1. 6.5.1 系统电流消耗 - 启用 VREG - 内部电源
      2. 6.5.2 系统电流消耗 - 禁用 VREG - 外部电源
      3. 6.5.3 工作模式测试说明
      4. 6.5.4 电流消耗图
      5. 6.5.5 减少电流消耗
        1. 6.5.5.1 每个禁用外设的典型电流降低
    6. 6.6  电气特性
    7. 6.7  PN 封装的热阻特性
    8. 6.8  PM 封装的热阻特性
    9. 6.9  PHP 封装的热阻特性
    10. 6.10 RHB 封装的热阻特性
    11. 6.11 散热设计注意事项
    12. 6.12 AEC-Q100 0 级热设计注意事项
      1. 6.12.1 简单降频
      2. 6.12.2 动态降频
      3. 6.12.3 闪存注意事项
    13. 6.13 系统
      1. 6.13.1  电源管理模块 (PMM)
        1. 6.13.1.1 引言
        2. 6.13.1.2 概述
          1. 6.13.1.2.1 电源轨监视器
            1. 6.13.1.2.1.1 I/O POR(上电复位)监视器
            2. 6.13.1.2.1.2 I/O BOR(欠压复位)监视器
            3. 6.13.1.2.1.3 VDD POR(上电复位)监视器
          2. 6.13.1.2.2 外部监控器使用情况
          3. 6.13.1.2.3 延迟块
          4. 6.13.1.2.4 内部 1.2V LDO 稳压器 (VREG)
          5. 6.13.1.2.5 VREGENZ
        3. 6.13.1.3 外部元件
          1. 6.13.1.3.1 去耦电容器
            1. 6.13.1.3.1.1 VDDIO 去耦
            2. 6.13.1.3.1.2 VDD 去耦
        4. 6.13.1.4 电源时序
          1. 6.13.1.4.1 电源引脚联动
          2. 6.13.1.4.2 信号引脚电源序列
          3. 6.13.1.4.3 电源引脚电源序列
            1. 6.13.1.4.3.1 外部 VREG/VDD 模式序列
            2. 6.13.1.4.3.2 内部 VREG/VDD 模式序列
            3. 6.13.1.4.3.3 电源时序摘要和违规影响
            4. 6.13.1.4.3.4 电源压摆率
        5. 6.13.1.5 建议运行条件对 PMM 的适用性
        6. 6.13.1.6 电源管理模块电气数据和时序
          1. 6.13.1.6.1 电源管理模块运行条件
          2. 6.13.1.6.2 电源管理模块特性
      2. 6.13.2  复位时序
        1. 6.13.2.1 复位源
        2. 6.13.2.2 复位电气数据和时序
          1. 6.13.2.2.1 复位 - XRSn - 时序要求
          2. 6.13.2.2.2 复位 - XRSn - 开关特性
          3. 6.13.2.2.3 复位时序图
      3. 6.13.3  时钟规格
        1. 6.13.3.1 时钟源
        2. 6.13.3.2 时钟频率、要求和特性
          1. 6.13.3.2.1 输入时钟频率和时序要求,PLL 锁定时间
            1. 6.13.3.2.1.1 输入时钟频率
            2. 6.13.3.2.1.2 XTAL 振荡器特性
            3. 6.13.3.2.1.3 使用外部时钟源(非晶体)时的 X1 输入电平特性
            4. 6.13.3.2.1.4 X1 时序要求
            5. 6.13.3.2.1.5 AUXCLKIN 时序要求
            6. 6.13.3.2.1.6 APLL 特性
            7. 6.13.3.2.1.7 XCLKOUT 开关特性 - 旁路或启用 PLL
            8. 6.13.3.2.1.8 内部时钟频率
        3. 6.13.3.3 输入时钟和 PLL
        4. 6.13.3.4 XTAL 振荡器
          1. 6.13.3.4.1 引言
          2. 6.13.3.4.2 概述
            1. 6.13.3.4.2.1 电子振荡器
              1. 6.13.3.4.2.1.1 运行模式
                1. 6.13.3.4.2.1.1.1 晶体的工作模式
                2. 6.13.3.4.2.1.1.2 单端工作模式
              2. 6.13.3.4.2.1.2 XCLKOUT 上的 XTAL 输出
            2. 6.13.3.4.2.2 石英晶体
            3. 6.13.3.4.2.3 GPIO 运行模式
          3. 6.13.3.4.3 正常运行
            1. 6.13.3.4.3.1 ESR – 有效串联电阻
            2. 6.13.3.4.3.2 Rneg - 负电阻
            3. 6.13.3.4.3.3 启动时间
              1. 6.13.3.4.3.3.1 X1/X2 前提条件
            4. 6.13.3.4.3.4 DL – 驱动电平
          4. 6.13.3.4.4 如何选择晶体
          5. 6.13.3.4.5 测试
          6. 6.13.3.4.6 常见问题和调试提示
          7. 6.13.3.4.7 晶体振荡器规格
            1. 6.13.3.4.7.1 晶体振荡器电气特性
            2. 6.13.3.4.7.2 晶振等效串联电阻 (ESR) 要求
            3. 6.13.3.4.7.3 晶体振荡器参数
            4. 6.13.3.4.7.4 晶体振荡器电气特性
        5. 6.13.3.5 内部振荡器
          1. 6.13.3.5.1 INTOSC 特性
          2. 6.13.3.5.2 INTOSC2 与外部精密电阻 (ExtR) 搭配使用
      4. 6.13.4  闪存参数
        1. 6.13.4.1 闪存参数 
      5. 6.13.5  RAM 规格
      6. 6.13.6  ROM 规格
      7. 6.13.7  仿真/JTAG
        1. 6.13.7.1 JTAG 电气数据和时序
          1. 6.13.7.1.1 JTAG 时序要求
          2. 6.13.7.1.2 JTAG 开关特性
          3. 6.13.7.1.3 JTAG 时序图
        2. 6.13.7.2 cJTAG 电气数据和时序
          1. 6.13.7.2.1 cJTAG 时序要求
          2. 6.13.7.2.2 cJTAG 开关特性
          3. 6.13.7.2.3 cJTAG 时序图
      8. 6.13.8  GPIO 电气数据和时序
        1. 6.13.8.1 GPIO - 输出时序
          1. 6.13.8.1.1 通用输出开关特征
          2. 6.13.8.1.2 通用输出时序图
        2. 6.13.8.2 GPIO - 输入时序
          1. 6.13.8.2.1 通用输入时序要求
          2. 6.13.8.2.2 采样模式
        3. 6.13.8.3 输入信号的采样窗口宽度
      9. 6.13.9  中断
        1. 6.13.9.1 外部中断 (XINT) 电气数据和时序
          1. 6.13.9.1.1 外部中断时序要求
          2. 6.13.9.1.2 外部中断开关特性
          3. 6.13.9.1.3 外部中断时序
      10. 6.13.10 低功耗模式
        1. 6.13.10.1 时钟门控低功耗模式
        2. 6.13.10.2 低功耗模式唤醒时序
          1. 6.13.10.2.1 空闲模式时序要求
          2. 6.13.10.2.2 空闲模式开关特性
          3. 6.13.10.2.3 空闲进入和退出时序图
          4. 6.13.10.2.4 STANDBY 模式时序要求
          5. 6.13.10.2.5 待机模式开关特征
          6. 6.13.10.2.6 待机进入和退出时序图
          7. 6.13.10.2.7 停机模式时序要求
          8. 6.13.10.2.8 停机模式开关特征
          9. 6.13.10.2.9 停机模式进入和退出时序图
    14. 6.14 模拟外设
      1. 6.14.1 模拟引脚和内部连接
      2. 6.14.2 模拟信号说明
      3. 6.14.3 模数转换器 (ADC)
        1. 6.14.3.1 ADC 可配置性
          1. 6.14.3.1.1 信号模式
        2. 6.14.3.2 ADC 电气数据和时序
          1. 6.14.3.2.1 ADC 运行条件
          2. 6.14.3.2.2 ADC 特性
          3. 6.14.3.2.3 每个引脚的 ADC 性能
          4. 6.14.3.2.4 ADC 输入模型
          5. 6.14.3.2.5 ADC 时序图
      4. 6.14.4 温度传感器
        1. 6.14.4.1 温度传感器电气数据和时序
          1. 6.14.4.1.1 温度传感器特性
      5. 6.14.5 比较器子系统 (CMPSS)
        1. 6.14.5.1 CMPSS 模块型号
        2. 6.14.5.2 CMPx_DACL
        3. 6.14.5.3 CMPSS 连接图
        4. 6.14.5.4 方框图
        5. 6.14.5.5 CMPSS 电气数据和时序
          1. 6.14.5.5.1 CMPSS 比较器电气特性
          2. 6.14.5.5.2 CMPSS_LITE 比较器电气特性
          3.        CMPSS 比较器以输入为基准的偏移量和迟滞
          4. 6.14.5.5.3 CMPSS DAC 静态电气特性
          5. 6.14.5.5.4 CMPSS_LITE DAC 静态电气特性
          6. 6.14.5.5.5 CMPSS 示意图
          7. 6.14.5.5.6 CMPSS DAC 动态误差
          8. 6.14.5.5.7 CMPx_DACL 缓冲输出的运行条件
          9. 6.14.5.5.8 CMPx_DACL 缓冲输出的电气特性
    15. 6.15 控制外设
      1. 6.15.1 增强型脉宽调制器 (ePWM)
        1. 6.15.1.1 控制外设同步
        2. 6.15.1.2 ePWM 电气数据和时序
          1. 6.15.1.2.1 ePWM 时序要求
          2. 6.15.1.2.2 ePWM 开关特性
          3. 6.15.1.2.3 跳闸区输入时序
            1. 6.15.1.2.3.1 跳闸区域输入时序要求
            2. 6.15.1.2.3.2 PWM 高阻态特征时序图
      2. 6.15.2 高分辨率脉宽调制器 (HRPWM)
        1. 6.15.2.1 HRPWM 电气数据和时序
          1. 6.15.2.1.1 高分辨率 PWM 特征
      3. 6.15.3 外部 ADC 转换启动电气数据和时序
        1. 6.15.3.1 外部 ADC 转换启动开关特性
        2. 6.15.3.2 ADCSOCAO 或ADCSOCBO 时序图
      4. 6.15.4 增强型捕获 (eCAP)
        1. 6.15.4.1 eCAP 方框图
        2. 6.15.4.2 eCAP 同步
        3. 6.15.4.3 eCAP 电气数据和时序
          1. 6.15.4.3.1 eCAP 时序要求
          2. 6.15.4.3.2 eCAP 开关特性
      5. 6.15.5 增强型正交编码器脉冲 (eQEP)
        1. 6.15.5.1 eQEP 电气数据和时序
          1. 6.15.5.1.1 eQEP 时序要求
          2. 6.15.5.1.2 eQEP 开关特性
    16. 6.16 通信外设
      1. 6.16.1 控制器局域网 (CAN)
      2. 6.16.2 模块化控制器局域网 (MCAN)
      3. 6.16.3 内部集成电路 (I2C)
        1. 6.16.3.1 I2C 电气数据和时序
          1. 6.16.3.1.1 I2C 时序要求
          2. 6.16.3.1.2 I2C 开关特性
          3. 6.16.3.1.3 I2C 时序图
      4. 6.16.4 电源管理总线 (PMBus) 接口
        1. 6.16.4.1 PMBus 电气数据和时序
          1. 6.16.4.1.1 PMBus 电气特性
          2. 6.16.4.1.2 PMBus 快速模式开关特性
          3. 6.16.4.1.3 PMBus 标准模式开关特性
      5. 6.16.5 串行通信接口 (SCI)
      6. 6.16.6 串行外设接口 (SPI)
        1. 6.16.6.1 SPI 主器件模式时序
          1. 6.16.6.1.1 SPI 主模式时序要求
          2. 6.16.6.1.2 SPI 主模式开关特性 - 时钟相位 0
          3. 6.16.6.1.3 SPI 主模式开关特性 - 时钟相位 1
          4. 6.16.6.1.4 SPI 主器件模式时序图
        2. 6.16.6.2 SPI 从器件模式时序
          1. 6.16.6.2.1 SPI 从模式时序要求
          2. 6.16.6.2.2 SPI 从模式开关特性
          3. 6.16.6.2.3 SPI 从器件模式时序图
      7. 6.16.7 本地互连网络 (LIN)
  8. 详细说明
    1. 7.1  概述
    2. 7.2  功能方框图
    3. 7.3  存储器
      1. 7.3.1 内存映射
        1. 7.3.1.1 专用 RAM (Mx RAM)
        2. 7.3.1.2 本地共享 RAM (LSx RAM)
      2. 7.3.2 闪存存储器映射
      3. 7.3.3 外设寄存器内存映射
    4. 7.4  标识
    5. 7.5  C28x 处理器
      1. 7.5.1 浮点单元 (FPU)
      2. 7.5.2 三角函数加速器 (TMU)
      3. 7.5.3 VCRC 单元
      4. 7.5.4 锁步比较模块 (LCM)
    6. 7.6  器件引导模式
      1. 7.6.1 器件引导配置
        1. 7.6.1.1 配置引导模式引脚
        2. 7.6.1.2 配置引导模式表选项
      2. 7.6.2 GPIO 分配
    7. 7.7  安全性
      1. 7.7.1 保护芯片边界
        1. 7.7.1.1 JTAGLOCK
        2. 7.7.1.2 零引脚引导
      2. 7.7.2 双区域安全
      3. 7.7.3 免责声明
    8. 7.8  看门狗
    9. 7.9  C28x 计时器
    10. 7.10 双路时钟比较器 (DCC)
      1. 7.10.1 特性
      2. 7.10.2 DCCx 时钟源中断的映射
    11. 7.11 功能安全
  9. 应用、实现和布局
    1. 8.1 应用和实施
    2. 8.2 器件主要特性
    3. 8.3 应用信息
      1. 8.3.1 典型应用
        1. 8.3.1.1 车载充电器 (OBC)
          1. 8.3.1.1.1 系统方框图
          2. 8.3.1.1.2 OBC 资源
        2. 8.3.1.2 汽车泵
          1. 8.3.1.2.1 系统方框图
          2. 8.3.1.2.2 汽车泵技术资源
        3. 8.3.1.3 正温度系数 (PTC) 加热器
          1. 8.3.1.3.1 系统方框图
          2. 8.3.1.3.2 PTC 资源
        4. 8.3.1.4 汽车 HVAC 压缩机
          1. 8.3.1.4.1 系统方框图
          2. 8.3.1.4.2 汽车 HVAC 压缩机资源
        5. 8.3.1.5 单相在线交互式不间断电源 (UPS)
          1. 8.3.1.5.1 系统方框图
          2. 8.3.1.5.2 单相在线交互式 UPS 资源
        6. 8.3.1.6 交流驱动器功率级模块
          1. 8.3.1.6.1 系统方框图
          2. 8.3.1.6.2 交流驱动器功率级模块资源
        7. 8.3.1.7 服务器或电信电源单元 (PSU)
          1. 8.3.1.7.1 系统方框图
          2. 8.3.1.7.2 服务器或电信 PSU 资源
  10. 器件和文档支持
    1. 9.1 入门和后续步骤
    2. 9.2 器件命名规则
    3. 9.3 标识
    4. 9.4 工具与软件
    5. 9.5 文档支持
    6. 9.6 支持资源
    7. 9.7 商标
    8. 9.8 静电放电警告
    9. 9.9 术语表
  11. 10修订历史记录
  12. 11机械、封装和可订购信息

封装选项

请参考 PDF 数据表获取器件具体的封装图。

机械数据 (封装 | 引脚)
  • PM|64
  • PN|80
  • PHP|48
散热焊盘机械数据 (封装 | 引脚)
订购信息

增强型脉宽调制器 (ePWM)

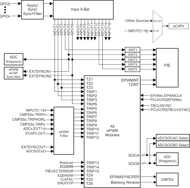
ePWM 外设是控制商业和工业设备中的许多电力电子系统的关键元件。通过从具备独立资源(这些独立资源可以一起运行形成一个系统)的较小模块构建外设,ePWM 4 类 模块能够以最小的 CPU 开销生成复杂的脉冲宽度波形。ePWM 4 类 模块的一些亮点包括复杂波形生成、死区生成、灵活的同步方案、高级跳变区功能和全局寄存器重载功能。

借助器件上 ePWM 和 eCAP 同步方案,可灵活地划分ePWM 和 eCAP 模块,并可在这些模块内进行局部同步。

图 6-55 展示了 ePWM 模块。图 6-56 展示了 ePWM 跳变输入连接。

TMS320F2800157-Q1 TMS320F2800157 TMS320F2800156-Q1 TMS320F2800155-Q1 TMS320F2800155 TMS320F2800154-Q1 TMS320F2800153-Q1 TMS320F2800152-Q1 ePWM  子模块和关键内部信号互连
这些事件由 ePWM 数字比较 (DC) 子模块根据 TRIPIN 输入电平生成。
图 6-55 ePWM 子模块和关键内部信号互连
TMS320F2800157-Q1 TMS320F2800157 TMS320F2800156-Q1 TMS320F2800155-Q1 TMS320F2800155 TMS320F2800154-Q1 TMS320F2800153-Q1 TMS320F2800152-Q1 ePWM  跳变输入连接 图 6-56 ePWM 跳变输入连接