ZHCSGV5F November   2009  – January 2017 TMS320C6746

PRODUCTION DATA.  

  1. 1器件概述
    1. 1.1 特性
    2. 1.2 应用
    3. 1.3 说明
    4. 1.4 功能方框图
  2. 2Revision History
  3. 3Device Comparison
    1. 3.1 Device Characteristics
    2. 3.2 Device Compatibility
    3. 3.3 DSP Subsystem
      1. 3.3.1 C674x DSP CPU Description
      2. 3.3.2 DSP Memory Mapping
        1. 3.3.2.1 External Memories
        2. 3.3.2.2 DSP Internal Memories
        3. 3.3.2.3 C674x CPU
    4. 3.4 Memory Map Summary
      1. Table 3-4 C6746 Top Level Memory Map
    5. 3.5 Pin Assignments
      1. 3.5.1 Pin Map (Bottom View)
    6. 3.6 Pin Multiplexing Control
    7. 3.7 Terminal Functions
      1. 3.7.1  Device Reset, NMI and JTAG
      2. 3.7.2  High-Frequency Oscillator and PLL
      3. 3.7.3  Real-Time Clock and 32-kHz Oscillator
      4. 3.7.4  DEEPSLEEP Power Control
      5. 3.7.5  External Memory Interface A (EMIFA)
      6. 3.7.6  DDR2/mDDR Controller
      7. 3.7.7  Serial Peripheral Interface Modules (SPI)
      8. 3.7.8  Programmable Real-Time Unit (PRU)
      9. 3.7.9  Enhanced Capture/Auxiliary PWM Modules (eCAP0)
      10. 3.7.10 Enhanced Pulse Width Modulators (eHRPWM)
      11. 3.7.11 Boot
      12. 3.7.12 Universal Asynchronous Receiver/Transmitters (UART0, UART1, UART2)
      13. 3.7.13 Inter-Integrated Circuit Modules(I2C0, I2C1)
      14. 3.7.14 Timers
      15. 3.7.15 Multichannel Audio Serial Ports (McASP)
      16. 3.7.16 Multichannel Buffered Serial Ports (McBSP)
      17. 3.7.17 Universal Serial Bus Modules (USB0)
      18. 3.7.18 Ethernet Media Access Controller (EMAC)
      19. 3.7.19 Multimedia Card/Secure Digital (MMC/SD)
      20. 3.7.20 Universal Host-Port Interface (UHPI)
      21. 3.7.21 Universal Parallel Port (uPP)
      22. 3.7.22 Video Port Interface (VPIF)
      23. 3.7.23 General Purpose Input Output
      24. 3.7.24 Reserved and No Connect
      25. 3.7.25 Supply and Ground
    8. 3.8 Unused Pin Configurations
  4. 4Device Configuration
    1. 4.1 Boot Modes
    2. 4.2 SYSCFG Module
    3. 4.3 Pullup/Pulldown Resistors
  5. 5Specifications
    1. 5.1 Absolute Maximum Ratings Over Operating Junction Temperature Range (Unless Otherwise Noted)
    2. 5.2 Handling Ratings
    3. 5.3 Recommended Operating Conditions
    4. 5.4 Notes on Recommended Power-On Hours (POH)
    5. 5.5 Electrical Characteristics Over Recommended Ranges of Supply Voltage and Operating Junction Temperature (Unless Otherwise Noted)
  6. 6Peripheral Information and Electrical Specifications
    1. 6.1  Parameter Information
      1. 6.1.1 Parameter Information Device-Specific Information
        1. 6.1.1.1 Signal Transition Levels
    2. 6.2  Recommended Clock and Control Signal Transition Behavior
    3. 6.3  Power Supplies
      1. 6.3.1 Power-On Sequence
      2. 6.3.2 Power-Off Sequence
    4. 6.4  Reset
      1. 6.4.1 Power-On Reset (POR)
      2. 6.4.2 Warm Reset
      3. 6.4.3 Reset Electrical Data Timings
    5. 6.5  Crystal Oscillator or External Clock Input
    6. 6.6  Clock PLLs
      1. 6.6.1 PLL Device-Specific Information
      2. 6.6.2 Device Clock Generation
      3. 6.6.3 Dynamic Voltage and Frequency Scaling (DVFS)
    7. 6.7  Interrupts
      1. 6.7.1 DSP Interrupts
    8. 6.8  Power and Sleep Controller (PSC)
      1. 6.8.1 Power Domain and Module Topology
        1. 6.8.1.1 Power Domain States
        2. 6.8.1.2 Module States
    9. 6.9  Enhanced Direct Memory Access Controller (EDMA3)
      1. 6.9.1 EDMA3 Channel Synchronization Events
      2. 6.9.2 EDMA3 Peripheral Register Descriptions
    10. 6.10 External Memory Interface A (EMIFA)
      1. 6.10.1 EMIFA Asynchronous Memory Support
      2. 6.10.2 EMIFA Synchronous DRAM Memory Support
      3. 6.10.3 EMIFA SDRAM Loading Limitations
      4. 6.10.4 EMIFA Connection Examples
      5. 6.10.5 External Memory Interface Register Descriptions
      6. 6.10.6 EMIFA Electrical Data/Timing
        1. Table 6-19 Timing Requirements for EMIFA SDRAM Interface
        2. Table 6-20 Switching Characteristics for EMIFA SDRAM Interface
        3. Table 6-21 Timing Requirements for EMIFA Asynchronous Memory Interface
    11. 6.11 DDR2/mDDR Memory Controller
      1. 6.11.1 DDR2/mDDR Memory Controller Electrical Data/Timing
      2. 6.11.2 DDR2/mDDR Memory Controller Register Description(s)
      3. 6.11.3 DDR2/mDDR Interface
        1. 6.11.3.1  DDR2/mDDR Interface Schematic
        2. 6.11.3.2  Compatible JEDEC DDR2/mDDR Devices
        3. 6.11.3.3  PCB Stackup
        4. 6.11.3.4  Placement
        5. 6.11.3.5  DDR2/mDDR Keep Out Region
        6. 6.11.3.6  Bulk Bypass Capacitors
        7. 6.11.3.7  High-Speed Bypass Capacitors
        8. 6.11.3.8  Net Classes
        9. 6.11.3.9  DDR2/mDDR Signal Termination
        10. 6.11.3.10 VREF Routing
        11. 6.11.3.11 DDR2/mDDR CK and ADDR_CTRL Routing
        12. 6.11.3.12 DDR2/mDDR Boundary Scan Limitations
    12. 6.12 Memory Protection Units
    13. 6.13 MMC / SD / SDIO (MMCSD0, MMCSD1)
      1. 6.13.1 MMCSD Peripheral Description
      2. 6.13.2 MMCSD Peripheral Register Description(s)
      3. 6.13.3 MMC/SD Electrical Data/Timing
        1. Table 6-40 Timing Requirements for MMC/SD (see and )
        2. Table 6-41 Switching Characteristics for MMC/SD (see through )
    14. 6.14 Multichannel Audio Serial Port (McASP)
      1. 6.14.1 McASP Peripheral Registers Description(s)
      2. 6.14.2 McASP Electrical Data/Timing
        1. 6.14.2.1 Multichannel Audio Serial Port 0 (McASP0) Timing
          1. Table 6-45 Timing Requirements for McASP0 (1.3V, 1.2V, 1.1V)
          2. Table 6-46 Timing Requirements for McASP0 (1.0V)
          3. Table 6-47 Switching Characteristics for McASP0 (1.3V, 1.2V, 1.1V)
          4. Table 6-48 Switching Characteristics for McASP0 (1.0V)
    15. 6.15 Multichannel Buffered Serial Port (McBSP)
      1. 6.15.1 McBSP Peripheral Register Description(s)
      2. 6.15.2 McBSP Electrical Data/Timing
        1. 6.15.2.1 Multichannel Buffered Serial Port (McBSP) Timing
          1. Table 6-50 Timing Requirements for McBSP0 [1.3V, 1.2V, 1.1V] (see )
          2. Table 6-51 Timing Requirements for McBSP0 [1.0V] (see )
          3. Table 6-52 Switching Characteristics for McBSP0 [1.3V, 1.2V, 1.1V] (see )
          4. Table 6-53 Switching Characteristics for McBSP0 [1.0V] (see )
          5. Table 6-54 Timing Requirements for McBSP1 [1.3V, 1.2V, 1.1V] (see )
          6. Table 6-55 Timing Requirements for McBSP1 [1.0V] (see )
          7. Table 6-56 Switching Characteristics for McBSP1 [1.3V, 1.2V, 1.1V] (see )
          8. Table 6-57 Switching Characteristics for McBSP1 [1.0V] (see )
          9. Table 6-58 Timing Requirements for McBSP0 FSR When GSYNC = 1 (see )
          10. Table 6-59 Timing Requirements for McBSP1 FSR When GSYNC = 1 (see )
    16. 6.16 Serial Peripheral Interface Ports (SPI0, SPI1)
      1. 6.16.1 SPI Peripheral Registers Description(s)
      2. 6.16.2 SPI Electrical Data/Timing
        1. 6.16.2.1 Serial Peripheral Interface (SPI) Timing
          1. Table 6-61 General Timing Requirements for SPI0 Master Modes
          2. Table 6-62 General Timing Requirements for SPI0 Slave Modes
          3. Table 6-69 General Timing Requirements for SPI1 Master Modes
          4. Table 6-70 General Timing Requirements for SPI1 Slave Modes
          5. Table 6-71 Additional SPI1 Master Timings, 4-Pin Enable Option
          6. Table 6-72 Additional SPI1 Master Timings, 4-Pin Chip Select Option
    17. 6.17 Inter-Integrated Circuit Serial Ports (I2C)
      1. 6.17.1 I2C Device-Specific Information
      2. 6.17.2 I2C Peripheral Registers Description(s)
      3. 6.17.3 I2C Electrical Data/Timing
        1. 6.17.3.1 Inter-Integrated Circuit (I2C) Timing
          1. Table 6-78 Timing Requirements for I2C Input
          2. Table 6-79 Switching Characteristics for I2C
    18. 6.18 Universal Asynchronous Receiver/Transmitter (UART)
      1. 6.18.1 UART Peripheral Registers Description(s)
      2. 6.18.2 UART Electrical Data/Timing
        1. Table 6-81 Timing Requirements for UART Receive (see )
        2. Table 6-82 Switching Characteristics Over Recommended Operating Conditions for UARTx Transmit (see )
    19. 6.19 Universal Serial Bus OTG Controller (USB0) [USB2.0 OTG]
      1. 6.19.1 USB0 [USB2.0] Electrical Data/Timing
        1. Table 6-84 Switching Characteristics Over Recommended Operating Conditions for USB0 [USB2.0] (see )
    20. 6.20 Ethernet Media Access Controller (EMAC)
      1. 6.20.1 EMAC Peripheral Register Description(s)
        1. 6.20.1.1 EMAC Electrical Data/Timing
          1. Table 6-89 Timing Requirements for MII_RXCLK (see )
          2. Table 6-90 Timing Requirements for MII_TXCLK (see )
          3. Table 6-91 Timing Requirements for EMAC MII Receive 10/100 Mbit/s (see )
          4. Table 6-92 Switching Characteristics Over Recommended Operating Conditions for EMAC MII Transmit 10/100 Mbit/s (see )
    21. 6.21 Management Data Input/Output (MDIO)
      1. 6.21.1 MDIO Register Description(s)
      2. 6.21.2 Management Data Input/Output (MDIO) Electrical Data/Timing
        1. Table 6-96 Timing Requirements for MDIO Input (see and )
        2. Table 6-97 Switching Characteristics Over Recommended Operating Conditions for MDIO Output (see )
    22. 6.22 Host-Port Interface (UHPI)
      1. 6.22.1 HPI Device-Specific Information
      2. 6.22.2 HPI Peripheral Register Description(s)
      3. 6.22.3 HPI Electrical Data/Timing
        1. Table 6-99   Timing Requirements for Host-Port Interface [1.2V, 1.1V]
        2. Table 6-100 Switching Characteristics Over Recommended Operating Conditions for Host-Port Interface [1.3V, 1.2V, 1.1V]
        3. Table 6-101 Switching Characteristics Over Recommended Operating Conditions for Host-Port Interface [1.0V]
    23. 6.23 Universal Parallel Port (uPP)
      1. 6.23.1 uPP Register Descriptions
        1. Table 6-102 Universal Parallel Port (uPP) Registers
      2. 6.23.2 uPP Electrical Data/Timing
        1. Table 6-103 Timing Requirements for uPP (see , , , )
        2. Table 6-104 Switching Characteristics Over Recommended Operating Conditions for uPP
    24. 6.24 Video Port Interface (VPIF)
      1. 6.24.1 VPIF Register Descriptions
        1. Table 6-105 Video Port Interface (VPIF) Registers
      2. 6.24.2 VPIF Electrical Data/Timing
        1. Table 6-106 Timing Requirements for VPIF VP_CLKINx Inputs (see )
        2. Table 6-107 Timing Requirements for VPIF Channels 0/1 Video Capture Data and Control Inputs (see )
        3. Table 6-108 Switching Characteristics Over Recommended Operating Conditions for Video Data Shown With Respect to VP_CLKOUT2/3 (see )
    25. 6.25 Enhanced Capture (eCAP) Peripheral
      1. Table 6-110 Timing Requirements for Enhanced Capture (eCAP)
      2. Table 6-111 Switching Characteristics Over Recommended Operating Conditions for eCAP
    26. 6.26 Enhanced High-Resolution Pulse-Width Modulator (eHRPWM)
      1. 6.26.1 Enhanced Pulse Width Modulator (eHRPWM) Timing
        1. Table 6-113 Timing Requirements for eHRPWM
        2. Table 6-114 Switching Characteristics Over Recommended Operating Conditions for eHRPWM
      2. 6.26.2 Trip-Zone Input Timing
    27. 6.27 Timers
      1. 6.27.1 Timer Electrical Data/Timing
        1. Table 6-117 Timing Requirements for Timer Input (see )
        2. Table 6-118 Switching Characteristics Over Recommended Operating Conditions for Timer Output
    28. 6.28 Real Time Clock (RTC)
      1. 6.28.1 Clock Source
      2. 6.28.2 Real-Time Clock Register Descriptions
    29. 6.29 General-Purpose Input/Output (GPIO)
      1. 6.29.1 GPIO Register Description(s)
      2. 6.29.2 GPIO Peripheral Input/Output Electrical Data/Timing
        1. Table 6-121 Timing Requirements for GPIO Inputs (see )
        2. Table 6-122 Switching Characteristics Over Recommended Operating Conditions for GPIO Outputs (see )
      3. 6.29.3 GPIO Peripheral External Interrupts Electrical Data/Timing
        1. Table 6-123 Timing Requirements for External Interrupts (see )
    30. 6.30 Programmable Real-Time Unit Subsystem (PRUSS)
      1. 6.30.1 PRUSS Register Descriptions
    31. 6.31 Emulation Logic
      1. 6.31.1 JTAG Port Description
      2. 6.31.2 Scan Chain Configuration Parameters
      3. 6.31.3 Initial Scan Chain Configuration
      4. 6.31.4 IEEE 1149.1 JTAG
        1. 6.31.4.1 JTAG Peripheral Register Description(s) – JTAG ID Register (DEVIDR0)
        2. 6.31.4.2 JTAG Test-Port Electrical Data/Timing
          1. Table 6-134 Timing Requirements for JTAG Test Port (see )
          2. Table 6-135 Switching Characteristics Over Recommended Operating Conditions for JTAG Test Port (see )
      5. 6.31.5 JTAG 1149.1 Boundary Scan Considerations
  7. 7Device and Documentation Support
    1. 7.1 Device Nomenclature
    2. 7.2 Tools and Software
    3. 7.3 Documentation Support
    4. 7.4 社区资源
    5. 7.5 商标
    6. 7.6 静电放电警告
    7. 7.7 出口管制提示
    8. 7.8 术语表
  8. 8Mechanical Packaging and Orderable Information
    1. 8.1 Thermal Data for ZCE Package
    2. 8.2 Thermal Data for ZWT Package
    3. 8.3 Packaging Information

封装选项

请参考 PDF 数据表获取器件具体的封装图。

机械数据 (封装 | 引脚)
  • ZCE|361
  • ZWT|361
散热焊盘机械数据 (封装 | 引脚)
订购信息

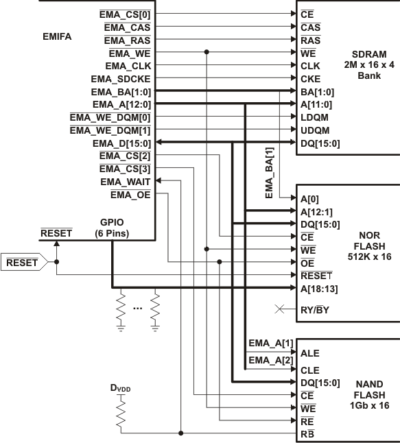
EMIFA Connection Examples

Figure 6-10 illustrates an example of how SDRAM, NOR, and NAND flash devices might be connected to EMIFA simultaneously. The SDRAM chip select must be EMA_CS[0]. Note that the NOR flash is connected to EMA_CS[2] and the NAND flash is connected to EMA_CS[3] in this example. Note that any type of asynchronous memory may be connected to EMA_CS[5:2].

The on-chip bootloader makes some assumptions on which chip select the contains the boot image, and this depends on the boot mode. For NOR boot mode; the on-chip bootloader requires that the image be stored in NOR flash on EMA_CS[2]. For NAND boot mode, the bootloader requires that the boot image is stored in NAND flash on EMA_CS[3]. It is always possible to have the image span multiple chip selects, but this must be supported by second stage boot code stored in the external flash.

A likely use case with more than one EMIFA chip select used for NAND flash is illustrated in Figure 6-11. This figure shows how two multiplane NAND flash devices with two chip selects each would connect to the EMIFA. In this case if NAND is the boot memory, then the boot image needs to be stored in the NAND area selected by EMA_CS[3]. Part of the application image could spill over into the NAND regions selected by other EMIFA chip selects; but would rely on the code stored in the EMA_CS[3] area to bootload it.

TMS320C6746 dg_emif_3flash_prs483.gifFigure 6-10 Connection Diagram: SDRAM, NOR, NAND
TMS320C6746 dg_emif_flash_prs483.gifFigure 6-11 EMIFA Connection Diagram: Multiple NAND Flash Planes