ZHCSCV4C October   2014  – April 2021 TMP451-Q1

PRODUCTION DATA  

  1. 特性
  2. 应用
  3. 说明
  4. Revision History
  5. Pin Configuration and Functions
  6. Specifications
    1. 6.1 Absolute Maximum Ratings
    2. 6.2 ESD Ratings
    3. 6.3 Recommended Operating Conditions
    4. 6.4 Thermal Information
    5. 6.5 Electrical Characteristics
    6. 6.6 Timing Characteristics for Figure 1-1
    7. 6.7 Typical Characteristics
  7. Detailed Description
    1. 7.1 Overview
    2. 7.2 Functional Block Diagram
    3. 7.3 Feature Description
      1. 7.3.1 Temperature Measurement Data
        1. 7.3.1.1 Standard Binary to Decimal Temperature Data Calculation Example
        2. 7.3.1.2 Standard Decimal to Binary Temperature Data Calculation Example
      2. 7.3.2 Series Resistance Cancellation
      3. 7.3.3 Differential Input Capacitance
      4. 7.3.4 Filtering
      5. 7.3.5 Sensor Fault
      6. 7.3.6 ALERT and THERM Functions
    4. 7.4 Device Functional Modes
      1. 7.4.1 Shutdown Mode (SD)
    5. 7.5 Programming
      1. 7.5.1 Serial Interface
        1. 7.5.1.1 Bus Overview
        2. 7.5.1.2 Bus Definitions
        3. 7.5.1.3 Serial Bus Address
        4. 7.5.1.4 Read and Write Operations
        5. 7.5.1.5 Timeout Function
        6. 7.5.1.6 High-Speed Mode
    6. 7.6 Register Map
      1. 7.6.1 Register Information
        1. 7.6.1.1  Pointer Register
        2. 7.6.1.2  Temperature Registers
        3. 7.6.1.3  Status Register
        4. 7.6.1.4  Configuration Register
        5. 7.6.1.5  Conversion Rate Register
        6. 7.6.1.6  One-Shot Start Register
        7. 7.6.1.7  η-Factor Correction Register
        8. 7.6.1.8  Offset Register
        9. 7.6.1.9  General Call Reset
        10. 7.6.1.10 Identification Register
  8. Application and Implementation
    1. 8.1 Application Information
    2. 8.2 Typical Application
      1. 8.2.1 Design Requirements
      2. 8.2.2 Detailed Design Procedure
      3. 8.2.3 Application Curves
  9. Power Supply Recommendations
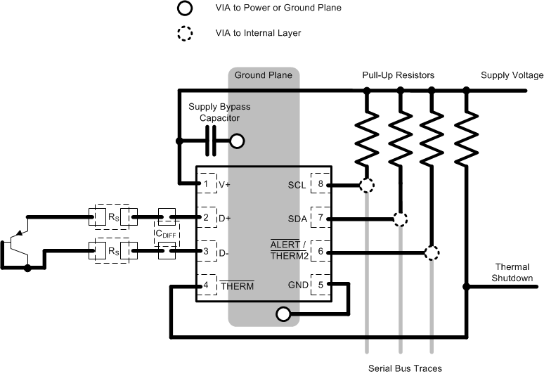
  10. 10Layout
    1. 10.1 Layout Guidelines
    2. 10.2 Layout Example
  11. 11Device and Documentation Support
    1. 11.1 接收文档更新通知
    2. 11.2 支持资源
    3. 11.3 Trademarks
    4. 11.4 静电放电警告
    5. 11.5 术语表
  12. 12Mechanical, Packaging, and Orderable Information

封装选项

机械数据 (封装 | 引脚)
散热焊盘机械数据 (封装 | 引脚)
订购信息

Layout Example

GUID-8166D855-BBF9-43C6-9AF7-EB2E8C68E2DB-low.gifFigure 10-2 TMP451-Q1 Layout Example