ZHCSGJ6B April   2017  – February 2021 TLV61046A

PRODUCTION DATA  

  1. 特性
  2. 应用
  3. 说明
  4. Revision History
  5. Pin Configuration and Functions
  6. Specifications
    1. 6.1 Absolute Maximum Ratings
    2. 6.2 ESD Ratings
    3. 6.3 Recommended Operating Conditions
    4. 6.4 Thermal Information
    5. 6.5 Electrical Characteristics
    6. 6.6 Typical Characteristics
  7. Detailed Description
    1. 7.1 Overview
    2. 7.2 Functional Block Diagram
    3. 7.3 Feature Description
      1. 7.3.1 Undervoltage Lockout
      2. 7.3.2 Enable and Disable
      3. 7.3.3 Soft Start
      4. 7.3.4 Overvoltage Protection
      5. 7.3.5 Output Short Circuit Protection
      6. 7.3.6 Thermal Shutdown
    4. 7.4 Device Functional Modes
      1. 7.4.1 PWM Mode
      2. 7.4.2 Power Save Mode
  8. Application and Implementation
    1. 8.1 Application Information
    2. 8.2 Typical Application - 12-V Output Boost Converter
      1. 8.2.1 Design Requirements
      2. 8.2.2 Detailed Design Procedure
        1. 8.2.2.1 Custom Design With WEBENCH Tools
        2. 8.2.2.2 Programming the Output Voltage
        3. 8.2.2.3 Inductor Selection
        4. 8.2.2.4 Input and Output Capacitor Selection
      3. 8.2.3 Application Performance Curves
    3. 8.3 System Examples
      1. 8.3.1 Fixed 12-V Output Voltage with Three External Components
  9. Power Supply Recommendations
  10. 10Layout
    1. 10.1 Layout Guidelines
    2. 10.2 Layout Example
  11. 11Device and Documentation Support
    1. 11.1 Device Support
      1. 11.1.1 第三方产品免责声明
      2. 11.1.2 Development Support
        1. 11.1.2.1 Custom Design With WEBENCH® Tools
    2. 11.2 接收文档更新通知
    3. 11.3 支持资源
    4. 11.4 Trademarks
    5. 11.5 静电放电警告
    6. 11.6 术语表
  12. 12Mechanical, Packaging, and Orderable Information

封装选项

机械数据 (封装 | 引脚)
散热焊盘机械数据 (封装 | 引脚)
订购信息

说明

TLV61046A 是一款高度集成的升压转换器,专为 PMOLED 面板、LCD 偏置电源和传感器模块等应用设计。TLV61046A 集成了 30V 电源开关、输入至输出的隔离开关以及整流器二极管。该器件可将来自一节锂离子电池或两节碱性电池(串联)的输入电压转换成高达 28V 的输出电压。

TLV61046A 的工作开关频率为 1.0MHz。该器件支持使用小型外部组件。通过将 TLV61046A 的 FB 引脚和 VIN 引脚相连,可将其默认内部输出电压设置为 12V。因此,只需要三个外部组件即可获得 12V 输出电压。TLV61046A 的开关限流典型值为 980mA。它具有 7ms 内置软启动时间,从而能够降低浪涌电流。TLV61046A 处于关断模式时,隔离开关会将输出与输入断开以最大限度降低泄漏电流。TLV61046A 还具有输出短路保护、输出过压保护和热关断功能。

TLV61046A 采用 6 引脚 3mm x 3mm SOT23-6 封装。

器件信息(1)
器件型号 封装 封装尺寸(标称值)
TLV61046A SOT23-6 (6) 2.9mm x 1.6mm
如需了解所有可用封装,请参阅数据表末尾的可订购产品附录。
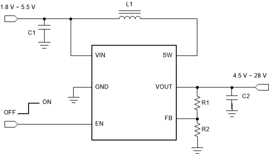
GUID-3D5C45D3-C58C-4C57-9FC5-598D3CD81EB7-low.gif简化版原理图