SBOS533B September   2010  – October 2015 TLV3501A-Q1

PRODUCTION DATA.  

  1. Features
  2. Applications
  3. Description
  4. Revision History
  5. Related Products
  6. Pin Configuration and Functions
  7. Specifications
    1. 7.1 Absolute Maximum Ratings
    2. 7.2 ESD Ratings
    3. 7.3 Recommended Operating Conditions
    4. 7.4 Thermal Information
    5. 7.5 Electrical Characteristics
    6. 7.6 Switching Characteristics
    7. 7.7 Typical Characteristics
  8. Detailed Description
    1. 8.1 Overview
    2. 8.2 Functional Block Diagram
    3. 8.3 Feature Description
      1. 8.3.1 Operating Voltage
      2. 8.3.2 Input Overvoltage Protection
    4. 8.4 Device Functional Modes
      1. 8.4.1 Shutdown
  9. Application and Implementation
    1. 9.1 Application Information
      1. 9.1.1 Adding External Hysteresis
    2. 9.2 Typical Application
      1. 9.2.1 Relaxation Oscillator
        1. 9.2.1.1 Design Requirements
        2. 9.2.1.2 Detailed Design Procedure
        3. 9.2.1.3 Application Curve
      2. 9.2.2 High-Speed Window Comparator
  10. 10Power Supply Recommendations
  11. 11Layout
    1. 11.1 Layout Guidelines
    2. 11.2 Layout Example
  12. 12Device and Documentation Support
    1. 12.1 Documentation Support
      1. 12.1.1 Related Documentation
    2. 12.2 Community Resource
    3. 12.3 Trademarks
    4. 12.4 Electrostatic Discharge Caution
    5. 12.5 Glossary
  13. 13Mechanical, Packaging, and Orderable Information

封装选项

机械数据 (封装 | 引脚)
散热焊盘机械数据 (封装 | 引脚)
订购信息

11 Layout

11.1 Layout Guidelines

For any high-speed comparator or amplifier, proper design and printed circuit board (PCB) layout are necessary for optimal performance. Excess stray capacitance on the active input, or improper grounding, can limit the maximum performance of high-speed circuitry.

Minimizing resistance from the signal source to the comparator input is necessary to minimize the propagation delay of the complete circuit. The source resistance along with input and stray capacitance creates an RC filter that delays voltage transitions at the input, and reduces the amplitude of high-frequency signals. The input capacitance of the TLV3501A-Q1 along with stray capacitance from an input pin to ground results in several picofarads of capacitance.

The location and type of capacitors used for power-supply bypassing are critical to high-speed comparators. The suggested 2.2-μF tantalum capacitor does not need to be as close to the device as the 0.1-μF capacitor, and can be shared with other devices. The 2.2-μF capacitor buffers the power-supply line against ripple, and the 0.1-μF capacitor provides a charge for the comparator during high-frequency switching.

In a high-speed circuit, fast rising and falling switching transients create voltage differences across lines that would be at the same potential at DC. To reduce this effect, a ground plane is often used to reduce difference in voltage potential within the circuit board. A ground plane has the advantage of minimizing the effect of stray capacitances on the circuit board by providing a more desirable path for the current to flow. With a signal trace over a ground plane, at high-frequency the return current (in the ground plane) tends to flow directly under the signal trace. Breaks in the ground plane (as simple as through-hole leads and vias) increase the inductance of the plane, making it less effective at higher frequencies. Breaks in the ground plane for necessary vias should be spaced randomly.

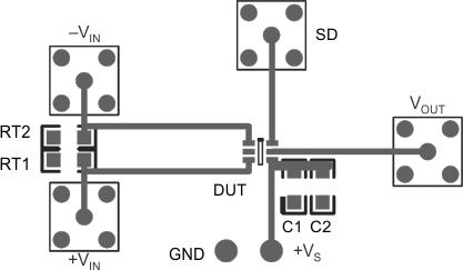
Figure 22 shows a schematic of this circuit.

TLV3501A-Q1 ai_layout_schm_bos533.gif Figure 22. Schematic for Figure 23

Figure 23 shows an evaluation layout for the TLV3501A-Q1 SOT23-6 package which is shown with SMA connectors bringing signals on and off the board. The RT1 and RT2 resistors are termination resistors for +VIN and −VIN, respectively. The C1 and C2 capacitors are power-supply bypass capacitors. Place the 0.1-μF capacitor closest to the comparator. The ground plane is not shown, but the pads connected the resistors and capacitors are shown.

11.2 Layout Example

TLV3501A-Q1 layout02_bos533.gif Figure 23. TLV3501A-Q1 (SOT23) Sample Layout