ZHCSEE6 December   2015 TLV2333 , TLV333 , TLV4333

PRODUCTION DATA.  

  1. 特性
  2. 应用
  3. 说明
  4. 修订历史记录
  5. 器件比较表
  6. 引脚配置和功能
  7. 技术规格
    1. 7.1 绝对最大额定值
    2. 7.2 ESD 额定值
    3. 7.3 建议的工作条件
    4. 7.4 热性能信息:TLV333
    5. 7.5 热性能信息:TLV2333
    6. 7.6 热性能信息:TLV4333
    7. 7.7 电气特性:VS = 1.8V 至 5.5V
    8. 7.8 典型特性
  8. 详细 说明
    1. 8.1 概述
    2. 8.2 功能框图
    3. 8.3 特性 说明
      1. 8.3.1 工作电压
      2. 8.3.2 输入电压
      3. 8.3.3 内部失调校正
      4. 8.3.4 实现到运算放大器负轨的输出摆幅
      5. 8.3.5 输入差分电压
      6. 8.3.6 EMI 敏感性和输入滤波
    4. 8.4 器件功能模式
  9. 应用和实现
    1. 9.1 系统示例
  10. 10电源相关建议
  11. 11布局
    1. 11.1 布局准则
      1. 11.1.1 通用布局准则
    2. 11.2 布局示例
  12. 12器件和文档支持
    1. 12.1 器件支持
      1. 12.1.1 开发支持
    2. 12.2 文档支持
      1. 12.2.1 相关文档
    3. 12.3 相关链接
    4. 12.4 社区资源
    5. 12.5 商标
    6. 12.6 静电放电警告
    7. 12.7 Glossary
  13. 13机械、封装和可订购信息

封装选项

请参考 PDF 数据表获取器件具体的封装图。

机械数据 (封装 | 引脚)
  • D|8
  • DBV|5
  • DCK|5
散热焊盘机械数据 (封装 | 引脚)
订购信息

引脚配置和功能

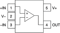
DBV 封装:TLV333
5 引脚 SOT23
俯视图
TLV333 TLV2333 TLV4333 po_333_sot23_bos351.gif
DCK 封装:TLV333
5 引脚 SC70
俯视图
TLV333 TLV2333 TLV4333 po_333_sc70_bos351.gif
D 封装:TLV333
8 引脚小外形尺寸集成电路 (SOIC) 封装
俯视图
TLV333 TLV2333 TLV4333 po_333_so8_bos351.gif
NC 表示无内部连接。

引脚功能:TLV333

引脚 I/O 说明
名称 编号
DBV
(SOT23)
DCK
(SC70)
D
(SOIC)
–IN 4 3 2 I 反相输入
+IN 3 1 3 I 同相输入
NC 1、5、8 无内部连接(可以悬空)
OUT 1 4 6 O 输出
V– 2 2 4 负电源(最低)
V+ 5 5 7 正电源(最高)
D 封装:TLV2333
8 引脚 SOIC、VSSOP
俯视图
TLV333 TLV2333 TLV4333 po_2333_so_msop_bos351.gif

引脚功能:TLV2333

引脚 I/O 说明
名称 编号
D
(SOIC、VSSOP)
–IN A 2 I 反相输入,通道 A
+IN A 3 I 同相输入,通道 A
–IN B 6 I 反相输入,通道 B
+IN B 5 I 同相输入,通道 B
OUT A 1 O 输出,通道 A
OUT B 7 O 输出,通道 B
V– 4 负电源(最低)
V+ 8 正电源(最高)
D 封装:TLV4333
14 引脚 SOIC
俯视图
TLV333 TLV2333 TLV4333 po_so14_bos432.gif
PW 封装:TLV4333
14 引脚 TSSOP
俯视图
TLV333 TLV2333 TLV4333 po_tssop14_bos432.gif

引脚功能:TLV4333

引脚 I/O 说明
名称 编号
D (SOIC) PW (TSSOP)
–IN A 2 2 I 反相输入,通道 A
+IN A 3 3 I 同相输入,通道 A
–IN B 6 6 I 反相输入,通道 B
+IN B 5 5 I 同相输入,通道 B
–IN C 9 9 I 反相输入,通道 C
+IN C 10 10 I 同相输入,通道 C
–IN D 13 13 I 反相输入,通道 D
+IN D 12 12 I 同相输入,通道 D
OUT A 1 1 O 输出,通道 A
OUT B 7 7 O 输出,通道 B
OUT C 8 8 O 输出,通道 C
OUT D 14 14 O 输出,通道 D
V– 11 11 负电源(最低)
V+ 4 4 正电源(最高)