SLAS549D September   2008  – November 2014 TLV320AIC3254

PRODUCTION DATA.  

  1. Features
  2. Applications
  3. Description
  4. Simplified Block Diagram
  5. Revision History
  6. Device Comparison Table
  7. Pin Configuration and Functions
  8. Specifications
    1. 8.1  Absolute Maximum Ratings
    2. 8.2  Handling Ratings
    3. 8.3  Recommended Operating Conditions
    4. 8.4  Thermal Information
    5. 8.5  Electrical Characteristics, ADC
    6. 8.6  Electrical Characteristics, Bypass Outputs
    7. 8.7  Electrical Characteristics, Microphone Interface
    8. 8.8  Electrical Characteristics, Audio DAC Outputs
    9. 8.9  Electrical Characteristics, LDO
    10. 8.10 Electrical Characteristics, Misc.
    11. 8.11 Electrical Characteristics, Logic Levels
    12. 8.12 I2S LJF and RJF Timing in Master Mode (see )
    13. 8.13 I2S LJF and RJF Timing in Slave Mode (see )
    14. 8.14 DSP Timing in Master Mode (see )
    15. 8.15 DSP Timing in Slave Mode (see )
    16. 8.16 Digital Microphone PDM Timing (see )
    17. 8.17 I2C Interface Timing
    18. 8.18 SPI Interface Timing (See )
    19. 8.19 Typical Characteristics
    20. 8.20 Typical Characteristics, FFT
  9. Parameter Measurement Information
  10. 10Detailed Description
    1. 10.1 Overview
    2. 10.2 Functional Block Diagram
    3. 10.3 Feature Description
      1. 10.3.1 Device Connections
        1. 10.3.1.1 Digital Pins
          1. 10.3.1.1.1 Multifunction Pins
        2. 10.3.1.2 Analog Pins
      2. 10.3.2 Analog Audio IO
        1. 10.3.2.1 Analog Low Power Bypass
        2. 10.3.2.2 ADC Bypass Using Mixer Amplifiers
        3. 10.3.2.3 Headphone Outputs
        4. 10.3.2.4 Line Outputs
      3. 10.3.3 ADC
        1. 10.3.3.1 ADC Processing
          1. 10.3.3.1.1 ADC Processing Blocks
      4. 10.3.4 DAC
        1. 10.3.4.1 DAC Processing Blocks
      5. 10.3.5 PowerTune
      6. 10.3.6 Digital Audio IO Interface
      7. 10.3.7 Clock Generation and PLL
      8. 10.3.8 Control Interfaces
        1. 10.3.8.1 I2C Control
        2. 10.3.8.2 SPI Control
    4. 10.4 Device Functional Modes
    5. 10.5 Software
    6. 10.6 Register Map
  11. 11Applications and Implementation
    1. 11.1 Application Information
    2. 11.2 Typical Application
      1. 11.2.1 Design Requirements
        1. 11.2.1.1 Reference Filtering Capacitor
        2. 11.2.1.2 MICBIAS
      2. 11.2.2 Detailed Design Procedures
        1. 11.2.2.1 Analog Input Connection
        2. 11.2.2.2 Analog Output Connection
      3. 11.2.3 Application Curves
  12. 12Power Supply Recommendations
  13. 13Layout
    1. 13.1 Layout Guidelines
    2. 13.2 Layout Example
  14. 14Device and Documentation Support
    1. 14.1 Documentation Support
      1. 14.1.1 Related Documentation
    2. 14.2 Trademarks
    3. 14.3 Electrostatic Discharge Caution
    4. 14.4 Glossary
  15. 15Mechanical, Packaging, and Orderable Information

封装选项

机械数据 (封装 | 引脚)
散热焊盘机械数据 (封装 | 引脚)
订购信息

10 Detailed Description

10.1 Overview

The TLV320AIC3254 features two fully-programmable miniDSP cores that support application-specific algorithms in the record and/or the playback path of the device. The miniDSP cores are fully software controlled. Target algorithms are loaded into the device after power-up.

The TLV320AIC3254 includes extensive register-based control of power, input/output channel configuration, gains, effects, pin-multiplexing and clocks, allowing precise targeting of the device to its application. Combined with the advanced PowerTune technology, the device covers operations from 8 kHz mono voice playback to audio stereo 192kHz DAC playback, making it ideal for portable battery-powered audio and telephony applications.

The record path of the TLV320AIC3254 covers operations from 8kHz mono to 192kHz stereo recording, and contains programmable input channel configurations covering single-ended and differential setups, as well as floating or mixing input signals. It also includes a digitally-controlled stereo microphone preamplifier and integrated microphone bias. Digital signal processing blocks can remove audible noise that may be introduced by mechanical coupling, e.g. optical zooming in a digital camera.

The playback path offers signal-processing blocks for filtering and effects, and supports flexible mixing of DAC and analog input signals as well as programmable volume controls. The playback path contains two high-power output drivers as well as two fully-differential outputs. The high-power outputs can be configured in multiple ways, including stereo and mono BTL.

The integrated PowerTune technology allows the device to be tuned to an optimum power-performance trade-off. Mobile applications frequently have multiple use cases requiring very low power operation while being used in a mobile environment. When used in a docked environment power consumption typically is less of a concern, while minimizing noise is important. With PowerTune, the TLV320AIC3254 addresses both cases.

The voltage supply range for the TLV320AIC3254 for analog is 1.5V–1.95V, and for digital it is 1.26V–1.95V. To ease system-level design, integrated LDOs generate the appropriate analog or digital supply from input voltages ranging from 1.8V to 3.6V. The device supports digital I/O voltages in the range of 1.1V–3.6V.

The required internal clock of the TLV320AIC3254 can be derived from multiple sources, including the MCLK pin, the BCLK pin, the GPIO pin or the output of the internal PLL, where the input to the PLL again can be derived from the MCLK pin, the BCLK or GPIO pins. Although using the PLL ensures the availability of a suitable clock signal, PLL use is not recommended for the lowest power settings. The PLL is highly programmable and can accept available input clocks in the range of 512 kHz to 50 MHz.

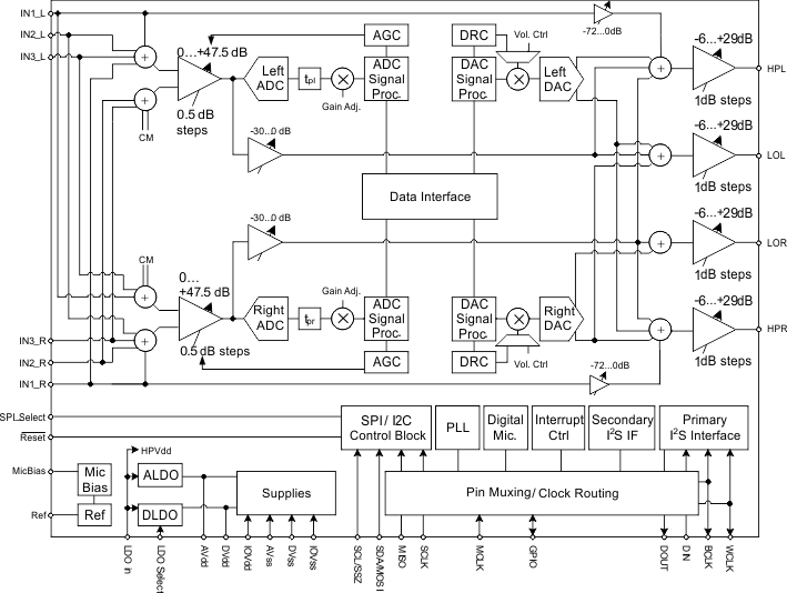
10.2 Functional Block Diagram

Figure 20 shows the basic functional blocks of the device.

sim_bd_los602.gifFigure 20. Block Diagram

10.3 Feature Description

10.3.1 Device Connections

10.3.1.1 Digital Pins

Only a small number of digital pins are dedicated to a single function; whenever possible, the digital pins have a default function, and also can be reprogrammed to cover alternative functions for various applications.

The fixed-function pins are Reset, LDO_Select and the SPI_Select pin, which are HW control pins. Depending on the state of SPI_Select, the two control-bus pins SCL/SS and SDA/MOSI are configured for either I2C or SPI protocol.

Other digital IO pins can be configured for various functions via register control. An overview of available functionality is given in Multifunction Pins.

10.3.1.1.1 Multifunction Pins

Table 1 shows the possible allocation of pins for specific functions. The PLL input, for example, can be programmed to be any of 4 pins (MCLK, BCLK, DIN, GPIO).

Table 1. Multifunction Pin Assignments

1 2 3 4 5 6 7 8
Pin Function MCLK BCLK WCLK DIN
MFP1
DOUT
MFP2
DMDIN/
MFP3/
SCLK
DMCLK/
MFP4/
MISO
GPIO
MFP5
A PLL Input S(2) S(3) E S(4)
B Codec Clock Input S(2),D(5) S(3) S(4)
C I2S BCLK input S,D
D I2S BCLK output E(1)
E I2S WCLK input E, D
F I2S WCLK output E
G I2S ADC word clock input E E
H I2S ADC WCLK out E E
I I2S DIN E, D
J I2S DOUT E, D
K General Purpose Output I E
K General Purpose Output II E
K General Purpose Output III E
L General Purpose Input I E
L General Purpose Input II E
L General Purpose Input III E
M INT1 output E E E
N INT2 output E E E
O Digital Microphone Data Input E E E
P Digital Microphone Clock Output E E
Q Secondary I2S BCLK input E E
R Secondary I2S WCLK in E E
S Secondary I2S DIN E E
T Secondary I2S DOUT E
U Secondary I2S BCLK OUT E E E
V Secondary I2S WCLK OUT E E E
W Headphone Detect Input E
X Aux Clock Output E E E
(1) E: The pin is exclusively used for this function, no other function can be implemented with the same pin. (If GPIO/MFP5 has been allocated for General Purpose Output, it cannot be used as the INT1 output at the same time.)
(2) S(1): The MCLK pin can drive the PLL and Codec Clock inputs simultaneously.
(3) S(2): The BCLK pin can drive the PLL and Codec Clock and audio interface bit clock inputs simultaneously.
(4) S(3): The GPIO/MFP5 pin can drive the PLL and Codec Clock inputs simultaneously.
(5) D: Default Function

10.3.1.2 Analog Pins

Analog functions can also be configured to a large degree. For minimum power consumption, analog blocks are powered down by default. The blocks can be powered up with fine granularity according to the application needs.

10.3.2 Analog Audio IO

The analog IO path of the TLV320AIC3254 features a large set of options for signal conditioning as well as signal routing:

  • 6 analog inputs which can be mixed and-or multiplexed in single-ended and-or differential configuration
  • 2 programmable gain amplifiers (PGA) with a range of 0 to +47.5dB
  • 2 mixer amplifiers for analog bypass
  • 2 low power analog bypass channels
  • Mute function
  • Automatic gain control (AGC)
  • Built in microphone bias
  • Stereo digital microphone interface
  • Channel-to-channel phase adjustment
  • Fast charge of ac-coupling capacitors
  • Anti thump

10.3.2.1 Analog Low Power Bypass

The TLV320AIC3254 offers two analog-bypass modes. In either of the modes, an analog input signal can be routed from an analog input pin to an amplifier driving an analog output pin. Neither the ADC nor the DAC resources are required for such operation; this configuration supports low-power operation during analog-bypass mode.

In analog low-power bypass mode, line-level signals can be routed directly from the analog inputs IN1_L to the left headphone amplifier (HPL) and IN1_R to HPR.

10.3.2.2 ADC Bypass Using Mixer Amplifiers

In addition to the analog low-power bypass mode, another bypass mode uses the programmable gain amplifiers of the input stage in conjunction with a mixer amplifier. With this mode, microphone-level signals can be amplified and routed to the line or headphone outputs, fully bypassing the ADC and DAC.

To enable this mode, the mixer amplifiers are powered on via software command.

10.3.2.3 Headphone Outputs

The stereo headphone drivers on pins HPL and HPR can drive loads with impedances down to 16Ω in single-ended AC-coupled headphone configurations, or loads down to 32Ω in differential mode, where a speaker is connected between HPL and HPR. In single-ended drive configuration these drivers can drive up to 15mW power into each headphone channel while operating from 1.8V analog supplies. While running from the AVDD supply, the output common-mode of the headphone driver is set by the common-mode setting of analog inputs in Page 1, Register 10, Bit D6, to allow maximum utilization of the analog supply range while simultaneously providing a higher output-voltage swing. In cases when higher output-voltage swing is required, the headphone amplifiers can run directly from the higher supply voltage on LDOIN input (up to 3.6V). To use the higher supply voltage for higher output signal swing, the output common-mode can be adjusted to either 1.25V, 1.5V or 1.65V by configuring Page 1, Register 10, Bits D5-D4. When the common-mode voltage is configured at 1.65V and LDOIN supply is 3.3V, the headphones can each deliver up to 40mW power into a 16Ω load.

The headphone drivers are capable of driving a mixed combination of DAC signal, left and right ADC PGA signal and line-bypass from analog input IN1_L and IN1_R by configuring Page 1, Register 12 and Page 1, Register 13 respectively. The ADC PGA signals can be attenuated up to 30dB before routing to headphone drivers by configuring Page 1, Register 24 and Page 1, Register 25. The analog line-input signals can be attenuated up to 72dB before routing by configuring Page 1, Register 22 and 23. The level of the DAC signal can be controlled using the digital volume control of the DAC in Page 0, Reg 65 and 66. To control the output-voltage swing of headphone drivers, the digital volume control provides a range of –6.0dB to +29.0dB

(1) If the device must be placed into 'mute' from the –6.0dB setting, set the device at a gain of –5.0dB first, then place the device into mute.
in steps of 1dB. These can be configured by programming Page 1, Register 16 and 17. These level controls are not meant to be used as dynamic volume control, but to set output levels during initial device configuration. Refer to for recommendations for using headphone volume control for achieving 0dB gain through the DAC channel with various configurations.

10.3.2.4 Line Outputs

The stereo line level drivers on LOL and LOR pins can drive a wide range of line level resistive impedances in the range of 600Ω to 10kΩ. The output common modes of line level drivers can be configured to equal either the analog input common-mode setting or to 1.65V. With output common-mode setting of 1.65V and DRVdd_HP supply at 3.3V the line-level drivers can drive up to 1Vrms output signal. The line-level drivers can drive out a mixed combination of DAC signal and attenuated ADC PGA signal. Signal mixing is register-programmable.

10.3.3 ADC

The TLV320AIC3254 includes a stereo audio ADC, which uses a delta-sigma modulator with a programmable oversampling ratio, followed by a digital decimation filter. The ADC supports sampling rates from 8kHz to 192kHz. In order to provide optimal system power management, the stereo recording path can be powered up one channel at a time, to support the case where only mono record capability is required.

The ADC path of the TLV320AIC3254 features a large set of options for signal conditioning as well as signal routing:

  • Two ADCs
  • Six analog inputs which can be mixed and-or multiplexed in single-ended and-or differential configuration
  • Two programmable gain amplifiers (PGA) with a range of 0 to +47.5dB
  • Two mixer amplifiers for analog bypass
  • Two low power analog bypass channels
  • Fine gain adjustment of digital channels with 0.1dB step size
  • Digital volume control with a range of -12 to +20dB
  • Mute function
  • Automatic gain control (AGC)

In addition to the standard set of ADC features the TLV320AIC3254 also offers the following special functions:

  • Built in microphone bias
  • Stereo digital microphone interface
  • Channel-to-channel phase adjustment
  • Fast charge of ac-coupling capacitors
  • Anti thump
  • Adaptive filter mode

10.3.3.1 ADC Processing

The TLV320AIC3254 ADC channel includes a built-in digital decimation filter to process the oversampled data from the sigma-delta modulator to generate digital data at Nyquist sampling rate with high dynamic range. The decimation filter can be chosen from three different types, depending on the required frequency response, group delay and sampling rate.

10.3.3.1.1 ADC Processing Blocks

The TLV320AIC3254 offers a range of processing blocks which implement various signal processing capabilities along with decimation filtering. These processing blocks give users the choice of how much and what type of signal processing they may use and which decimation filter is applied.

The choice between these processing blocks is part of the PowerTune strategy to balance power conservation and signal-processing flexibility. Less signal-processing capability reduces the power consumed by the device. Table 2 gives an overview of the available processing blocks and their properties. The Resource Class Column (RC) gives an approximate indication of power consumption.

The signal processing blocks available are:

  • First-order IIR
  • Scalable number of biquad filters
  • Variable-tap FIR filter
  • AGC

The processing blocks are tuned for common cases and can achieve high anti-alias filtering or low group delay in combination with various signal processing effects such as audio effects and frequency shaping. The available first order IIR, BiQuad and FIR filters have fully user-programmable coefficients. The Resource Class Column (RC) gives an approximate indication of power consumption.

Table 2. ADC Processing Blocks

Processing Blocks Channel Decimation
Filter
1st Order
IIR Available
Number
BiQuads
FIR Required AOSR Value Resource
Class
PRB_R1(1) Stereo A Yes 0 No 128,64 6
PRB_R2 Stereo A Yes 5 No 128,64 8
PRB_R3 Stereo A Yes 0 25-Tap 128,64 8
PRB_R4 Right A Yes 0 No 128,64 3
PRB_R5 Right A Yes 5 No 128,64 4
PRB_R6 Right A Yes 0 25-Tap 128,64 4
PRB_R7 Stereo B Yes 0 No 64 3
PRB_R8 Stereo B Yes 3 No 64 4
PRB_R9 Stereo B Yes 0 20-Tap 64 4
PRB_R10 Right B Yes 0 No 64 2
PRB_R11 Right B Yes 3 No 64 2
PRB_R12 Right B Yes 0 20-Tap 64 2
PRB_R13 Stereo C Yes 0 No 32 3
PRB_R14 Stereo C Yes 5 No 32 4
PRB_R15 Stereo C Yes 0 25-Tap 32 4
PRB_R16 Right C Yes 0 No 32 2
PRB_R17 Right C Yes 5 No 32 2
PRB_R18 Right C Yes 0 25-Tap 32 2
(1) Default

For more detailed information see the TLV320AIC3254 Application Reference Guide,SLAA408.

10.3.4 DAC

The TLV320AIC3254 includes a stereo audio DAC supporting data rates from 8kHz to 192kHz. Each channel of the stereo audio DAC consists of a signal-processing engine with fixed processing blocks, a programmable miniDSP, a digital interpolation filter, multi-bit digital delta-sigma modulator, and an analog reconstruction filter. The DAC is designed to provide enhanced performance at low sampling rates through increased oversampling and image filtering, thereby keeping quantization noise generated within the delta-sigma modulator and signal images strongly suppressed within the audio band to beyond 20kHz. To handle multiple input rates and optimize power dissipation and performance, the TLV320AIC3254 allows the system designer to program the oversampling rates over a wide range from 1 to 1024. The system designer can choose higher oversampling ratios for lower input data rates and lower oversampling ratios for higher input data rates.

The TLV320AIC3254 DAC channel includes a built-in digital interpolation filter to generate oversampled data for the sigma-delta modulator. The interpolation filter can be chosen from three different types depending on required frequency response, group delay and sampling rate.

The DAC path of the TLV320AIC3254 features many options for signal conditioning and signal routing:

  • 2 headphone amplifiers
    • Usable in single-ended or differential mode
    • Analog volume setting with a range of -6 to +29dB
    • Class-D mode
  • 2 line-out amplifiers
    • Usable in single-ended or differential mode
    • Analog volume setting with a range of -6 to +29dB
  • Digital volume control with a range of -63.5 to +24dB
  • Mute function
  • Dynamic range compression (DRC)

In addition to the standard set of DAC features the TLV320AIC3254 also offers the following special features:

  • Built in sine wave generation (beep generator)
  • Digital auto mute
  • Adaptive filter mode

10.3.4.1 DAC Processing Blocks

The TLV320AIC3254 implements signal processing capabilities and interpolation filtering via processing blocks. These fixed processing blocks give users the choice of how much and what type of signal processing they may use and which interpolation filter is applied.

The choice between these processing blocks is part of the PowerTune strategy balancing power conservation and signal processing flexibility. Less signal processing capability will result in less power consumed by the device. Table 3 gives an overview over all available processing blocks of the DAC channel and their properties. The Resource Class Column (RC) gives an approximate indication of power consumption.

The signal processing blocks available are:

  • First-order IIR
  • Scalable number of biquad filters
  • 3D – Effect
  • Beep Generator

The processing blocks are tuned for typical cases and can achieve high image rejection or low group delay in combination with various signal processing effects such as audio effects and frequency shaping. The available first-order IIR and biquad filters have fully user-programmable coefficients. The Resource Class Column (RC) gives an approximate indication of power consumption.

Table 3. Overview – DAC Predefined Processing Blocks

Processing
Block No.
Interpolation Filter Channel 1st Order
IIR Available
Num. of Biquads DRC 3D Beep Generator Resource Class
PRB_P1(1) A Stereo No 3 No No No 8
PRB_P2 A Stereo Yes 6 Yes No No 12
PRB_P3 A Stereo Yes 6 No No No 10
PRB_P4 A Left No 3 No No No 4
PRB_P5 A Left Yes 6 Yes No No 6
PRB_P6 A Left Yes 6 No No No 6
PRB_P7 B Stereo Yes 0 No No No 6
PRB_P8 B Stereo No 4 Yes No No 8
PRB_P9 B Stereo No 4 No No No 8
PRB_P10 B Stereo Yes 6 Yes No No 10
PRB_P11 B Stereo Yes 6 No No No 8
PRB_P12 B Left Yes 0 No No No 3
PRB_P13 B Left No 4 Yes No No 4
PRB_P14 B Left No 4 No No No 4
PRB_P15 B Left Yes 6 Yes No No 6
PRB_P16 B Left Yes 6 No No No 4
PRB_P17 C Stereo Yes 0 No No No 3
PRB_P18 C Stereo Yes 4 Yes No No 6
PRB_P19 C Stereo Yes 4 No No No 4
PRB_P20 C Left Yes 0 No No No 2
PRB_P21 C Left Yes 4 Yes No No 3
PRB_P22 C Left Yes 4 No No No 2
PRB_P23 A Stereo No 2 No Yes No 8
PRB_P24 A Stereo Yes 5 Yes Yes No 12
PRB_P25 A Stereo Yes 5 Yes Yes Yes 12
(1) Default

For more detailed information see the TLV320AIC3254 Application Reference Guide,SLAA408.

10.3.5 PowerTune

The TLV320AIC3254 features PowerTune, a mechanism to balance power-versus-performance trade-offs at the time of device configuration. The device can be tuned to minimize power dissipation, to maximize performance, or to an operating point between the two extremes to best fit the application. The TLV320AIC3254 PowerTune modes are called PTM_R1 to PTM_R4 for the recording (ADC) path and PTM_P1 to PTM_P4 for the playback (DAC) path.

For more detailed information see the TLV320AIC3254 Application Reference Guide,SLAA408.

10.3.6 Digital Audio IO Interface

Audio data flows between the host processor and the TLV320AIC3254 on the digital audio data serial interface, or audio bus. This very flexible bus includes left or right-justified data options, support for I2S or PCM protocols, programmable data length options, a TDM mode for multichannel operation, very flexible master-slave configurability for each bus clock line, and the ability to communicate with multiple devices within a system directly.

The audio bus of the TLV320AIC3254 can be configured for left or right-justified, I2S, DSP, or TDM modes of operation, where communication with standard telephony PCM interfaces is supported within the TDM mode. These modes are all MSB-first, with data width programmable as 16, 20, 24, or 32 bits by configuring Page 0, Register 27, D(5:4). In addition, the word clock and bit clock can be independently configured in either Master or Slave mode, for flexible connectivity to a wide variety of processors. The word clock is used to define the beginning of a frame, and may be programmed as either a pulse or a square-wave signal. The frequency of this clock corresponds to the maximum of the selected ADC and DAC sampling frequencies.

The bit clock is used to clock in and clock out the digital audio data across the serial bus. When in Master mode, this signal can be programmed to generate variable clock pulses by controlling the bit-clock divider in Page 0, Register 30. The number of bit-clock pulses in a frame may need adjustment to accommodate various word lengths, and to support the case when multiple TLV320AIC3254s may share the same audio bus.

The TLV320AIC3254 also includes a feature to offset the position of start of data transfer with respect to the word-clock. Control the offset in terms of number of bit-clocks by programming Page 0, Register 28.

The TLV320AIC3254 also has the feature to invert the polarity of the bit-clock used to transfer the audio data as compared to the default clock polarity used. This feature can be used independently of the mode of audio interface chosen. Page 0, Register 29, D(3) configures bit clock polarity.

The TLV320AIC3254 further includes programmability (Page 0, Register 27, D(0)) to place the DOUT line into a hi-Z (3-state) condition during all bit clocks when valid data is not being sent. By combining this capability with the ability to program at what bit clock in a frame the audio data begins, time-division multiplexing (TDM) can be accomplished, enabling the use of multiple codecs on a single audio serial data bus. When the audio serial data bus is powered down while configured in master mode, the pins associated with the interface are put into a hi-Z output condition.

By default when the word-clocks and bit-clocks are generated by the TLV320AIC3254, these clocks are active only when the codec (ADC, DAC or both) are powered up within the device. This intermittent clock operation reduces power consumption. However, it also supports a feature when both the word clocks and bit-clocks can be active even when the codec in the device is powered down. This continuous clock feature is useful when using the TDM mode with multiple codecs on the same bus, or when word-clock or bit-clocks are used in the system as general-purpose clocks.

10.3.7 Clock Generation and PLL

The TLV320AIC3254 supports a wide range of options for generating clocks for the ADC and DAC sections as well as interface and other control blocks. The clocks for ADC and DAC require a source reference clock. This clock can be provided on variety of device pins such as MCLK, BCLK or GPI pins. The CODEC_CLKIN can then be routed through highly-flexible clock dividers to generate the various clocks required for ADC, DAC and the miniDSP sections. In the event that the desired audio or miniDSP clocks cannot be generated from the reference clocks on MCLK BCLK or GPIO, the TLV320AIC3254 also provides the option of using the on-chip PLL which supports a wide range of fractional multiplication values to generate the required clocks. Starting from CODEC_CLKIN the TLV320AIC3254 provides several programmable clock dividers to help achieve a variety of sampling rates for ADC, DAC and clocks for the miniDSP.

To minimize power consumption, the system ideally provides a master clock that is a suitable integer multiple of the desired sampling frequencies. In such cases, internal dividers can be programmed to set up the required internal clock signals at very low power consumption. For cases where such master clocks are not available, the built-in PLL can be used to generate a clock signal that serves as an internal master clock. In fact, this master clock can also be routed to an output pin and may be used elsewhere in the system. The clock system is flexible enough that it even allows the internal clocks to be derived directly from an external clock source, while the PLL is used to generate some other clock that is only used outside the TLV320AIC3254.

For more detailed information see the TLV320AIC3254 Application Reference Guide,SLAA408.

10.3.8 Control Interfaces

The TLV320AIC3254 control interface supports SPI or I2C communication protocols, with the protocol selectable using the SPI_SELECT pin. For SPI, SPI_SELECT should be tied high; for I2C, SPI_SELECT should be tied low. Changing the state of SPI_SELECT during device operation is not recommended.

10.3.8.1 I2C Control

The TLV320AIC3254 supports the I2C control protocol, and will respond to the I2C address of 0011000. I2C is a two-wire, open-drain interface supporting multiple devices and masters on a single bus. Devices on the I2C bus only drive the bus lines LOW by connecting them to ground; they never drive the bus lines HIGH. Instead, the bus wires are pulled HIGH by pullup resistors, so the bus wires are HIGH when no device is driving them LOW. This circuit prevents two devices from conflicting; if two devices drive the bus simultaneously, there is no driver contention.

10.3.8.2 SPI Control

In the SPI control mode, the TLV320AIC3254 uses the pins SCL/SS as SS, SCLK as SCLK, MISO as MISO, SDA/MOSI as MOSI; a standard SPI port with clock polarity setting of 0 (typical microprocessor SPI control bit CPOL = 0). The SPI port allows full-duplex, synchronous, serial communication between a host processor (the master) and peripheral devices (slaves). The SPI master (in this case, the host processor) generates the synchronizing clock (driven onto SCLK) and initiates transmissions. The SPI slave devices (such as the TLV320AIC3254) depend on a master to start and synchronize transmissions. A transmission begins when initiated by an SPI master. The byte from the SPI master begins shifting in on the slave MOSI pin under the control of the master serial clock (driven onto SCLK). As the byte shifts in on the MOSI pin, a byte shifts out on the MISO pin to the master shift register.

For more detailed information see the TLV320AIC3254 Application Reference Guide,SLAA408.

10.4 Device Functional Modes

The following special functions are available to support advanced system requirements:

  • Headset detection
  • Interrupt generation
  • Flexible pin multiplexing

For more detailed information see the TLV320AIC3254 Application Reference Guide,SLAA408.

The TLV320AIC3254 features two miniDSP cores. The first miniDSP core is tightly coupled to the ADC, the second miniDSP core is tightly coupled to the DAC. The fully programmable algorithms for the miniDSP must be loaded into the device after power up. The miniDSPs have direct access to the digital stereo audio stream on the ADC and on the DAC side, offering the possibility for advanced, very-low group delay DSP algorithms. Each miniDSP can run up to 1152 instructions on every audio sample at a 48kHz sample rate. The two cores can run fully synchronized and can exchange data.

10.5 Software

Software development for the TLV320AIC3254 is supported through TI's comprehensive PurePath Studio Development Environment; a powerful, easy-to-use tool designed specifically to simplify software development on the TLV320AIC3254 miniDSP audio platform. The Graphical Development Environment consists of a library of common audio functions that can be dragged-and-dropped into an audio signal flow and graphically connected together. The DSP code can then be assembled from the graphical signal flow with the click of a mouse.

Please visit the TLV320AIC3254 product folder on www.ti.com to learn more about PurePath Studio and the latest status on available, ready-to-use DSP algorithms.

10.6 Register Map

Table 4. Summary of Register Map

Decimal Hex DESCRIPTION
PAGE NO. REG. NO. PAGE NO. REG. NO.
0 0 0x00 0x00 Page Select Register
0 1 0x00 0x01 Software Reset Register
0 2 0x00 0x02 Reserved Register
0 3 0x00 0x03 Reserved Register
0 4 0x00 0x04 Clock Setting Register 1, Multiplexers
0 5 0x00 0x05 Clock Setting Register 2, PLL P and R Values
0 6 0x00 0x06 Clock Setting Register 3, PLL J Values
0 7 0x00 0x07 Clock Setting Register 4, PLL D Values (MSB)
0 8 0x00 0x08 Clock Setting Register 5, PLL D Values (LSB)
0 9-10 0x00 0x09-0x0A Reserved Register
0 11 0x00 0x0B Clock Setting Register 6, NDAC Values
0 12 0x00 0x0C Clock Setting Register 7, MDAC Values
0 13 0x00 0x0D DAC OSR Setting Register 1, MSB Value
0 14 0x00 0x0E DAC OSR Setting Register 2, LSB Value
0 15 0x00 0x0F miniDSP_D Instruction Control Register 1
0 16 0x00 0x10 miniDSP_D Instruction Control Register 2
0 17 0x00 0x11 miniDSP_D Interpolation Factor Setting Register
0 18 0x00 0x12 Clock Setting Register 8, NADC Values
0 19 0x00 0x13 Clock Setting Register 9, MADC Values
0 20 0x00 0x14 ADC Oversampling (AOSR) Register
0 21 0x00 0x15 miniDSP_A Instruction Control Register 1
0 22 0x00 0x16 miniDSP_A Instruction Control Register 2
0 23 0x00 0x17 miniDSP_A Decimation Factor Setting Register
0 24 0x00 0x18 Reserved Register
0 25 0x00 0x19 Clock Setting Register 10, Multiplexers
0 26 0x00 0x1A Clock Setting Register 11, CLKOUT M divider value
0 27 0x00 0x1B Audio Interface Setting Register 1
0 28 0x00 0x1C Audio Interface Setting Register 2, Data offset setting
0 29 0x00 0x1D Audio Interface Setting Register 3
0 30 0x00 0x1E Clock Setting Register 12, BCLK N Divider
0 31 0x00 0x1F Audio Interface Setting Register 4, Secondary Audio Interface
0 32 0x00 0x20 Audio Interface Setting Register 5
0 33 0x00 0x21 Audio Interface Setting Register 6
0 34 0x00 0x22 Digital Interface Misc. Setting Register
0 35 0x00 0x23 Reserved Register
0 36 0x00 0x24 ADC Flag Register
0 37 0x00 0x25 DAC Flag Register 1
0 38 0x00 0x26 DAC Flag Register 2
0 39-41 0x00 0x27-0x29 Reserved Register
0 42 0x00 0x2A Sticky Flag Register 1
0 43 0x00 0x2B Interrupt Flag Register 1
0 44 0x00 0x2C Sticky Flag Register 2
0 45 0x00 0x2D Sticky Flag Register 3
0 46 0x00 0x2E Interrupt Flag Register 2
0 47 0x00 0x2F Interrupt Flag Register 3
0 48 0x00 0x30 INT1 Interrupt Control Register
0 49 0x00 0x31 INT2 Interrupt Control Register
0 50-51 0x00 0x32-0x33 Reserved Register
0 52 0x00 0x34 GPIO/MFP5 Control Register
0 53 0x00 0x35 DOUT/MFP2 Function Control Register
0 54 0x00 0x36 DIN/MFP1 Function Control Register
0 55 0x00 0x37 MISO/MFP4 Function Control Register
0 56 0x00 0x38 SCLK/MFP3 Function Control Register
0 57-59 0x00 0x39-0x3B Reserved Registers
0 60 0x00 0x3C DAC Signal Processing Block Control Register
0 61 0x00 0x3D ADC Signal Processing Block Control Register
0 62 0x00 0x3E miniDSP_A and miniDSP_D Configuration Register
0 63 0x00 0x3F DAC Channel Setup Register 1
0 64 0x00 0x40 DAC Channel Setup Register 2
0 65 0x00 0x41 Left DAC Channel Digital Volume Control Register
0 66 0x00 0x42 Right DAC Channel Digital Volume Control Register
0 67 0x00 0x43 Headset Detection Configuration Register
0 68 0x00 0x44 DRC Control Register 1
0 69 0x00 0x45 DRC Control Register 2
0 70 0x00 0x46 DRC Control Register 3
0 71 0x00 0x47 Beep Generator Register 1
0 72 0x00 0x48 Beep Generator Register 2
0 73 0x00 0x49 Beep Generator Register 3
0 74 0x00 0x4A Beep Generator Register 4
0 75 0x00 0x4B Beep Generator Register 5
0 76 0x00 0x4C Beep Generator Register 6
0 77 0x00 0x4D Beep Generator Register 7
0 78 0x00 0x4E Beep Generator Register 8
0 79 0x00 0x4F Beep Generator Register 9
0 80 0x00 0x50 Reserved Register
0 81 0x00 0x51 ADC Channel Setup Register
0 82 0x00 0x52 ADC Fine Gain Adjust Register
0 83 0x00 0x53 Left ADC Channel Volume Control Register
0 84 0x00 0x54 Right ADC Channel Volume Control Register
0 85 0x00 0x55 ADC Phase Adjust Register
0 86 0x00 0x56 Left Channel AGC Control Register 1
0 87 0x00 0x57 Left Channel AGC Control Register 2
0 88 0x00 0x58 Left Channel AGC Control Register 3
0 89 0x00 0x59 Left Channel AGC Control Register 4
0 90 0x00 0x5A Left Channel AGC Control Register 5
0 91 0x00 0x5B Left Channel AGC Control Register 6
0 92 0x00 0x5C Left Channel AGC Control Register 7
0 93 0x00 0x5D Left Channel AGC Control Register 8
0 94 0x00 0x5E Right Channel AGC Control Register 1
0 95 0x00 0x5F Right Channel AGC Control Register 2
0 96 0x00 0x60 Right Channel AGC Control Register 3
0 97 0x00 0x61 Right Channel AGC Control Register 4
0 98 0x00 0x62 Right Channel AGC Control Register 5
0 99 0x00 0x63 Right Channel AGC Control Register 6
0 100 0x00 0x64 Right Channel AGC Control Register 7
0 101 0x00 0x65 Right Channel AGC Control Register 8
0 102 0x00 0x66 DC Measurement Register 1
0 103 0x00 0x67 DC Measurement Register 2
0 104 0x00 0x68 Left Channel DC Measurement Output Register 1
0 105 0x00 0x69 Left Channel DC Measurement Output Register 2
0 106 0x00 0x6A Left Channel DC Measurement Output Register 3
0 107 0x00 0x6B Right Channel DC Measurement Output Register 1
0 108 0x00 0x6C Right Channel DC Measurement Output Register 2
0 109 0x00 0x6D Right Channel DC Measurement Output Register 3
0 110-127 0x00 0x6E-0x7F Reserved Register
1 0 0x01 0x00 Page Select Register
1 1 0x01 0x01 Power Configuration Register
1 2 0x01 0x02 LDO Control Register
1 3 0x01 0x03 Playback Configuration Register 1
1 4 0x01 0x04 Playback Configuration Register 2
1 5-8 0x01 0x05-0x08 Reserved Register
1 9 0x01 0x09 Output Driver Power Control Register
1 10 0x01 0x0A Common Mode Control Register
1 11 0x01 0x0B Over Current Protection Configuration Register
1 12 0x01 0x0C HPL Routing Selection Register
1 13 0x01 0x0D HPR Routing Selection Register
1 14 0x01 0x0E LOL Routing Selection Register
1 15 0x01 0x0F LOR Routing Selection Register
1 16 0x01 0x10 HPL Driver Gain Setting Register
1 17 0x01 0x11 HPR Driver Gain Setting Register
1 18 0x01 0x12 LOL Driver Gain Setting Register
1 19 0x01 0x13 LOR Driver Gain Setting Register
1 20 0x01 0x14 Headphone Driver Startup Control Register
1 21 0x01 0x15 Reserved Register
1 22 0x01 0x16 IN1_L to HPL Volume Control Register
1 23 0x01 0x17 IN1_R to HPR Volume Control Register
1 24 0x01 0x18 Mixer Amplifier Left Volume Control Register
1 25 0x01 0x19 Mixer Amplifier Right Volume Control Register
1 26-50 0x01 0x1A-0x32 Reserved Register
1 51 0x01 0x33 MICBIAS Configuration Register
1 52 0x01 0x34 Left MICPGA Positive Terminal Input Routing Configuration Register
1 53 0x01 0x35 Reserved Register
1 54 0x01 0x36 Left MICPGA Negative Terminal Input Routing Configuration Register
1 55 0x01 0x37 Right MICPGA Positive Terminal Input Routing Configuration Register
1 56 0x01 0x38 Reserved Register
1 57 0x01 0x39 Right MICPGA Negative Terminal Input Routing Configuration Register
1 58 0x01 0x3A Floating Input Configuration Register
1 59 0x01 0x3B Left MICPGA Volume Control Register
1 60 0x01 0x3C Right MICPGA Volume Control Register
1 61 0x01 0x3D ADC Power Tune Configuration Register
1 62 0x01 0x3E ADC Analog Volume Control Flag Register
1 63 0x01 0x3F DAC Analog Gain Control Flag Register
1 64-70 0x01 0x40-0x46 Reserved Register
1 71 0x01 0x47 Analog Input Quick Charging Configuration Register
1 72-122 0x01 0x48-0x7A Reserved Register
1 123 0x01 0x7B Reference Power-up Configuration Register
1 124-127 0x01 0x7C-0x7F Reserved Register
8 0 0x08 0x00 Page Select Register
8 1 0x08 0x01 ADC Adaptive Filter Configuration Register
8 2-7 0x08 0x02-0x07 Reserved
8 8-127 0x08 0x08-0x7F ADC Coefficients Buffer-A C(0:29)
9-16 0 0x09-0x10 0x00 Page Select Register
9-16 1-7 0x09-0x10 0x01-0x07 Reserved
9-16 8-127 0x09-0x10 0x08-0x7F ADC Coefficients Buffer-A C(30:255)
26-34 0 0x1A-0x22 0x00 Page Select Register
26-34 1-7 0x1A-0x22 0x01-0x07 Reserved.
26-34 8-127 0x1A-0x22 0x08-0x7F ADC Coefficients Buffer-B C(0:255)
44 0 0x2C 0x00 Page Select Register
44 1 0x2C 0x01 DAC Adaptive Filter Configuration Register
44 2-7 0x2C 0x02-0x07 Reserved
44 8-127 0x2C 0x08-0x7F DAC Coefficients Buffer-A C(0:29)
45-52 0 0x2D-0x34 0x00 Page Select Register
45-52 1-7 0x2D-0x34 0x01-0x07 Reserved.
45-52 8-127 0x2D-0x34 0x08-0x7F DAC Coefficients Buffer-A C(30:255)
62-70 0 0x3E-0x46 0x00 Page Select Register
62-70 1-7 0x3E-0x46 0x01-0x07 Reserved.
62-70 8-127 0x3E-0x46 0x08-0x7F DAC Coefficients Buffer-B C(0:255)
80-114 0 0x50-0x72 0x00 Page Select Register
80-114 1-7 0x50-0x72 0x01-0x07 Reserved.
80-114 8-127 0x50-0x72 0x08-0x7F miniDSP_A Instructions
152-186 0 0x98-0xBA 0x00 Page Select Register
152-186 1-7 0x98-0xBA 0x01-0x07 Reserved.
152-186 8-127 0x98-0xBA 0x08-0x7F miniDSP_D Instructions