SLAS549D September 2008 – November 2014 TLV320AIC3254
PRODUCTION DATA.
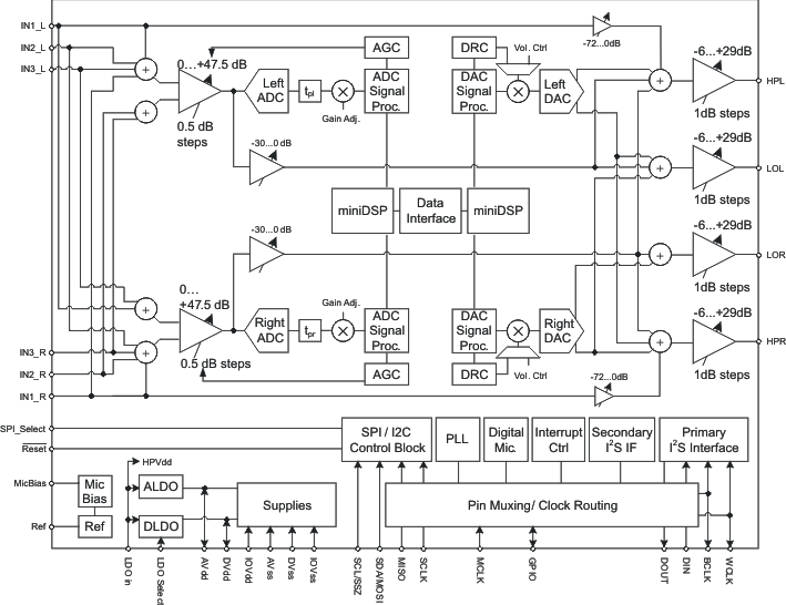
The TLV320AIC3254 (sometimes referred to as the AIC3254) is a flexible, low-power, low-voltage stereo audio codec with programmable inputs and outputs, PowerTune capabilities, fully-programmable miniDSP, fixed predefined and parameterizable signal processing blocks, integrated PLL, integrated LDOs and flexible digital interfaces.
| PART NUMBER | PACKAGE | BODY SIZE (NOM) |
|---|---|---|
| TLV320AIC3254 | VQFN (32) | 5.00 mm x 5.00 mm |
