SBOS935B April   2020  – July 2020 TLV197-Q1 , TLV2197-Q1 , TLV4197-Q1

PRODUCTION DATA.  

  1. Features
  2. Applications
  3. Description
    1.     Device Images
      1.      TLVx197-Q1 Detect Voltages in Automotive Applications
  4. Revision History
  5. Pin Configuration and Functions
    1.     Pin Functions: TLV197-Q1
    2.     Pin Functions: TLV2197-Q1
    3.     Pin Functions: TLV4197-Q1
  6. Specifications
    1. 6.1 Absolute Maximum Ratings
    2. 6.2 ESD Ratings
    3. 6.3 Recommended Operating Conditions
    4. 6.4 Thermal Information: TLV197-Q1
    5. 6.5 Thermal Information: TLV2197-Q1
    6. 6.6 Thermal Information: TLV4197-Q1
    7. 6.7 Electrical Characteristics: VS = ±4 V to ±18 V (VS = 8 V to 36 V)
    8. 6.8 Electrical Characteristics: VS = ±2.25 V to ±4 V (VS = 4.5 V to 8 V)
    9. 6.9 Typical Characteristics
  7. Detailed Description
    1. 7.1 Overview
    2. 7.2 Functional Block Diagram
    3. 7.3 Feature Description
      1. 7.3.1 Input Protection Circuitry
      2. 7.3.2 EMI Rejection
      3. 7.3.3 Phase Reversal Protection
      4. 7.3.4 Thermal Protection
      5. 7.3.5 Capacitive Load and Stability
      6. 7.3.6 Common-Mode Voltage Range
      7. 7.3.7 Electrical Overstress
      8. 7.3.8 Overload Recovery
    4. 7.4 Device Functional Modes
  8. Application and Implementation
    1. 8.1 Application Information
    2. 8.2 Typical Applications
      1. 8.2.1 16-Bit Precision Multiplexed Data-Acquisition System
        1. 8.2.1.1 Design Requirements
        2. 8.2.1.2 Detailed Design Procedure
        3. 8.2.1.3 Application Curve
      2. 8.2.2 Slew-Rate Limit for Input Protection
      3. 8.2.3 Precision Reference Buffer
  9. Power Supply Recommendations
  10. 10Layout
    1. 10.1 Layout Guidelines
    2. 10.2 Layout Examples
  11. 11Device and Documentation Support
    1. 11.1 Device Support
      1. 11.1.1 Development Support
        1. 11.1.1.1 TINA-TI (Free Software Download)
    2. 11.2 Documentation Support
      1. 11.2.1 Related Documentation
    3. 11.3 Related Links
    4. 11.4 Receiving Notification of Documentation Updates
    5. 11.5 Support Resources
    6. 11.6 Trademarks
    7. 11.7 Electrostatic Discharge Caution
    8. 11.8 Glossary
  12. 12Mechanical, Packaging, and Orderable Information

封装选项

机械数据 (封装 | 引脚)
散热焊盘机械数据 (封装 | 引脚)
订购信息

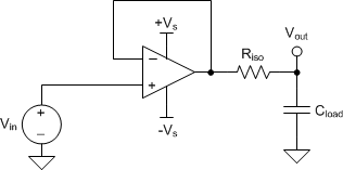
Capacitive Load and Stability

The TLVx197-Q1 features a patented output stage capable of driving large capacitive loads, and in a unity-gain configuration, directly drives up to 1 nF of pure capacitive load. Increasing the gain enhances the ability of the amplifier to drive greater capacitive loads.

The particular op amp circuit configuration, layout, gain, and output loading are some of the factors to consider when establishing whether an amplifier is stable in operation.

For additional drive capability in unity-gain configurations, improve capacitive load drive by inserting a small (10-Ω to 20-Ω) resistor, RISO, in series with the output, as shown in Figure 38. This resistor significantly reduces ringing and maintains dc performance for purely capacitive loads. However, if a resistive load is in parallel with the capacitive load, then a voltage divider is created, thus introducing a gain error at the output and slightly reducing the output swing. The error introduced is proportional to the ratio RISO / RL, and is generally negligible at low output levels. A high capacitive load drive makes the TLVx197-Q1 a great choice for applications such as reference buffers, MOSFET gate drives, and cable-shield drives. The circuit shown in Figure 38 uses an isolation resistor, RISO, to stabilize the output of an op amp. RISO modifies the open-loop gain of the system for increased phase margin, and the results using the TLVx197-Q1 are summarized in Table 2. For additional information on techniques to optimize and design using this circuit, reference design TIPD128, Capacitive Load Drive Verified Reference Design Using an Isolation Resistor, details complete design goals, simulation, and test results.

TLV197-Q1 TLV2197-Q1 TLV4197-Q1 ai_fig1excapload_bos5165663.gifFigure 38. Extending Capacitive Load Drive With the TLVx197-Q1

Table 2. TLVx197-Q1 Capacitive Load Drive Using Isolation Resistor Comparison of Calculated and Measured Results

PARAMETER VALUE
Capacitive Load 100 pF 1000 pF 0.01 µF 0.1 µF 1 µF
Phase Margin 45° 60° 45° 60° 45° 60° 45° 60° 45° 60°
RISO (Ω) 47 360 24 100 20 51 6.2 15.8 2 4.7
Measured Overshoot (%) 23.2 8.6 10.4 22.5 9 22.1 8.7 23.1 8.6 21 8.6
Calculated PM 45.1° 58.1° 45.8° 59.7° 46.1° 60.1° 45.2° 60.2° 47.2° 60.2°
For step-by-step design procedure, circuit schematics, bill of materials, printed circuit board (PCB) files, simulation results, and test results, see TI Precision Design TIDU032, Capacitive Load Drive Solution using an Isolation Resistor .