ZHCSGO6A July   2017  – August 2017 TLV07

PRODUCTION DATA.  

  1. 特性
  2. 应用
  3. 说明
    1.     Device Images
      1.      具有增益的单极低通滤波器
  4. 修订历史记录
  5. 引脚配置和功能
    1.     引脚功能:TLV07
  6. 规格
    1. 6.1 绝对最大额定值
    2. 6.2 ESD 额定值
    3. 6.3 建议的工作条件
    4. 6.4 热性能信息:TLV07
    5. 6.5 电气特性
    6. 6.6 典型特性
  7. 详细 说明
    1. 7.1 概述
    2. 7.2 功能框图
    3. 7.3 特性 说明
      1. 7.3.1 工作特性
      2. 7.3.2 相位反转保护
      3. 7.3.3 电气过载
    4. 7.4 器件功能模式
      1. 7.4.1 过载恢复
  8. 应用和实现
    1. 8.1 应用信息
    2. 8.2 典型应用
      1. 8.2.1 设计要求
      2. 8.2.2 详细设计流程
      3. 8.2.3 应用曲线
  9. 电源建议
  10. 10布局
    1. 10.1 布局指南
    2. 10.2 布局示例
  11. 11器件和文档支持
    1. 11.1 器件支持
      1. 11.1.1 Third-Party Products Disclaimer
      2. 11.1.2 开发支持
        1. 11.1.2.1 TINA-TI™(免费软件下载)
        2. 11.1.2.2 DIP 适配器 EVM
        3. 11.1.2.3 通用运放 EVM
        4. 11.1.2.4 TI 高精度设计
        5. 11.1.2.5 WEBENCH滤波器设计器
    2. 11.2 Documentation Support
      1. 11.2.1 Related Documentation
    3. 11.3 Community Resources
    4. 11.4 商标
    5. 11.5 静电放电警告
    6. 11.6 Glossary
  12. 12机械、封装和可订购信息

封装选项

机械数据 (封装 | 引脚)
散热焊盘机械数据 (封装 | 引脚)
订购信息

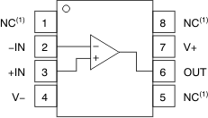
引脚配置和功能

D 封装
8 引脚 SOIC
俯视图
TLV07 po_so-8_bos557.gif
NC = 无内部连接

引脚功能:TLV07

名称 编号 I/O 说明
–IN 2 I 负(反相)输入
+IN 3 I 正(同相)输入
NC 1、5、8 没有与内部电路连接(可以悬空)
OUT 6 O 输出
V+ 7 正电源(最高)
V– 4 负电源(最低)