ZHCSF21 May   2016 TLC6C598

PRODUCTION DATA.  

  1. 特性
  2. 应用
  3. 说明
  4. 修订历史记录
  5. Pin Configuration and Functions
  6. Specifications
    1. 6.1 Absolute Maximum Ratings
    2. 6.2 ESD Ratings
    3. 6.3 Recommended Operating Conditions
    4. 6.4 Thermal Information
    5. 6.5 Electrical Characteristics
    6. 6.6 Timing Requirements
    7. 6.7 Switching Characteristics
    8. 6.8 Timing Waveforms
    9. 6.9 Typical Characteristics
  7. Parameter Measurement Information
  8. Detailed Description
    1. 8.1 Overview
    2. 8.2 Functional Block Diagram
    3. 8.3 Feature Description
      1. 8.3.1 Thermal Shutdown
      2. 8.3.2 Serial-In Interface
      3. 8.3.3 Clear Registers
      4. 8.3.4 Output Channels
      5. 8.3.5 Register Clock
      6. 8.3.6 Cascade Through SER OUT
      7. 8.3.7 Output Control
    4. 8.4 Device Functional Modes
      1. 8.4.1 Operation With VCC < 3 V
      2. 8.4.2 Operation With 5.5 V ≤ VCC ≤ 8 V
  9. Application and Implementation
    1. 9.1 Application Information
    2. 9.2 Typical Application
      1. 9.2.1 Design Requirements
      2. 9.2.2 Detailed Design Procedure
      3. 9.2.3 Application Curve
  10. 10Power Supply Recommendations
  11. 11Layout
    1. 11.1 Layout Guidelines
    2. 11.2 Layout Example
  12. 12器件和文档支持
    1. 12.1 社区资源
    2. 12.2 商标
    3. 12.3 静电放电警告
    4. 12.4 Glossary
  13. 13机械、封装和可订购信息

封装选项

机械数据 (封装 | 引脚)
散热焊盘机械数据 (封装 | 引脚)
订购信息

8 Detailed Description

8.1 Overview

The TLC6C598 device is a monolithic, medium-voltage, low-current 8-bit shift register designed to drive relatively moderate load power such LEDs. The device contains an 8-bit serial-in, parallel-out shift register that feeds an 8-bit D-type storage register. Thermal shutdown protection is also built-into the device.

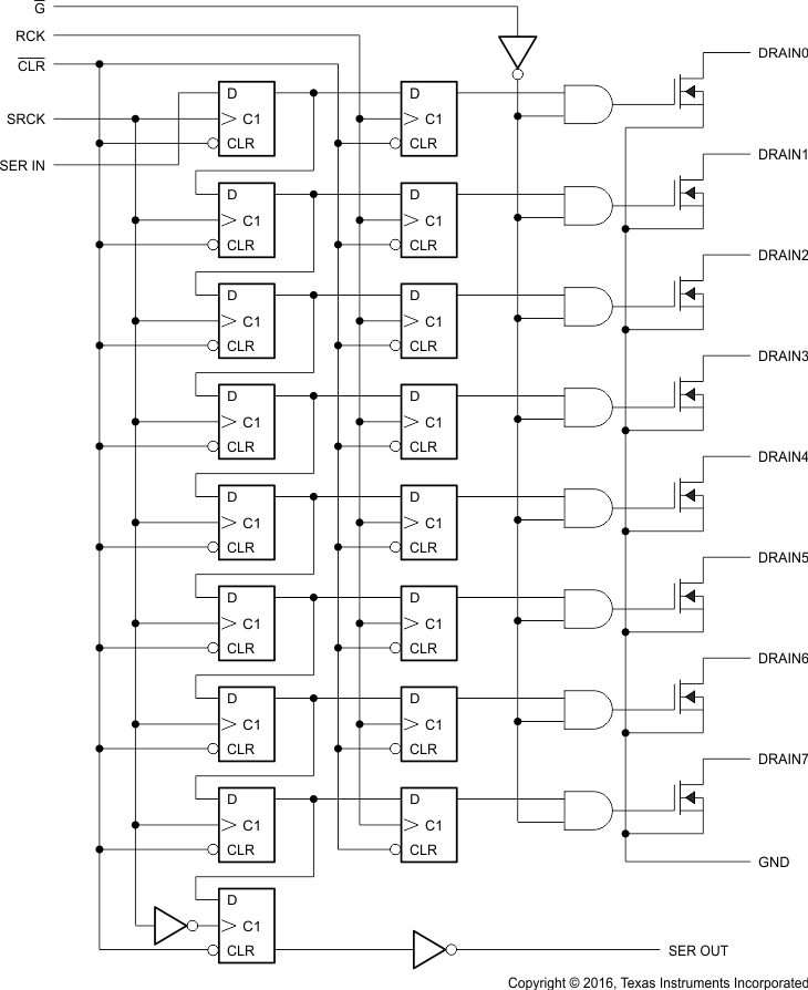
8.2 Functional Block Diagram

TLC6C598 Logic_Diag_SLIS142.gif Figure 13. Logic Diagram (Positive) of TLC6C598

8.3 Feature Description

8.3.1 Thermal Shutdown

The device implements an internal thermal shutdown to protect itself if the junction temperature exceeds 175°C (typical). The thermal shutdown forces the device to have an open state when the junction temperature exceeds the thermal trip threshold. Once the junction temperature decreases below 160°C (typical), the device begins to operate again.

8.3.2 Serial-In Interface

The TLC6C598 device contains an 8-bit serial-in, parallel-out shift register that feeds an 8-bit D-type storage register. Data transfer through the shift and storage registers is on the rising edge of the shift register clock (SRCK) and the register clock (RCK), respectively. The storage register transfers data to the output buffer when shift-register clear (CLR) is high.

8.3.3 Clear Registers

A logic low on the CLR pin clears all registers in the device. TI suggests clearing the device during power up or initialization.

8.3.4 Output Channels

DRAIN0–DRAIN7. These pins can survive up to 40-V LED supply voltage.

8.3.5 Register Clock

RCK is the storage-register clock. Data in the storage register appears at the output whenever the output enable (G) input signal is high.

8.3.6 Cascade Through SER OUT

By connecting the SER OUT pin to the SER IN input of the next device on the serial bus in cascade, the data transfers to the next device on the falling edge of SRCK. This connection can improve the cascade application reliability, as it can avoid the issue that the second device receives SRCK and data input on the same rising edge of SRCK.

8.3.7 Output Control

Holding the output enable (pin G) high holds all data in the output buffers low, and all drain outputs are off. Holding G low makes data from the storage register transparent to the output buffers. When data in the output buffers is low, the DMOS transistor outputs are off. When data is high, the DMOS transistor outputs are capable of sinking current. This pin also can be used for global PWM dimming.

8.4 Device Functional Modes

8.4.1 Operation With VCC < 3 V

This device works normally within the range 3 V ≤ VCC ≤ 5.5 V. When the operating voltage is lower than 3 V, correct behavior of the device, including communication interface and current capability, is not assured.

8.4.2 Operation With 5.5 V ≤ VCC ≤ 8 V

The device works normally in this voltage range, but reliability issues may occur if the device works for a long time in this voltage range.