SLVSCZ9A October   2015  – November 2015 TLC59581 , TLC59582

PRODUCTION DATA.  

  1. Features
  2. Applications
  3. Description
  4. Revision History
  5. Description (continued)
  6. Pin Configuration and Functions
  7. Specifications
    1. 7.1 Absolute Maximum Ratings
    2. 7.2 ESD Ratings
    3. 7.3 Recommended Operating Conditions
    4. 7.4 Thermal Information
    5. 7.5 Electrical Characteristics
    6. 7.6 Typical Characteristics
  8. Parameter Measurement Information
    1. 8.1 Pin Equivalent Input and Output Schematic Diagrams
      1. 8.1.1 Test Circuits
    2. 8.2 Timing Diagrams
  9. Detailed Description
    1. 9.1 Overview
    2. 9.2 Functional Block Diagram
    3. 9.3 Device Functional Modes
      1. 9.3.1  Brightness Control (BC) Function
      2. 9.3.2  Color Brightness Control (CC) Function
      3. 9.3.3  Select RIREF For a Given BC
      4. 9.3.4  Choosing BC/CC For a Different Application
        1. 9.3.4.1 Example 1: Red LED Current is 20 mA, Green LED Needs 12 mA, Blue LED needs 8 mA
        2. 9.3.4.2 Example 2: Red LED Current is 5 mA, Green LED Needs 2 mA, Blue LED Needs 1 mA.
      5. 9.3.5  LED Open Detection (LOD)
      6. 9.3.6  Internal Circuit for Caterpillar Removal
      7. 9.3.7  Power Save Mode (PSM)
      8. 9.3.8  Internal Pre-Charge FET
      9. 9.3.9  Thermal Shutdown (TSD)
      10. 9.3.10 IREF Resistor Short Protection (ISP)
  10. 10Application and Implementation
  11. 11Power Supply Recommendations
  12. 12Layout
    1. 12.1 Layout Guidelines
    2. 12.2 Layout Example
  13. 13Device and Documentation Support
    1. 13.1 Documentation Support
      1. 13.1.1 Related Documentation
    2. 13.2 Related Links
    3. 13.3 Community Resources
    4. 13.4 Trademarks
    5. 13.5 Electrostatic Discharge Caution
    6. 13.6 Glossary
  14. 14Mechanical, Packaging, and Orderable Information

封装选项

机械数据 (封装 | 引脚)
散热焊盘机械数据 (封装 | 引脚)
订购信息

8 Parameter Measurement Information

8.1 Pin Equivalent Input and Output Schematic Diagrams

TLC59581 TLC59582 sch_SIN_SCLK_slvsce7.gif Figure 11. SIN, SCLK
TLC59581 TLC59582 sch_GCLK_slvsce7.gif Figure 13. GCLK
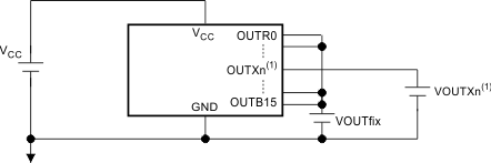
TLC59581 TLC59582 sch_OUTR0_OUTR15_slvsce7.gif
(1) X = R or G or B, n = 0~15
Figure 15. OUTR0/G0/B0 Through OUTR15/G15/B15
TLC59581 TLC59582 sch_LAT_slvsce7.gif Figure 12. LAT
TLC59581 TLC59582 sch_SOUT_slvsce7.gif Figure 14. SOUT

8.1.1 Test Circuits

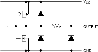
TLC59581 TLC59582 sch_RT_FT_TC_OUTXn_slvsce7.gif
(1) CL includes measurement probe and jig capacitance.
(2) X = R or G or B, n = 0~15
Figure 16. Rise and Fall Time Test Circuit for OUTXn
TLC59581 TLC59582 sch_Cc_TC_OUTXn_slvsce7.gif
(1) X = R or G or B, n = 0~15
Figure 18. Constant Current Test Circuit for OUTXn
TLC59581 TLC59582 sch_RT_FT_TC_SOUT_slvsce7.gif
(1) CL includes measurement probe and jig capacitance.
Figure 17. Rise and Fall Time Test Circuit for SOUT

8.2 Timing Diagrams

TLC59581 TLC59582 td_input_timing_slvsce7.gif
(1) Input pulse rise and fall time is 1~3ns
(2) 8 + 8 mode (SEL_PWM = 0)
Figure 19. Timing Diagrams