ZHCSD78 January   2015 TLC2274-HT

PRODUCTION DATA.  

  1. 特性
  2. 应用
  3. 说明
  4. 修订历史记录
  5. Pin Configuration and Functions
  6. Specifications
    1. 6.1 Absolute Maximum Ratings
    2. 6.2 ESD Ratings
    3. 6.3 Recommended Operating Conditions
    4. 6.4 Thermal Information
    5. 6.5 Electrical Characteristics, VDD = 5 V
    6. 6.6 Operating Characteristics, VDD = 5 V
    7. 6.7 Electrical Characteristics, VDD± = ±5 V
    8. 6.8 Operating Characteristics, VDD± = ±5 V
    9. 6.9 Typical Characteristics
  7. Detailed Description
    1. 7.1 Overview
    2. 7.2 Functional Block Diagram
    3. 7.3 Feature Description
  8. Application and Implementation
    1. 8.1 Application Information
      1. 8.1.1 Macromodel Information
    2. 8.2 Typical Application
      1. 8.2.1 Design Requirements
      2. 8.2.2 Detailed Design Procedure
      3. 8.2.3 Application Curves
  9. Power Supply Recommendations
  10. 10Layout
    1. 10.1 Layout Guidelines
    2. 10.2 Layout Example
  11. 11器件和文档支持
    1. 11.1 商标
    2. 11.2 静电放电警告
    3. 11.3 术语表
  12. 12机械封装和可订购信息

封装选项

机械数据 (封装 | 引脚)
散热焊盘机械数据 (封装 | 引脚)
订购信息

5 Pin Configuration and Functions

po_sgls416.gif

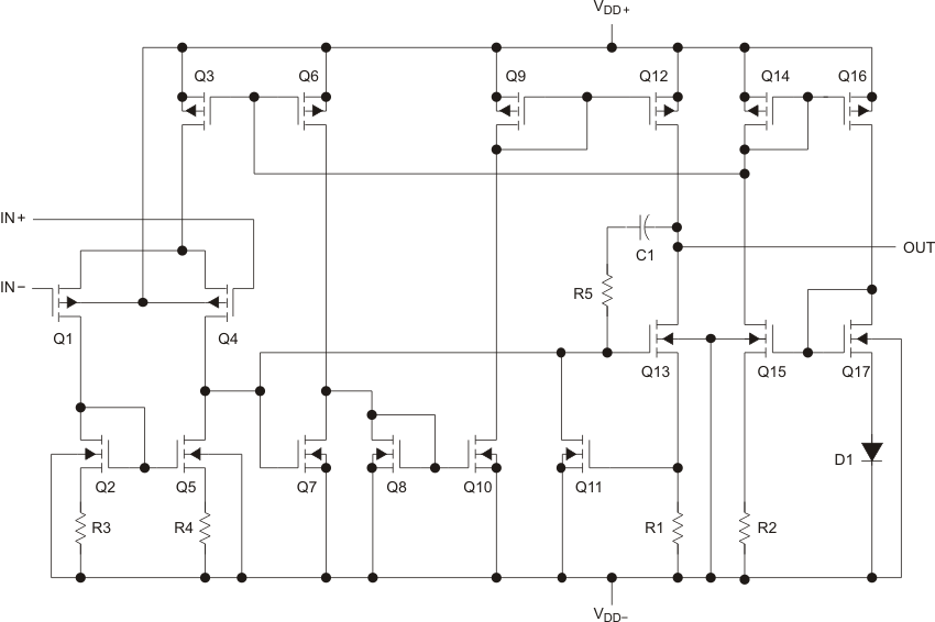
sch_gls404.gifFigure 1. Equivalent Schematic (Each Amplifier)

Table 1. Actual Device Component Count(1)

COMPONENT TLC2274
Transistors 76
Resistors 52
Diodes 18
Capacitors 6
(1) Includes both amplifiers and all ESD, bias, and trim circuitry