ZHCSQS2I January   1983  – July 2022 TL494

PRODUCTION DATA  

  1. 特性
  2. 应用
  3. 说明
  4. 简化版方框图
  5. 修订历史记录
  6. 引脚配置和功能
  7. 规格
    1. 7.1  绝对最大额定值
    2. 7.2  ESD 等级
    3. 7.3  建议运行条件
    4. 7.4  热性能信息
    5. 7.5  电气特性,基准部分
    6. 7.6  电气特性,振荡器部分
    7. 7.7  电气特性,误差放大器部分
    8. 7.8  电气特性,输出部分
    9. 7.9  电气特性,死区时间控制部分
    10. 7.10 电气特性,PWM 比较器部分
    11. 7.11 电气特性,整个器件
    12. 7.12 开关特性
    13. 7.13 典型特性
  8. 参数测量信息
  9. 详细说明
    1. 9.1 概述
    2. 9.2 功能方框图
    3. 9.3 特性说明
      1. 9.3.1 5V 基准稳压器
      2. 9.3.2 振荡器
      3. 9.3.3 死区时间控制
      4. 9.3.4 比较器
      5. 9.3.5 脉宽调制 (PWM)
      6. 9.3.6 误差放大器
      7. 9.3.7 输出控制输入
      8. 9.3.8 输出晶体管
    4. 9.4 器件功能模式
  10. 10应用和实现
    1. 10.1 应用信息
    2. 10.2 典型应用
      1. 10.2.1 设计要求
      2. 10.2.2 详细设计过程
        1. 10.2.2.1 输入电源
        2. 10.2.2.2 控制电路
          1. 10.2.2.2.1 振荡器
          2. 10.2.2.2.2 误差放大器
          3. 10.2.2.2.3 限流放大器
          4. 10.2.2.2.4 软启动和死区时间
        3. 10.2.2.3 电感器计算
        4. 10.2.2.4 输出电容计算
        5. 10.2.2.5 晶体管电源开关计算
      3. 10.2.3 应用输出特性曲线
  11. 11电源相关建议
  12. 12布局
    1. 12.1 布局指南
      1. 12.1.1 反馈布线
      2. 12.1.2 输入/输出电容器
      3. 12.1.3 补偿元件
      4. 12.1.4 迹线和接地平面
    2. 12.2 布局示例
  13. 13器件和文档支持
    1. 13.1 商标
    2. 13.2 Electrostatic Discharge Caution
    3. 13.3 术语表
  14. 14机械、封装和可订购信息

封装选项

机械数据 (封装 | 引脚)
散热焊盘机械数据 (封装 | 引脚)
订购信息

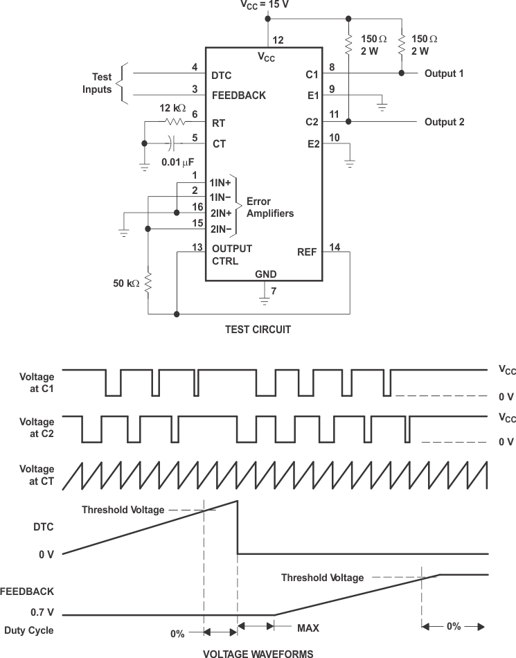
参数测量信息

GUID-01FCE78E-3811-4471-9C68-C7FEDAC14B98-low.gif图 8-1 运行测试电路和波形
GUID-325F704C-905F-4F19-B19F-6A3A8CC6376C-low.gif图 8-2 放大器特性
GUID-30176D76-CD7A-47F5-92E2-B10D54EA594B-low.gif图 8-3 共发射极配置
GUID-4FB34F89-4C06-486F-8AF2-CECF54B079EA-low.gif图 8-4 发射极跟随器配置