ZHCSIL7A July   2018  – November 2018 TL431LI , TL432LI

PRODUCTION DATA.  

  1. 特性
  2. 应用
  3. 说明
    1.     Device Images
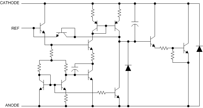
      1.      简化原理图
  4. 修订历史记录
  5. 器件比较表
  6. 引脚配置和功能
    1.     引脚功能
  7. 规格
    1. 7.1 绝对最大额定值
    2. 7.2 ESD 额定值
    3. 7.3 热性能信息
    4. 7.4 建议运行条件
    5. 7.5 电气特性
    6. 7.6 典型特性
  8. 参数测量信息
    1. 8.1 温度系数
    2. 8.2 动态阻抗
  9. 详细 说明
    1. 9.1 概要
    2. 9.2 功能方框图
    3. 9.3 特性 说明
    4. 9.4 器件功能模式
      1. 9.4.1 开环(比较器)
      2. 9.4.2 闭环
  10. 10应用 和实施
    1. 10.1 应用信息
    2. 10.2 典型 应用
      1. 10.2.1 具有集成式基准的比较器
        1. 10.2.1.1 设计要求
        2. 10.2.1.2 详细设计流程
          1. 10.2.1.2.1 基本操作
            1. 10.2.1.2.1.1 过驱动
          2. 10.2.1.2.2 输出电压和逻辑输入电平
            1. 10.2.1.2.2.1 输入电阻
        3. 10.2.1.3 应用曲线
      2. 10.2.2 精密恒定电流吸收器
        1. 10.2.2.1 设计要求
        2. 10.2.2.2 详细设计流程
          1. 10.2.2.2.1 基本操作
            1. 10.2.2.2.1.1 输出电流范围和精度
          2. 10.2.2.2.2 功耗
      3. 10.2.3 并联稳压器/基准
        1. 10.2.3.1 设计要求
        2. 10.2.3.2 详细设计流程
          1. 10.2.3.2.1 可编程输出/阴极电压
          2. 10.2.3.2.2 总精度
          3. 10.2.3.2.3 稳定性
          4. 10.2.3.2.4 启动时间
        3. 10.2.3.3 应用曲线
      4. 10.2.4 具有光耦合器的隔离型反激式
        1. 10.2.4.1 设计要求
          1. 10.2.4.1.1 详细设计流程
            1. 10.2.4.1.1.1 TL431 反馈环路误差计算
    3. 10.3 系统示例
  11. 11电源建议
  12. 12布局
    1. 12.1 布局指南
    2. 12.2 布局示例
  13. 13器件和文档支持
    1. 13.1 相关链接
    2. 13.2 文档支持
      1. 13.2.1 器件命名规则
      2. 13.2.2 相关文档
    3. 13.3 接收文档更新通知
    4. 13.4 社区资源
    5. 13.5 商标
    6. 13.6 静电放电警告
    7. 13.7 术语表
  14. 14机械、封装和可订购信息

封装选项

机械数据 (封装 | 引脚)
散热焊盘机械数据 (封装 | 引脚)
订购信息

功能方框图

TL431LI TL432LI func_block_dgm_lvs543.gifFigure 18. 等效原理图
TL431LI TL432LI simplified_schematic.gifFigure 19. 详细的原理图