ZHCSH24G June   2016  – March 2019 TDA3LA , TDA3LX , TDA3MA , TDA3MD , TDA3MV

PRODUCTION DATA.  

  1. 器件概述
    1. 1.1 特性
    2. 1.2 应用
    3. 1.3 说明
    4. 1.4 功能框图
  2. 修订历史记录
  3. Device Comparison
    1. 3.1 Related Products
  4. Terminal Configuration and Functions
    1. 4.1 Terminal Assignment
      1. 4.1.1 Unused Balls Connection Requirements
    2. 4.2 Ball Characteristics
    3. 4.3 Multiplexing Characteristics
    4. 4.4 Signal Descriptions
      1. 4.4.1  Video Input Ports (VIP)
      2. 4.4.2  Display Subsystem – Video Output Ports
      3. 4.4.3  Digital-to-Analog Converter (SD_DAC)
      4. 4.4.4  Embedded 8 channel Analog-To-Digital Converter (ADC)
      5. 4.4.5  Camera Control
      6. 4.4.6  Camera Parallel Interface (CPI)
      7. 4.4.7  Imaging Subsystem (ISS)
      8. 4.4.8  External Memory Interface (EMIF)
      9. 4.4.9  General-Purpose Memory Controller (GPMC)
      10. 4.4.10 Timers
      11. 4.4.11 Inter-Integrated Circuit Interface (I2C)
      12. 4.4.12 Universal Asynchronous Receiver Transmitter (UART)
      13. 4.4.13 Multichannel Serial Peripheral Interface (McSPI)
      14. 4.4.14 Quad Serial Peripheral Interface (QSPI)
      15. 4.4.15 Multichannel Audio Serial Port (McASP)
      16. 4.4.16 Controller Area Network Interface (DCAN and MCAN)
      17. 4.4.17 Ethernet Interface (GMAC_SW)
      18. 4.4.18 SDIO Controller
      19. 4.4.19 General-Purpose Interface (GPIO)
      20. 4.4.20 Pulse Width Modulation (PWM) Interface
      21. 4.4.21 Test Interfaces
      22. 4.4.22 System and Miscellaneous
        1. 4.4.22.1 Sysboot
        2. 4.4.22.2 Power, Reset and Clock Management (PRCM)
        3. 4.4.22.3 Enhanced Direct Memory Access (EDMA)
        4. 4.4.22.4 Interrupt Controllers (INTC)
      23. 4.4.23 Power Supplies
  5. Specifications
    1. 5.1  Absolute Maximum Ratings
    2. 5.2  ESD Ratings
    3. 5.3  Power On Hour (POH) Limits
    4. 5.4  Power on Hour (POH) Limits
    5. 5.5  Recommended Operating Conditions
    6. 5.6  Operating Performance Points
      1. 5.6.1 AVS Requirements
      2. 5.6.2 Voltage And Core Clock Specifications
      3. 5.6.3 Maximum Supported Frequency
    7. 5.7  Power Consumption Summary
    8. 5.8  Electrical Characteristics
      1. 5.8.1 LVCMOS DDR DC Electrical Characteristics
      2. 5.8.2 Dual Voltage LVCMOS I2C DC Electrical Characteristics
      3. 5.8.3 IQ1833 Buffers DC Electrical Characteristics
      4. 5.8.4 IHHV1833 Buffers DC Electrical Characteristics
      5. 5.8.5 LVCMOS Analog OSC Buffers DC Electrical Characteristics
      6. 5.8.6 LVCMOS CSI2 DC Electrical Characteristics
      7. 5.8.7 Dual Voltage LVCMOS DC Electrical Characteristics
    9. 5.9  Thermal Characteristics
      1. 5.9.1 Package Thermal Characteristics
    10. 5.10 Analog-to-Digital ADC Subsystem Electrical Specifications
    11. 5.11 Power Supply Sequences
  6. Clock Specifications
    1. 6.1 Input Clock Specifications
      1. 6.1.1 Input Clock Requirements
      2. 6.1.2 System Oscillator OSC0 Input Clock
        1. 6.1.2.1 OSC0 External Crystal
        2. 6.1.2.2 OSC0 Input Clock
      3. 6.1.3 Auxiliary Oscillator OSC1 Input Clock
        1. 6.1.3.1 OSC1 External Crystal
        2. 6.1.3.2 OSC1 Input Clock
      4. 6.1.4 RC On-die Oscillator Clock
    2. 6.2 DPLLs, DLLs Specifications
      1. 6.2.1 DPLL Characteristics
      2. 6.2.2 DLL Characteristics
        1. 6.2.2.1 DPLL and DLL Noise Isolation
  7. Timing Requirements and Switching Characteristics
    1. 7.1  Timing Test Conditions
    2. 7.2  Interface Clock Specifications
      1. 7.2.1 Interface Clock Terminology
      2. 7.2.2 Interface Clock Frequency
    3. 7.3  Timing Parameters and Information
      1. 7.3.1 Parameter Information
        1. 7.3.1.1 1.8 V and 3.3 V Signal Transition Levels
        2. 7.3.1.2 1.8 V and 3.3 V Signal Transition Rates
        3. 7.3.1.3 Timing Parameters and Board Routing Analysis
    4. 7.4  Recommended Clock and Control Signal Transition Behavior
    5. 7.5  Video Input Ports (VIP)
    6. 7.6  Display Subsystem – Video Output Ports
    7. 7.7  Imaging Subsystem (ISS)
    8. 7.8  External Memory Interface (EMIF)
    9. 7.9  General-Purpose Memory Controller (GPMC)
      1. 7.9.1 GPMC/NOR Flash Interface Synchronous Timing
      2. 7.9.2 GPMC/NOR Flash Interface Asynchronous Timing
      3. 7.9.3 GPMC/NAND Flash Interface Asynchronous Timing
    10. 7.10 General-Purpose Timers
      1. 7.10.1 GP Timer Features
    11. 7.11 Inter-Integrated Circuit Interface (I2C)
      1. Table 7-15 Timing Requirements for I2C Input Timings
      2. Table 7-16 Switching Characteristics Over Recommended Operating Conditions for I2C Output Timings
    12. 7.12 Universal Asynchronous Receiver Transmitter (UART)
      1. Table 7-17 Timing Requirements for UART
      2. Table 7-18 Switching Characteristics Over Recommended Operating Conditions for UART
    13. 7.13 Multichannel Serial Peripheral Interface (McSPI)
    14. 7.14 Quad Serial Peripheral Interface (QSPI)
    15. 7.15 Multichannel Audio Serial Port (McASP)
      1. Table 7-26 Timing Requirements for McASP1
      2. Table 7-27 Timing Requirements for McASP2
      3. Table 7-28 Timing Requirements for McASP3
      4. Table 7-29 Switching Characteristics Over Recommended Operating Conditions for McASP1
      5. Table 7-30 Switching Characteristics Over Recommended Operating Conditions for McASP2
      6. Table 7-31 Switching Characteristics Over Recommended Operating Conditions for McASP3
    16. 7.16 Controller Area Network Interface (DCAN and MCAN)
      1. 7.16.1     DCAN
      2. 7.16.2     MCAN
      3. Table 7-34 Timing Requirements for CAN Receive
      4. Table 7-35 Switching Characteristics Over Recommended Operating Conditions for CAN Transmit
    17. 7.17 Ethernet Interface (GMAC_SW)
      1. 7.17.1 GMAC MDIO Interface Timings
      2. 7.17.2 GMAC RGMII Timings
        1. Table 7-39 Timing Requirements for rgmiin_rxc - RGMIIn Operation
        2. Table 7-40 Timing Requirements for GMAC RGMIIn Input Receive for 10/100/1000 Mbps
        3. Table 7-41 Switching Characteristics Over Recommended Operating Conditions for rgmiin_txctl - RGMIIn Operation for 10/100/1000 Mbit/s
        4. Table 7-42 Switching Characteristics for GMAC RGMIIn Output Transmit for 10/100/1000 Mbps
    18. 7.18 SDIO Controller
      1. 7.18.1 MMC, SD Default Speed
      2. 7.18.2 MMC, SD High Speed
      3. 7.18.3 MMC, SD and SDIO SDR12 Mode
      4. 7.18.4 MMC, SD SDR25 Mode
    19. 7.19 General-Purpose Interface (GPIO)
    20. 7.20 Test Interfaces
      1. 7.20.1 JTAG Electrical Data/Timing
        1. Table 7-53 Timing Requirements for IEEE 1149.1 JTAG
        2. Table 7-54 Switching Characteristics Over Recommended Operating Conditions for IEEE 1149.1 JTAG
        3. Table 7-55 Timing Requirements for IEEE 1149.1 JTAG With RTCK
        4. Table 7-56 Switching Characteristics Over Recommended Operating Conditions for IEEE 1149.1 JTAG With RTCK
      2. 7.20.2 Trace Port Interface Unit (TPIU)
        1. 7.20.2.1 TPIU PLL DDR Mode
  8. Applications, Implementation, and Layout
    1. 8.1  Introduction
      1. 8.1.1 Initial Requirements and Guidelines
    2. 8.2  Power Optimizations
      1. 8.2.1 Step 1: PCB Stack-up
      2. 8.2.2 Step 2: Physical Placement
      3. 8.2.3 Step 3: Static Analysis
        1. 8.2.3.1 PDN Resistance and IR Drop
      4. 8.2.4 Step 4: Frequency Analysis
      5. 8.2.5 System ESD Generic Guidelines
        1. 8.2.5.1 System ESD Generic PCB Guideline
        2. 8.2.5.2 Miscellaneous EMC Guidelines to Mitigate ESD Immunity
        3. 8.2.5.3 ESD Protection System Design Consideration
      6. 8.2.6 EMI / EMC Issues Prevention
        1. 8.2.6.1 Signal Bandwidth
        2. 8.2.6.2 Signal Routing
          1. 8.2.6.2.1 Signal Routing—Sensitive Signals and Shielding
          2. 8.2.6.2.2 Signal Routing—Outer Layer Routing
        3. 8.2.6.3 Ground Guidelines
          1. 8.2.6.3.1 PCB Outer Layers
          2. 8.2.6.3.2 Metallic Frames
          3. 8.2.6.3.3 Connectors
          4. 8.2.6.3.4 Guard Ring on PCB Edges
          5. 8.2.6.3.5 Analog and Digital Ground
    3. 8.3  Core Power Domains
      1. 8.3.1 General Constraints and Theory
      2. 8.3.2 Voltage Decoupling
      3. 8.3.3 Static PDN Analysis
      4. 8.3.4 Dynamic PDN Analysis
      5. 8.3.5 Power Supply Mapping
      6. 8.3.6 DPLL Voltage Requirement
      7. 8.3.7 Loss of Input Power Event
      8. 8.3.8 Example PCB Design
        1. 8.3.8.1 Example Stack-up
        2. 8.3.8.2 vdd_dspeve Example Analysis
    4. 8.4  Single-Ended Interfaces
      1. 8.4.1 General Routing Guidelines
      2. 8.4.2 QSPI Board Design and Layout Guidelines
        1. 8.4.2.1 If QSPI is operated in Mode 0 (POL=0, PHA=0):
        2. 8.4.2.2 If QSPI is operated in Mode 3 (POL=1, PHA=1):
    5. 8.5  Differential Interfaces
      1. 8.5.1 General Routing Guidelines
      2. 8.5.2 CSI2 Board Design and Routing Guidelines
        1. 8.5.2.1 CSI2_0 MIPI CSI-2 (1.5 Gbps)
          1. 8.5.2.1.1 General Guidelines
          2. 8.5.2.1.2 Length Mismatch Guidelines
            1. 8.5.2.1.2.1 CSI2_0 MIPI CSI-2 (1.5 Gbps)
          3. 8.5.2.1.3 Frequency-domain Specification Guidelines
    6. 8.6  Clock Routing Guidelines
      1. 8.6.1 Oscillator Ground Connection
    7. 8.7  LPDDR2 Board Design and Layout Guidelines
      1. 8.7.1 LPDDR2 Board Designs
      2. 8.7.2 LPDDR2 Device Configurations
      3. 8.7.3 LPDDR2 Interface
        1. 8.7.3.1 LPDDR2 Interface Schematic
        2. 8.7.3.2 Compatible JEDEC LPDDR2 Devices
        3. 8.7.3.3 LPDDR2 PCB Stackup
        4. 8.7.3.4 LPDDR2 Placement
        5. 8.7.3.5 LPDDR2 Keepout Region
        6. 8.7.3.6 LPDDR2 Net Classes
        7. 8.7.3.7 LPDDR2 Signal Termination
        8. 8.7.3.8 LPDDR2 DDR_VREF Routing
      4. 8.7.4 Routing Specification
        1. 8.7.4.1 DQS[x] and DQ[x] Routing Specification
        2. 8.7.4.2 CK and ADDR_CTRL Routing Specification
    8. 8.8  DDR2 Board Design and Layout Guidelines
      1. 8.8.1 DDR2 General Board Layout Guidelines
      2. 8.8.2 DDR2 Board Design and Layout Guidelines
        1. 8.8.2.1 Board Designs
        2. 8.8.2.2 DDR2 Interface
          1. 8.8.2.2.1  DDR2 Interface Schematic
          2. 8.8.2.2.2  Compatible JEDEC DDR2 Devices
          3. 8.8.2.2.3  PCB Stackup
          4. 8.8.2.2.4  Placement
          5. 8.8.2.2.5  DDR2 Keepout Region
          6. 8.8.2.2.6  Bulk Bypass Capacitors
          7. 8.8.2.2.7  High-Speed Bypass Capacitors
          8. 8.8.2.2.8  Net Classes
          9. 8.8.2.2.9  DDR2 Signal Termination
          10. 8.8.2.2.10 VREF Routing
        3. 8.8.2.3 DDR2 CK and ADDR_CTRL Routing
    9. 8.9  DDR3 Board Design and Layout Guidelines
      1. 8.9.1 DDR3 General Board Layout Guidelines
      2. 8.9.2 DDR3 Board Design and Layout Guidelines
        1. 8.9.2.1  Board Designs
        2. 8.9.2.2  DDR3 Device Combinations
        3. 8.9.2.3  DDR3 Interface Schematic
          1. 8.9.2.3.1 32-Bit DDR3 Interface
          2. 8.9.2.3.2 16-Bit DDR3 Interface
        4. 8.9.2.4  Compatible JEDEC DDR3 Devices
        5. 8.9.2.5  PCB Stackup
        6. 8.9.2.6  Placement
        7. 8.9.2.7  DDR3 Keepout Region
        8. 8.9.2.8  Bulk Bypass Capacitors
        9. 8.9.2.9  High-Speed Bypass Capacitors
          1. 8.9.2.9.1 Return Current Bypass Capacitors
        10. 8.9.2.10 Net Classes
        11. 8.9.2.11 DDR3 Signal Termination
        12. 8.9.2.12 VTT
        13. 8.9.2.13 CK and ADDR_CTRL Topologies and Routing Definition
          1. 8.9.2.13.1 Three DDR3 Devices
            1. 8.9.2.13.1.1 CK and ADDR_CTRL Topologies, Three DDR3 Devices
            2. 8.9.2.13.1.2 CK and ADDR_CTRL Routing, Three DDR3 Devices
          2. 8.9.2.13.2 Two DDR3 Devices
            1. 8.9.2.13.2.1 CK and ADDR_CTRL Topologies, Two DDR3 Devices
            2. 8.9.2.13.2.2 CK and ADDR_CTRL Routing, Two DDR3 Devices
          3. 8.9.2.13.3 One DDR3 Device
            1. 8.9.2.13.3.1 CK and ADDR_CTRL Topologies, One DDR3 Device
            2. 8.9.2.13.3.2 CK and ADDR/CTRL Routing, One DDR3 Device
        14. 8.9.2.14 Data Topologies and Routing Definition
          1. 8.9.2.14.1 DQS and DQ/DM Topologies, Any Number of Allowed DDR3 Devices
          2. 8.9.2.14.2 DQS and DQ/DM Routing, Any Number of Allowed DDR3 Devices
        15. 8.9.2.15 Routing Specification
          1. 8.9.2.15.1 CK and ADDR_CTRL Routing Specification
          2. 8.9.2.15.2 DQS and DQ Routing Specification
    10. 8.10 CVIDEO/SD-DAC Guidelines and Electrical Data/Timing
  9. Device and Documentation Support
    1. 9.1 Device Nomenclature
      1. 9.1.1 Standard Package Symbolization
      2. 9.1.2 Device Naming Convention
    2. 9.2 Tools and Software
    3. 9.3 Documentation Support
    4. 9.4 Related Links
    5. 9.5 Community Resources
    6. 9.6 商标
    7. 9.7 静电放电警告
    8. 9.8 Export Control Notice
    9. 9.9 Glossary
  10. 10Mechanical, Packaging, and Orderable Information
    1. 10.1 Packaging Information

封装选项

请参考 PDF 数据表获取器件具体的封装图。

机械数据 (封装 | 引脚)
  • ABF|367
散热焊盘机械数据 (封装 | 引脚)
订购信息

GPMC/NOR Flash Interface Synchronous Timing

Table 7-7 through Table 7-10 assume testing over the recommended operating conditions and electrical characteristic conditions below (see Figure 7-7 through Figure 7-12).

Table 7-7 GPMC/NOR Flash Interface Timing Requirements - Synchronous Mode - 1 Load

NO. PARAMETER DESCRIPTION MIN MAX UNIT
F12 tsu(dV-clkH) Setup time, read gpmc_ad[15:0] valid before gpmc_clk high 1.9 ns
F13 th(clkH-dV) Hold time, read gpmc_ad[15:0] valid after gpmc_clk high 1 ns
F21 tsu(waitV-clkH) Setup time, gpmc_wait[1:0] valid before gpmc_clk high 1.9 ns
F22 th(clkH-waitV) Hold Time, gpmc_wait[1:0] valid after gpmc_clk high 1 ns

NOTE

Wait monitoring support is limited to a WaitMonitoringTime value > 0. For a full description of wait monitoring feature, see the Device TRM.

Table 7-8 GPMC/NOR Flash Interface Switching Characteristics - Synchronous Mode - 1 Load

NO. PARAMETER DESCRIPTION MIN MAX UNIT
F0 tc(clk) Cycle time, output clock gpmc_clk period (12) 11.3 ns
F2 td(clkH-nCSV) Delay time, gpmc_clk rising edge to gpmc_cs[7:0] transition (14) F-0.8 F+3.1 ns
F3 td(clkH-nCSIV) Delay time, gpmc_clk rising edge to gpmc_cs[7:0] invalid (14) E-0.8 E+3.1 ns
F4 td(ADDV-clk) Delay time, gpmc_a[27:0] address bus valid to gpmc_clk first edge B-0.8 B+3.1 ns
F5 td(clkH-ADDIV) Delay time, gpmc_clk rising edge to gpmc_a[27:0] gpmc address bus invalid -0.8 ns
F6 td(nBEV-clk) Delay time, gpmc_ben[1:0] valid to gpmc_clk rising edge B-3.8 B+1.1 ns
F7 td(clkH-nBEIV) Delay time, gpmc_clk rising edge to gpmc_ben[1:0] invalid D-0.4 D+1.1 ns
F8 td(clkH-nADV) Delay time, gpmc_clk rising edge to gpmc_advn_ale transition (14) G-0.8 G+3.1 ns
F9 td(clkH-nADVIV) Delay time, gpmc_clk rising edge to gpmc_advn_ale invalid (14) D-0.8 D+3.1 ns
F10 td(clkH-nOE) Delay time, gpmc_clk rising edge to gpmc_oen_ren transition (14) H-0.8 H+2.1 ns
F11 td(clkH-nOEIV) Delay time, gpmc_clk rising edge to gpmc_oen_ren invalid (14) E-0.8 E+2.1 ns
F14 td(clkH-nWE) Delay time, gpmc_clk rising edge to gpmc_wen transition (14) I-0.8 I+3.1 ns
F15 td(clkH-Data) Delay time, gpmc_clk rising edge to gpmc_ad[15:0] data bus transition J-1.1 J+3.92 ns
F17 td(clkH-nBE) Delay time, gpmc_clk rising edge to gpmc_ben[1:0] transition J-1.1 J+3.8 ns
F18 tw(nCSV) Pulse duration, gpmc_cs[7:0] low A ns
F19 tw(nBEV) Pulse duration, gpmc_ben[1:0] low C ns
F20 tw(nADVV) Pulse duration, gpmc_advn_ale low K ns
F23 td(CLK-GPIO) Delay time, gpmc_clk transition to gpio6_16.clkout0 transition (13) 1.2 6.1 ns

Table 7-9 GPMC/NOR Flash Interface Timing Requirements - Synchronous Mode - 5 Loads

NO. PARAMETER DESCRIPTION MIN MAX UNIT
F12 tsu(dV-clkH) Setup time, read gpmc_ad[15:0] valid before gpmc_clk high 2.5 ns
F13 th(clkH-dV) Hold time, read gpmc_ad[15:0] valid after gpmc_clk high 1.9 ns
F21 tsu(waitV-clkH) Setup time, gpmc_wait[1:0] valid before gpmc_clk high 2.5 ns
F22 th(clkH-waitV) Hold Time, gpmc_wait[1:0] valid after gpmc_clk high 1.9 ns

Table 7-10 GPMC/NOR Flash Interface Switching Characteristics - Synchronous Mode - 5 Loads

NO. PARAMETER DESCRIPTION MIN MAX UNIT
F0 tc(clk) Cycle time, output clock gpmc_clk period (12) 15.04 ns
F2 td(clkH-nCSV) Delay time, gpmc_clk rising edge to gpmc_cs[7:0] transition (14) F+0.7 (6) F+6.1 (6) ns
F3 td(clkH-nCSIV) Delay time, gpmc_clk rising edge to gpmc_cs[7:0] invalid (14) E+0.7 (5) E+6.1 (5) ns
F4 td(ADDV-clk) Delay time, gpmc_a[27:0] address bus valid to gpmc_clk first edge B+0.7 (2) B+6.1 (2) ns
F5 td(clkH-ADDIV) Delay time, gpmc_clk rising edge to gpmc_a[27:0] gpmc address bus invalid 0.7 ns
F6 td(nBEV-clk) Delay time, gpmc_ben[1:0] valid to gpmc_clk rising edge B-4.9 B+0.4 ns
F7 td(clkH-nBEIV) Delay time, gpmc_clk rising edge to gpmc_ben[1:0] invalid D-0.4 D+4.9 ns
F8 td(clkH-nADV) Delay time, gpmc_clk rising edge to gpmc_advn_ale transition (14) G+0.7 (7) G+6.1 (7) ns
F9 td(clkH-nADVIV) Delay time, gpmc_clk rising edge to gpmc_advn_ale invalid (14) D+0.7 (4) D+6.1 (4) ns
F10 td(clkH-nOE) Delay time, gpmc_clk rising edge to gpmc_oen_ren transition (14) H+0.7 (8) H+5.1 (8) ns
F11 td(clkH-nOEIV) Delay time, gpmc_clk rising edge to gpmc_oen_ren invalid (14) E+0.7 (5) E+5.1 (5) ns
F14 td(clkH-nWE) Delay time, gpmc_clk rising edge to gpmc_wen transition (14) I+0.7 (9) I+6.1 (9) ns
F15 td(clkH-Data) Delay time, gpmc_clk rising edge to gpmc_ad[15:0] data bus transition J-0.4 (10) J+4.9 (10) ns
F17 td(clkH-nBE) Delay time, gpmc_clk rising edge to gpmc_ben[1:0] transition J-0.4 (10) J+4.9 (10) ns
F18 tw(nCSV) Pulse duration, gpmc_cs[7:0] low A (1) ns
F19 tw(nBEV) Pulse duration, gpmc_ben[1:0] low C (3) ns
F20 tw(nADVV) Pulse duration, gpmc_advn_ale low K (11) ns
F23 td(CLK-GPIO) Delay time, gpmc_clk transition to gpio6_16.clkout0 transition (13) 1.2 6.1 ns
  1. For single read: A = (CSRdOffTime - CSOnTime) × (TimeParaGranularity + 1) × GPMC_FCLK period
    For burst read: A = (CSRdOffTime - CSOnTime + (n - 1) × PageBurstAccessTime) × (TimeParaGranularity + 1) × GPMC_FCLK period
    For burst write: A = (CSWrOffTime - CSOnTime + (n - 1) × PageBurstAccessTime) × (TimeParaGranularity + 1) × GPMC_FCLK period with n the page burst access number.
  2. B = ClkActivationTime × GPMC_FCLK
  3. For single read: C = RdCycleTime × (TimeParaGranularity + 1) × GPMC_FCLK
    For burst read: C = (RdCycleTime + (n – 1) × PageBurstAccessTime) × (TimeParaGranularity + 1) × GPMC_FCLK
    For Burst write: C = (WrCycleTime + (n – 1) × PageBurstAccessTime) × (TimeParaGranularity + 1) × GPMC_FCLK with n the page burst access number.
  4. For single read: D = (RdCycleTime – AccessTime) × (TimeParaGranularity + 1) × GPMC_FCLK
    For burst read: D = (RdCycleTime – AccessTime) × (TimeParaGranularity + 1) × GPMC_FCLK
    For burst write: D = (WrCycleTime – AccessTime) × (TimeParaGranularity + 1) × GPMC_FCLK
  5. For single read: E = (CSRdOffTime – AccessTime) × (TimeParaGranularity + 1) × GPMC_FCLK
    For burst read: E = (CSRdOffTime – AccessTime) × (TimeParaGranularity + 1) × GPMC_FCLK
    For burst write: E = (CSWrOffTime – AccessTime) × (TimeParaGranularity + 1) × GPMC_FCLK
  6. For nCS falling edge (CS activated):
    Case GpmcFCLKDivider = 0 :
    F = 0.5 × CSExtraDelay × GPMC_FCLK
    Case GpmcFCLKDivider = 1:
    F = 0.5 × CSExtraDelay × GPMC_FCLK if (ClkActivationTime and CSOnTime are odd) or (ClkActivationTime and CSOnTime are even)
    F = (1 + 0.5 × CSExtraDelay) × GPMC_FCLK otherwise
    Case GpmcFCLKDivider = 2:
    F = 0.5 × CSExtraDelay × GPMC_FCLK if ((CSOnTime – ClkActivationTime) is a multiple of 3)
    F = (1 + 0.5 × CSExtraDelay) × GPMC_FCLK if ((CSOnTime – ClkActivationTime – 1) is a multiple of 3)
    F = (2 + 0.5 × CSExtraDelay) × GPMC_FCLK if ((CSOnTime – ClkActivationTime – 2) is a multiple of 3)
    Case GpmcFCLKDivider = 3:
    F = 0.5 × CSExtraDelay × GPMC_FCLK if ((CSOnTime - ClkActivationTime) is a multiple of 4)
    F = (1 + 0.5 × CSExtraDelay) × GPMC_FCLK if ((CSOnTime - ClkActivationTime - 1) is a multiple of 4)
    F = (2 + 0.5 × CSExtraDelay) × GPMC_FCLK if ((CSOnTime - ClkActivationTime - 2) is a multiple of 4)
    F = (3 + 0.5 × CSExtraDelay) × GPMC_FCLK if ((CSOnTime - ClkActivationTime - 3) is a multiple of 4)
  7. For ADV falling edge (ADV activated):
    Case GpmcFCLKDivider = 0 :
    G = 0.5 × ADVExtraDelay × GPMC_FCLK
    Case GpmcFCLKDivider = 1:
    G = 0.5 × ADVExtraDelay × GPMC_FCLK if (ClkActivationTime and ADVOnTime are odd) or (ClkActivationTime and ADVOnTime are even)
    G = (1 + 0.5 × ADVExtraDelay) × GPMC_FCLK otherwise
    Case GpmcFCLKDivider = 2:
    G = 0.5 × ADVExtraDelay × GPMC_FCLK if ((ADVOnTime – ClkActivationTime) is a multiple of 3)
    G = (1 + 0.5 × ADVExtraDelay) × GPMC_FCLK if ((ADVOnTime – ClkActivationTime – 1) is a multiple of 3)
    G = (2 + 0.5 × ADVExtraDelay) × GPMC_FCLK if ((ADVOnTime – ClkActivationTime – 2) is a multiple of 3)
    For ADV rising edge (ADV deactivated) in Reading mode:
    Case GpmcFCLKDivider = 0:
    G = 0.5 × ADVExtraDelay × GPMC_FCLK
    Case GpmcFCLKDivider = 1:
    G = 0.5 × ADVExtraDelay × GPMC_FCLK if (ClkActivationTime and ADVRdOffTime are odd) or (ClkActivationTime and ADVRdOffTime are even)
    G = (1 + 0.5 × ADVExtraDelay) × GPMC_FCLK otherwise
    Case GpmcFCLKDivider = 2:
    G = 0.5 × ADVExtraDelay × GPMC_FCLK if ((ADVRdOffTime – ClkActivationTime) is a multiple of 3)
    G = (1 + 0.5 × ADVExtraDelay) × GPMC_FCLK if ((ADVRdOffTime – ClkActivationTime – 1) is a multiple of 3)
    G = (2 + 0.5 × ADVExtraDelay) × GPMC_FCLK if ((ADVRdOffTime – ClkActivationTime – 2) is a multiple of 3)
    Case GpmcFCLKDivider = 3:
    G = 0.5 × ADVExtraDelay × GPMC_FCLK if ((ADVRdOffTime – ClkActivationTime) is a multiple of 4)
    G = (1 + 0.5 × ADVExtraDelay) × GPMC_FCLK if ((ADVRdOffTime – ClkActivationTime – 1) is a multiple of 4)
    G = (2 + 0.5 × ADVExtraDelay) × GPMC_FCLK if ((ADVRdOffTime – ClkActivationTime – 2) is a multiple of 4)
    G = (3 + 0.5 × ADVExtraDelay) × GPMC_FCLK if ((ADVRdOffTime – ClkActivationTime – 3) is a multiple of 4)
    For ADV rising edge (ADV deactivated) in Writing mode:
    Case GpmcFCLKDivider = 0:
    G = 0.5 × ADVExtraDelay × GPMC_FCLK
    Case GpmcFCLKDivider = 1:
    G = 0.5 × ADVExtraDelay × GPMC_FCLK if (ClkActivationTime and ADVWrOffTime are odd) or (ClkActivationTime and ADVWrOffTime are even)
    G = (1 + 0.5 × ADVExtraDelay) × GPMC_FCLK otherwise
    Case GpmcFCLKDivider = 2:
    G = 0.5 × ADVExtraDelay × GPMC_FCLK if ((ADVWrOffTime – ClkActivationTime) is a multiple of 3)
    G = (1 + 0.5 × ADVExtraDelay) × GPMC_FCLK if ((ADVWrOffTime – ClkActivationTime – 1) is a multiple of 3)
    G = (2 + 0.5 × ADVExtraDelay) × GPMC_FCLK if ((ADVWrOffTime – ClkActivationTime – 2) is a multiple of 3)
    Case GpmcFCLKDivider = 3:
    G = 0.5 × ADVExtraDelay × GPMC_FCLK if ((ADVWrOffTime – ClkActivationTime) is a multiple of 4)
    G = (1 + 0.5 × ADVExtraDelay) × GPMC_FCLK if ((ADVWrOffTime – ClkActivationTime – 1) is a multiple of 4)
    G = (2 + 0.5 × ADVExtraDelay) × GPMC_FCLK if ((ADVWrOffTime – ClkActivationTime – 2) is a multiple of 4)
    G = (3 + 0.5 × ADVExtraDelay) × GPMC_FCLK if ((ADVWrOffTime – ClkActivationTime – 3) is a multiple of 4)
  8. For OE falling edge (OE activated):
    Case GpmcFCLKDivider = 0:
    - H = 0.5 × OEExtraDelay × GPMC_FCLK
    Case GpmcFCLKDivider = 1:
    - H = 0.5 × OEExtraDelay × GPMC_FCLK if (ClkActivationTime and OEOnTime are odd) or (ClkActivationTime and OEOnTime are even)
    - H = (1 + 0.5 × OEExtraDelay) × GPMC_FCLK otherwise
    Case GpmcFCLKDivider = 2:
    - H = 0.5 × OEExtraDelay × GPMC_FCLK if ((OEOnTime – ClkActivationTime) is a multiple of 3)
    - H = (1 + 0.5 × OEExtraDelay) × GPMC_FCLK if ((OEOnTime – ClkActivationTime – 1) is a multiple of 3)
    - H = (2 + 0.5 × OEExtraDelay) × GPMC_FCLK if ((OEOnTime – ClkActivationTime – 2) is a multiple of 3)
    Case GpmcFCLKDivider = 3:
    - H = 0.5 × OEExtraDelay × GPMC_FCLK if ((OEOnTime - ClkActivationTime) is a multiple of 4)
    - H = (1 + 0.5 × OEExtraDelay) × GPMC_FCLK if ((OEOnTime - ClkActivationTime - 1) is a multiple of 4)
    - H = (2 + 0.5 × OEExtraDelay) × GPMC_FCLK if ((OEOnTime - ClkActivationTime - 2) is a multiple of 4)
    - H = (3 + 0.5 × OEExtraDelay)) × GPMC_FCLK if ((OEOnTime - ClkActivationTime - 3) is a multiple of 4)
    For OE rising edge (OE deactivated):
    Case GpmcFCLKDivider = 0:
    - H = 0.5 × OEExtraDelay × GPMC_FCLK
    Case GpmcFCLKDivider = 1:
    - H = 0.5 × OEExtraDelay × GPMC_FCLK if (ClkActivationTime and OEOffTime are odd) or (ClkActivationTime and OEOffTime are even)
    - H = (1 + 0.5 × OEExtraDelay) × GPMC_FCLK otherwise
    Case GpmcFCLKDivider = 2:
    - H = 0.5 × OEExtraDelay × GPMC_FCLK if ((OEOffTime – ClkActivationTime) is a multiple of 3)
    - H = (1 + 0.5 × OEExtraDelay) × GPMC_FCLK if ((OEOffTime – ClkActivationTime – 1) is a multiple of 3)
    - H = (2 + 0.5 × OEExtraDelay) × GPMC_FCLK if ((OEOffTime – ClkActivationTime – 2) is a multiple of 3)
    Case GpmcFCLKDivider = 3:
    - H = 0.5 × OEExtraDelay × GPMC_FCLK if ((OEOffTime – ClkActivationTime) is a multiple of 4)
    - H = (1 + 0.5 × OEExtraDelay) × GPMC_FCLK if ((OEOffTime – ClkActivationTime – 1) is a multiple of 4)
    - H = (2 + 0.5 × OEExtraDelay) × GPMC_FCLK if ((OEOffTime – ClkActivationTime – 2) is a multiple of 4)
    - H = (3 + 0.5 × OEExtraDelay) × GPMC_FCLK if ((OEOffTime – ClkActivationTime – 3) is a multiple of 4)
  9. For WE falling edge (WE activated):
    Case GpmcFCLKDivider = 0:
    - I = 0.5 × WEExtraDelay × GPMC_FCLK
    Case GpmcFCLKDivider = 1:
    - I = 0.5 × WEExtraDelay × GPMC_FCLK if (ClkActivationTime and WEOnTime are odd) or (ClkActivationTime and WEOnTime are even)
    - I = (1 + 0.5 × WEExtraDelay) × GPMC_FCLK otherwise
    Case GpmcFCLKDivider = 2:
    - I = 0.5 × WEExtraDelay × GPMC_FCLK if ((WEOnTime – ClkActivationTime) is a multiple of 3)
    - I = (1 + 0.5 × WEExtraDelay) × GPMC_FCLK if ((WEOnTime – ClkActivationTime – 1) is a multiple of 3)
    - I = (2 + 0.5 × WEExtraDelay) × GPMC_FCLK if ((WEOnTime – ClkActivationTime – 2) is a multiple of 3)
    Case GpmcFCLKDivider = 3:
    - I = 0.5 × WEExtraDelay × GPMC_FCLK if ((WEOnTime - ClkActivationTime) is a multiple of 4)
    - I = (1 + 0.5 × WEExtraDelay) × GPMC_FCLK if ((WEOnTime - ClkActivationTime - 1) is a multiple of 4)
    - I = (2 + 0.5 × WEExtraDelay) × GPMC_FCLK if ((WEOnTime - ClkActivationTime - 2) is a multiple of 4)
    - I = (3 + 0.5 × WEExtraDelay) × GPMC_FCLK if ((WEOnTime - ClkActivationTime - 3) is a multiple of 4)
    For WE rising edge (WE deactivated):
    Case GpmcFCLKDivider = 0:
    - I = 0.5 × WEExtraDelay × GPMC_FCLK
    Case GpmcFCLKDivider = 1:
    - I = 0.5 × WEExtraDelay × GPMC_FCLK if (ClkActivationTime and WEOffTime are odd) or (ClkActivationTime and WEOffTime are even)
    - I = (1 + 0.5 × WEExtraDelay) × GPMC_FCLK otherwise
    Case GpmcFCLKDivider = 2:
    - I = 0.5 × WEExtraDelay × GPMC_FCLK if ((WEOffTime – ClkActivationTime) is a multiple of 3)
    - I = (1 + 0.5 × WEExtraDelay) × GPMC_FCLK if ((WEOffTime – ClkActivationTime – 1) is a multiple of 3)
    - I = (2 + 0.5 × WEExtraDelay) × GPMC_FCLK if ((WEOffTime – ClkActivationTime – 2) is a multiple of 3)
    Case GpmcFCLKDivider = 3:
    - I = 0.5 × WEExtraDelay × GPMC_FCLK if ((WEOffTime - ClkActivationTime) is a multiple of 4)
    - I = (1 + 0.5 × WEExtraDelay) × GPMC_FCLK if ((WEOffTime - ClkActivationTime - 1) is a multiple of 4)
    - I = (2 + 0.5 × WEExtraDelay) × GPMC_FCLK if ((WEOffTime - ClkActivationTime - 2) is a multiple of 4)
    - I = (3 + 0.5 × WEExtraDelay) × GPMC_FCLK if ((WEOffTime - ClkActivationTime - 3) is a multiple of 4)
  10. J = GPMC_FCLK period, where GPMC_FCLK is the General Purpose Memory Controller internal functional clock
  11. For read:
    K = (ADVRdOffTime – ADVOnTime) × (TimeParaGranularity + 1) × GPMC_FCLK
    For write: K = (ADVWrOffTime – ADVOnTime) × (TimeParaGranularity + 1) × GPMC_FCLK
  12. The gpmc_clk output clock maximum and minimum frequency is programmable in the I/F module by setting the GPMC_CONFIG1_CSx configuration register bit fields GpmcFCLKDivider
  13. gpio6_16 programmed to MUXMODE=9 (clkout1), CM_CLKSEL_CLKOUTMUX1 programmed to 7 (CORE_DPLL_OUT_DCLK), CM_CLKSEL_CORE_DPLL_OUT_CLK_CLKOUTMUX programmed to 1.
  14. CSEXTRADELAY = 0, ADVEXTRADELAY = 0, WEEXTRADELAY = 0, OEEXTRADELAY = 0. Extra half-GPMC_FCLK cycle delay mode is not timed.
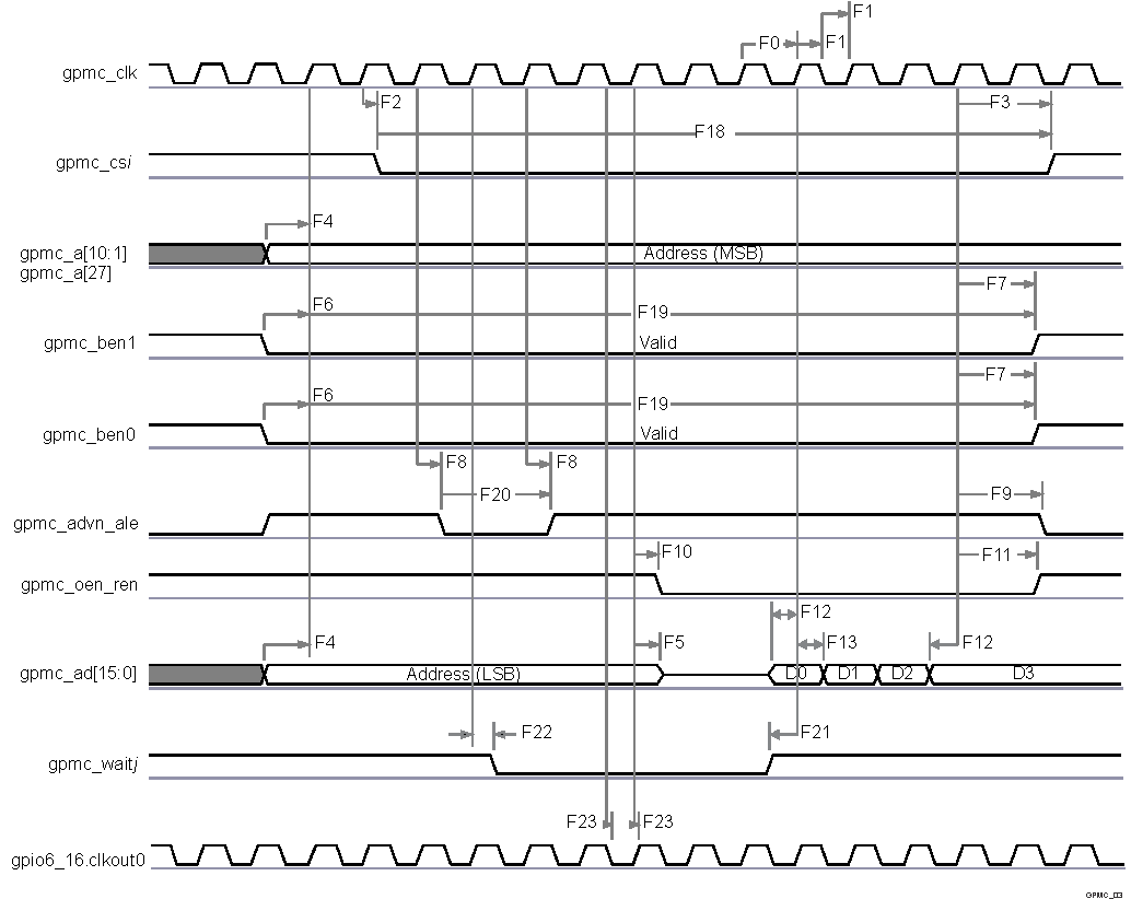
TDA3MV TDA3MA TDA3MD TDA3LX TDA3LA SPRS91v_GPMC_01.gifFigure 7-7 GPMC / Multiplexed 16bits NOR Flash - Synchronous Single Read -
(GpmcFCLKDivider = 0)(1)(2)

  1. In gpmc_csi, i = 0 to 7.
  2. In gpmc_waitj, j = 0 to 1.
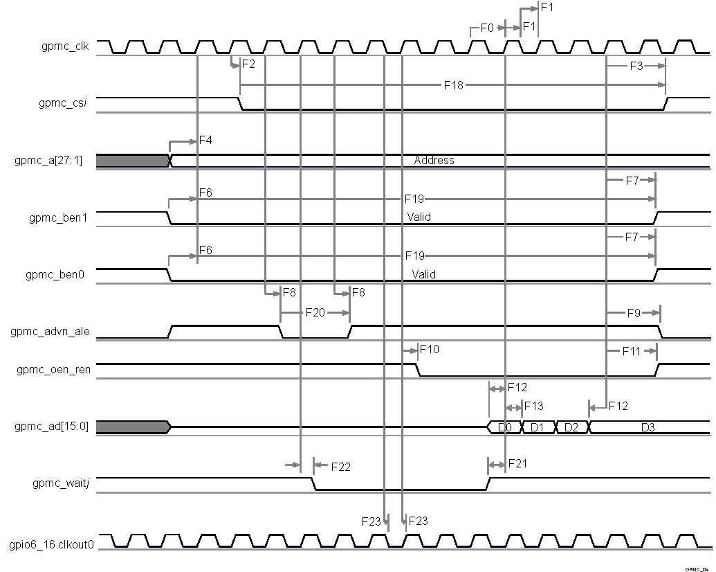
TDA3MV TDA3MA TDA3MD TDA3LX TDA3LA SPRS91v_GPMC_02.gifFigure 7-8 GPMC / Non-Multiplexed 16bits NOR Flash - Synchronous Single Read -
(GpmcFCLKDivider = 0)(1)(2)

  1. In gpmc_csi, i = 0 to 7.
  2. In gpmc_waitj, j = 0 to 1.
TDA3MV TDA3MA TDA3MD TDA3LX TDA3LA SPRS91v_GPMC_03.gifFigure 7-9 GPMC / Multiplexed 16bits NOR Flash - Synchronous Burst Read 4x16 bits -
(GpmcFCLKDivider = 0)(1)(2)
  1. In gpmc_csi, i= 0 to 7.
  2. In gpmc_waitj, j = 0 to 1.
TDA3MV TDA3MA TDA3MD TDA3LX TDA3LA SPRS91v_GPMC_04.gifFigure 7-10 GPMC / Non-Multiplexed 16bits NOR Flash - Synchronous Burst Read 4x16 bits -
(GpmcFCLKDivider = 0)(1)(2)
  1. In gpmc_csi, i = 0 to 7.
  2. In gpmc_waitj, j = 0 to 1.
TDA3MV TDA3MA TDA3MD TDA3LX TDA3LA SPRS91v_GPMC_05.gifFigure 7-11 GPMC / Multiplexed 16bits NOR Flash - Synchronous Burst Write 4x16bits -
(GpmcFCLKDivider = 0)(1)(2)
  1. In “gpmc_csi”, i = 0 to 7.
  2. In “gpmc_waitj”, j = 0 to 1.
TDA3MV TDA3MA TDA3MD TDA3LX TDA3LA SPRS91v_GPMC_06.gifFigure 7-12 GPMC / Non-Multiplexed 16bits NOR Flash - Synchronous Burst Write 4x16bits - (GpmcFCLKDivider = 0)(1)(2)
  1. In “gpmc_csi”, i = 1 to 7.
  2. In “gpmc_waitj”, j = 0 to 1.