ZHCSQ49A December   2022  – June 2024 TCAN3403-Q1 , TCAN3404-Q1

PRODUCTION DATA  

  1.   1
  2. 特性
  3. 应用
  4. 说明
  5. Device Comparison
  6. Pin Configuration and Functions
  7. Specifications
    1. 6.1  Absolute Maximum Ratings
    2. 6.2  ESD Ratings
    3. 6.3  ESD Ratings, IEC Transients
    4. 6.4  Recommended Operating Conditions
    5. 6.5  Thermal Characteristics
    6. 6.6  Supply Characteristics
    7. 6.7  Dissipation Ratings
    8. 6.8  Electrical Characteristics
    9. 6.9  Switching Characteristics
    10. 6.10 Typical Characteristics
  8. Parameter Measurement Information
  9. Detailed Description
    1. 8.1 Overview
    2. 8.2 Functional Block Diagram
    3. 8.3 Feature Description
      1. 8.3.1 Pin Description
        1. 8.3.1.1 TXD
        2. 8.3.1.2 GND
        3. 8.3.1.3 VCC
        4. 8.3.1.4 RXD
        5. 8.3.1.5 VIO (TCAN3403-Q1 only)
        6. 8.3.1.6 CANH and CANL
        7. 8.3.1.7 STB (Standby)
        8. 8.3.1.8 SHDN (Shutdown)
      2. 8.3.2 CAN Bus States
      3. 8.3.3 TXD Dominant Timeout (DTO)
      4. 8.3.4 CAN Bus short-circuit current limiting
      5. 8.3.5 Thermal Shutdown (TSD)
      6. 8.3.6 Undervoltage Lockout
      7. 8.3.7 Unpowered Device
      8. 8.3.8 Floating pins
    4. 8.4 Device Functional Modes
      1. 8.4.1 Operating Modes
      2. 8.4.2 Normal Mode
      3. 8.4.3 Standby Mode
        1. 8.4.3.1 Remote Wake Request via Wake-Up Pattern (WUP) in Standby Mode
      4. 8.4.4 Shutdown Mode
      5. 8.4.5 Driver and Receiver Function
  10. Application Information Disclaimer
    1. 9.1 Application Information
    2. 9.2 Typical Application
      1. 9.2.1 Design Requirements
        1. 9.2.1.1 CAN Termination
      2. 9.2.2 Detailed Design Procedures
        1. 9.2.2.1 Bus Loading, Length and Number of Nodes
      3. 9.2.3 Application Curves
    3. 9.3 System Examples
      1. 9.3.1 ISO 11898-2 Compatibility of TCAN340x-Q1 Family of 3.3V CAN Transceivers
        1. 9.3.1.1 Introduction
        2. 9.3.1.2 Differential Signal
        3. 9.3.1.3 Common-Mode Signal
        4. 9.3.1.4 Interoperability of 3.3V CAN in 5V CAN Systems
    4. 9.4 Power Supply Recommendations
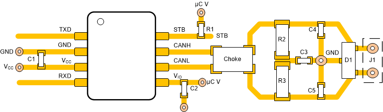
    5. 9.5 Layout
      1. 9.5.1 Layout Guidelines
      2. 9.5.2 Layout Example
  11. 10Device and Documentation Support
    1. 10.1 接收文档更新通知
    2. 10.2 支持资源
    3. 10.3 Trademarks
    4. 10.4 静电放电警告
    5. 10.5 术语表
  12. 11Revision History
  13. 12Mechanical, Packaging, and Orderable Information

封装选项

机械数据 (封装 | 引脚)
散热焊盘机械数据 (封装 | 引脚)
订购信息

Layout Example

TCAN3404-Q1 TCAN3403-Q1 Layout ExampleFigure 9-8 Layout Example