ZHCSGC3E March   2016  – April 2021 TCAN1051H , TCAN1051HG , TCAN1051HGV , TCAN1051HV

PRODUCTION DATA  

  1. 特性
  2. 应用
  3. 说明
  4. Revision History
  5. Pin Configuration and Functions
  6. Specifications
    1. 6.1 Absolute Maximum Ratings
    2. 6.2 ESD Ratings
    3. 6.3 ESD Ratings, Specifications
    4. 6.4 Recommended Operating Conditions
    5. 6.5 Thermal Information
    6. 6.6 Power Rating
    7. 6.7 Electrical Characteristics
    8. 6.8 Switching Characteristics
    9. 6.9 Typical Characteristics
  7. Parameter Measurement Information
  8. Detailed Description
    1. 8.1 Overview
    2. 8.2 Functional Block Diagram
    3. 8.3 Feature Description
      1. 8.3.1 TXD Dominant Timeout (DTO)
      2. 8.3.2 Thermal Shutdown (TSD)
      3. 8.3.3 Undervoltage Lockout
      4. 8.3.4 Unpowered Device
      5. 8.3.5 Floating Terminals
      6. 8.3.6 CAN Bus Short Circuit Current Limiting
      7. 8.3.7 Digital Inputs and Outputs
        1. 8.3.7.1 5-V VCC Only Devices (Devices without the "V" Suffix):
        2. 8.3.7.2 5 V VCC with VIO I/O Level Shifting (Devices with the "V" Suffix):
    4. 8.4 Device Functional Modes
      1. 8.4.1 CAN Bus States
      2. 8.4.2 Normal Mode
      3. 8.4.3 Silent Mode
      4. 8.4.4 Driver and Receiver Function Tables
  9. Application Information Disclaimer
    1. 9.1 Application Information
    2. 9.2 Typical Applications
      1. 9.2.1 Design Requirements
        1. 9.2.1.1 Bus Loading, Length and Number of Nodes
      2. 9.2.2 Detailed Design Procedures
        1. 9.2.2.1 CAN Termination
      3. 9.2.3 Application Curves
  10. 10Power Supply Recommendations
  11. 11Device and Documentation Support
    1. 11.1 Documentation Support
      1. 11.1.1 Related Documentation
    2. 11.2 Receiving Notification of Documentation Updates
    3. 11.3 Support Resources
    4. 11.4 Trademarks
    5. 11.5 Electrostatic Discharge Caution
    6. 11.6 Glossary
  12. 12Mechanical, Packaging, and Orderable Information

封装选项

请参考 PDF 数据表获取器件具体的封装图。

机械数据 (封装 | 引脚)
  • D|8
散热焊盘机械数据 (封装 | 引脚)
订购信息

Parameter Measurement Information

GUID-104C5DB5-0384-4104-9DAA-9AE4166B5081-low.gif Figure 7-1 Driver Test Circuit and Measurement
GUID-FE9EA96A-15EE-4945-B990-1398060A47D7-low.gif Figure 7-2 Receiver Test Circuit and Measurement
Table 7-1 Receiver Differential Input Voltage Threshold Test
INPUT (See Figure 7-2 OUTPUT
VCANH VCANL |VID| RXD
-29.5 V -30.5 V 1000 mV L VOL
30.5 V 29.5 V 1000 mV L
-19.55 V -20.45 V 900 mV L
20.45 V 19.55 V 900 mV L
-19.75 V -20.25 V 500 mV H VOH
20.25 V 19.75 V 500 mV H
-29.8 V -30.2 V 400 mV H
30.2 V 29.8 V 400 mV H
Open Open X H
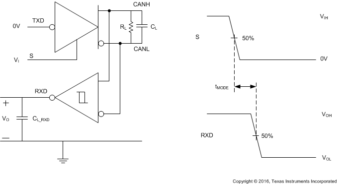
GUID-F1F22D55-5D3A-4498-BD28-BC682670935B-low.gif Figure 7-3 tMODE Test Circuit and Measurement
GUID-98BC2325-BB86-4449-A84E-03487CF45606-low.gif Figure 7-4 TPROP(LOOP) Test Circuit and Measurement
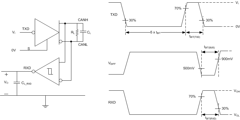
GUID-C5FC0C5E-2A93-4867-97F0-C9A90461BCC1-low.gif Figure 7-5 CAN FD Timing Parameter Measurement
GUID-3C1EEB35-60C4-4D18-8800-635825AB77A0-low.gif Figure 7-6 TXD Dominant Timeout Test Circuit and Measurement
GUID-DA66B0DC-0D04-4E6A-AF32-BA5A38FDEDEF-low.gif Figure 7-7 Driver Short Circuit Current Test and Measurement